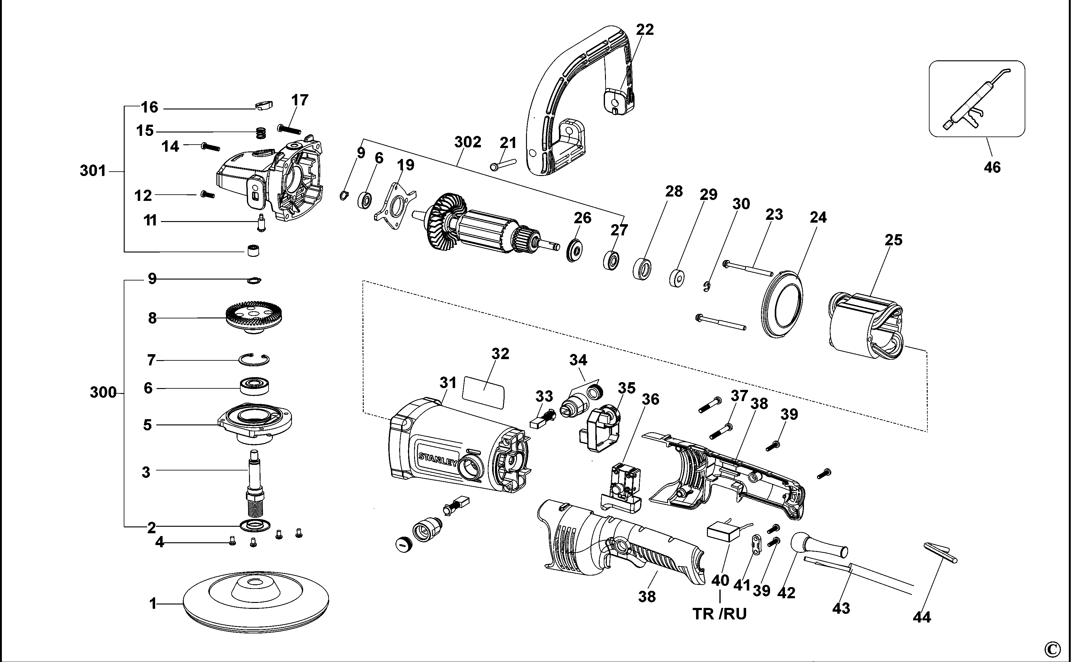
SP137 POLISHER Type 1 | Drawings
Documents
| Item No. | Product Number | Qty Per | Product Description | General Description | Other Info | Markets | Product Status |
|---|---|---|---|---|---|---|---|
| 1 | N625584 | 1 | PAD SA | RU | |||
| 2 | N616369 | 1 | WASHER | RU | |||
| 3 | N616353 | 1 | SPINDLE SA | RU | |||
| 4 | N616370 | 4 | SCREW | RU | |||
| 5 | N616371 | 1 | GEARCASE COVER | RU | |||
| 6 | 49111017 | 2 | BEARING | RU | |||
| 7 | 49207020 | 1 | CIRCLIP | RU | |||
| 8 | N616354 | 1 | GEAR | RU | |||
| 9 | 49207027 | 2 | CIRCLIP | RU | |||
| 11 | N625585 | 1 | LOCK PIN | RU | |||
| 12 | N616372 | 1 | SCREW | RU | |||
| 14 | N616373 | 1 | SCREW | RU | |||
| 15 | 4145208001 | 1 | SPRING | RU | |||
| 16 | N625586 | 1 | LOCK BUTTON | RU | |||
| 17 | N616374 | 4 | SCREW | RU | |||
| 19 | N616356 | 1 | PLATEN | RU | |||
| 21 | N625587 | 2 | SCREW | RU | |||
| 22 | N625588 | 1 | HANDLE SA | RU | |||
| 23 | 49206039 | 2 | SCREW | SELF-TAPPING | RU | ||
| 24 | N480777 | 1 | BAFFLE | RU | |||
| 25 | N616358 | 1 | FIELD SA | RU | |||
| 26 | 4240101005 | 1 | WASHER INSULATING | RU | |||
| 27 | 49111013 | 1 | BEARING | RU | |||
| 28 | 4145203004 | 1 | SLEEVE | RU | |||
| 29 | N627999 | 1 | RING | RU | |||
| 30 | N628000 | 1 | CIRCLIP | RU | |||
| 31 | N616359 | 1 | FIELD CASE | RU | |||
| 32 | N641772 | 1 | RATING PLATE | RU | |||
| 33 | N480786 | 1 | BRUSH PAIR | RU | |||
| 34 | 4240207006 | 1 | BRUSH & HOLDER SA | RU | |||
| 35 | N616361 | 1 | CONTROL SA | RU | |||
| 36 | N543768 | 1 | SWITCH | RU | |||
| 37 | 49206037 | 2 | SCREW | RU | |||
| 38 | N619492 | 1 | HANDLE SA | RU | |||
| 39 | 60302010 | 1 | FIELD SA | RU | |||
| 40 | N495735 | 1 | CAPACITOR | RU | |||
| 41 | 4100301008 | 1 | CORD CLAMP | RU | |||
| 42 | N480227 | 1 | CORD PROTECTOR | RU | |||
| 43 | N689128 | 1 | CORDSET | RU | RU | ||
| 44 | 90579371 | 1 | HEX KEY | RU | |||
| 46 | N544389 | 1 | GREASE | 30g | RU | ||
| 300 | N677432 | 1 | GEARBOX SA | RU | |||
| 301 | N677433 | 1 | GEARCASE SA | RU | |||
| 302 | N677434 | 1 | ARMATURE SA | RU |