DW849 ПОЛИРОВАЛЬНЫЙ СТАНОК Type 3 | Чертежи
Документы
Пожалуйста, просмотрите ниспадающее меню, так как для некоторых продуктов может быть приведено несколько рисунков
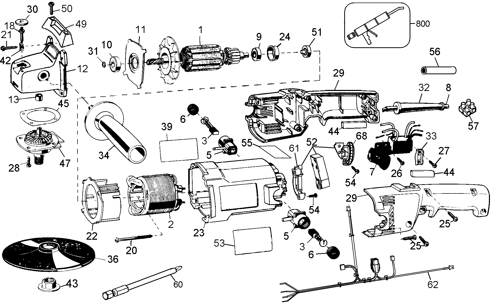
| Item No. | Product Number | Qty Per | Product Description | ДОП. ОПИСАНИЕ | Other Info | Markets | Product Status |
|---|---|---|---|---|---|---|---|
| 1 | 448519-08SV | 1 | ЯКОРЬ И ВЕНТИЛЯТОР | A9 | ![]() |
||
| 2 | 448171-75SV | 1 | СТАТОР | A9 | |||
| 3 | 450374-12 | 2 | ЩЁТКА С ПРУЖИНОЙ | A9 | ![]() |
||
| 5 | 448083-01 | 2 | ОБОЙМА ЩЁТКОДЕРЖАТЕЛЯ В СБОРЕ | A9 | |||
| 6 | 448084-01 | 2 | КОЛПАЧОК ЩЁТКИ | A9 | ![]() |
||
| 7 | N025435 | 1 | ВЫКЛЮЧАТЕЛЬ В СБОРЕ | A9 | |||
| 8 | 330114-13 | 1 | КОМПЛЕКТ ПРОВОДОВ | A9 | |||
| 9 | 330003-04 | 1 | ПОДШИПНИК | A9 | |||
| 10 | 605040-20 | 1 | ПОДШИПНИК | 12 x 28 x 8mm | A9 | ![]() |
|
| 11 | 448079-00 | 1 | ПЛАСТИНА | A9 | |||
| 12 | 448506-07SV | 1 | CASE-GEAR | INC 13 | A9 | ||
| 13 | 449852-00 | 1 | ВТУЛКА ПОДШИПНИКА | A9 | |||
| 18 | 447827-00 | 1 | ШТИФТ | A9 | ![]() |
||
| 20 | 330044-23 | 2 | ВИНТ | A9 | ![]() |
||
| 21 | 330019-15 | 4 | ВИНТ | A9 | ![]() |
||
| 22 | 447786-00 | 1 | ДЕФЛЕКТОР ВЕНТИЛЯТОРА | A9 | ![]() |
||
| 23 | 447799-08 | 1 | КОРПУС СТАТОРА | A9 | |||
| 24 | 445217-02 | 1 | ВТУЛКА | A9 | ![]() |
||
| 25 | 330019-13 | 8 | ВИНТ | M4X19 T20 | A9 | ![]() |
|
| 26 | 330019-01 | 1 | ВИНТ | A9 | ![]() |
||
| 27 | 330019-03 | 2 | ВИНТ | A9 | ![]() |
||
| 28 | 158472-00 | 4 | ВИНТ | A9 | ![]() |
||
| 29 | 151122-14 | 1 | РУЧКА И КРЫШКА | A9 | |||
| 30 | 448127-01 | 1 | ШАЙБА | A9 | |||
| 31 | 696060-00 | 1 | СТОПОРНОЕ ПРИСПОСОБЛЕНИЕ | A9 | ![]() |
||
| 32 | 330005-01 | 1 | ЧЕХОЛ ШНУРА ПИТАНИЯ | A9 | |||
| 33 | 142519-00 | 1 | ЗАЖИМ КАБЕЛЯ | A9 | ![]() |
||
| 34 | 086319-19 | 1 | БОКОВАЯ РУЧКА | A9 | |||
| 36 | 146546-01 | 1 | ОПОРНАЯ ПОДУШКА | 6.5 INCH, RUBBER | A9 | ![]() |
|
| 39 | N043649 | 1 | ТАБЛИЧКА С ТЕХНИЧЕСКИМИ ДАННЫМИ | DW849-A9 ty.3 | A9 | ||
| 42 | 448136-00 | 1 | ПРУЖИНА | A9 | ![]() |
||
| 43 | 636574-00 | 1 | ЗАЖИМНАЯ ШАЙБА | A9 | ![]() |
||
| 44 | 150844-00 | 2 | ОПОРНАЯ ПОДУШКА | A9 | ![]() |
||
| 45 | 5140120-49 | 1 | ПРОКЛАДКА | PCKG'D 143106-00 | A9 | ||
| 47 | 449706-09SV | 1 | ШПИНДЕЛЬ И ШЕСТЕРНЯ | M14x2 | M14 THREAD | A9 | |
| 49 | 148622-00 | 1 | УПОР | A9 | |||
| 50 | 133895-00 | 2 | ВИНТ | A9 | |||
| 51 | 148210-01 | 1 | МАГНИТ | A9 | ![]() |
||
| 52 | N034008 | 1 | МОДУЛЬ УПРАВЛЕНИЯ В СБОРЕ | DW849 230V | Incl. 61 | A9 | |
| 53 | 627212-00 | 1 | ЯРЛЫК ПРОИЗВОДИТЕЛЯ | DEWALT | A9 | ![]() |
|
| 54 | 330019-02 | 3 | ВИНТ | A9 | ![]() |
||
| 55 | 398365-00 | 1 | ПРЕДУПРЕДИТЕЛЬНАЯ ЭТИКЕТКА | A9 | |||
| 56 | 150855-00 | 1 | ТРУБА | A9 | ![]() |
||
| 57 | 320078-00 | 1 | КЛЕММНАЯ КОЛОДКА | A9 | ![]() |
||
| 60 | 233720-02 | 1 | ОТВЁРТКА СО СМЕННЫМИ НАКОНЕЧНИКАМИ | A9 | ![]() |
||
| 61 | 626227-00 | 1 | ТАХОМЕТР | A9 | ![]() |
||
| 62 | N024568 | 1 | SET OF LEAD WIRES | A9 | ![]() |
||
| 68 | 626226-00 | 1 | ПОТЕНЦИОМЕТР В СБОРЕ | A9 | ![]() |
||
| 800 | 429698-00 | 1 | КОНСИСТЕНТНАЯ СМАЗКА | BD-L 2 | A9 | ![]() |

