VB2050 VACUUM CLEANER Type 1 | Drawings
Documents

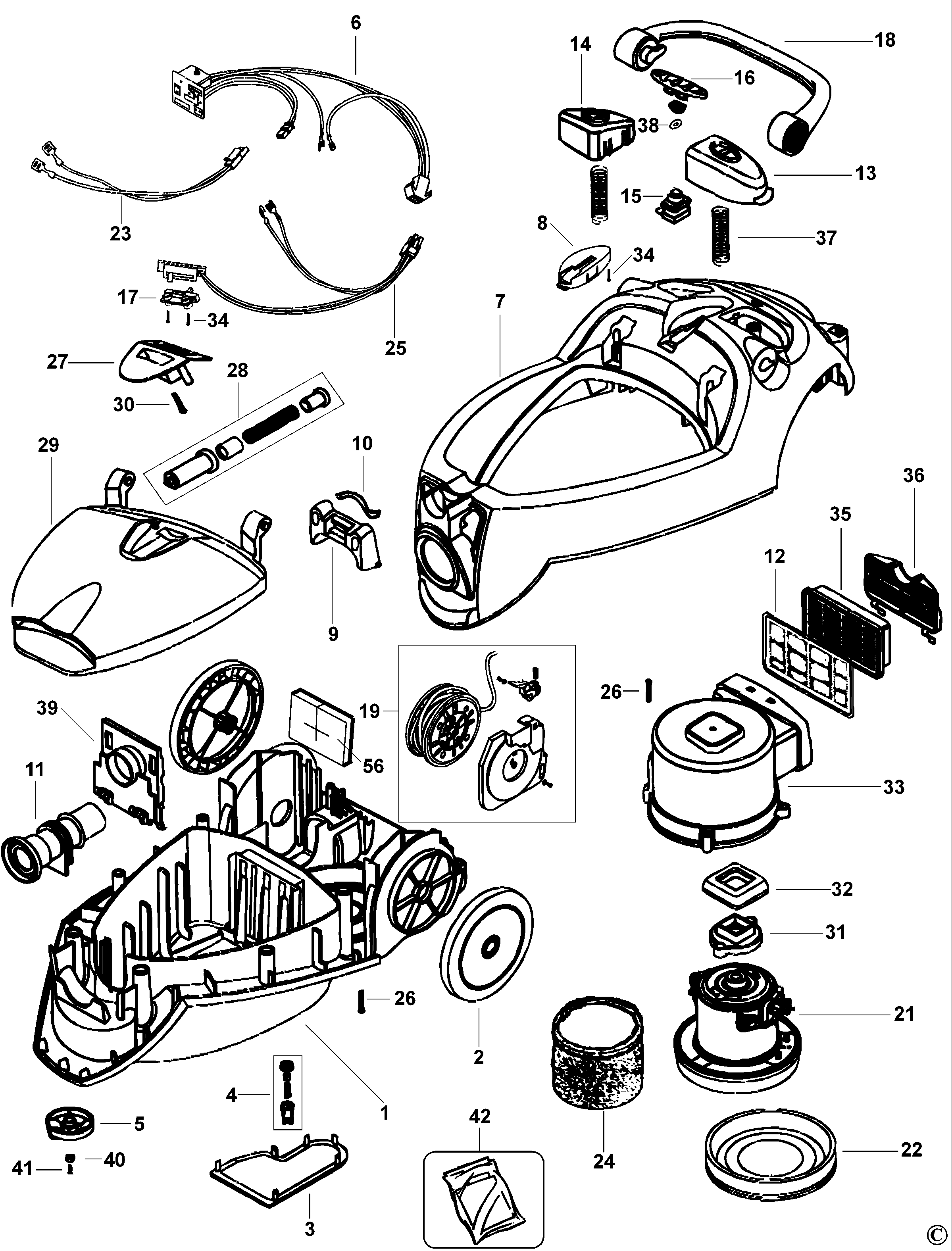
Item No. | Product Number | Qty Per | Product Description | General Description | Other Info | Markets | Product Status |
---|---|---|---|---|---|---|---|
1 | 585544-00 | 1 | HOUSING LOWER | GB | ![]() |
||
2 | 583112-00 | 2 | WHEEL REAR | GB | ![]() |
||
3 | 585635-10 | 1 | COVER | GB | ![]() |
||
4 | 5106266-00 | 1 | VALVE | GB | ![]() |
||
5 | 5106260-00 | 2 | WHEEL SA | GB | ![]() |
||
6 | 5106219-05 | 1 | PCB SA | 1600 | GB | ![]() |
|
7 | 5106274-06 | 1 | HOUSING UPPER | Orange | Upto DC 04-2005 | GB | ![]() |
7 | 5106274-07 | 1 | HOUSING UPPER | Orange | From DC 05-2005 | GB | ![]() |
8 | 585462-00 | 1 | CLIP | GB | ![]() |
||
9 | 583405-00 | 1 | LATCH | GB | ![]() |
||
10 | 585460-00 | 1 | SPRING | GB | ![]() |
||
11 | 584986-00 | 1 | TUBE | GB | ![]() |
||
13 | 583135-00 | 1 | ACTUATOR | GB | ![]() |
||
14 | 583132-00 | 1 | ACTUATOR | GB | ![]() |
||
15 | 583137-00 | 1 | SWITCH | GB | ![]() |
||
16 | 583140-00 | 1 | SLIDER | GB | ![]() |
||
17 | 586504-00 | 1 | RETAINER | GB | ![]() |
||
18 | 584651-00 | 1 | HANDLE | Light Grey | Upto DC 04-2005 | GB | ![]() |
18 | 584651-10 | 1 | HANDLE | Light Grey | From DC 05-2005 | GB | ![]() |
19 | 583109-11 | 1 | CABLE SA | GB | ![]() |
||
21 | 478002-00 | 1 | MOTOR SA | 1800W | GB | ![]() |
|
22 | 583120-01 | 1 | MOUNT | GB | ![]() |
||
23 | 5106217-00 | 1 | LEAD SA | GB | ![]() |
||
24 | 583146-00 | 1 | FOAM | GB | ![]() |
||
25 | 5106218-01 | 1 | LEAD SA | GB | ![]() |
||
26 | 585535-00 | 12 | SCREW | No6 x 17mm | GB | ![]() |
|
27 | 584982-08 | 1 | INSERT | GB | ![]() |
||
28 | 5106246-00 | 1 | INDICATOR | GB | ![]() |
||
29 | 5106276-09 | 1 | LID SA | GB | ![]() |
||
30 | 585580-00 | 2 | SCREW | No 6 x 12 | GB | ![]() |
|
31 | 583404-01 | 1 | MOUNT | GB | ![]() |
||
32 | 583402-00 | 1 | SUPPORT | GB | ![]() |
||
33 | 583123-00 | 1 | COVER HOUSING | GB | ![]() |
||
34 | 585535-00 | 3 | SCREW | No6 x 17mm | GB | ![]() |
|
35 | 478003-00 | 1 | FILTER | GB | ![]() |
||
36 | 583138-00 | 1 | GRILL | GB | ![]() |
||
37 | 583136-00 | 2 | SPRING | GB | ![]() |
||
38 | 5106864-00 | 1 | WASHER LOCK | GB | ![]() |
||
39 | 588324-00 | 1 | HOLDER DUSTBAG | GB | ![]() |
||
40 | 585622-00 | 1 | RETAINER | GB | ![]() |
||
41 | 585580-00 | 1 | SCREW | No 6 x 12 | GB | ![]() |
|
42 | 5106225-00 | 1 | DUSTBAG | GB | ![]() |
||
46 | 5106261-00 | 1 | HEAD SA | GB | ![]() |
||
47 | 585244-10 | 1 | HOLDER | GB | ![]() |
||
48 | 585131-00 | 1 | TOOL CREVICE | GB | ![]() |
||
49 | 5106265-00 | 1 | BRUSH SA | GB | ![]() |
||
52 | 5106232-00 | 1 | VACUUM TUBE SA | GB | ![]() |
||
53 | 5106259-07 | 1 | HOSE SA | GB | ![]() |
||
54 | 5106292-10 | 1 | BRAND LABEL | GB | ![]() |
||
55 | 585580-00 | 2 | SCREW | No 6 x 12 | GB | ![]() |
|
56 | 5106228-00 | 1 | FILTER | VBP50 | GB | ![]() |
|
57 | 5106262-10 | 1 | HEAD SA | GB | ![]() |
||
58 | 477773-01 | 1 | HEAD SA | GB | ![]() |