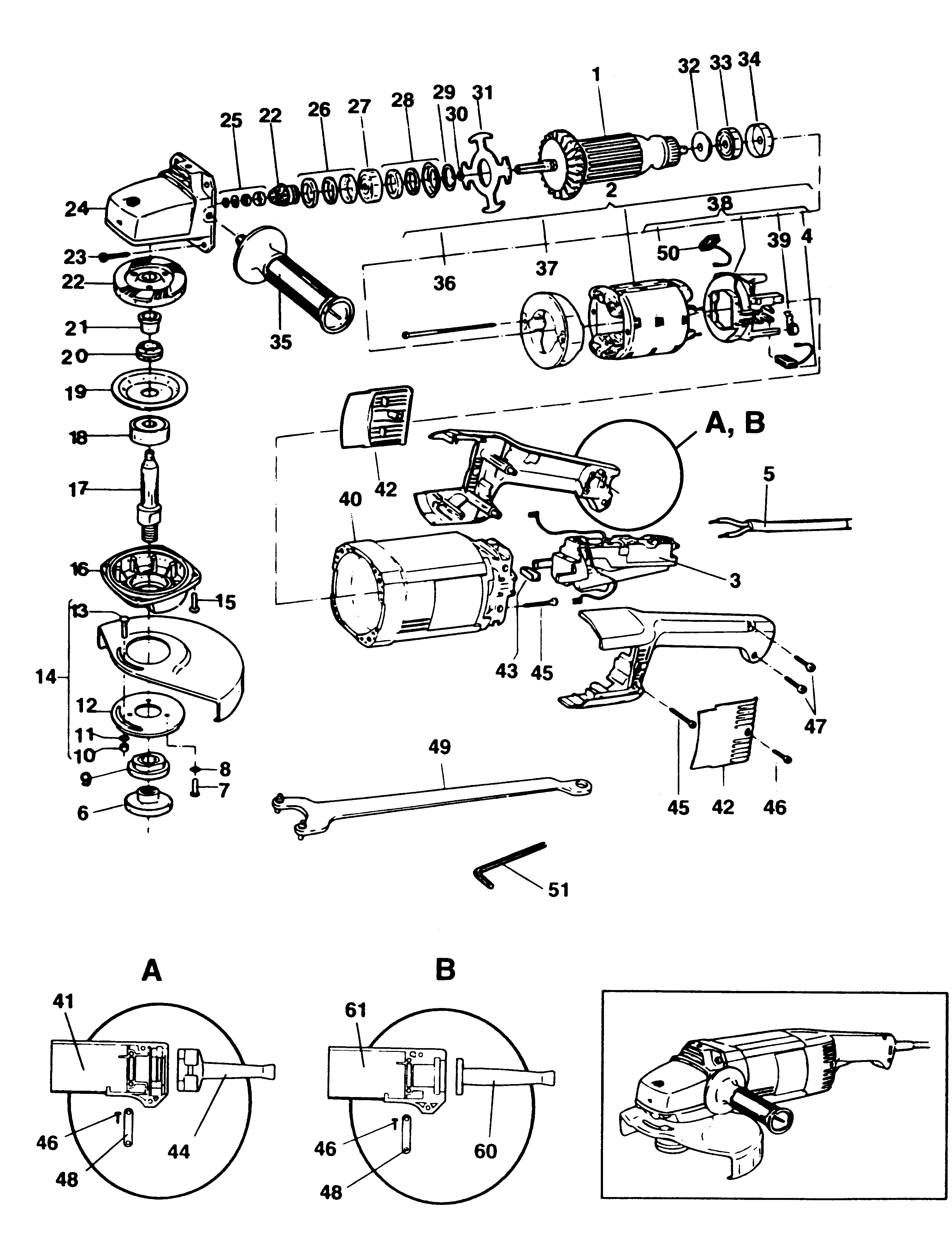
P5941 ANGLE GRINDER Type 1 | Drawings
Documents

Item No. | Product Number | Qty Per | Product Description | General Description | Other Info | Markets | Product Status |
---|---|---|---|---|---|---|---|
1 | 932206 | 1 | ARMATURE | IL | ![]() |
||
2 | 940486 | 1 | FIELD | IL | ![]() |
||
3 | 936645 | 1 | SWITCH | IL | ![]() |
||
4 | 940160-03 | 1 | BRUSH CUT OFF 230V | IL | ![]() |
||
5 | 930968-00 | 1 | CABLE & PLUG | IL | ![]() |
||
6 | 931771 | 1 | FLANGE | IL | |||
7 | 933058-00 | 3 | SCREW | IL | ![]() |
||
8 | 932369 | 3 | WASHER | IL | ![]() |
||
9 | 930927 | 1 | FLANGE | IL | ![]() |
||
10 | 860083-03 | 1 | NUT | IL | ![]() |
||
11 | 930925 | 1 | WASHER | IL | ![]() |
||
12 | 930929 | 1 | FLANGE | IL | ![]() |
||
13 | 949892-07 | 1 | SCREW | IL | ![]() |
||
14 | 931942-02 | 1 | GUARD 9" | IL | ![]() |
||
15 | 949887-01 | 4 | SCREW | IL | ![]() |
||
16 | 947962-00 | 1 | GEARCASE COVER | IL | ![]() |
||
17 | 578243-00 | 1 | SPINDLE | IL | ![]() |
||
18 | 930566 | 1 | BEARING | IL | |||
19 | 930924 | 1 | FLANGE | IL | ![]() |
||
20 | 930923 | 1 | SEAL | IL | ![]() |
||
21 | 930922 | 1 | SPACER | IL | ![]() |
||
22 | 936648 | 1 | GEAR & PINION | IL | ![]() |
||
23 | 930930 | 4 | SCREW | IL | ![]() |
||
24 | 401048-00 | 1 | GEARCASE SA | IL | ![]() |
||
25 | 937668 | 1 | CIRCLIP SA | IL | ![]() |
||
26 | 930909 | 1 | SEAL SA | IL | ![]() |
||
27 | 330003-14 | 1 | BEARING | IL | ![]() |
||
28 | 931067-00 | 1 | SEAL SA | IL | ![]() |
||
29 | 931062 | 1 | SPACER | IL | ![]() |
||
30 | 930028-00 | 1 | O RING | IL | ![]() |
||
31 | 931066-00 | 1 | FLANGE | IL | ![]() |
||
32 | N174055 | 1 | SPACER | IL | ![]() |
||
33 | 577745-00 | 1 | BEARING | IL | ![]() |
||
34 | 938332-00 | 1 | SLEEVE | IL | ![]() |
||
35 | 933499 | 1 | HANDLE SIDE SA | IL | ![]() |
||
36 | N412453 | 2 | SCREW | IL | ![]() |
||
37 | 931073-00 | 1 | BAFFLE | IL | ![]() |
||
38 | 935747 | 1 | BRUSH PLATE SA | IL | ![]() |
||
39 | 931076-00 | 2 | SPRING | IL | ![]() |
||
40 | 948134-09 | 1 | FIELDCASE SA | IL | ![]() |
||
41 | 933805-00 | 1 | HANDLE SA | IL | ![]() |
||
42 | 933364-02 | 2 | COVER | IL | ![]() |
||
43 | 930934-00 | 4 | SHOCK ABSORBER | IL | ![]() |
||
44 | 930981-00 | 1 | CORD PROTECTOR | IL | ![]() |
||
45 | 931297-00 | 4 | SCREW | IL | ![]() |
||
46 | 931469-02 | 4 | SCREW | IL | ![]() |
||
47 | 930284-01 | 2 | SCREW | IL | ![]() |
||
48 | 931477-00 | 1 | CORD CLAMP | IL | ![]() |
||
49 | 938733 | 1 | WRENCH PIN | IL | ![]() |
||
50 | 940160-03 | 1 | BRUSH CUT OFF 230V | IL | ![]() |
||
51 | 807043 | 1 | WRENCH | 4mm | IL | ![]() |
|
60 | 947964-01 | 1 | CORD PROTECTOR | IL | ![]() |
||
61 | 401057-00 | 1 | HANDLE SA | IL | ![]() |