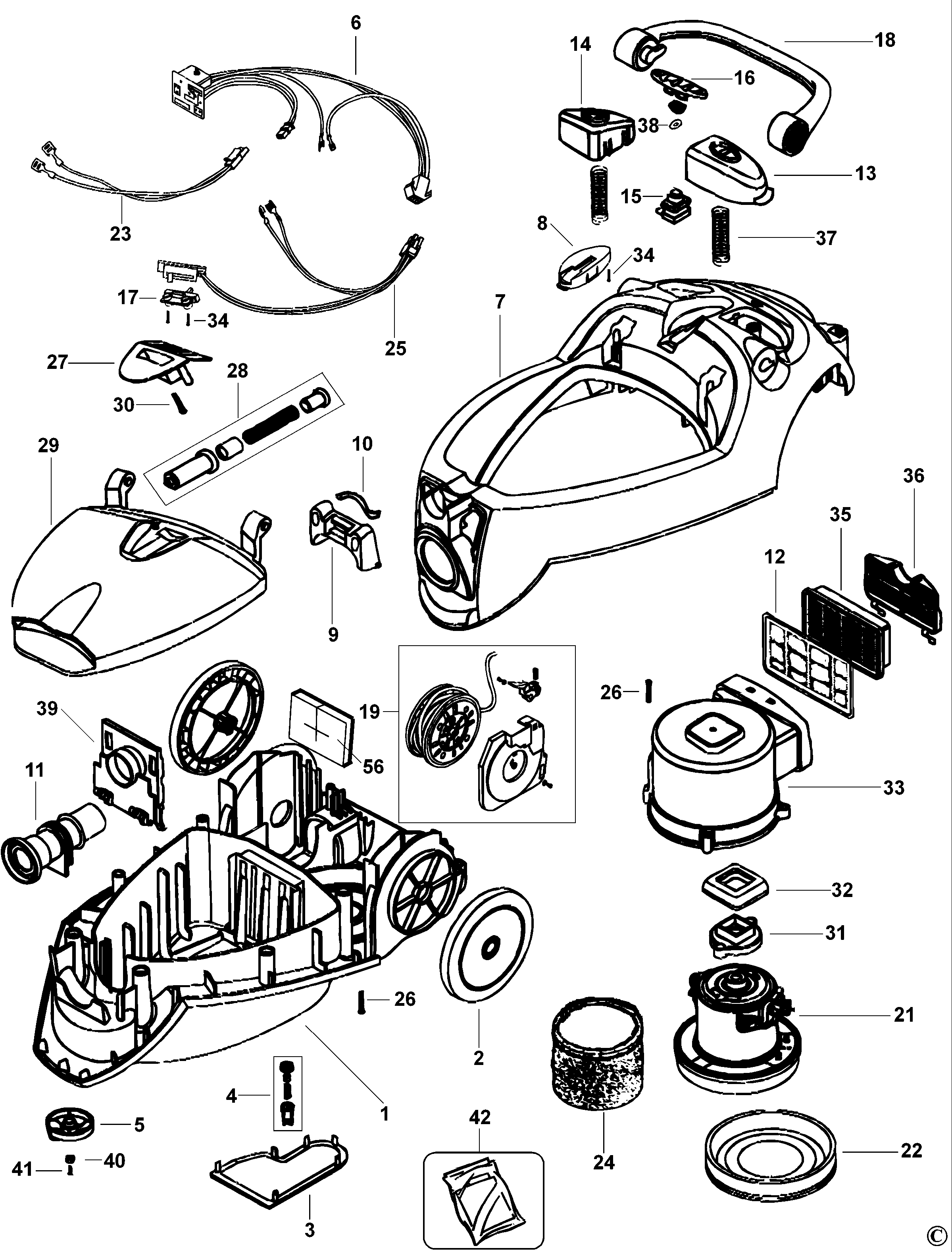
VB1850 VACUUM CLEANER Type 3 | Drawings
Documents

Item No. | Product Number | Qty Per | Product Description | General Description | Other Info | Markets | Product Status |
---|---|---|---|---|---|---|---|
1 | 585544-00 | 1 | HOUSING LOWER | B1 | ![]() |
||
2 | 583112-00 | 2 | WHEEL REAR | B1 | ![]() |
||
3 | 585635-00 | 1 | COVER | B1 | ![]() |
||
4 | 583122-00 | 1 | VALVE | B1 | ![]() |
||
5 | 583113-00 | 1 | WHEEL SA | B1 | ![]() |
||
6 | 5146124-00 | 1 | PCB SA | B1 | ![]() |
||
7 | 585546-03 | 1 | HOUSING UPPER | Blue | B1 | ![]() |
|
7 | 5106274-04 | 1 | HOUSING UPPER | Blue | B1 | ![]() |
|
8 | 585462-00 | 1 | CLIP | B1 | ![]() |
||
9 | 583405-00 | 1 | LATCH | B1 | ![]() |
||
10 | 584644-00 | 1 | SPRING | B1 | ![]() |
||
11 | 584986-00 | 1 | TUBE | B1 | ![]() |
||
13 | 583135-00 | 1 | ACTUATOR | B1 | ![]() |
||
14 | 583132-00 | 1 | ACTUATOR | B1 | ![]() |
||
15 | 583137-00 | 1 | SWITCH | B1 | ![]() |
||
16 | 583140-00 | 1 | SLIDER | B1 | ![]() |
||
17 | 586504-00 | 1 | RETAINER | B1 | ![]() |
||
18 | 584651-00 | 1 | HANDLE | Light Grey | B1 | ![]() |
|
18 | 584651-10 | 1 | HANDLE | Light Grey | B1 | ![]() |
|
21 | 585539-01 | 1 | MOTOR SA | 1600W | B1 | ![]() |
|
22 | 583120-00 | 1 | MOUNT | B1 | ![]() |
||
23 | 583125-00 | 1 | LEAD SA | B1 | ![]() |
||
24 | 583146-00 | 1 | FOAM | B1 | ![]() |
||
25 | 583143-00 | 1 | LEAD SA | B1 | ![]() |
||
26 | 585535-00 | 12 | SCREW | No6 x 17mm | B1 | ![]() |
|
27 | 584982-03 | 1 | INSERT | B1 | ![]() |
||
28 | 583165-00 | 1 | INDICATOR | B1 | ![]() |
||
29 | 5106276-04 | 1 | LID SA | B1 | ![]() |
||
30 | 585580-00 | 2 | SCREW | No 6 x 12 | B1 | ![]() |
|
31 | 583404-01 | 1 | MOUNT | B1 | ![]() |
||
32 | 583402-00 | 1 | SUPPORT | B1 | ![]() |
||
33 | 583123-00 | 1 | COVER HOUSING | B1 | ![]() |
||
34 | 585535-00 | 3 | SCREW | No6 x 17mm | B1 | ![]() |
|
35 | 585442-00 | 1 | FILTER | HEPA | B1 | ![]() |
|
36 | 583138-00 | 1 | GRILL | B1 | ![]() |
||
37 | 583136-00 | 2 | SPRING | B1 | ![]() |
||
38 | 588187-00 | 1 | WASHER LOCK | B1 | ![]() |
||
39 | 588324-00 | 1 | HOLDER DUSTBAG | B1 | ![]() |
||
40 | 585622-00 | 1 | RETAINER | B1 | ![]() |
||
41 | 585580-00 | 1 | SCREW | No 6 x 12 | B1 | ![]() |
|
42 | 5106225-00 | 1 | DUSTBAG | B1 | ![]() |
||
42 | 583164-00 | 1 | DUSTBAG | B1 | ![]() |
||
46 | 584646-06 | 1 | HEAD SA | B1 | ![]() |
||
47 | 585244-00 | 1 | HOLDER | B1 | ![]() |
||
48 | 585131-00 | 1 | TOOL CREVICE | B1 | ![]() |
||
49 | 5106265-00 | 1 | BRUSH SA | B1 | ![]() |
||
50 | 586740-00 | 1 | HEAD SA | B1 | ![]() |
||
52 | 583162-00 | 1 | VACUUM TUBE SA | B1 | ![]() |
||
53 | 583154-06 | 1 | HOSE SA | Grey | B1 | ![]() |
|
54 | 585944-03 | 1 | BRAND LABEL | B1 | ![]() |
||
55 | 585580-00 | 2 | SCREW | No 6 x 12 | B1 | ![]() |
|
56 | 5106228-00 | 1 | FILTER | VBP50 | B1 | ![]() |
|
57 | 5106262-04 | 1 | HEAD SA | B1 | ![]() |