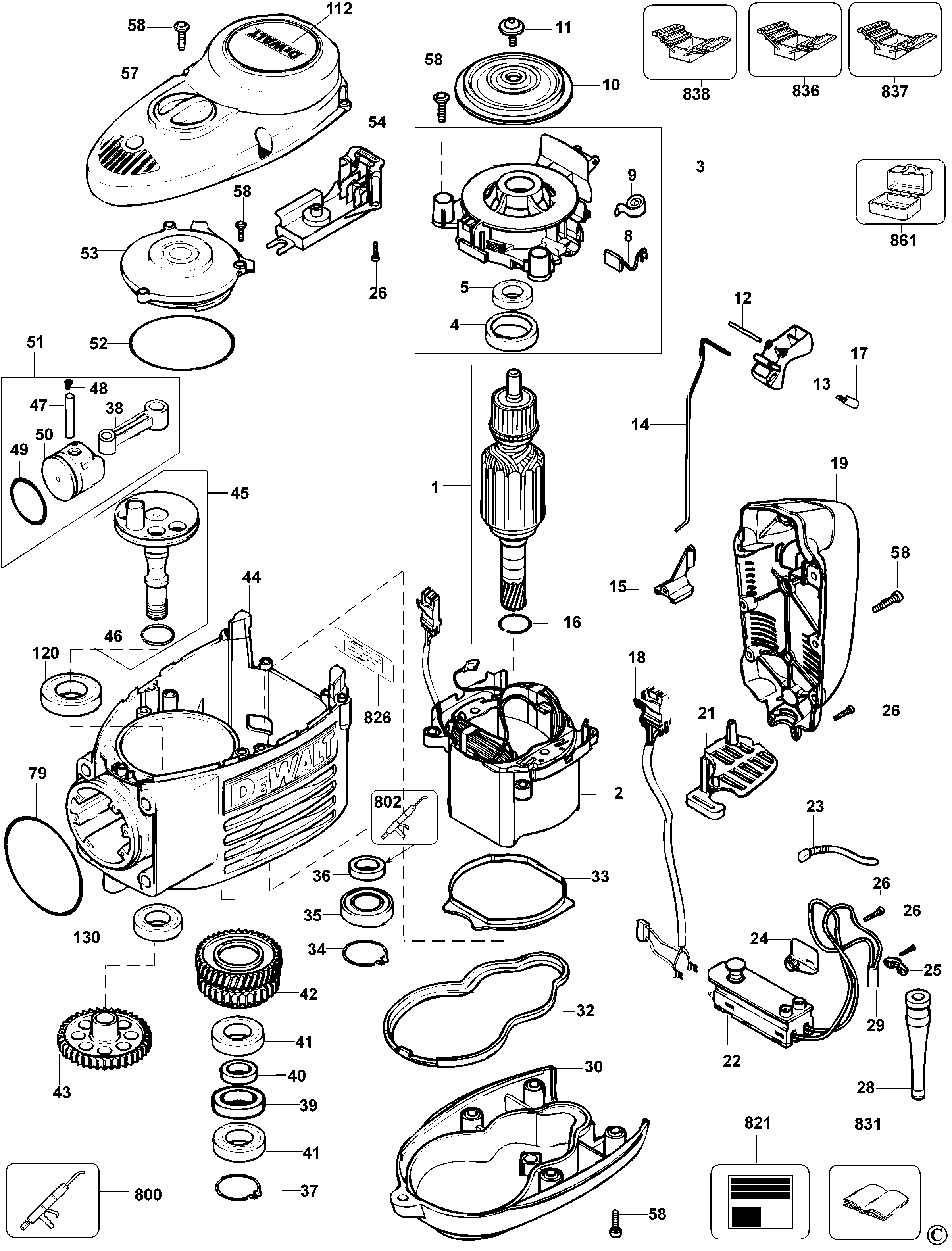
D25900K DEMOLITION HAMMER Type 1 | Drawings
Documents

Item No. | Product Number | Qty Per | Product Description | General Description | Other Info | Markets | Product Status |
---|---|---|---|---|---|---|---|
1 | 579837-02 | 1 | ARMATURE 230V | B1 | ![]() |
||
2 | 579827-00 | 1 | FIELD 230V | B1 | ![]() |
||
3 | 487266-02 | 1 | BRUSH HOLDER 230V | B1 | ![]() |
||
4 | 590191-00 | 1 | SLEEVE INSULATING | B1 | ![]() |
||
5 | 577745-00 | 1 | BEARING | B1 | ![]() |
||
8 | 588698-00 | 1 | BRUSH PAIR 230V | B1 | ![]() |
||
9 | 487377-00 | 2 | BRUSH SPRING | B1 | ![]() |
||
10 | 487252-00 | 1 | FAN SA | B1 | ![]() |
||
11 | 324119-02 | 1 | SCREW | B1 | ![]() |
||
12 | 377374 | 1 | PIN | B1 | ![]() |
||
13 | 487276-00 | 1 | TRIGGER | B1 | ![]() |
||
14 | 487285-00 | 1 | ROD | B1 | |||
15 | 487286-00 | 1 | ACTUATOR | B1 | ![]() |
||
16 | 578450-00 | 1 | RING | B1 | ![]() |
||
17 | 326467-00 | 2 | DETENT | B1 | ![]() |
||
18 | 487326-00 | 1 | LEAD SWITCH SA | B1 | ![]() |
||
19 | 487275-00 | 1 | HANDLE | B1 | ![]() |
||
21 | 487388-00 | 1 | COVER | B1 | ![]() |
||
22 | N485853 | 1 | SWITCH | B1 | ![]() |
||
23 | 579093-01 | 1 | CABLE TIE | B1 | ![]() |
||
23 | 579093-01 | 1 | CABLE TIE | B1 | ![]() |
||
24 | 487378-00 | 1 | BRACKET | B1 | ![]() |
||
25 | 821070 | 1 | CORD CLAMP | B1 | ![]() |
||
26 | 330065-08 | 7 | SCREW | M4x18 T20 | B1 | ![]() |
|
28 | 323091-01 | 1 | CORD PROTECTOR | B1 | ![]() |
||
29 | 582319-00 | 1 | CORDSET (EURO) | Black - 4.2 mts | B1 | ![]() |
|
30 | 487271-00 | 1 | COVER | B1 | ![]() |
||
32 | 487224-00 | 1 | SEAL | B1 | ![]() |
||
33 | 576387-00 | 1 | SEAL | B1 | ![]() |
||
34 | 324821-04 | 1 | CIRCLIP | B1 | ![]() |
||
35 | N570313 | 1 | BEARING | B1 | ![]() |
||
36 | 487209-01 | 1 | SEAL | B1 | ![]() |
||
37 | 324821-03 | 1 | CIRCLIP | B1 | ![]() |
||
38 | N542565 | 1 | CON ROD | B1 | ![]() |
||
38 | N542565 | 1 | CON ROD | B1 | ![]() |
||
39 | 578452-00 | 1 | SPACER | B1 | ![]() |
||
40 | 578451-00 | 1 | SPACER | B1 | ![]() |
||
41 | 605040-26 | 2 | BEARING | B1 | ![]() |
||
42 | 579782-00 | 1 | GEAR | B1 | ![]() |
||
43 | 579783-00 | 1 | GEAR | B1 | ![]() |
||
44 | 579772-00 | 1 | GEARCASE SA | B1 | ![]() |
||
45 | 579839-00 | 1 | CRANKSHAFT | B1 | ![]() |
||
46 | 576451-00 | 1 | RING | B1 | ![]() |
||
47 | 487208-00 | 1 | PIN | B1 | ![]() |
||
48 | 581656-00 | 2 | PIN | B1 | ![]() |
||
49 | 487213-00 | 1 | O RING | B1 | ![]() |
||
50 | 579774-00 | 1 | PISTON | B1 | ![]() |
||
51 | 579779-01 | 1 | PISTON KIT | B1 | ![]() |
||
52 | 323711-47 | 1 | O RING | B1 | ![]() |
||
53 | N147098 | 1 | COVER SA | B1 | ![]() |
||
54 | 584376-06 | 1 | ELECTRONIC 230V | B1 | ![]() |
||
56 | 487284-00 | 2 | WASHER CLAMP | B1 | ![]() |
||
57 | 487344-00 | 1 | MOTOR COVER | B1 | ![]() |
||
58 | 324007-11 | 23 | SCREW | M5 X 18 | B1 | ![]() |
|
59 | 584240-00 | 1 | HANDLE SIDE SA | B1 | ![]() |
||
60 | 487343-00 | 1 | BOLT | B1 | ![]() |
||
61 | 487277-00 | 1 | HANDLE | B1 | ![]() |
||
62 | 487278-00 | 2 | WASHER | B1 | ![]() |
||
63 | 487281-00 | 1 | CLAMP | B1 | ![]() |
||
64 | 487291-00 | 1 | KNOB SA | B1 | ![]() |
||
65 | 949886-32 | 4 | SCREW | B1 | ![]() |
||
66 | 487282-00 | 1 | COVER HOUSING | B1 | |||
67 | 579832-00 | 1 | BEAT PIECE | B1 | ![]() |
||
68 | 487270-00 | 1 | BUSH | B1 | ![]() |
||
69 | 487288-00 | 1 | DAMPER | B1 | ![]() |
||
70 | 579786-00 | 1 | BUSH | B1 | ![]() |
||
71 | 487298-00 | 2 | O RING | B1 | ![]() |
||
72 | 487203-00 | 1 | BUSH | B1 | ![]() |
||
73 | 487297-00 | 1 | O RING | B1 | ![]() |
||
74 | 323711-41 | 2 | O RING | B1 | ![]() |
||
75 | N075954 | 1 | CYLINDER | B1 | ![]() |
||
76 | 579780-00 | 1 | RAM | B1 | ![]() |
||
77 | 487296-00 | 1 | O RING | B1 | ![]() |
||
78 | 579769-00 | 1 | HOUSING FRONT | B1 | ![]() |
||
79 | 323711-55 | 1 | O RING | B1 | ![]() |
||
80 | 487293-00 | 1 | SPRING GUIDE | B1 | ![]() |
||
81 | 487247-00 | 2 | SPRING | B1 | ![]() |
||
82 | 576488-00 | 2 | SPRING GUIDE | B1 | ![]() |
||
83 | 579781-00 | 1 | COUNTERWEIGHT | B1 | ![]() |
||
86 | 576489-00 | 1 | SPRING GUIDE | B1 | ![]() |
||
87 | 487238-01 | 1 | SEAL | B1 | ![]() |
||
88 | 487205-00 | 1 | RING | B1 | ![]() |
||
89 | 487241-00 | 1 | WASHER | B1 | ![]() |
||
90 | 487244-00 | 1 | RUBBER | B1 | ![]() |
||
91 | 487236-00 | 1 | SLEEVE | B1 | ![]() |
||
92 | 579784-00 | 1 | LOCKING RING | B1 | ![]() |
||
93 | 487218-00 | 1 | SPRING | B1 | ![]() |
||
94 | 487249-00 | 1 | BUSH | B1 | ![]() |
||
95 | 489672-00 | 2 | KEY | B1 | ![]() |
||
96 | 487240-00 | 1 | BUSHING | B1 | ![]() |
||
97 | 487216-00 | 1 | SPRING | B1 | ![]() |
||
98 | 487268-00 | 1 | SPRING GUIDE | B1 | ![]() |
||
99 | 487289-00 | 1 | SPRING | B1 | ![]() |
||
100 | N542567 | 1 | SLEEVE SA | B1 | ![]() |
||
100 | N542567 | 1 | SLEEVE SA | B1 | ![]() |
||
101 | 487237-00 | 1 | SLEEVE | B1 | ![]() |
||
102 | 918825-02 | 6 | SCREW | B1 | ![]() |
||
103 | 579778-00 | 1 | FLANGE | B1 | ![]() |
||
104 | 323711-15 | 1 | O RING | B1 | ![]() |
||
107 | 579773-00 | 1 | SPINDLE SA | B1 | ![]() |
||
108 | N014007 | 1 | SEAL | B1 | ![]() |
||
109 | 487287-00 | 1 | O RING | B1 | ![]() |
||
110 | 1007543-00 | 1 | BEARING BUSH | B1 | ![]() |
||
111 | 579771-00 | 1 | HOLDER TOOL | B1 | ![]() |
||
112 | 487392-00 | 1 | LABEL | B1 | ![]() |
||
120 | 330003-68 | 1 | BEARING | B1 | ![]() |
||
130 | 330003-69 | 1 | BEARING | B1 | ![]() |
||
800 | 578970-06 | 1 | GREASE 150 GMS | B1 | ![]() |
||
801 | 328771-07 | 1 | GREASE | 50G, BIT GREASE | B1 | ![]() |
|
802 | 870889-02 | 1 | GREASE | B1 | ![]() |
||
821 | 569037-00 | 1 | RATING PLATE | B1 | ![]() |
||
826 | 487395-00 | 1 | LABEL | 107db | B1 | ![]() |
|
836 | 559617-99 | 1 | S.T.SUPPORT JIG | Crank Gear removal. | B1 | ![]() |
|
837 | 559618-99 | 1 | S.T.SUPPORT JIG | Motor assembly jig | B1 | ![]() |
|
838 | 559621-99 | 1 | SERVICE TOOL | Armature brg tool | B1 | ![]() |
|
840 | 559619-99 | 1 | S.T.CIRCLIP REMOVER | Snap ring assy tool. | B1 | ![]() |
|
845 | 559620-99 | 1 | S.T.SEAL FITTING TOOL | Spindle seal tool | B1 | ![]() |
|
847 | 581015-02 | 1 | SERVICE KIT 230V | First Service. | B1 | ![]() |
|
847 | 581015-02 | 1 | SERVICE KIT 230V | First Service. | B1 | ![]() |
|
847 | 581016-00 | 1 | SERVICE KIT 230V | Full Service. | B1 | ![]() |