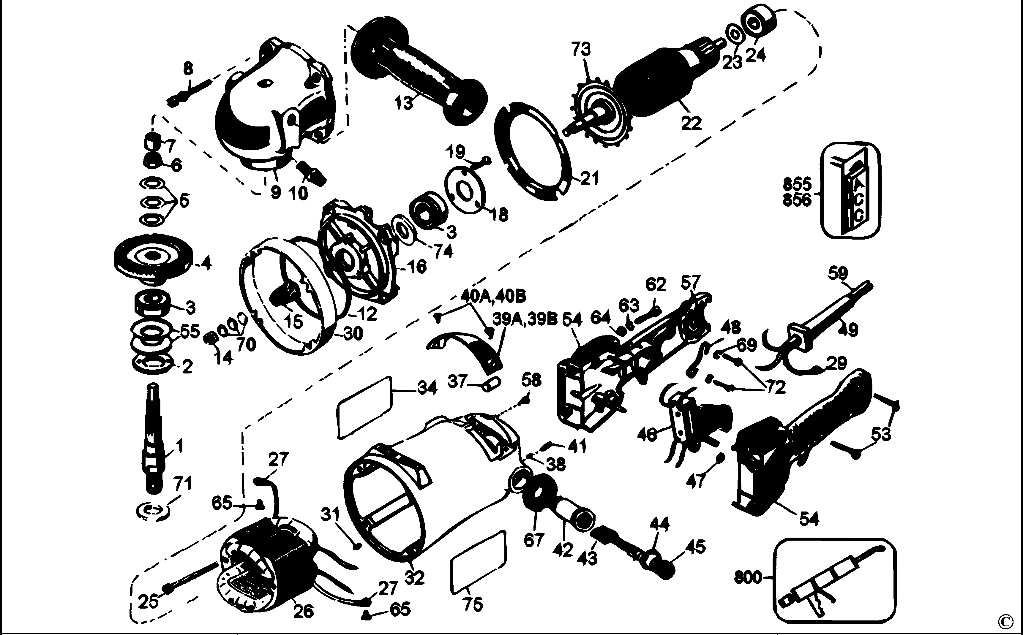
DW494 SANDER/GRINDER Type 1 | Drawings
Documents

Item No. | Product Number | Qty Per | Product Description | General Description | Other Info | Markets | Product Status |
---|---|---|---|---|---|---|---|
1 | 943105-00 | 1 | SPINDLE | B1 | ![]() |
||
2 | 15782-00 | 1 | LOCKING SCREW | B1 | |||
3 | 330003-13 | 2 | BEARING | B1 | ![]() |
||
4 | 133062-01 | 1 | GEAR | B1 | ![]() |
||
5 | 399728-00 | 3 | WASHER | B1 | ![]() |
||
6 | 32492-00 | 1 | NUT | B1 | ![]() |
||
7 | 21635-00 | 1 | BEARING | B1 | |||
8 | 99461-28 | 4 | SCREW.TEMP | B1 | ![]() |
||
9 | 152198-00 | 1 | GEARCASE | CASE,GR/BRG&PIN | B1 | ![]() |
|
10 | 133274-01 | 1 | PIN | B1 | |||
12 | 99180-43 | 1 | O RING | B1 | ![]() |
||
13 | 86319-22 | 1 | HANDLE | HANDLE,SIDE | B1 | ![]() |
|
14 | 24926-01 | 1 | NUT | B1 | ![]() |
||
15 | 133065-00 | 1 | PINION | B1 | |||
16 | 943106-00 | 1 | GEARCASE COVER | B1 | ![]() |
||
18 | 131519-00 | 1 | PLATE | B1 | |||
19 | 72954-00 | 3 | SCREW | B1 | ![]() |
||
21 | 444443-01 | 1 | BAFFLE | B1 | |||
22 | 131490-31 | 1 | ARMATURE 120V | B1 | |||
23 | 36390-00 | 1 | WASHER | B1 | |||
24 | 158475-00 | 1 | BEARING | NPP | B1 | ![]() |
|
24 | 14201-00 | 1 | BEARING | B1 | ![]() |
||
25 | 99446-42 | 2 | SCREW | B1 | ![]() |
||
26 | 618551-00 | 1 | FIELD | B1 | ![]() |
||
27 | 053650-03 | 2 | TERMINAL | Amp 41332 | B1 | ![]() |
|
29 | 94593-03 | 1 | TERMINAL | B1 | |||
30 | 000000-00 | 1 | NO LONGER AVAILABLE | B1 | |||
31 | 30612-00 | 1 | PLUG | B1 | ![]() |
||
34 | 389203-02 | 1 | NAMEPLATE | B1 | ![]() |
||
37 | 85485-00 | 2 | BUSHING | B1 | |||
38 | 400718-00 | 2 | BALL | B1 | ![]() |
||
39 | 36263-00 | 1 | COVER | B1 | ![]() |
||
39 | 447832-00 | 1 | COVER | B1 | |||
40 | 134157-00 | 1 | SCREW | B1 | |||
40 | 36285-01 | 2 | SCREW | B1 | ![]() |
||
41 | 376-00 | 2 | SCREW | B1 | ![]() |
||
42 | 400771-01 | 2 | BRUSH HOLDER | B1 | |||
43 | 131602-00 | 2 | BRUSH & SPRING | B1 | ![]() |
||
44 | 96122-00 | 2 | O RING | B1 | |||
45 | 131882-01 | 2 | BRUSH HOLDER | B1 | |||
46 | 131004-00 | 1 | SWITCH | B1 | ![]() |
||
47 | 50047-00 | 1 | O RING | B1 | |||
48 | 132319-01 | 1 | CORD CLAMP | B1 | |||
49 | 62300-00 | 1 | CORD PROTECTOR | NPP | B1 | ![]() |
|
53 | 96089-00 | 5 | SCREW | B1 | |||
54 | 131527-02 | 1 | SWITCH HANDLE | B1 | |||
55 | 450330-00 | 2 | WASHER | B1 | |||
57 | 131673-01 | 5 | INSERT | B1 | ![]() |
||
58 | 000000-00 | 1 | NO LONGER AVAILABLE | B1 | |||
59 | 50272-98 | 1 | CORD | NPP 14-3S | B1 | ![]() |
|
62 | 99433-14 | 4 | SCREW | B1 | ![]() |
||
63 | 416-00 | 4 | WASHER LOCK | B1 | ![]() |
||
64 | 82481-00 | 4 | WASHER | B1 | ![]() |
||
65 | 132069-00 | 2 | SCREW | B1 | |||
67 | 131607-00 | 2 | WASHER | B1 | |||
69 | 99361-07 | 2 | WASHER | B1 | |||
70 | 48601-00 | 3 | WASHER SPRING | B1 | |||
71 | 445928-01 | 1 | MOUNT | B1 | ![]() |
||
72 | 88286-00 | 2 | SCREW | B1 | ![]() |
||
73 | 450321-00 | 1 | FAN | B1 | |||
74 | 943100-01 | 1 | SPACER | B1 | ![]() |
||
75 | 383762-00 | 1 | LABEL | B1 | ![]() |
||
800 | 429698-00 | 1 | GREASE | BD-L 2 | B1 | ![]() |