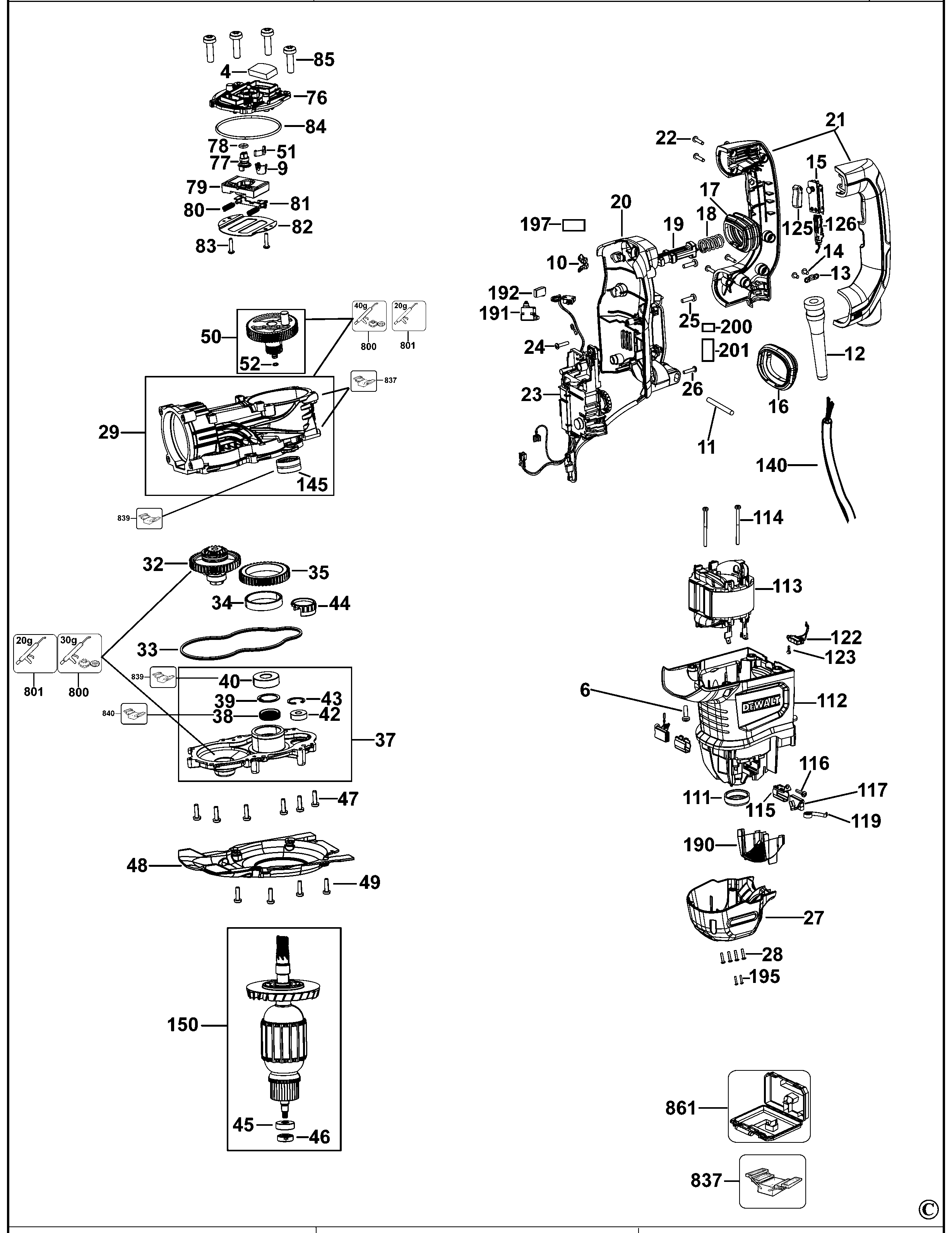
D25773 ROTARY HAMMER Type 1 | Drawings
Documents

Item No. | Product Number | Qty Per | Product Description | General Description | Other Info | Markets | Product Status |
---|---|---|---|---|---|---|---|
2 | N513078 | 1 | SIDE LH | B5 | ![]() |
||
3 | N513079 | 1 | SIDE RH | B5 | ![]() |
||
4 | N481045 | 1 | FELT | B5 | ![]() |
||
5 | N410169 | 1 | COVER-TOP | B5 | ![]() |
||
6 | N548557 | 8 | SCREW | B5 | ![]() |
||
7 | N463694 | 1 | SELECTOR | B5 | ![]() |
||
8 | 330065-08 | 1 | SCREW | M4x18 T20 | B5 | ![]() |
|
9 | N607940 | 1 | CAP | B5 | ![]() |
||
10 | N519469 | 1 | LENS | B5 | |||
11 | N453525 | 1 | PIN | B5 | ![]() |
||
12 | 323091-01 | 1 | CORD PROTECTOR | B5 | ![]() |
||
13 | 329301-00 | 1 | CORD CLAMP | B5 | ![]() |
||
14 | 330065-04 | 2 | SCREW | B5 | ![]() |
||
15 | N467530 | 1 | SWITCH | B5 | ![]() |
||
16 | N453629 | 1 | BELLOWS | B5 | ![]() |
||
17 | N453630 | 1 | BELLOWS | B5 | ![]() |
||
18 | N501559 | 1 | SPRING | B5 | ![]() |
||
19 | N152623 | 1 | STOP | B5 | ![]() |
||
20 | N410165 | 1 | PANEL.REAR | B5 | ![]() |
||
21 | N580489 | 1 | CLAMSHELL SET | LOCK ON | B5 | ![]() |
|
22 | 330065-08 | 6 | SCREW | M4x18 T20 | B5 | ![]() |
|
23 | N592362 | 1 | CONTROL MODULE SA | 10KG | B5 | ![]() |
|
24 | 330065-08 | 1 | SCREW | M4x18 T20 | B5 | ![]() |
|
25 | N548557 | 4 | SCREW | B5 | ![]() |
||
26 | 330065-08 | 2 | SCREW | M4x18 T20 | B5 | ![]() |
|
27 | N389340 | 1 | END CAP | B5 | ![]() |
||
28 | 330065-08 | 4 | SCREW | M4x18 T20 | B5 | ![]() |
|
29 | N580501 | 1 | HOUSING SA | B5 | ![]() |
||
32 | N580503 | 1 | CLUTCH SA | B5 | ![]() |
||
33 | N447147 | 1 | SEAL | B5 | ![]() |
||
34 | N398520 | 1 | BEARING SINTER | B5 | ![]() |
||
35 | N580506 | 1 | GEAR | B5 | ![]() |
||
37 | N580507 | 1 | GEARCASE COVER SA | B5 | ![]() |
||
38 | N422626 | 1 | SEAL | B5 | ![]() |
||
39 | 488147-01 | 1 | CIRCLIP | B5 | ![]() |
||
40 | 330003-13 | 1 | BEARING | B5 | ![]() |
||
42 | 330003-60 | 1 | BEARING | B5 | ![]() |
||
43 | N362699 | 1 | CIRCLIP | B5 | ![]() |
||
44 | N537281 | 1 | SPACER | B5 | ![]() |
||
45 | 330003-60 | 1 | BEARING | B5 | ![]() |
||
46 | N466979 | 1 | MAGNET | B5 | ![]() |
||
47 | N548557 | 6 | SCREW | B5 | ![]() |
||
48 | N405298 | 1 | BAFFLE | B5 | ![]() |
||
49 | N548557 | 4 | SCREW | B5 | ![]() |
||
50 | N580511 | 1 | CRANKSHAFT | B5 | ![]() |
||
51 | N520790 | 1 | DETENT | B5 | ![]() |
||
52 | N537973 | 1 | O RING | B5 | ![]() |
||
53 | N662675 | 1 | CON ROD | 10KG | B5 | ![]() |
|
54 | N431764 | 1 | PISTON | B5 | ![]() |
||
55 | N026610 | 1 | PIN | B5 | ![]() |
||
56 | N439990 | 1 | PISTON RING | B5 | ![]() |
||
57 | 487296-00 | 1 | O RING | B5 | ![]() |
||
58 | N580516 | 1 | CYLINDER SA | 10kg | B5 | ![]() |
|
59 | N587667 | 3 | O RING | B5 | ![]() |
||
60 | N580521 | 1 | RAM SA | 10KG | B5 | ![]() |
|
61 | 487296-00 | 1 | O RING | B5 | ![]() |
||
62 | N400498 | 1 | BUSH | B5 | ![]() |
||
63 | N389365 | 1 | O RING | 20 X 6 | B5 | ![]() |
|
64 | N476023 | 1 | DAMPER | B5 | ![]() |
||
65 | N515559 | 1 | DAMPER | B5 | ![]() |
||
66 | N389693 | 1 | WASHER | B5 | ![]() |
||
67 | N580522 | 1 | SPINDLE | 10KG | B5 | ![]() |
|
68 | N580524 | 1 | SPINDLE | 10KG SDS MAX | B5 | ![]() |
|
69 | N548304 | 5 | PIN | 9 X 6.4 | B5 | ![]() |
|
70 | N475966 | 1 | RING | B5 | ![]() |
||
71 | N514255 | 1 | DAMPER | B5 | ![]() |
||
72 | N392234 | 2 | WASHER | B5 | ![]() |
||
73 | N580525 | 1 | BEAT PIECE | 10KG | B5 | ![]() |
|
74 | N594490 | 1 | SEAL | B5 | ![]() |
||
75 | N432561 | 1 | O RING | B5 | ![]() |
||
76 | N409943 | 1 | COVER | B5 | ![]() |
||
77 | N504016 | 1 | ECCENTRIC | B5 | ![]() |
||
78 | N515556 | 1 | O RING | B5 | ![]() |
||
79 | N410143 | 1 | SLIDER | B5 | ![]() |
||
80 | N520791 | 2 | SPRING | B5 | ![]() |
||
81 | N410898 | 1 | CONNECTOR | B5 | ![]() |
||
82 | N427022 | 1 | PLATE | B5 | ![]() |
||
83 | 330065-08 | 2 | SCREW | M4x18 T20 | B5 | ![]() |
|
84 | N455140 | 1 | O RING | B5 | ![]() |
||
85 | N548557 | 4 | SCREW | B5 | ![]() |
||
86 | N481044 | 1 | SLIDER | 10KG | B5 | ![]() |
|
87 | N580526 | 1 | BEVEL GEAR | B5 | ![]() |
||
88 | N580533 | 1 | SLEEVE | B5 | ![]() |
||
89 | N497938 | 1 | SPRING | B5 | ![]() |
||
90 | N580535 | 1 | HOUSING FRONT | B5 | ![]() |
||
93 | N392582 | 1 | SEAL | B5 | ![]() |
||
94 | N181847 | 1 | LOCKING RING | B5 | ![]() |
||
95 | N416527 | 1 | COVER | B5 | ![]() |
||
96 | N431324 | 1 | GASKET | B5 | ![]() |
||
97 | N420195 | 1 | BUSH | B5 | ![]() |
||
98 | 949886-32 | 4 | SCREW | B5 | ![]() |
||
99 | N516486 | 1 | GUIDE | B5 | ![]() |
||
100 | N520784 | 1 | SPRING | B5 | ![]() |
||
101 | N520782 | 1 | SPRING | B5 | ![]() |
||
102 | N408040 | 1 | BUSH | B5 | ![]() |
||
103 | N511836 | 2 | LOCKING DEVICE | B5 | ![]() |
||
104 | N511805 | 1 | DAMPER | B5 | ![]() |
||
105 | N511834 | 1 | BUSH | B5 | ![]() |
||
106 | N468816 | 1 | SLEEVE | B5 | ![]() |
||
107 | 487244-00 | 1 | RUBBER | B5 | ![]() |
||
108 | N516487 | 1 | WASHER | B5 | ![]() |
||
109 | N522784 | 1 | RETAINER | B5 | ![]() |
||
110 | 487238-01 | 1 | SEAL | B5 | ![]() |
||
111 | N449094 | 1 | COVER BEARING | B5 | ![]() |
||
112 | N580536 | 1 | HOUSING MOTOR | B5 | ![]() |
||
113 | N580537 | 1 | FIELD 230V | B5 | ![]() |
||
114 | 330019-30 | 2 | SCREW | B5 | ![]() |
||
115 | N425665 | 2 | BRUSH HOLDER SA | B5 | ![]() |
||
116 | 330065-08 | 2 | SCREW | M4x18 T20 | B5 | ![]() |
|
117 | N580542 | 1 | BRUSH PAIR 230V | B5 | ![]() |
||
119 | N523745 | 2 | BRUSH SPRING | B5 | ![]() |
||
122 | N448156 | 1 | COIL | B5 | ![]() |
||
123 | N086775 | 1 | SCREW | B5 | |||
125 | N640362 | 1 | TRIGGER | B5 | ![]() |
||
126 | N518647 | 1 | SWITCH LOCK-ON | B5 | ![]() |
||
130 | N412213 | 1 | HANDLE SIDE SA | B5 | ![]() |
||
131 | N552104 | 1 | BOLT | M8 X 75 | B5 | ![]() |
|
132 | N412984 | 1 | CLAMP | B5 | ![]() |
||
133 | N413396 | 1 | WASHER | B5 | |||
134 | N411953 | 1 | CLAMP | B5 | ![]() |
||
135 | N499183 | 1 | HANDLE SA | B5 | ![]() |
||
136 | N580512 | 1 | PISTON SA | B5 | ![]() |
||
140 | N410113 | 1 | CORDSET | GB | B5 | ![]() |
|
145 | N408073 | 1 | BEARING,NEEDLE | B5 | ![]() |
||
150 | N580509 | 1 | ARMATURE 230V | B5 | ![]() |
||
165 | N578605 | 1 | FELT | B5 | ![]() |
||
190 | N602345 | 1 | COVER | B5 | ![]() |
||
191 | N516505 | 1 | MICRO SWITCH | B5 | ![]() |
||
192 | 620051-00 | 1 | PAD | B5 | ![]() |
||
195 | 90611830 | 2 | SCREW | B5 | ![]() |
||
197 | N551537 | 1 | LABEL | ANTI ROTATION | B5 | ![]() |
|
200 | N551374 | 1 | LABEL | PERFORM AND PROTECT | B5 | ![]() |
|
201 | N551309 | 1 | RATING PLATE | B5 | B5 | ![]() |
|
300 | N593930 | 1 | SERVICE KIT 230V | 10KG COMBI | B5 | ![]() |
|
800 | 578970-06 | 1 | GREASE 150 GMS | B5 | ![]() |
||
801 | 870889-02 | 1 | GREASE | B5 | ![]() |
||
837 | 1003971-99 | 1 | S.T.SEAL FITTING TOOL | 8KG BEATPIECE | B5 | ![]() |
|
837 | 1003974-99 | 1 | S.T.SUPPORT JIG | B5 | ![]() |
||
837 | 1003973-99 | 1 | S.T.SEAL FITTING TOOL | B5 | ![]() |
||
837 | 1003975-99 | 1 | S.T.INSERTION TOOL | B5 | ![]() |
||
838 | 1003976-99 | 1 | S.T.CIRCLIP REMOVER | CIRCLIPREMOVE INSERT | B5 | ![]() |
|
838 | 559651-99 | 1 | S.T.CIRCLIP REMOVER | B5 | ![]() |
||
839 | 1003979-99 | 1 | S.T.BEARING INSERTOR | B5 | ![]() |
||
840 | 1003978-99 | 1 | S.T.INSERTION TOOL | B5 | ![]() |
||
841 | 1003977-99 | 1 | S.T.PULLER | B5 | ![]() |
||
861 | N508182 | 1 | KITBOX | B5 | ![]() |