DWE492 ANGLE GRINDER Type 20 | Drawings
Documents

Item No. | Product Number | Qty Per | Product Description | General Description | Other Info | Markets | Product Status |
---|---|---|---|---|---|---|---|
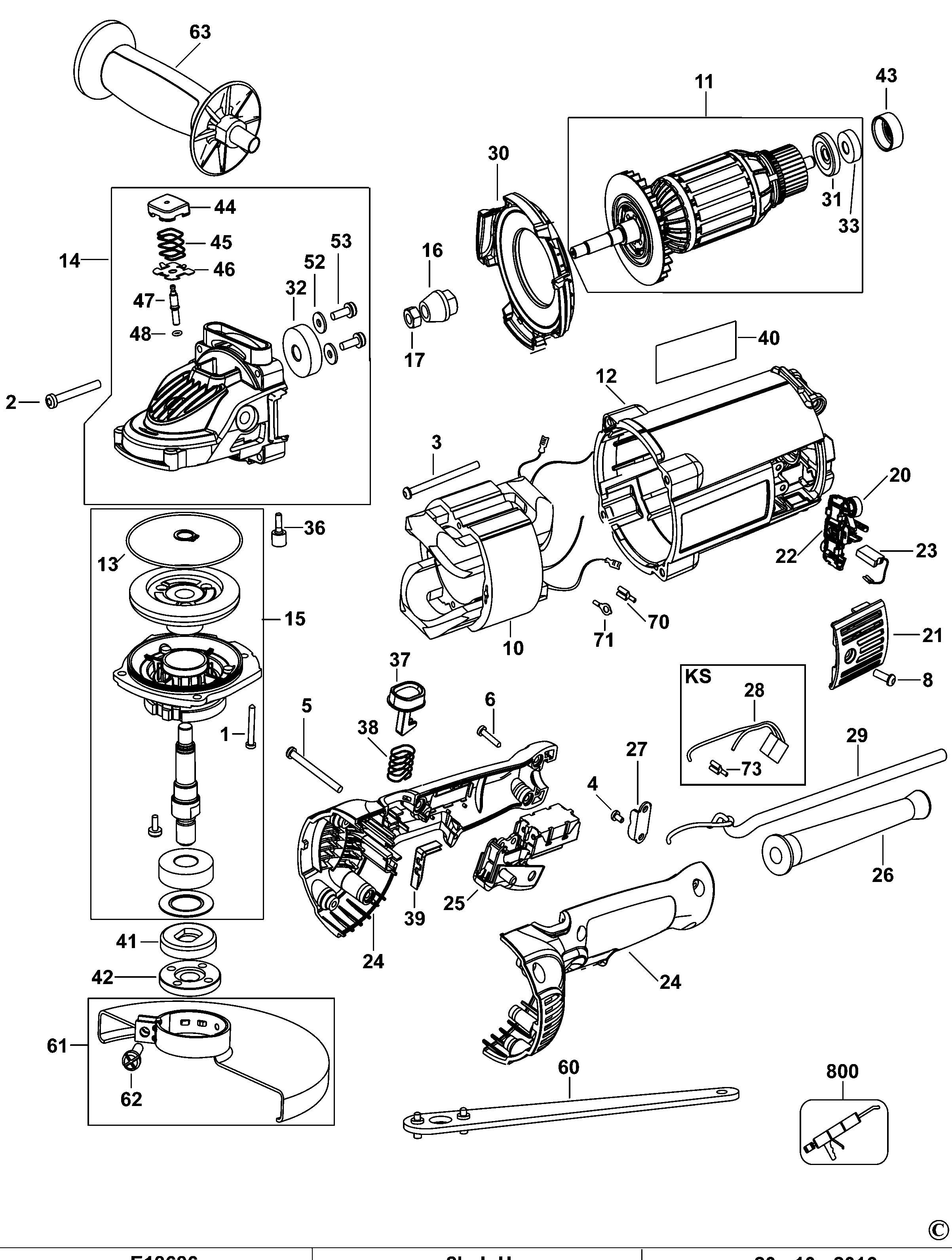
1 | 330045-14 | 4 | SCREW | ZA | ![]() |
||
2 | 330019-26 | 4 | SCREW | ZA | ![]() |
||
3 | 330019-19 | 2 | SCREW | ZA | ![]() |
||
4 | 330019-11 | 2 | SCREW | M4.55x13 T20 | ZA | ![]() |
|
5 | 330019-18 | 3 | SCREW | M4.55 x 50 PLASTIC THD FMG | ZA | ||
6 | 330019-32 | 4 | SCREW | ZA | ![]() |
||
8 | 176951-00 | 2 | SCREW | ZA | ![]() |
||
10 | N473953 | 1 | FIELD 230V | ZA | ![]() |
||
11 | N473954 | 1 | ARMATURE SA | ZA | ![]() |
||
12 | 393239-01 | 1 | FIELD CASE | ZA | ![]() |
||
13 | 397031-00 | 1 | O RING | ZA | ![]() |
||
14 | N497002 | 1 | GEARCASE SA | ZA | ![]() |
||
15 | N497001 | 1 | GEARCASE COVER SA | ZA | ![]() |
||
16 | N407625 | 1 | PINION | 6K | ZA | ![]() |
|
17 | 330015-03 | 1 | NUT | M8x1.25 | ZA | ![]() |
|
20 | 645650-00 | 2 | BRUSH SPRING | ZA | ![]() |
||
21 | 394387-01 | 2 | BRUSH COVER | ZA | ![]() |
||
22 | N410308 | 2 | BRUSH HOLDER SA | ZA | ![]() |
||
23 | N404514 | 1 | BRUSH PAIR | 230V, SET OF 2 | ZA | ![]() |
|
24 | 636499-00 | 1 | HANDLE & COVER | ZA | ![]() |
||
25 | N015071 | 1 | SWITCH SA | ZA | ![]() |
||
26 | N219433 | 1 | CORD PROTECTOR | ZA | ![]() |
||
27 | 604119-00 | 1 | CORD CLAMP | ZA | ![]() |
||
29 | 562226-81 | 1 | CORDSET | ZA | ![]() |
||
30 | 631350-00 | 1 | BAFFLE | ZA | ![]() |
||
31 | 393238-00 | 1 | SHIELD | ZA | ![]() |
||
32 | N389509 | 1 | BEARING | ZA | ![]() |
||
33 | N110359 | 1 | BEARING | ZA | ![]() |
||
36 | N033051 | 1 | SCREW | ZA | ![]() |
||
37 | 636503-00 | 1 | BUTTON LOCK-OFF | ZA | ![]() |
||
38 | 636502-00 | 1 | SPRING | ZA | ![]() |
||
39 | N391190 | 1 | COVER | ZA | ![]() |
||
41 | 403150-01 | 1 | INNER FLANGE | ZA | ![]() |
||
42 | 401678-05 | 1 | OUTER FLANGE | ZA | ![]() |
||
43 | 609970-00 | 1 | SLEEVE INSULATING | ZA | ![]() |
||
44 | 630553-00 | 1 | CAP | ZA | ![]() |
||
45 | 638328-00 | 1 | SPRING | ZA | ![]() |
||
46 | 635908-00 | 1 | RETAINER | ZA | ![]() |
||
47 | 634589-00 | 1 | PIN | ZA | ![]() |
||
48 | 750831 | 1 | O RING | ZA | ![]() |
||
52 | 640591-00 | 2 | WASHER | ZA | ![]() |
||
53 | 330045-67 | 2 | SCREW | ZA | ![]() |
||
60 | 635261-00 | 1 | WRENCH PIN | ZA | ![]() |
||
61 | N419366 | 1 | GUARD SA | ZA | ![]() |
||
62 | N082712 | 1 | SCREW | ZA | ![]() |
||
63 | 651858-01 | 1 | SIDE HANDLE | ZA | ![]() |
||
70 | 612273-00 | 2 | TERMINAL | ZA | ![]() |
||
71 | 610057-00 | 2 | TERMINAL | ZA | ![]() |
||
73 | 053650-00 | 1 | TERMINAL | ZA | ![]() |
||
800 | 583534-00 | 1 | GREASE | 50 GRAMS - NYE RHEOLUB 380G1 | ZA | ![]() |
|
800 | 583534-00 | 1 | GREASE | 50 GRAMS - NYE RHEOLUB 380G1 | ZA | ![]() |