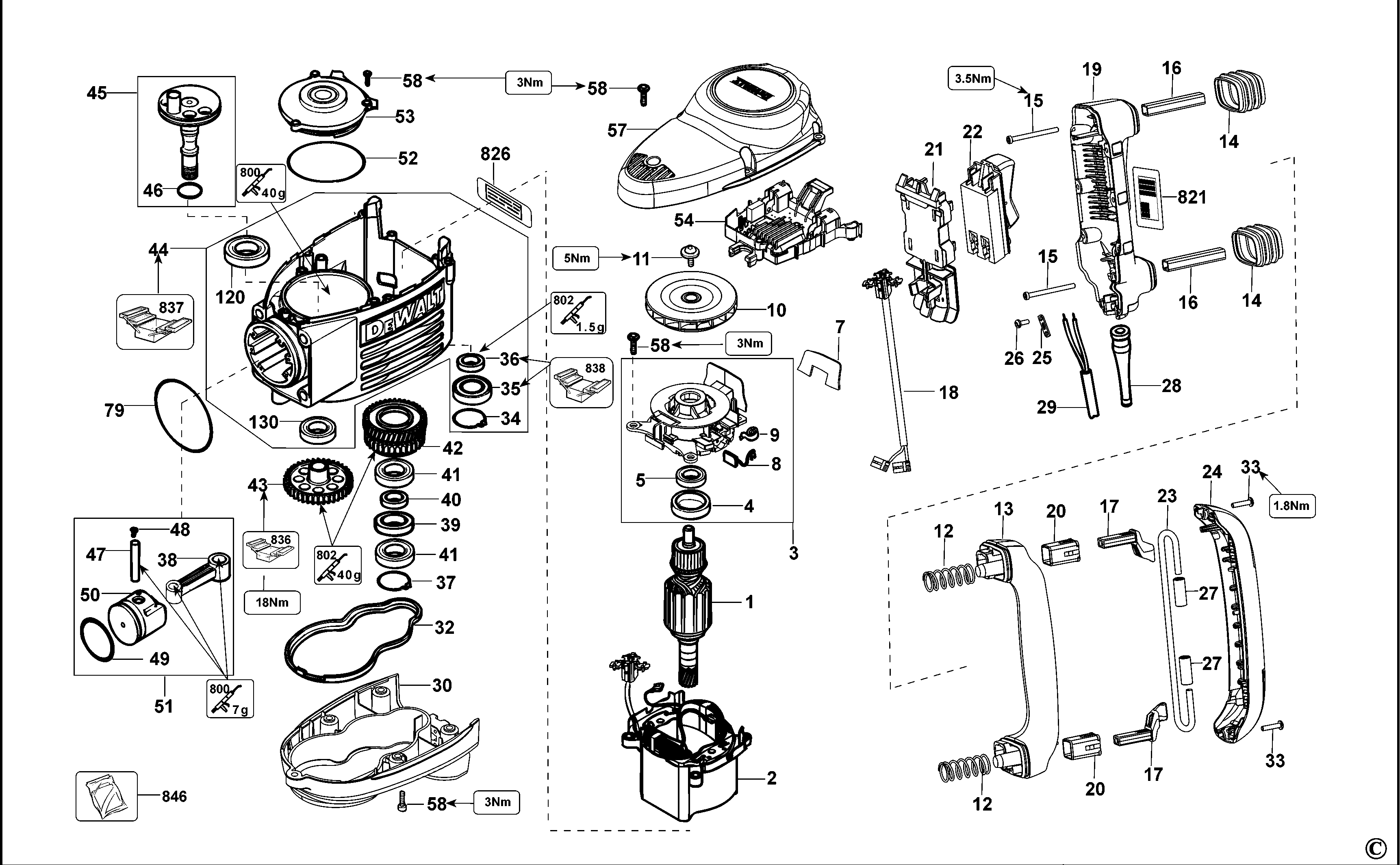
D25951K DEMOLITION HAMMER Type 1 | Drawings
Documents

Item No. | Product Number | Qty Per | Product Description | General Description | Other Info | Markets | Product Status |
---|---|---|---|---|---|---|---|
1 | 579837-02 | 1 | ARMATURE 230V | B5 | ![]() |
||
2 | 579827-04 | 1 | FIELD SA 230V | B5 | ![]() |
||
3 | 1007719-00 | 1 | BRUSH HOLDER SA | B5 | ![]() |
||
4 | 590191-00 | 1 | SLEEVE INSULATING | B5 | ![]() |
||
5 | 577745-00 | 1 | BEARING | B5 | ![]() |
||
7 | 1007800-00 | 1 | SEAL | B5 | ![]() |
||
8 | 1005550-02 | 1 | BRUSH PAIR 230V | B5 | ![]() |
||
9 | 487377-00 | 2 | BRUSH SPRING | B5 | ![]() |
||
10 | N542569 | 1 | FAN SA | B5 | ![]() |
||
11 | 324119-02 | 1 | SCREW | B5 | ![]() |
||
12 | 1005637-00 | 2 | SPRING COMPRESSION | B5 | ![]() |
||
13 | 1005640-00 | 1 | HOUSING HANDLE | B5 | ![]() |
||
14 | 1005643-00 | 2 | BELLOWS | B5 | ![]() |
||
15 | 1005672-00 | 2 | SCREW | B5 | ![]() |
||
16 | 1005646-00 | 2 | TUBE GUIDE | B5 | ![]() |
||
17 | 1005644-00 | 2 | STOP | B5 | ![]() |
||
18 | 487326-03 | 1 | LEAD & SOCKET SA | B5 | ![]() |
||
19 | 1005639-00 | 1 | HANDLE | B5 | ![]() |
||
20 | 1005496-01 | 2 | GUIDE BUSH | B5 | ![]() |
||
21 | N572223 | 1 | CARRIER | B5 | ![]() |
||
22 | N485854 | 1 | SWITCH | B5 | ![]() |
||
22 | N485854 | 1 | SWITCH | B5 | ![]() |
||
23 | 1005645-00 | 1 | ROD | B5 | ![]() |
||
24 | 1005641-00 | 1 | HANDLE COVER | B5 | ![]() |
||
25 | 821070 | 1 | CORD CLAMP | B5 | ![]() |
||
26 | 330065-08 | 7 | SCREW | M4x18 T20 | B5 | ![]() |
|
27 | 1005942-00 | 2 | SLEEVE BEARING | B5 | ![]() |
||
28 | 323091-01 | 1 | CORD PROTECTOR | B5 | ![]() |
||
29 | 582319-02 | 1 | CORDSET | Black - 4.2 mts | B5 | ![]() |
|
30 | 1005642-00 | 1 | COVER GEARCASE | B5 | ![]() |
||
32 | 487224-00 | 1 | SEAL | B5 | ![]() |
||
33 | 330065-08 | 2 | SCREW | M4x18 T20 | B5 | ![]() |
|
34 | 324821-04 | 1 | CIRCLIP | B5 | ![]() |
||
35 | N570313 | 1 | BEARING | B5 | ![]() |
||
36 | 487209-01 | 1 | SEAL | B5 | ![]() |
||
37 | 324821-03 | 1 | CIRCLIP | B5 | ![]() |
||
38 | N533907 | 1 | CON ROD | B5 | ![]() |
||
39 | 578452-00 | 1 | SPACER | B5 | ![]() |
||
40 | 578451-00 | 1 | SPACER | B5 | ![]() |
||
41 | 605040-26 | 1 | BEARING | B5 | ![]() |
||
42 | 582108-00 | 1 | GEAR SA | B5 | ![]() |
||
43 | 582109-00 | 1 | GEAR | B5 | ![]() |
||
44 | 582110-00 | 1 | GEARBOX SA | B5 | ![]() |
||
45 | 582111-00 | 1 | CRANKSHAFT | B5 | ![]() |
||
46 | 576451-00 | 1 | RING | B5 | ![]() |
||
47 | 582387-00 | 1 | PIN | B5 | ![]() |
||
48 | 581656-00 | 2 | PIN | B5 | ![]() |
||
49 | 487287-00 | 1 | O RING | B5 | ![]() |
||
50 | 582112-00 | 1 | PISTON | B5 | ![]() |
||
51 | 582113-01 | 1 | PISTON KIT | B5 | ![]() |
||
52 | 323711-47 | 1 | O RING | B5 | ![]() |
||
53 | N147097 | 1 | COVER SA | B5 | ![]() |
||
54 | 1007717-02 | 1 | GACC MODULE 230V | B5 | ![]() |
||
55 | 479319-00 | 2 | CLAMPING INSERT | B5 | ![]() |
||
56 | 487284-00 | 1 | WASHER CLAMP | B5 | ![]() |
||
57 | 1005666-01 | 1 | COVER | B5 | ![]() |
||
58 | 324007-11 | 23 | SCREW | M5 X 18 | B5 | ![]() |
|
59 | 584240-01 | 1 | HANDLE SIDE SA | B5 | ![]() |
||
60 | 487343-00 | 1 | BOLT | B5 | ![]() |
||
61 | 487277-00 | 1 | HANDLE | B5 | ![]() |
||
62 | 479317-01 | 2 | WASHER LOCK | B5 | ![]() |
||
63 | 487393-00 | 1 | CLAMP | B5 | ![]() |
||
64 | 487291-00 | 1 | KNOB SA | B5 | ![]() |
||
65 | 949886-32 | 4 | SCREW | B5 | ![]() |
||
66 | 487283-00 | 1 | COVER HOUSING | B5 | ![]() |
||
67 | 582369-00 | 1 | BEAT PIECE | B5 | ![]() |
||
68 | 582388-00 | 1 | BUSH | B5 | ![]() |
||
69 | 496843-00 | 1 | DAMPER | B5 | ![]() |
||
70 | 582114-00 | 1 | BUSH | B5 | ![]() |
||
71 | 496842-00 | 1 | DAMPER | B5 | ![]() |
||
72 | 496845-00 | 1 | BUSH | B5 | ![]() |
||
73 | 487298-00 | 1 | O RING | B5 | ![]() |
||
74 | 323711-46 | 1 | O RING | B5 | ![]() |
||
75 | N075953 | 1 | CYLINDER | B5 | ![]() |
||
76 | 582115-00 | 1 | RAM | B5 | ![]() |
||
77 | 487287-00 | 2 | O RING | B5 | ![]() |
||
78 | 323711-56 | 1 | O RING | B5 | ![]() |
||
79 | 323711-55 | 3 | O RING | B5 | ![]() |
||
80 | 582372-00 | 1 | HOUSING FRONT | B5 | ![]() |
||
81 | 487317-00 | 2 | SPRING | B5 | ![]() |
||
82 | 578784-00 | 2 | GUIDE | B5 | ![]() |
||
83 | 582373-00 | 1 | COUNTERWEIGHT | B5 | ![]() |
||
84 | 487316-00 | 2 | SPRING GUIDE | B5 | ![]() |
||
90 | 582374-00 | 1 | BEARING | B5 | ![]() |
||
91 | 487302-00 | 1 | DAMPER | B5 | ![]() |
||
92 | N014013 | 1 | SEAL | B5 | ![]() |
||
93 | 579784-00 | 1 | LOCKING RING | B5 | ![]() |
||
94 | N578217 | 1 | SPINDLE SA | INC ITEM 92 | B5 | ![]() |
|
95 | 323711-41 | 1 | O RING | B5 | ![]() |
||
96 | 487218-00 | 1 | SPRING | B5 | ![]() |
||
97 | 582375-00 | 1 | FLANGE | B5 | ![]() |
||
98 | N532326 | 1 | BUSH | B5 | ![]() |
||
99 | N537380 | 1 | SLEEVE | B5 | ![]() |
||
100 | N532923 | 1 | LOCK | B5 | ![]() |
||
101 | N546022 | 1 | SPRING | B5 | ![]() |
||
102 | N532488 | 1 | GUIDE | B5 | ![]() |
||
103 | 489672-00 | 2 | KEY | B5 | ![]() |
||
105 | 487249-00 | 1 | BUSH | B5 | ![]() |
||
106 | N546094 | 1 | SPRING | B5 | ![]() |
||
107 | N580469 | 1 | SLEEVE SA | B5 | ![]() |
||
108 | 487244-00 | 1 | RUBBER | B5 | ![]() |
||
109 | 487241-00 | 1 | WASHER | B5 | ![]() |
||
110 | 487205-00 | 1 | RING | B5 | ![]() |
||
111 | 487238-01 | 1 | SEAL | B5 | ![]() |
||
120 | 330003-68 | 1 | BEARING | B5 | ![]() |
||
130 | 330003-69 | 1 | BEARING | B5 | ![]() |
||
800 | 578970-06 | 1 | GREASE 150 GMS | B5 | ![]() |
||
801 | 328771-07 | 1 | GREASE | 50G, BIT GREASE | B5 | ![]() |
|
802 | 870889-02 | 1 | GREASE | B5 | ![]() |
||
821 | N571473 | 1 | RATING LABEL | B5 | |||
826 | 487395-01 | 1 | LABEL | B5 | ![]() |
||
836 | 559617-99 | 1 | S.T.SUPPORT JIG | Crank Gear removal. | B5 | ![]() |
|
837 | 559618-99 | 1 | S.T.SUPPORT JIG | Motor assembly jig | B5 | ![]() |
|
838 | 559621-99 | 1 | SERVICE TOOL | Armature brg tool | B5 | ![]() |
|
840 | 559629-99 | 1 | S.T.CIRCLIP REMOVER | Snap ring SA kit | B5 | ![]() |
|
843 | 559630-99 | 1 | SERVICE TOOLING KIT | Unique Kit parts, | B5 | ![]() |
|
845 | 559628-99 | 1 | S.T.MANDREL | Seal insert tool | B5 | ![]() |
|
846 | 1008770-00 | 1 | SERVICE KIT 230V | B5 | ![]() |
||
861 | 487353-04 | 1 | KITBOX | B5 | ![]() |