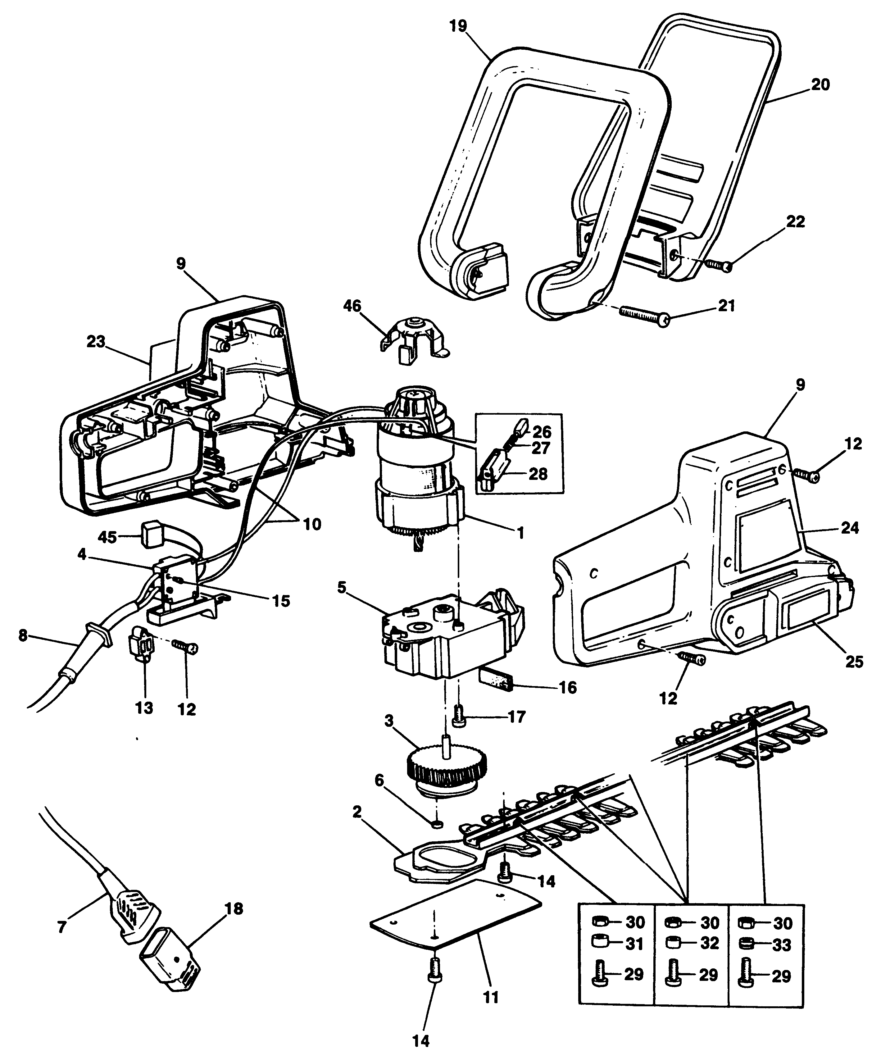
HT20 HEDGETRIMMER Type 1 | Drawings
Documents

Item No. | Product Number | Qty Per | Product Description | General Description | Other Info | Markets | Product Status |
---|---|---|---|---|---|---|---|
1 | 376926-02 | 1 | MOTOR SA | AE | ![]() |
||
1 | 376926-08 | 1 | MOTOR SA | GB H1H | AE | ![]() |
|
1 | 376926-08 | 1 | MOTOR SA | GB H1A - H1G | AE | ![]() |
|
2 | 795992-49 | 1 | BLADE & GEAR SA | BLADE H1E-H PRE 1996 | AE | ![]() |
|
4 | 795782 | 1 | SWITCH | AE | ![]() |
||
5 | 371794-49 | 1 | REPAIR KIT | AE | ![]() |
||
6 | 832472 | 1 | ROLLER | BLADE H1 - D | AE | ![]() |
|
7 | 799370-13 | 1 | CORDSET 15M | GB H1H | AE | ![]() |
|
7 | 330048-08 | 1 | CORDSET (EURO) | AE | ![]() |
||
7 | 330048-53 | 1 | CORDSET (SPLASH) | GB H1A - H1G | AE | ![]() |
|
8 | 770235 | 1 | PROTECTOR | AE | ![]() |
||
9 | 796291 | 1 | CLAMSHELL | AE | ![]() |
||
10 | 811676 | 2 | LEAD | AE | ![]() |
||
11 | 371794-49 | 1 | REPAIR KIT | BLADE H1E-H PRE 1996 | AE | ![]() |
|
11 | 370099 | 1 | COVER | BUILT FROM 1996 | AE | ![]() |
|
12 | 849256 | 9 | SCREW | AE | ![]() |
||
13 | 994808 | 1 | CABLE CLAMP | AE | ![]() |
||
14 | 809015 | 5 | SCREW | BUILT FROM 1996 | AE | ![]() |
|
14 | 747507 | 5 | SCREW | BLADE H1E-H PRE 1996 | AE | ![]() |
|
15 | 990735 | 2 | SCREW | AE | ![]() |
||
16 | 849718 | 1 | PAD | AE | ![]() |
||
17 | 849256 | 3 | SCREW | AE | ![]() |
||
18 | 844840 | 1 | COUPLER (SPLASH) | GB H1A - H1G | AE | ![]() |
|
19 | 829591 | 1 | HANDLE | AE | ![]() |
||
20 | 829718 | 1 | GUARD | AE | ![]() |
||
21 | 745217 | 2 | SCREW | AE | ![]() |
||
22 | 828849 | 2 | SCREW | AE | ![]() |
||
23 | 746167 | 1 | BRAND LABEL | AE | ![]() |
||
24 | 746317 | 1 | WARNING LABEL | AE | |||
24 | 746166 | 1 | WARNING LABEL | GB H1A - H1G | AE | ![]() |
|
26 | 376143 | 2 | BRUSH | AE | ![]() |
||
27 | 847709 | 2 | SPRING | AE | ![]() |
||
28 | 812738 | 2 | BRUSH HOLDER | AE | ![]() |
||
29 | 829808 | 4 | SCREW | AE | ![]() |
||
30 | 892153 | 4 | NUT | AE | ![]() |
||
31 | 829074 | 1 | SPACER | AE | ![]() |
||
32 | 829075 | 2 | SPACER | AE | ![]() |
||
33 | 829809 | 1 | SPACER | AE | ![]() |