BXPW1800E PRESSURE WASHER Type 1 | Drawings
Documents

Item No. | Product Number | Qty Per | Product Description | General Description | Other Info | Markets | Product Status |
---|---|---|---|---|---|---|---|
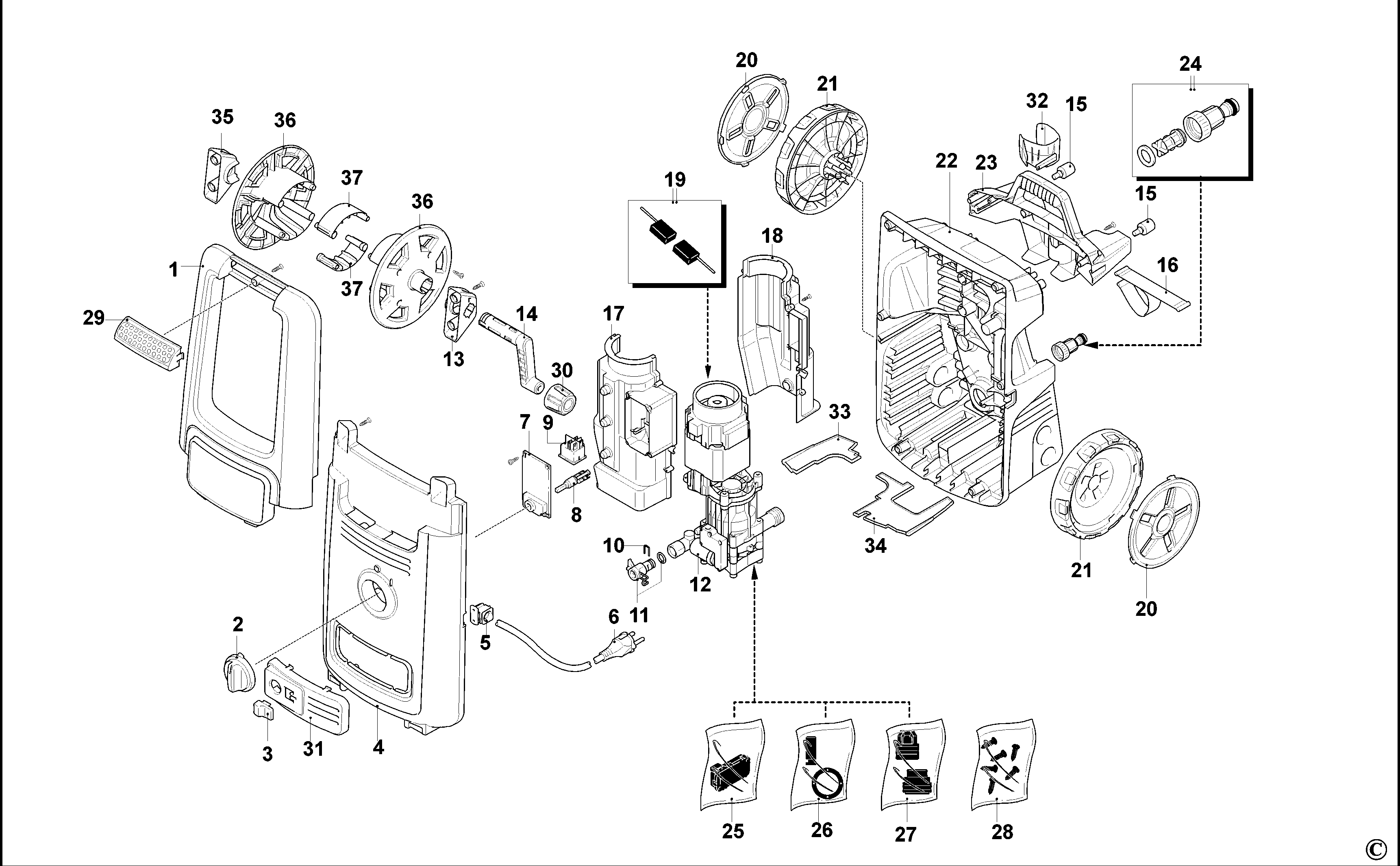
1 | 4380510 | 1 | HANDLE | B9 | ![]() |
||
2 | 4380250 | 1 | KNOB | B9 | ![]() |
||
3 | 4380390 | 1 | LEVER | B9 | ![]() |
||
4 | 4380500 | 1 | HOUSING | B9 | ![]() |
||
5 | 1004455-07 | 1 | GLAND | B9 | ![]() |
||
6 | 1004700-91 | 1 | CORDSET | B9 | ![]() |
||
7 | 1004700-65 | 1 | COVER | B9 | ![]() |
||
8 | 1004700-66 | 1 | PIN | B9 | ![]() |
||
9 | 1004700-67 | 1 | SWITCH SA | B9 | ![]() |
||
10 | 1004512-08 | 1 | FORK | B9 | ![]() |
||
11 | 4382480 | 1 | COUPLING | B9 | ![]() |
||
12 | 4381460 | 1 | PUMP SA | B9 | ![]() |
||
13 | 4380460 | 1 | BRACKET | B9 | ![]() |
||
14 | 4380560 | 1 | LEVER | B9 | ![]() |
||
15 | 1004712-16 | 1 | FOOT | B9 | ![]() |
||
16 | 4380280 | 1 | CARRIER | B9 | ![]() |
||
17 | 4380160 | 1 | CONVEYOR | B9 | ![]() |
||
18 | 4380170 | 1 | CONVEYOR | B9 | ![]() |
||
19 | 3082600 | 1 | BRUSH PAIR | B9 | ![]() |
||
20 | 4380620 | 2 | GUARD | B9 | ![]() |
||
21 | 4380610 | 2 | WHEEL | B9 | ![]() |
||
22 | 4380490 | 1 | BASE | B9 | ![]() |
||
23 | 4380990 | 1 | CARRIER SA | B9 | ![]() |
||
24 | 1004700-77 | 1 | COUPLING SA | B9 | ![]() |
||
25 | 3081280 | 1 | KIT | TSS | B9 | ![]() |
|
26 | 1004455-16 | 1 | SERVICE KIT | PISTON AND SEAL KIT | B9 | ![]() |
|
27 | 1004455-19 | 1 | SERVICE KIT | B9 | ![]() |
||
28 | 4381470 | 1 | SCREW KIT | B9 | ![]() |
||
29 | 4380520 | 1 | KNOB | B9 | ![]() |
||
30 | 4380450 | 1 | KNOB | B9 | ![]() |
||
31 | 4380600 | 1 | GUARD | B9 | ![]() |
||
32 | 4381280 | 1 | CLIP SA | B9 | ![]() |
||
33 | 4380590 | 1 | COVER | B9 | ![]() |
||
34 | 4380580 | 1 | COVER | B9 | ![]() |
||
35 | 4380470 | 1 | BRACKET | B9 | ![]() |
||
36 | 3080200 | 2 | PLATE | B9 | ![]() |
||
37 | 4380550 | 2 | SHIM | B9 | ![]() |
||
38 | 4381481 | 1 | HANDLE SA | B9 | ![]() |
||
39 | 4381491 | 1 | EXTENSION | B9 | ![]() |
||
40 | 4100800 | 1 | HEAD SA | B9 | ![]() |
||
41 | 4381820 | 1 | HEAD SA | Lance | B9 | ![]() |
|
42 | 4381500 | 1 | TANK | B9 | ![]() |
||
43 | 3500360 | 1 | HOSE | B9 | ![]() |
||
44 | 3083700 | 2 | O RING | B9 | ![]() |
||
45 | 3083370 | 2 | O RING | B9 | ![]() |
||
46 | 3083400 | 2 | O RING | B9 | ![]() |
||
47 | 1004745-86 | 1 | HOSE SA | 10m | B9 | ![]() |
|
48 | 1004745-85 | 1 | SUCTION GROUP | B9 | ![]() |
||
49 | 1004745-87 | 1 | HOSE | 16m | B9 | ![]() |
|
50 | 1004745-88 | 1 | EXTENSION | Lance Kit | B9 | ![]() |
|
51 | 1004745-90 | 1 | KIT | Sand Blasting | B9 | ![]() |
|
52 | 1004745-94 | 1 | COUPLING | B9 | ![]() |
||
53 | 1004745-95 | 1 | FILTER SA | Water x3 | B9 | ![]() |
|
54 | 1004745-96 | 1 | FILTER | water x1 | B9 | ![]() |
|
55 | 1004745-97 | 1 | ADAPTOR | B9 | ![]() |
||
57 | 1004746-01 | 1 | CLEANING FLUID | Heavy duty | B9 | ![]() |
|
58 | 1004745-99 | 1 | CLEANING FLUID | Bike/Motorbike | B9 | ![]() |
|
59 | 1004746-00 | 1 | CLEANING FLUID | Boats/Cars | B9 | ![]() |
|
60 | 1004746-02 | 1 | BRUSH | Mini Patio | B9 | ![]() |
|
61 | 1004745-92 | 1 | HOSE | 8m | B9 | ![]() |