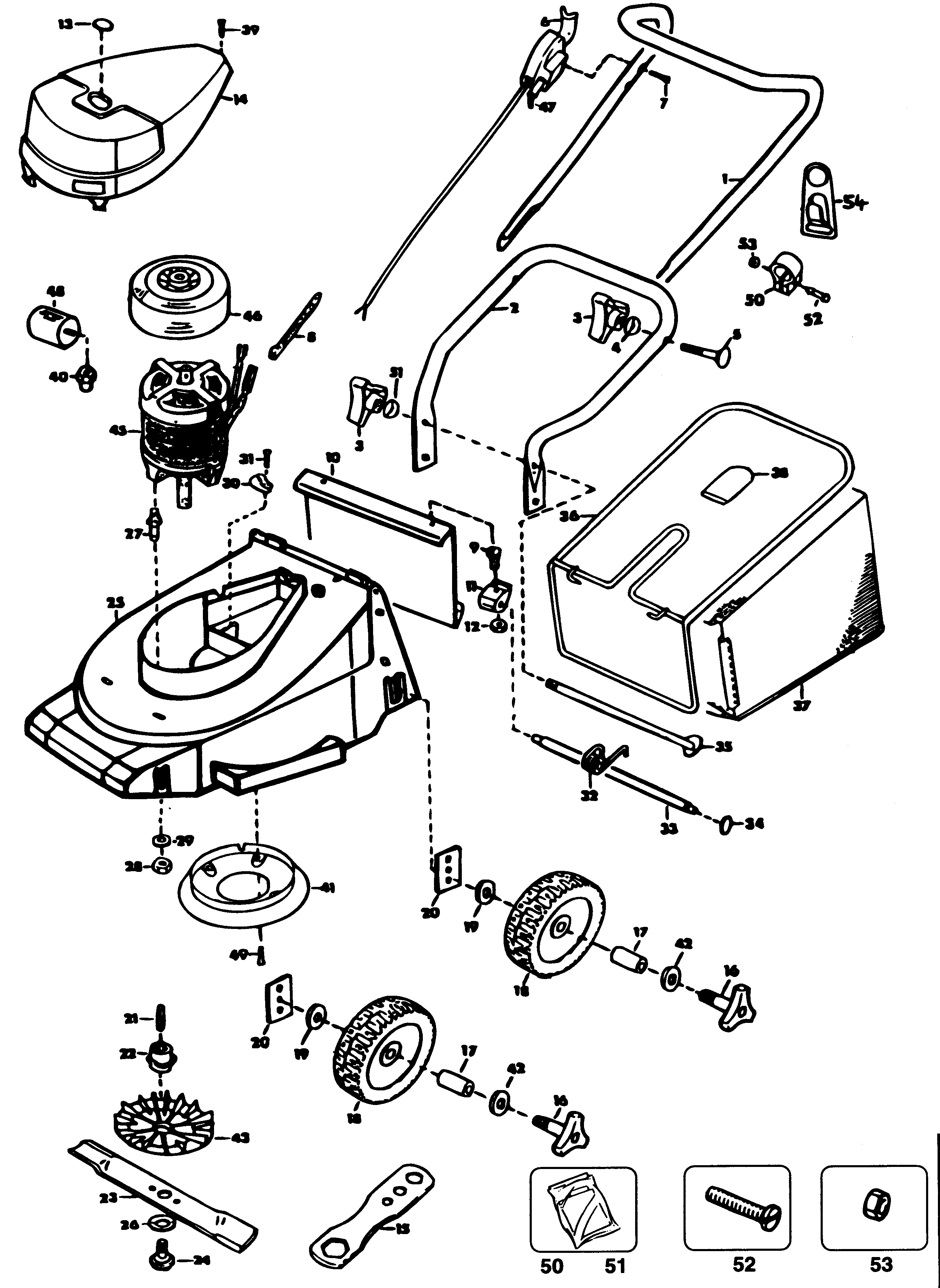
GR410 ROTARY MOWER Type 2 | Drawings
Documents

Item No. | Product Number | Qty Per | Product Description | General Description | Other Info | Markets | Product Status |
---|---|---|---|---|---|---|---|
3 | 278194-00 | 2 | LOCK-NUT | GB | ![]() |
||
5 | 155812500 | 2 | SCREW | GB | ![]() |
||
6 | 278134-00 | 1 | SWITCH SA | GB | ![]() |
||
8 | 278055-00 | 2 | TIE | GB | ![]() |
||
9 | 278146-00 | 2 | SCREW | GB | ![]() |
||
10 | 278167-00 | 1 | REAR FLAP | GB | |||
11 | 278069-00 | 2 | JOINT | GB | |||
12 | 278149-00 | 2 | NUT | GB | ![]() |
||
13 | 278094-00 | 1 | COVER | GB | ![]() |
||
14 | 278131-00 | 1 | COVER | GB | ![]() |
||
15 | 278178-00 | 1 | SPANNER | GB | ![]() |
||
17 | 278176-00 | 4 | BUSH | GB | ![]() |
||
18 | 278114-00 | 4 | WHEEL | GB | ![]() |
||
19 | 278161-00 | 4 | WASHER | GB | ![]() |
||
20 | 278170-00 | 4 | PLATE | GB | ![]() |
||
21 | 278054-00 | 1 | KEY | GB | ![]() |
||
22 | 278169-00 | 1 | BLADE MOUNT | GB | ![]() |
||
23 | 278095-00 | 1 | BLADE | GB | ![]() |
||
24 | 278200-00 | 1 | BLADE BOLT | GB | ![]() |
||
26 | 278125-00 | 1 | SPRING | GB | ![]() |
||
27 | 278185-00 | 4 | STUD | GB | ![]() |
||
28 | 278057-00 | 4 | NUT | GB | ![]() |
||
29 | 278155-00 | 4 | WASHER | GB | ![]() |
||
30 | 278093-00 | 2 | CABLE CLAMP | GB | ![]() |
||
31 | 278130-00 | 2 | SCREW | GB | |||
32 | 278092-00 | 1 | SPRING | GB | ![]() |
||
33 | 278166-00 | 1 | AXLE | GB | ![]() |
||
34 | 278074-00 | 2 | WASHER | GB | ![]() |
||
37 | 278090-00 | 1 | GRASSBAG | GB | ![]() |
||
38 | 278104-00 | 1 | HANDLE | GB | ![]() |
||
40 | 278089-00 | 1 | NUT | GB | ![]() |
||
41 | 278129-00 | 1 | BAFFLE | GB | ![]() |
||
42 | 278181-00 | 4 | WASHER | GB | ![]() |
||
43 | 278088-00 | 1 | FAN | GB | ![]() |
||
44 | 844840 | 1 | COUPLER (SPLASH) | GB | ![]() |
||
46 | 278100-00 | 1 | FAN | GB | ![]() |
||
47 | 330048-52 | 1 | CORDSET (SPLASH) | GB | ![]() |
||
48 | 278120-00 | 1 | CONDENSOR | GB | ![]() |
||
49 | 278056-00 | 4 | SCREW | GB | ![]() |
||
51 | 278098-00 | 1 | SPACER | GB |