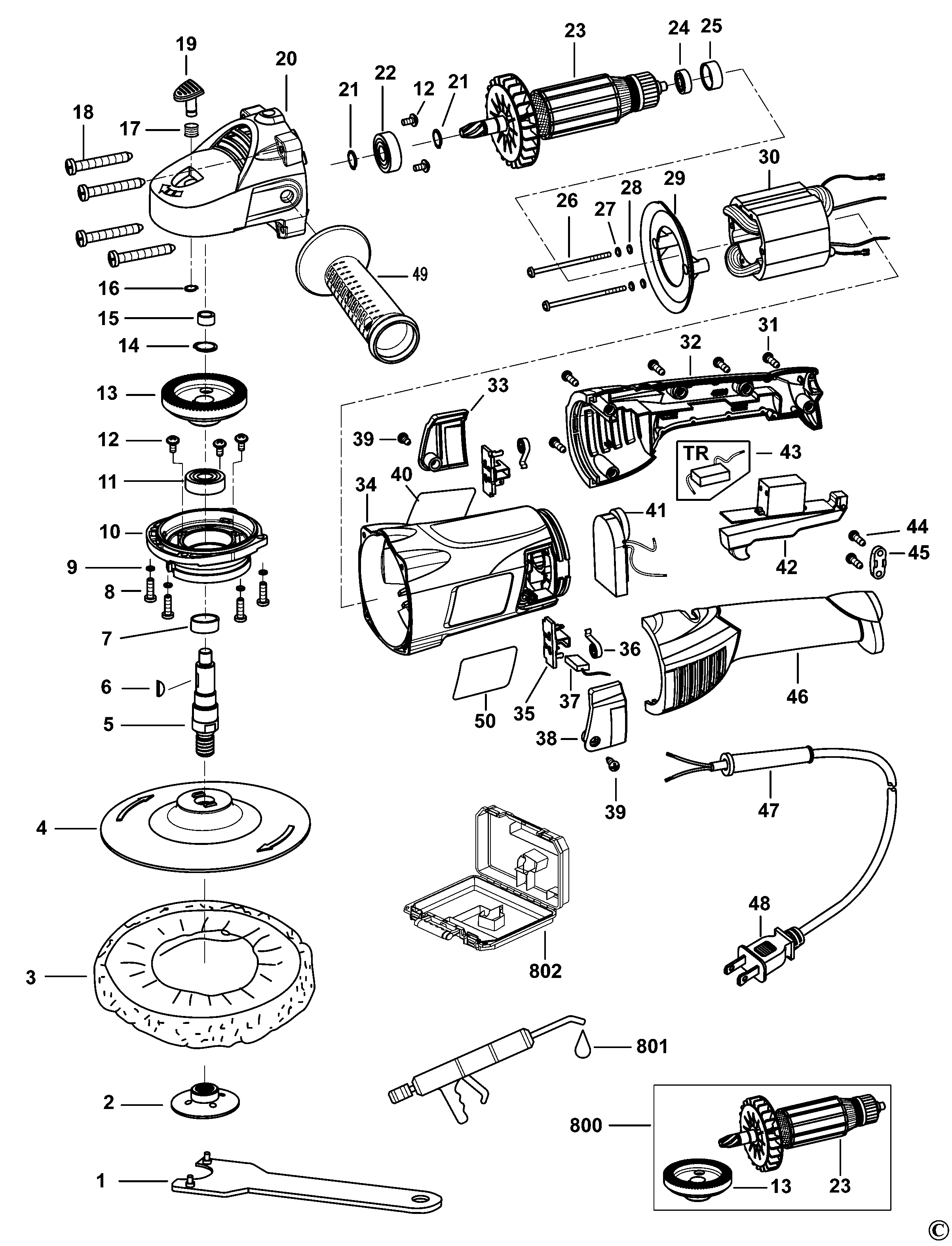
STGP1318K POLISHER Type 1 | Drawings
Documents

Item No. | Product Number | Qty Per | Product Description | General Description | Other Info | Markets | Product Status |
---|---|---|---|---|---|---|---|
1 | 5140090-55 | 1 | WRENCH 4 MM | B5 | ![]() |
||
2 | 5140090-56 | 1 | OUTER FLANGE | B5 | ![]() |
||
3 | 5140090-57 | 1 | BONNET | B5 | ![]() |
||
4 | 5140090-58 | 1 | PAD | B5 | ![]() |
||
5 | 5140090-59 | 1 | SPINDLE | B5 | ![]() |
||
6 | 5140090-60 | 1 | WOODRUFF KEY | B5 | ![]() |
||
7 | 5140090-61 | 1 | SEAL | B5 | ![]() |
||
8 | 5140090-62 | 4 | SCREW | B5 | ![]() |
||
9 | 5140090-63 | 4 | WASHER | B5 | ![]() |
||
10 | 5140090-64 | 1 | HOUSING GEAR | B5 | ![]() |
||
11 | 5140090-65 | 1 | BEARING | B5 | ![]() |
||
12 | 5140090-66 | 5 | SCREW.SPECIAL | B5 | ![]() |
||
13 | 5140090-67 | 1 | GEAR | B5 | ![]() |
||
14 | 5140090-68 | 1 | RING | B5 | ![]() |
||
15 | 5140090-69 | 1 | SLEEVE BEARING | B5 | ![]() |
||
16 | 5140090-70 | 1 | RING | B5 | ![]() |
||
17 | 5140090-71 | 1 | SPRING | B5 | ![]() |
||
18 | 5140090-72 | 4 | SCREW | ST4.8 x 30 | B5 | ![]() |
|
19 | 5140090-73 | 1 | LOCK PIN | B5 | ![]() |
||
20 | 5140090-74 | 1 | HOUSING GEAR SA | B5 | ![]() |
||
21 | 5140090-75 | 2 | RING | Check Ring | B5 | ![]() |
|
22 | 5140090-76 | 1 | BEARING | B5 | ![]() |
||
23 | 1004727-63 | 1 | ARMATURE SA | B5 | ![]() |
||
24 | 5140090-79 | 1 | BEARING | B5 | ![]() |
||
25 | 5140090-80 | 1 | SLEEVE BEARING | B5 | ![]() |
||
26 | 5140090-81 | 2 | SCREW | B5 | ![]() |
||
27 | 5140090-82 | 2 | WASHER | B5 | ![]() |
||
28 | 5140090-83 | 2 | WASHER | B5 | ![]() |
||
29 | 5140090-84 | 1 | BAFFLE FAN | B5 | ![]() |
||
30 | 5140090-85 | 1 | FIELD | B5 | ![]() |
||
31 | 5140090-87 | 4 | SCREW | B5 | ![]() |
||
32 | 6010358-21 | 1 | HANDLE SA RH | B5 | ![]() |
||
33 | 6010358-22 | 1 | BRUSH COVER | B5 | ![]() |
||
34 | 6010358-23 | 1 | FIELD CASE | B5 | ![]() |
||
35 | 5140090-91 | 1 | BRUSH HOLDER | B5 | ![]() |
||
36 | 5140090-92 | 2 | BRUSH SPRING | B5 | ![]() |
||
37 | 5140090-93 | 2 | BRUSH 220V | 220V | B5 | ![]() |
|
38 | 6010358-24 | 1 | BRUSH CAP | B5 | ![]() |
||
39 | 5140090-95 | 2 | SCREW | B5 | ![]() |
||
40 | 6010358-26 | 1 | RATING PLATE | B5 | ![]() |
||
41 | 5140090-54 | 1 | SWITCH VARIABLE | 220V-60HZ | B5 | ![]() |
|
42 | 5140091-00 | 1 | SWITCH | B5 | ![]() |
||
44 | 5140091-02 | 1 | SCREW | B5 | ![]() |
||
45 | 5140091-03 | 1 | CORD CLAMP | B5 | ![]() |
||
46 | 6010358-29 | 1 | HANDLE SA LH | B5 | ![]() |
||
47 | 5140091-04 | 1 | CORD PROTECTOR | B5 | ![]() |
||
48 | 6010355-19 | 1 | CORDSET | B5 | ![]() |
||
49 | 6010358-30 | 1 | HANDLE SA | B5 | ![]() |
||
50 | 6010358-25 | 1 | BRAND LABEL | B5 | ![]() |
||
800 | 1004727-64 | 1 | GEAR SA | B5 | ![]() |
||
801 | 5140061-28 | 1 | GREASE | B5 | ![]() |
||
802 | 6010358-33 | 1 | KITBOX | B5 | ![]() |