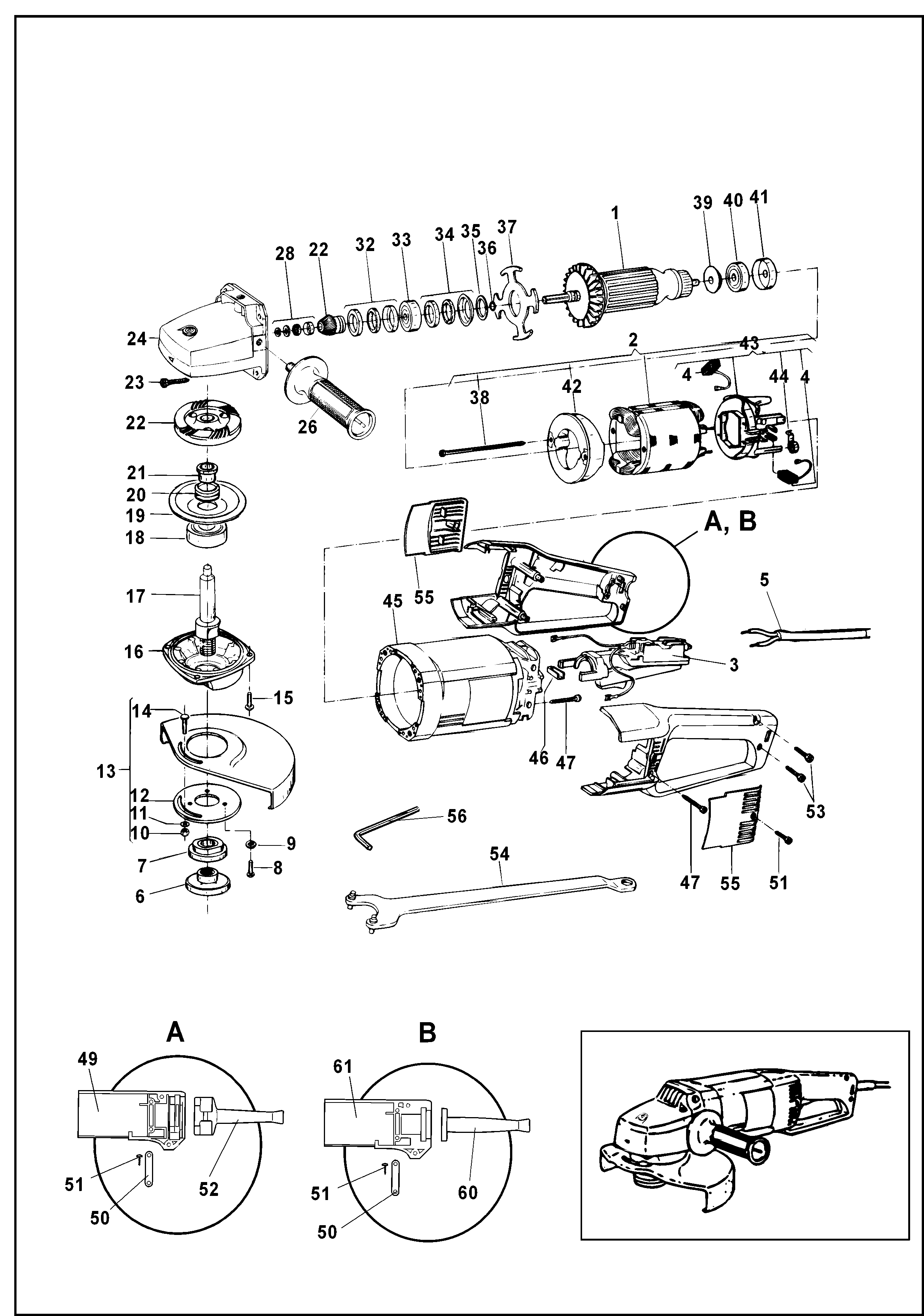
PL85 GRINDER Type 3 | Drawings
Documents
 
        
                                        | Item No. | Product Number | Qty Per | Product Description | General Description | Other Info | Markets | Product Status | 
|---|---|---|---|---|---|---|---|
| 1 | 949813-06 | 1 | ARMATURE 115V | GB 115V | ZA |  | |
| 1 | 931629-49 | 1 | ARMATURE 220/240V | GB 240V | ZA |  | |
| 1 | 931629-49 | 1 | ARMATURE 220/240V | ZA |  | ||
| 2 | 940481 | 1 | FIELD | GB 240V | ZA |  | |
| 2 | 940480-49 | 1 | FIELD | ZA |  | ||
| 2 | 940499-49 | 1 | FIELD 115V | GB 115V | ZA |  | |
| 3 | 949823-12 | 1 | SWITCH LOCK OFF | GB 115V | ZA |  | |
| 3 | 949823-11 | 1 | SWITCH LOCK OFF | ZA |  | ||
| 3 | 949823-11 | 1 | SWITCH LOCK OFF | GB 240V | ZA |  | |
| 4 | 940160-02 | 2 | BRUSH CUT OFF 115V | GB 115V | ZA |  | |
| 4 | 940160-03 | 2 | BRUSH CUT OFF 230V | ZA |  | ||
| 4 | 940160-03 | 2 | BRUSH CUT OFF 230V | GB 240V | ZA |  | |
| 5 | 949770-32 | 1 | CABLE | GB 115V | ZA |  | |
| 5 | 930968-00 | 1 | CABLE & PLUG | ZA |  | ||
| 5 | 949770-12 | 1 | CABLE & PLUG | GB 240V | ZA |  | |
| 6 | 931771 | 1 | FLANGE | ZA | |||
| 7 | 930927 | 1 | FLANGE | ZA |  | ||
| 8 | 869076-00 | 3 | SCREW | ZA |  | ||
| 9 | 932369 | 3 | WASHER | ZA |  | ||
| 10 | 860083-03 | 1 | NUT | ZA |  | ||
| 11 | 930925 | 1 | WASHER | ZA |  | ||
| 12 | 930929 | 1 | FLANGE | ZA |  | ||
| 13 | 931942-02 | 1 | GUARD 9" | ZA |  | ||
| 14 | 949892-07 | 1 | SCREW | ZA |  | ||
| 15 | 949887-01 | 4 | SCREW | ZA |  | ||
| 16 | 947962-00 | 1 | GEARCASE COVER | ZA |  | ||
| 17 | 578243-00 | 1 | SPINDLE | ZA |  | ||
| 18 | 930566 | 1 | BEARING | ZA | |||
| 19 | 930924 | 1 | FLANGE | ZA |  | ||
| 20 | 930923 | 1 | SEAL | ZA |  | ||
| 21 | 930922 | 1 | SPACER | ZA |  | ||
| 22 | 932522 | 1 | GEAR & PINION SA | ZA |  | ||
| 23 | 930930 | 1 | SCREW | ZA |  | ||
| 24 | 401048-00 | 1 | GEARCASE SA | ZA |  | ||
| 26 | 939815 | 1 | HANDLE SIDE SA | ZA |  | ||
| 28 | 937098-49 | 1 | CLIP SA | ZA |  | ||
| 32 | 930909 | 1 | SEAL SA | ZA |  | ||
| 33 | 330003-14 | 1 | BEARING | ZA |  | ||
| 34 | 931067-00 | 1 | SEAL SA | ZA |  | ||
| 35 | 931062 | 1 | SPACER | ZA |  | ||
| 36 | 930028-00 | 1 | O RING | ZA |  | ||
| 37 | 931066-00 | 1 | FLANGE | ZA |  | ||
| 38 | 931072 | 2 | SCREW | ZA |  | ||
| 39 | N174055 | 1 | SPACER | ZA |  | ||
| 40 | 577745-00 | 1 | BEARING | ZA |  | ||
| 41 | 938332-00 | 1 | SLEEVE | ZA |  | ||
| 42 | 931073-00 | 1 | BAFFLE | ZA |  | ||
| 43 | 940501 | 1 | BRUSH HOLDER 115V | GB 115V | ZA |  | |
| 43 | 935747 | 1 | BRUSH PLATE SA | ZA |  | ||
| 43 | 935747 | 1 | BRUSH PLATE SA | GB 240V | ZA |  | |
| 44 | 931076-00 | 2 | SPRING | ZA |  | ||
| 45 | 948162-04 | 1 | FIELDCASE | ZA |  | ||
| 46 | 930934-00 | 4 | SHOCK ABSORBER | ZA |  | ||
| 47 | 931297-00 | 4 | SCREW | ZA |  | ||
| 48 | 949801-47 | 2 | LEAD SA | ZA |  | ||
| 49 | 935753-01 | 1 | HANDLE SA | ZA |  | ||
| 50 | 931477-00 | 1 | CORD CLAMP | ZA |  | ||
| 51 | 931469-02 | 4 | SCREW | ZA |  | ||
| 52 | 930981-00 | 1 | CORD PROTECTOR | ZA |  | ||
| 53 | 930284-01 | 2 | SCREW | ZA |  | ||
| 54 | 938733 | 1 | WRENCH PIN | ZA |  | ||
| 55 | 933364-01 | 2 | COVER | ZA |  | ||
| 56 | 807043 | 1 | WRENCH | 4mm | ZA |  | |
| 60 | 947964-01 | 1 | CORD PROTECTOR | ZA |  | ||
| 61 | 401056-01 | 1 | HANDLE SA | ZA |  | 
 
                     
                 Parts List
Parts List
                         Save PDF
Save PDF
                         View Full Page
View Full Page
                        