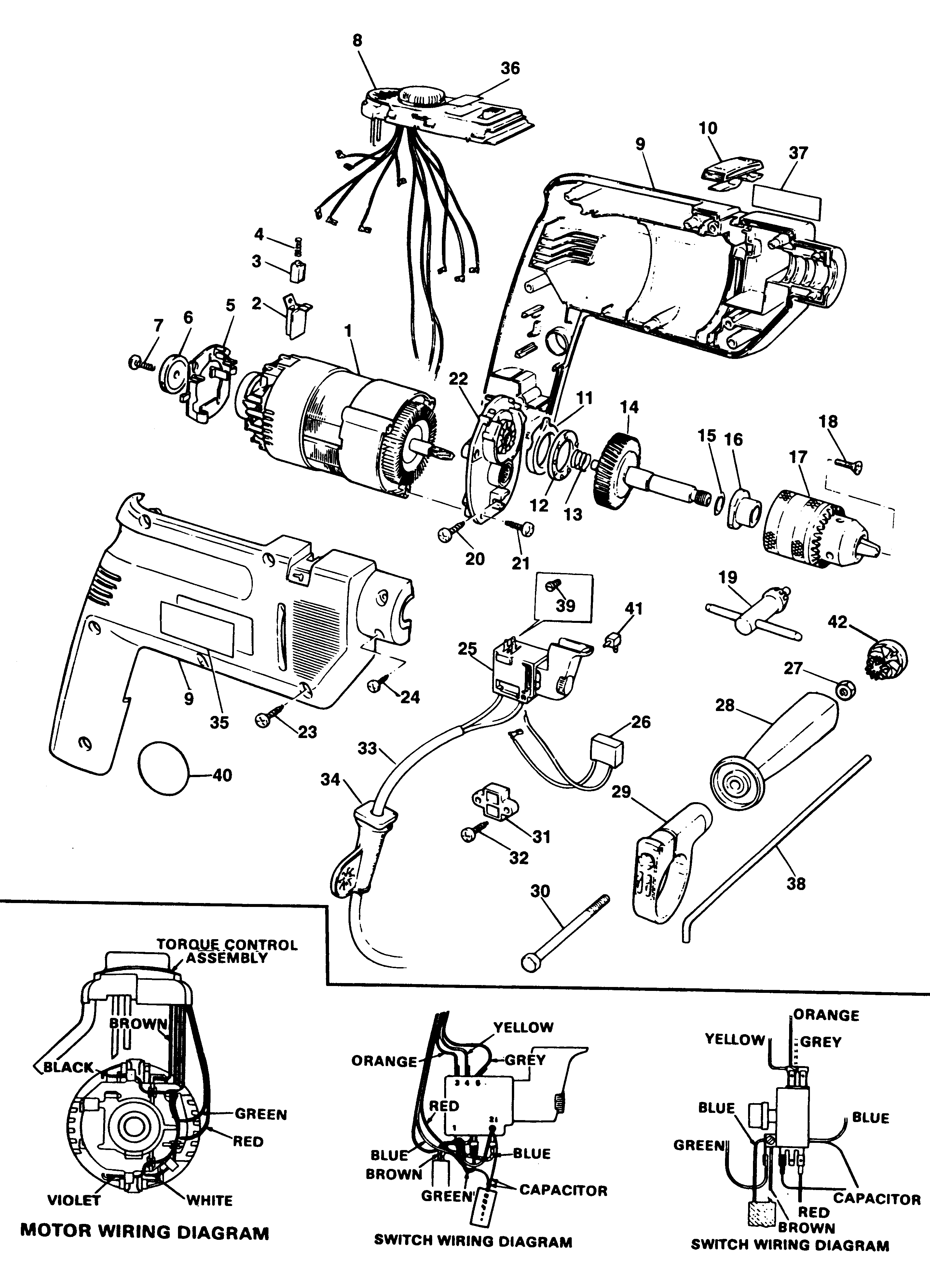
D155RT HAMMER DRILL Type 1 | Drawings
Documents
| Item No. | Product Number | Qty Per | Product Description | General Description | Other Info | Markets | Product Status |
|---|---|---|---|---|---|---|---|
| 1 | 376913-03 | 1 | MOTOR SA | AE | ![]() |
||
| 2 | 812738 | 2 | BRUSH HOLDER | AE | ![]() |
||
| 3 | 376143 | 2 | BRUSH | AE | ![]() |
||
| 4 | 847709 | 2 | SPRING | AE | ![]() |
||
| 5 | 822789 | 1 | COVER | AE | ![]() |
||
| 7 | 823943 | 1 | SCREW | AE | ![]() |
||
| 8 | 797434 | 1 | ELECTRONIC SA | BD155RT | AE | ![]() |
|
| 8 | 797434 | 1 | ELECTRONIC SA | BD155RT H1F | AE | ![]() |
|
| 8 | 797434 | 1 | ELECTRONIC SA | BD550RT H1F | AE | ![]() |
|
| 8 | 797434 | 1 | ELECTRONIC SA | BD4300 | AE | ![]() |
|
| 8 | 814587 | 1 | ELECTRONIC | D155RT | AE | ![]() |
|
| 9 | 795187 | 1 | CLAMSHELL | BD550RT H1F | AE | ![]() |
|
| 11 | 812962 | 1 | RING | AE | ![]() |
||
| 12 | 892261 | 1 | BEARING | AE | ![]() |
||
| 13 | 821986 | 1 | SPRING | AE | ![]() |
||
| 14 | 747323-49 | 1 | SPINDLE SA | AE | ![]() |
||
| 15 | 812979 | 1 | WASHER THRUST | AE | ![]() |
||
| 16 | 812973 | 1 | BEARING | AE | ![]() |
||
| 17 | 586589-00L | 1 | CHUCK KEYLESS | CHUCK KEYLESS | AE | ![]() |
|
| 17 | 330033-23 | 1 | CHUCK 13MM | CHUCK S2A | AE | ![]() |
|
| 18 | 805434 | 1 | SCREW.SPECIAL | AE | ![]() |
||
| 19 | 330034-07 | 1 | CHUCK KEY | CHUCK S2A | AE | ![]() |
|
| 19 | 894688 | 1 | CHUCK KEY 13MM | CHUCK NON S2A | AE | ![]() |
|
| 20 | 809961 | 2 | SCREW | AE | |||
| 21 | 809961 | 3 | SCREW | AE | |||
| 22 | 823782 | 1 | COVER GEARCASE | AE | ![]() |
||
| 23 | 809961 | 6 | SCREW | AE | |||
| 24 | 805035 | 2 | SCREW | AE | ![]() |
||
| 25 | 831500 | 1 | SWITCH | AE | ![]() |
||
| 26 | 823825 | 1 | CAPACITOR SA | AE | ![]() |
||
| 27 | 896369 | 1 | NUT | AE | ![]() |
||
| 28 | 823784 | 1 | HANDLE | BD155RT | AE | ![]() |
|
| 28 | 808402 | 1 | SIDE HANDLE | BD155RT H1F | AE | ![]() |
|
| 28 | 808402 | 1 | SIDE HANDLE | BD550RT H1F | AE | ![]() |
|
| 28 | 808402 | 1 | SIDE HANDLE | BD4300 | AE | ![]() |
|
| 29 | 370636-49 | 1 | CLAMP KIT | BD155RT | AE | ![]() |
|
| 29 | 794464 | 1 | CLAMP | BD155RT H1F | AE | ![]() |
|
| 29 | 794464 | 1 | CLAMP | BD550RT H1F | AE | ![]() |
|
| 29 | 794464 | 1 | CLAMP | BD4300 | AE | ![]() |
|
| 30 | 813918 | 1 | SCREW | AE | ![]() |
||
| 31 | 994808 | 1 | CABLE CLAMP | AE | ![]() |
||
| 32 | 809961 | 2 | SCREW | AE | |||
| 33 | 330048-05 | 1 | CORDSET (EURO) | AE | ![]() |
||
| 34 | 770236 | 1 | PROTECTOR | AE | ![]() |
||
| 36 | 796937 | 1 | LABEL | BD155RT H1F | AE | ![]() |
|
| 36 | 796937 | 1 | LABEL | BD4300 | AE | ![]() |
|
| 37 | 796905-02 | 1 | BRAND LABEL | BD155RT H1F | AE | ![]() |
|
| 38 | 795957 | 1 | DEPTH ROD | BD155RT H1F | AE | ![]() |
|
| 38 | 795957 | 1 | DEPTH ROD | BD550RT H1F | AE | ![]() |
|
| 38 | 795957 | 1 | DEPTH ROD | BD4300 | AE | ![]() |
|
| 38 | 814991 | 1 | DEPTH ROD | BD155RT | AE | ![]() |
|
| 39 | 990735 | 1 | SCREW | AE | ![]() |
||
| 40 | 794468 | 1 | LABEL REVERSING | BD155RT | AE | ![]() |
|
| 40 | 794468 | 1 | LABEL REVERSING | BD155RT H1F | AE | ![]() |
|
| 40 | 794468 | 1 | LABEL REVERSING | BD550RT H1F | AE | ![]() |
|
| 40 | 794468 | 1 | LABEL REVERSING | BD4300 | AE | ![]() |
|
| 41 | 820758 | 1 | TERMINAL | AE | ![]() |
||
| 42 | 797419 | 1 | HOLDER | BD155RT H1F | AE | ![]() |
|
| 42 | 797419 | 1 | HOLDER | BD550RT H1F | AE | ![]() |

