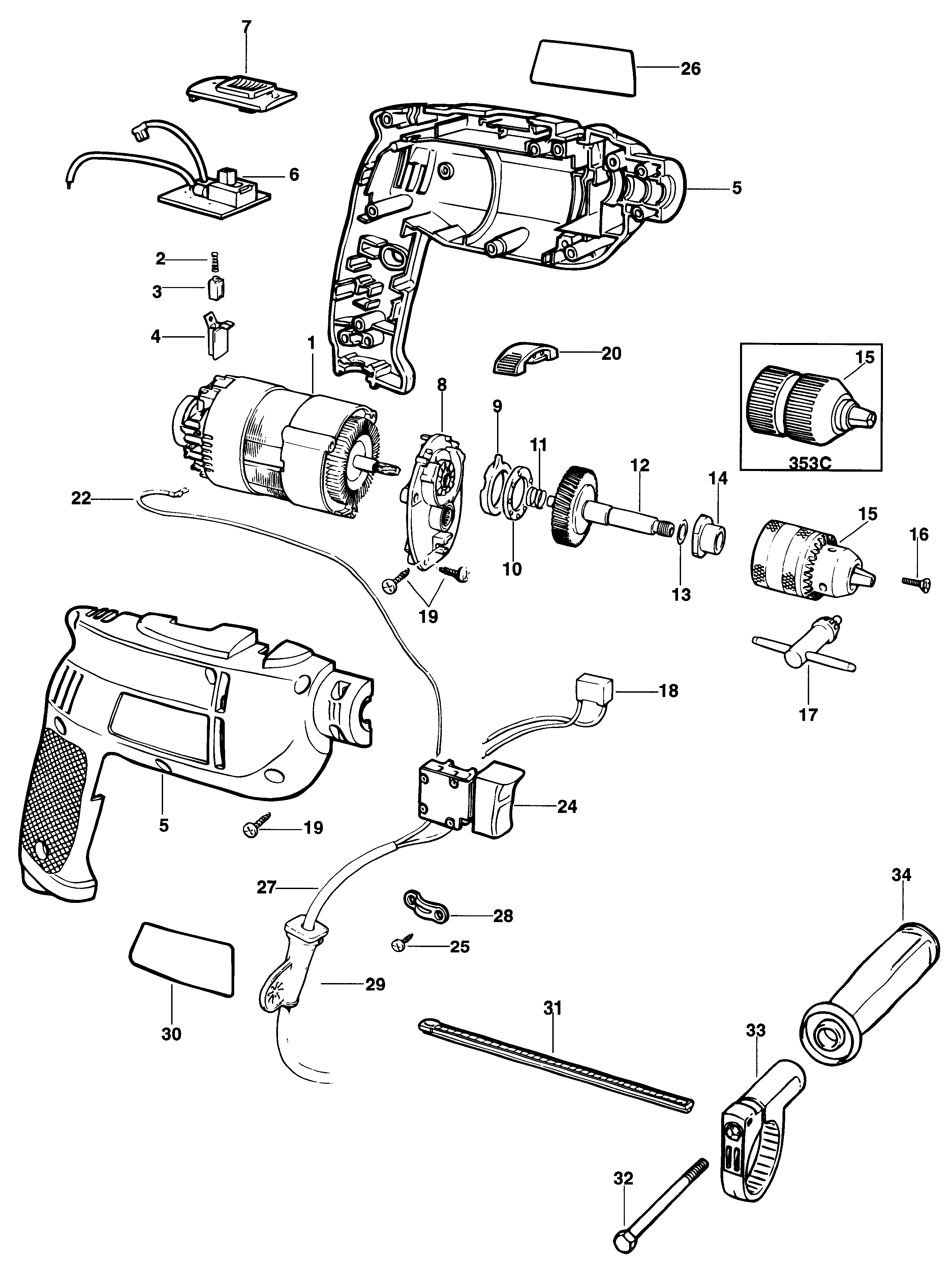
KD353 DRILL Type 1 | Drawings
Documents

Item No. | Product Number | Qty Per | Product Description | General Description | Other Info | Markets | Product Status |
---|---|---|---|---|---|---|---|
1 | 376913-05 | 1 | MOTOR | TW ONLY | AE | ![]() |
|
1 | 376913-09 | 1 | MOTOR SA | AE | |||
2 | 847709 | 2 | SPRING | AE | ![]() |
||
3 | 376143 | 2 | BRUSH | AE | ![]() |
||
4 | 812738 | 2 | BRUSH HOLDER | AE | ![]() |
||
5 | 808362 | 1 | CLAMSHELL | AE | ![]() |
||
6 | 808367-01 | 1 | SWITCH | TW ONLY | AE | ||
6 | 808367-00 | 1 | SWITCH | AE | ![]() |
||
7 | 808369-01 | 1 | ACTUATOR | AE | ![]() |
||
8 | 823782 | 1 | COVER GEARCASE | AE | ![]() |
||
9 | 812962 | 1 | RING | AE | ![]() |
||
10 | 892261 | 1 | BEARING | AE | ![]() |
||
11 | 821986 | 1 | SPRING | AE | ![]() |
||
12 | 747323-49 | 1 | SPINDLE SA | AE | ![]() |
||
13 | 812979 | 1 | WASHER THRUST | AE | ![]() |
||
14 | 812973 | 1 | BEARING | AE | ![]() |
||
15 | 330033-23 | 1 | CHUCK 13MM | KD352 | AE | ![]() |
|
15 | 330033-23 | 1 | CHUCK 13MM | KD353 | AE | ![]() |
|
15 | 586589-00L | 1 | CHUCK KEYLESS | KD353C | AE | ![]() |
|
16 | 805434 | 1 | SCREW.SPECIAL | AE | ![]() |
||
17 | 330034-07 | 1 | CHUCK KEY | KD352 | AE | ![]() |
|
17 | 330034-07 | 1 | CHUCK KEY | KD353 | AE | ![]() |
|
18 | 793192 | 1 | CAPACITOR SA | AE | ![]() |
||
19 | 809961 | 11 | SCREW | AE | |||
20 | 808370 | 1 | SELECTOR | AE | ![]() |
||
22 | 371667 | 1 | LEAD | TW ONLY | AE | ![]() |
|
22 | 822215 | 1 | LEAD | AE | ![]() |
||
24 | 808365-01 | 1 | SWITCH | TW ONLY | AE | ![]() |
|
24 | 808365-00 | 1 | SWITCH | AE | ![]() |
||
25 | 821057 | 2 | SCREW | No 6 x 12.7mm | AE | ![]() |
|
26 | 808371-10 | 1 | BRAND LABEL | KD353 | AE | ![]() |
|
27 | 330060-53 | 1 | CORDSET | AE | ![]() |
||
28 | 821070 | 1 | CORD CLAMP | AE | ![]() |
||
29 | 770235 | 1 | PROTECTOR | AE | ![]() |
||
31 | 808401 | 1 | DEPTH STOP | AE | ![]() |
||
32 | 813918 | 1 | SCREW | AE | ![]() |
||
33 | 808405 | 1 | CLAMP | AE | ![]() |
||
34 | 808402 | 1 | SIDE HANDLE | AE | ![]() |