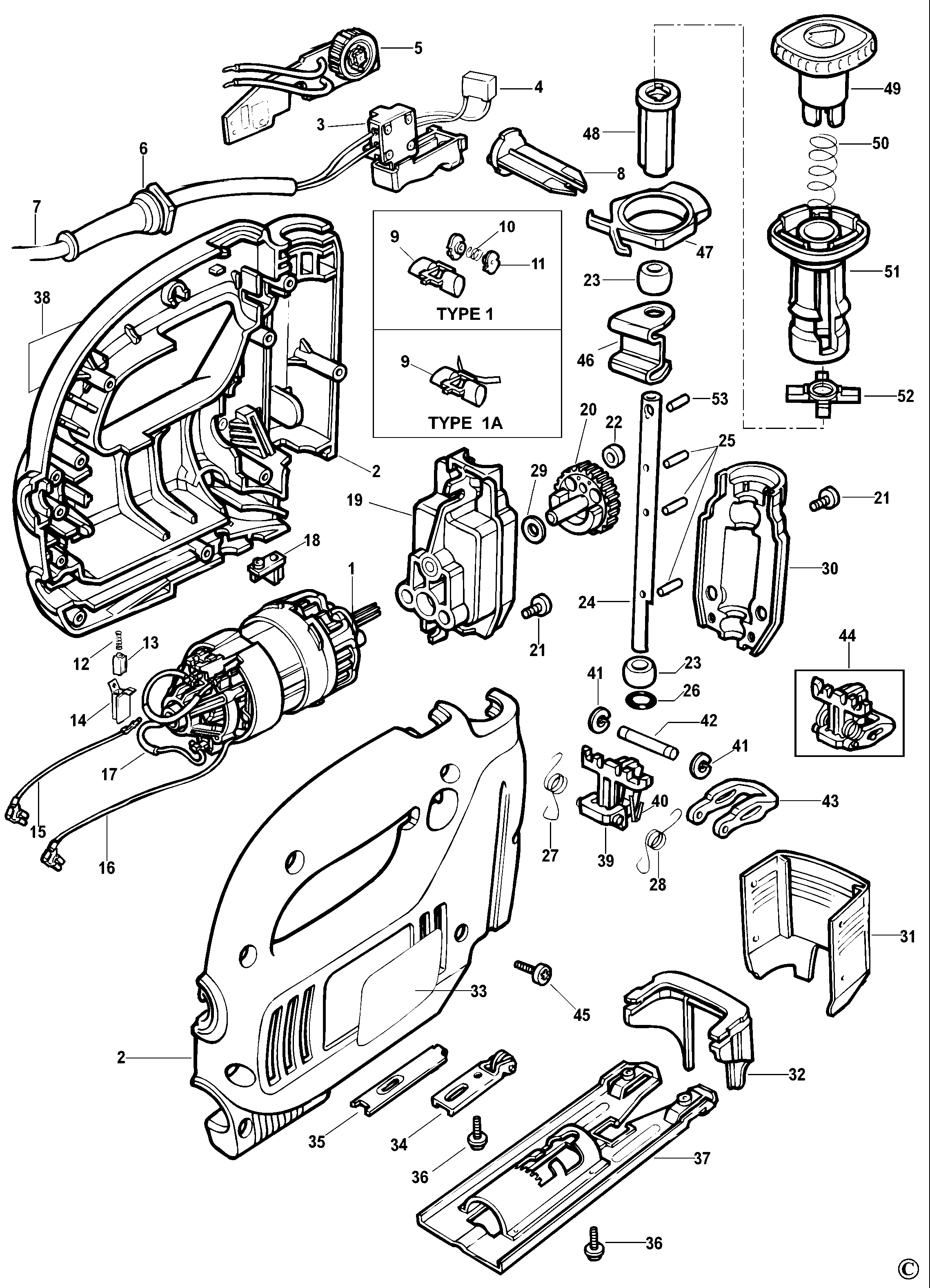
KS634S JIGSAW Type 1 | Drawings
Documents

Item No. | Product Number | Qty Per | Product Description | General Description | Other Info | Markets | Product Status |
---|---|---|---|---|---|---|---|
1 | 571299-17 | 1 | MOTOR SA | A9-B1-XD | GB | ![]() |
|
1 | 571299-17 | 1 | MOTOR SA | GB | ![]() |
||
1 | 576376-03 | 1 | MOTOR SA | CH-XE | GB | ![]() |
|
2 | 376016-01 | 1 | CLAMSHELL | KS635S - KS634S | GB | ![]() |
|
2 | 580486-01 | 1 | CLAMSHELL SET | KS638SE | GB | ![]() |
|
3 | 809483-01 | 1 | SWITCH | GB | ![]() |
||
4 | 807285-06 | 1 | CAPACITOR | KS635S - KS634S | GB | ![]() |
|
5 | 368329-03 | 1 | PCB SA | KS638SE-EXCEPT TW | GB | ![]() |
|
5 | 368329-01 | 1 | PCB | KS638SE-TW | GB | ![]() |
|
6 | 770235 | 1 | PROTECTOR | GB | ![]() |
||
7 | 330080-06 | 1 | CORDSET | XE | GB | ![]() |
|
7 | 330060-53 | 1 | CORDSET | GB-IE-KW-XD | GB | ![]() |
|
7 | 748702 | 1 | CORDSET | A9 | GB | ||
7 | 330080-03 | 1 | CORDSET | B1 | GB | ![]() |
|
7 | 330080-03 | 1 | CORDSET | KR | GB | ![]() |
|
8 | 369328 | 1 | REGULATOR | GB | ![]() |
||
9 | 376010-01 | 1 | ACTUATOR | TYPE 1 | GB | ![]() |
|
9 | 376010-01 | 1 | ACTUATOR | TYPE 1A | GB | ![]() |
|
10 | 748158 | 1 | SPRING | GB | ![]() |
||
11 | 370966 | 2 | WASHER | GB | ![]() |
||
12 | 847709 | 2 | SPRING | GB | ![]() |
||
13 | 372523 | 2 | BRUSH | GB | ![]() |
||
14 | 846076 | 2 | BRUSHBOX | GB | ![]() |
||
15 | 811529 | 1 | LEAD SA | KS635S - KS634S | GB | ![]() |
|
15 | 830393 | 1 | LEAD | KS638SE-TW | GB | ![]() |
|
15 | 811679 | 1 | LEAD | KS638SE-EXCEPT TW | GB | ![]() |
|
16 | 372828 | 1 | LEAD | KS638SE-TW | GB | ![]() |
|
16 | 811504 | 1 | LEAD | KS635S - KS634S | GB | ![]() |
|
16 | 811666 | 1 | LEAD | KS638SE-EXCEPT TW | GB | ![]() |
|
17 | 828446 | 2 | CHOKE SA | XE | GB | ![]() |
|
18 | 369620 | 1 | NUT | GB | ![]() |
||
19 | 581229-01 | 1 | GEARCASE SA | GB | ![]() |
||
20 | 369619 | 1 | GEAR | GB | ![]() |
||
21 | 891024 | 6 | SCREW | GB | ![]() |
||
22 | 368389 | 1 | ROLLER | GB | ![]() |
||
23 | 368360 | 2 | BEARING | GB | ![]() |
||
24 | 571709-04 | 1 | SHAFT SA | GB | ![]() |
||
25 | 374292 | 3 | PIN | GB | ![]() |
||
26 | 799310 | 1 | O RING | GB | ![]() |
||
27 | 371953 | 1 | SPRING RH | GB | ![]() |
||
28 | 371952 | 1 | SPRING LH | GB | ![]() |
||
29 | 995036 | 2 | WASHER SPRING | GB | ![]() |
||
30 | 368366 | 1 | COVER | GB | ![]() |
||
31 | 369008 | 1 | GUARD | GB | ![]() |
||
32 | 370584 | 1 | GUARD | GB | ![]() |
||
33 | 369002-08 | 1 | BRAND LABEL | KS634S | GB | ![]() |
|
33 | 369002-09 | 1 | BRAND LABEL | KS635S | GB | ![]() |
|
33 | 369002-11 | 1 | BRAND LABEL | KS638SE | GB | ![]() |
|
33 | 369002-10 | 1 | BRAND LABEL | KS635S XE ONLY | GB | ![]() |
|
34 | 368375-01 | 1 | SUPPORT SA | GB | ![]() |
||
35 | 368857-00 | 1 | CLAMP | GB | ![]() |
||
36 | 376409 | 2 | SCREW | GB | ![]() |
||
37 | 369304-00 | 1 | SHOE SA | GB | ![]() |
||
39 | 581190-02 | 1 | CLAMP SA | GB | ![]() |
||
40 | 370169 | 1 | PLATE | GB | ![]() |
||
41 | 370170 | 2 | CIRCLIP | GB | |||
42 | 571131-00 | 1 | PARTS PACK(KIT) | GB | ![]() |
||
43 | 370168-01 | 1 | ACTUATOR | GB | ![]() |
||
44 | 581190-02 | 1 | CLAMP SA | GB | ![]() |
||
45 | 747329 | 10 | SCREW | GB | ![]() |
||
46 | 749286 | 1 | YOKE | GB | ![]() |
||
47 | 368355-03 | 1 | COLLAR | GB | ![]() |
||
48 | 376132 | 1 | BLOCK | GB | ![]() |
||
49 | 368352-00 | 1 | KNOB UPPER | GB | ![]() |
||
50 | 371662 | 1 | SPRING | GB | ![]() |
||
51 | 368353-00 | 1 | KNOB LOWER | GB | ![]() |
||
52 | 371311 | 1 | PLATE | GB | ![]() |
||
53 | 811057 | 1 | PIN | GB | ![]() |