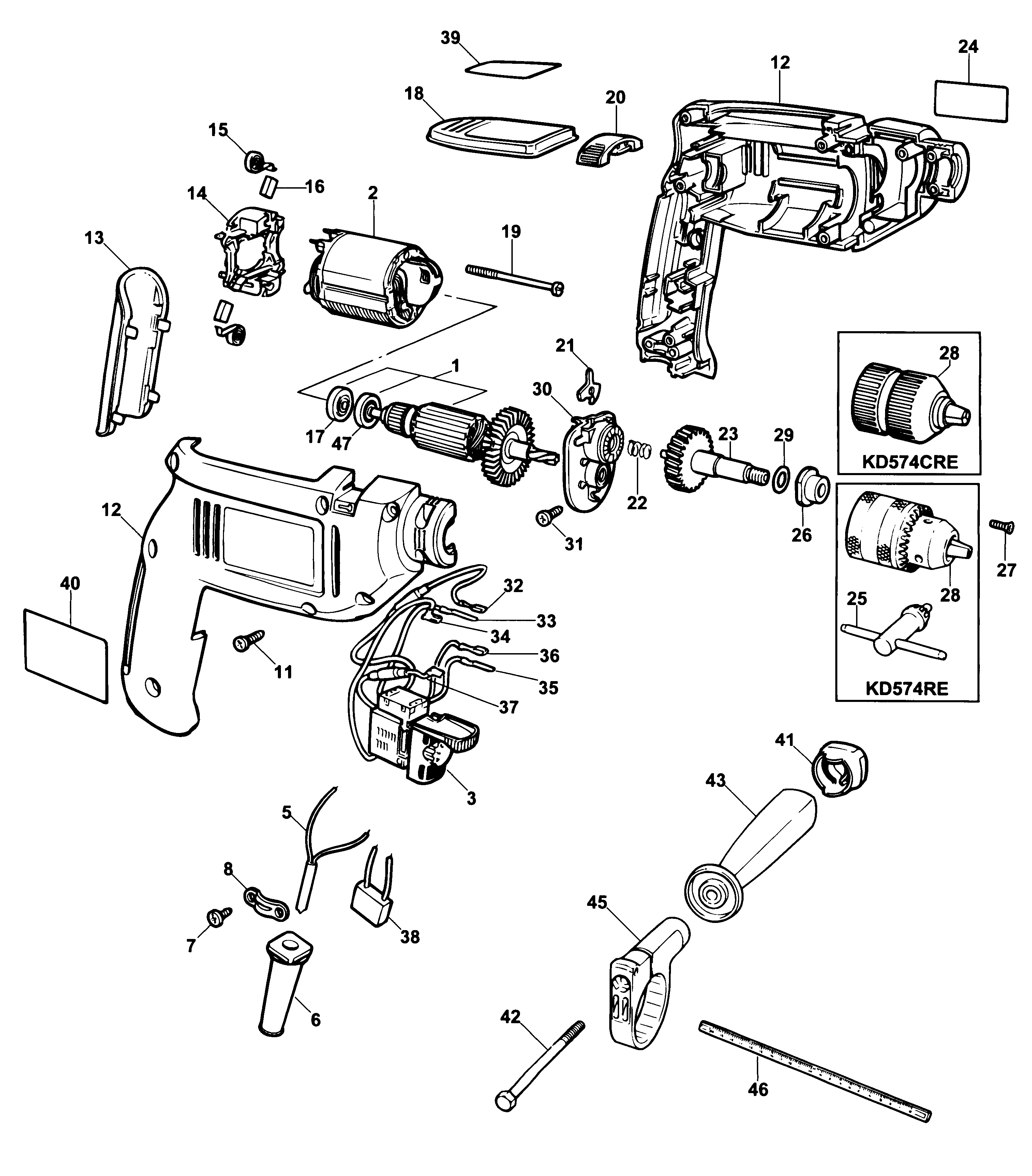
KD574CRE HAMMER DRILL Type 3 | Drawings
Documents

Item No. | Product Number | Qty Per | Product Description | General Description | Other Info | Markets | Product Status |
---|---|---|---|---|---|---|---|
1 | 798863-00 | 1 | ARMATURE SA | GB | ![]() |
||
1 | 798863-00 | 1 | ARMATURE SA | A9-B1-XD | GB | ![]() |
|
2 | 798832-01 | 1 | FIELD SA | GB | ![]() |
||
2 | 798832-01 | 1 | FIELD SA | A9-B1-XD | GB | ![]() |
|
3 | 371907-00 | 1 | SWITCH | GB | ![]() |
||
3 | 371907-00 | 1 | SWITCH | A9-B1-XD | GB | ![]() |
|
5 | 330060-53 | 1 | CORDSET | GB-IE-KW-XD | GB | ![]() |
|
5 | 372067-01 | 1 | CORDSET | A9 | GB | ![]() |
|
5 | 808704-12 | 1 | CORDSET | A9 | GB | ![]() |
|
5 | 330080-03 | 1 | CORDSET | B1 | GB | ![]() |
|
6 | 770236 | 1 | PROTECTOR | KD574RE | GB | ![]() |
|
6 | 770235 | 1 | PROTECTOR | KD574CRE | GB | ![]() |
|
7 | 370748 | 2 | SCREW | GB | ![]() |
||
7 | 370748 | 2 | SCREW | GB | ![]() |
||
8 | 821070 | 1 | CORD CLAMP | GB | ![]() |
||
8 | 821070 | 1 | CORD CLAMP | GB | ![]() |
||
11 | 809961 | 9 | SCREW | GB | |||
11 | 809961 | 9 | SCREW | GB | |||
12 | 372765 | 1 | CLAMSHELL | GB | ![]() |
||
13 | 807000 | 1 | GRIP | GB | ![]() |
||
13 | 807000 | 1 | GRIP | GB | ![]() |
||
14 | 806486-00 | 1 | BRUSH HOLDER PLATE | GB | ![]() |
||
14 | 806486-00 | 1 | BRUSH HOLDER PLATE | A9-B1-XD | GB | ![]() |
|
15 | 808527-00 | 2 | BRUSH SPRING | GB | ![]() |
||
15 | 808527-00 | 2 | BRUSH SPRING | GB | ![]() |
||
16 | 806681 | 2 | BRUSH | GB | ![]() |
||
16 | 806681 | 2 | BRUSH | A9-B1-XD | GB | ![]() |
|
17 | 812970 | 1 | HOLDER,RUBBER | GB | ![]() |
||
17 | 812970 | 1 | HOLDER,RUBBER | GB | ![]() |
||
18 | 798787 | 1 | INSERT | GB | ![]() |
||
18 | 798787 | 1 | INSERT | GB | ![]() |
||
19 | 812751 | 2 | SCREW.TEMP | GB | ![]() |
||
19 | 812751 | 2 | SCREW.TEMP | GB | ![]() |
||
20 | 798788 | 1 | SELECTOR | GB | ![]() |
||
20 | 798788 | 1 | SELECTOR | GB | ![]() |
||
21 | 798815 | 1 | PLATE THRUST | GB | ![]() |
||
21 | 798815 | 1 | PLATE THRUST | GB | ![]() |
||
22 | 821986 | 1 | SPRING | GB | ![]() |
||
22 | 821986 | 1 | SPRING | GB | ![]() |
||
23 | 808675-49 | 1 | SPINDLE & GEAR SA | GB | ![]() |
||
23 | 808675-49 | 1 | SPINDLE & GEAR SA | GB | ![]() |
||
24 | 798804-01 | 1 | BRAND LABEL | A9-B1-XD | GB | ![]() |
|
24 | 798804-01 | 1 | BRAND LABEL | GB-IE-KW-XD | GB | ![]() |
|
25 | 330034-08 | 1 | CHUCK KEY | KD574RE | GB | ![]() |
|
26 | 798794 | 1 | BEARING SINTER | GB | ![]() |
||
26 | 798794 | 1 | BEARING SINTER | GB | ![]() |
||
27 | 805434 | 1 | SCREW.SPECIAL | GB | ![]() |
||
27 | 805434 | 1 | SCREW.SPECIAL | GB | ![]() |
||
28 | 330033-23 | 1 | CHUCK 13MM | KD574RE | GB | ![]() |
|
28 | 586589-00L | 1 | CHUCK KEYLESS | KD574CRE | GB | ![]() |
|
29 | 798795 | 1 | WASHER THRUST | GB | ![]() |
||
29 | 798795 | 1 | WASHER THRUST | GB | ![]() |
||
30 | 372163 | 1 | GEARCASE SA | GB | ![]() |
||
30 | 372163 | 1 | GEARCASE SA | GB | ![]() |
||
31 | 809961 | 2 | SCREW | GB | |||
31 | 809961 | 2 | SCREW | GB | |||
32 | 806871-00 | 1 | CHOKE SA | GB | ![]() |
||
32 | 809086 | 1 | LEAD BROWN | A9-B1-XD | GB | ![]() |
|
33 | 806965 | 1 | LEAD BLUE | GB | ![]() |
||
33 | 806965 | 1 | LEAD BLUE | A9-B1-XD | GB | ![]() |
|
34 | 806962 | 1 | LEAD RED | GB | ![]() |
||
34 | 806962 | 1 | LEAD RED | A9-B1-XD | GB | ![]() |
|
35 | 806964 | 1 | LEAD YELLOW | GB | ![]() |
||
35 | 806964 | 1 | LEAD YELLOW | A9-B1-XD | GB | ![]() |
|
36 | 806963 | 1 | LEAD BLACK | GB | ![]() |
||
36 | 806963 | 1 | LEAD BLACK | A9-B1-XD | GB | ![]() |
|
37 | 806871-01 | 1 | CHOKE LEAD SA | GB | ![]() |
||
38 | 807745 | 1 | CAPACITOR | GB | ![]() |
||
38 | 807745 | 1 | CAPACITOR | GB | ![]() |
||
39 | 798865 | 1 | LABEL | GB | ![]() |
||
39 | 798865 | 1 | LABEL | GB | ![]() |
||
41 | 372815 | 1 | CAP | GB | ![]() |
||
42 | 813918 | 1 | SCREW | GB | ![]() |
||
42 | 813918 | 1 | SCREW | GB | ![]() |
||
43 | 372818 | 1 | HANDLE SA | GB | |||
45 | 808405 | 1 | CLAMP | GB | ![]() |
||
45 | 808405 | 1 | CLAMP | GB | ![]() |
||
46 | 372814-00 | 1 | DEPTH STOP | GB | ![]() |
||
47 | 330003-02 | 1 | BEARING | GB | ![]() |
||
47 | 330003-02 | 1 | BEARING | GB | ![]() |