DWE493 ANGLE GRINDER Type 20 | Drawings
Documents
| Item No. | Product Number | Qty Per | Product Description | General Description | Other Info | Markets | Product Status |
|---|---|---|---|---|---|---|---|
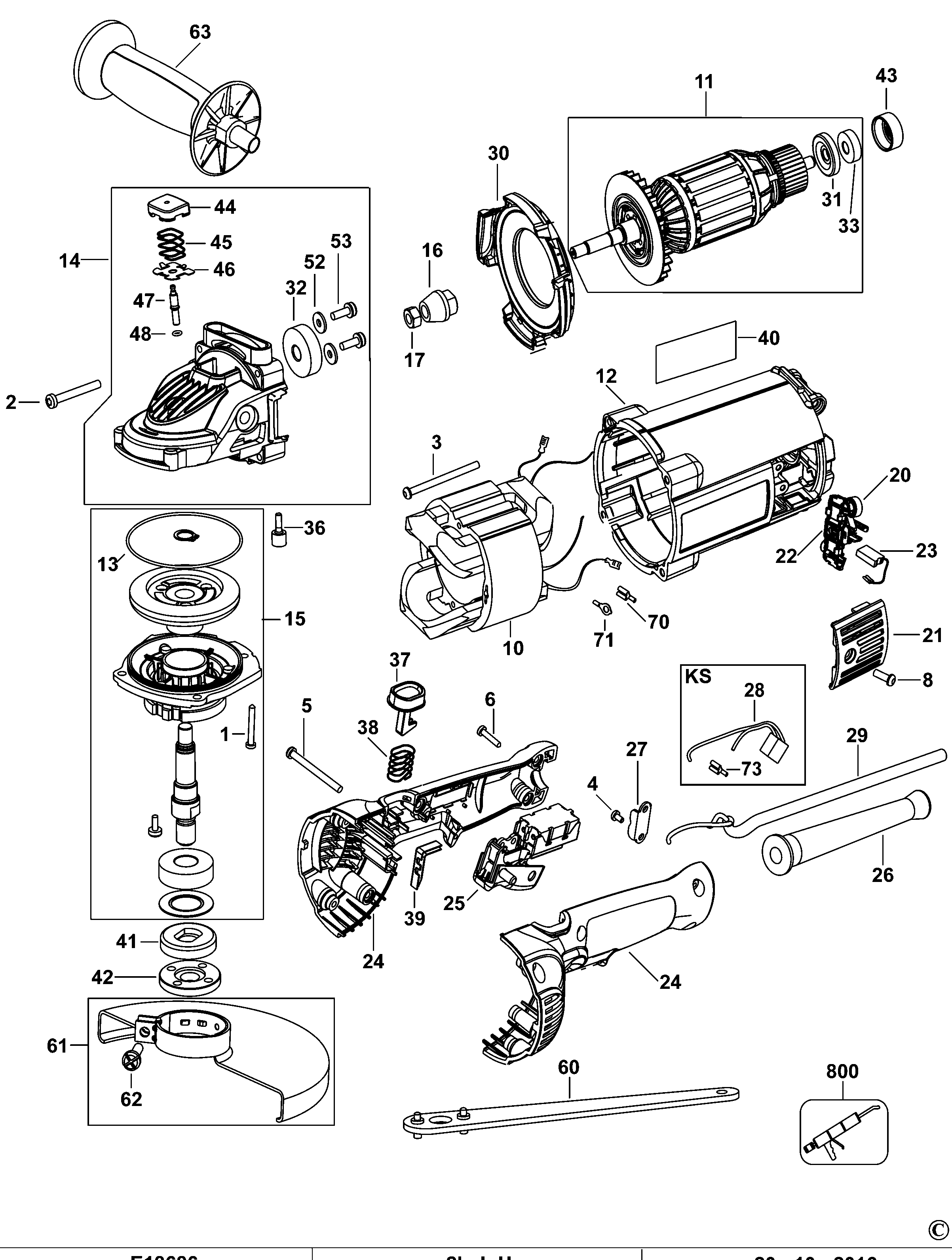
| 1 | 330045-14 | 4 | SCREW | B5 | ![]() |
||
| 2 | 330019-26 | 4 | SCREW | B5 | ![]() |
||
| 3 | 330019-19 | 2 | SCREW | B5 | ![]() |
||
| 4 | 330019-11 | 2 | SCREW | M4.55x13 T20 | B5 | ![]() |
|
| 5 | 330019-18 | 3 | SCREW | M4.55 x 50 PLASTIC THD FMG | B5 | ||
| 6 | 330019-32 | 4 | SCREW | B5 | ![]() |
||
| 8 | 176951-00 | 2 | SCREW | B5 | ![]() |
||
| 10 | N473953 | 1 | FIELD 230V | B5 | ![]() |
||
| 11 | N473954 | 1 | ARMATURE SA | B5 | ![]() |
||
| 12 | 393239-01 | 1 | FIELD CASE | B5 | ![]() |
||
| 13 | 397031-00 | 1 | O RING | B5 | ![]() |
||
| 14 | N497002 | 1 | GEARCASE SA | B5 | ![]() |
||
| 15 | N495147 | 1 | GEARCASE COVER SA | B5 | ![]() |
||
| 16 | N407627 | 1 | PINION | B5 | ![]() |
||
| 17 | 330015-03 | 1 | NUT | M8x1.25 | B5 | ![]() |
|
| 20 | 645650-00 | 2 | BRUSH SPRING | B5 | ![]() |
||
| 21 | 394387-01 | 2 | BRUSH COVER | B5 | ![]() |
||
| 22 | N410308 | 1 | BRUSH HOLDER SA | B5 | ![]() |
||
| 23 | N404514 | 1 | BRUSH PAIR | 230V, SET OF 2 | B5 | ![]() |
|
| 24 | 636499-00 | 1 | HANDLE & COVER | B5 | ![]() |
||
| 25 | N015071 | 1 | SWITCH SA | B5 | ![]() |
||
| 26 | N219433 | 1 | CORD PROTECTOR | B5 | ![]() |
||
| 27 | 604119-00 | 1 | CORD CLAMP | B5 | ![]() |
||
| 29 | N409119 | 1 | CORDSET (M/PLUG) GB | GB | B5 | ![]() |
|
| 30 | 631350-00 | 1 | BAFFLE | B5 | ![]() |
||
| 31 | 393238-00 | 1 | SHIELD | B5 | ![]() |
||
| 32 | N389509 | 1 | BEARING | B5 | ![]() |
||
| 33 | N110359 | 1 | BEARING | B5 | ![]() |
||
| 36 | N033051 | 1 | SCREW | B5 | ![]() |
||
| 37 | 636503-00 | 1 | BUTTON LOCK-OFF | B5 | ![]() |
||
| 38 | 636502-00 | 1 | SPRING | B5 | ![]() |
||
| 39 | N391190 | 1 | COVER | B5 | ![]() |
||
| 40 | N484078 | 1 | RATING PLATE | B5 | B5 | ![]() |
|
| 41 | 403150-01 | 1 | INNER FLANGE | B5 | ![]() |
||
| 42 | 401678-05 | 1 | OUTER FLANGE | B5 | ![]() |
||
| 43 | 609970-00 | 1 | SLEEVE INSULATING | B5 | ![]() |
||
| 44 | 630553-00 | 1 | CAP | B5 | ![]() |
||
| 45 | 638328-00 | 1 | SPRING | B5 | ![]() |
||
| 46 | 635908-00 | 1 | RETAINER | B5 | ![]() |
||
| 47 | 634589-00 | 1 | PIN | B5 | ![]() |
||
| 48 | 750831 | 1 | O RING | B5 | ![]() |
||
| 52 | 640591-00 | 2 | WASHER | B5 | ![]() |
||
| 53 | 330045-67 | 2 | SCREW | B5 | ![]() |
||
| 60 | 635261-00 | 1 | WRENCH PIN | B5 | ![]() |
||
| 61 | 627378-01 | 1 | GUARD SA | B5 | ![]() |
||
| 62 | N082712 | 1 | SCREW | B5 | ![]() |
||
| 63 | 651858-01 | 1 | SIDE HANDLE | B5 | ![]() |
||
| 70 | 612273-00 | 2 | TERMINAL | B5 | ![]() |
||
| 71 | 610057-00 | 2 | TERMINAL | B5 | ![]() |
||
| 800 | 583534-00 | 1 | GREASE | 50 GRAMS - NYE RHEOLUB 380G1 | B5 | ![]() |
|
| 800 | 583534-00 | 1 | GREASE | 50 GRAMS - NYE RHEOLUB 380G1 | B5 | ![]() |

