ETS33 SAW BENCH Type 1 | Drawings
Documents
| Item No. | Product Number | Qty Per | Product Description | General Description | Other Info | Markets | Product Status |
|---|---|---|---|---|---|---|---|
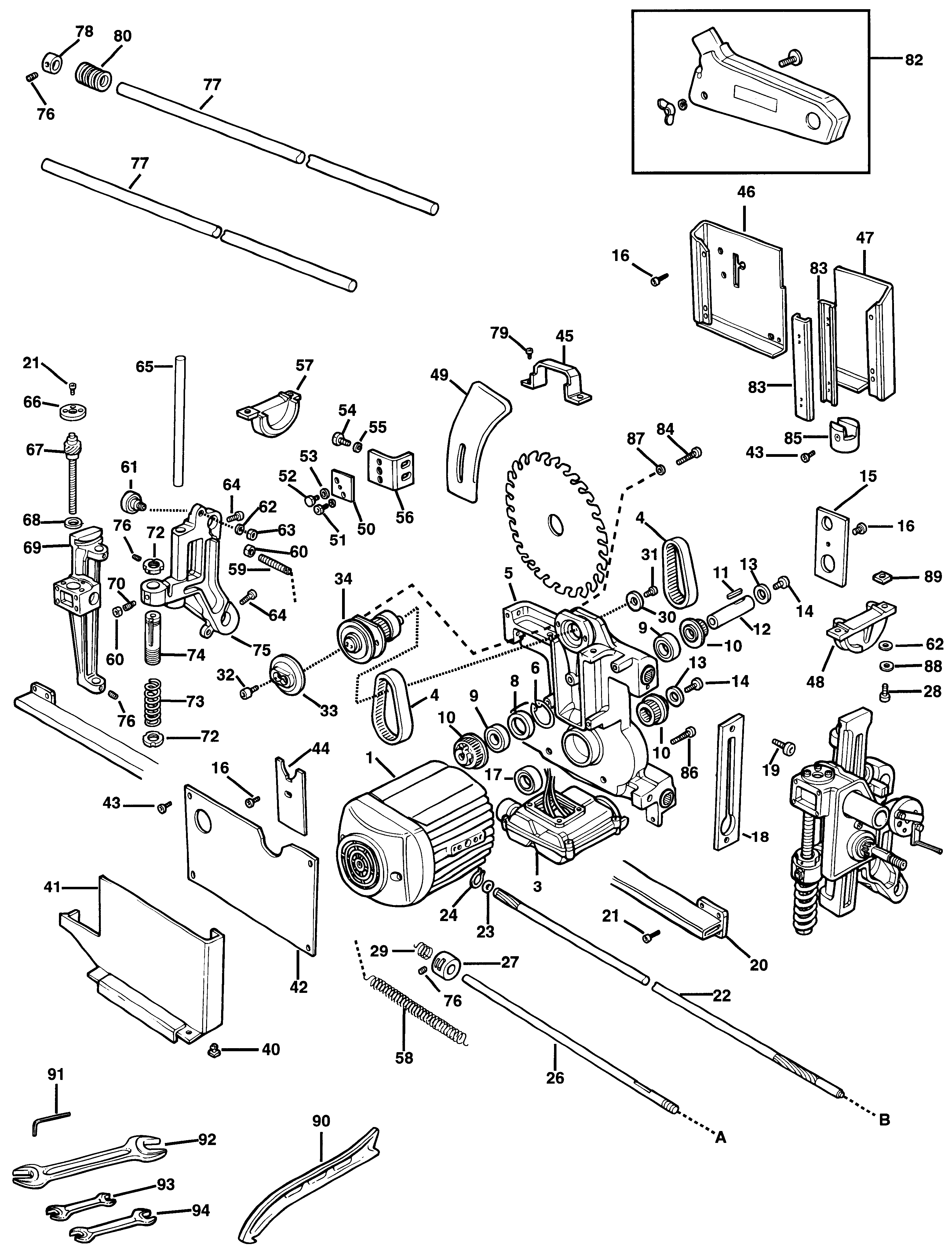
| 1 | 567613-00 | 1 | MOTOR | ETS31 | GB | ![]() |
|
| 1 | 567802-00 | 1 | MOTOR 3 PH | ETS33 | GB | ![]() |
|
| 2 | 559784-00 | 1 | SWITCHBOX & CABLE | DE 1PH | GB | ![]() |
|
| 2 | 559786-00 | 1 | SWITCHBOX & CABLE | GB | ![]() |
||
| 3 | 279428-00 | 1 | CAPACITOR & BOX SA | ETS31 | GB | ![]() |
|
| 4 | 567614-00 | 2 | BELT | GB | ![]() |
||
| 5 | 567615-00 | 1 | BRACKET | GB | ![]() |
||
| 6 | 567616-00 | 1 | CIRCLIP | GB | ![]() |
||
| 8 | 567617-00 | 1 | SPACER | GB | ![]() |
||
| 9 | 559707-00 | 2 | BEARING | GB | ![]() |
||
| 10 | 559706-00 | 3 | PULLEY | GB | ![]() |
||
| 11 | 567618-00 | 2 | KEY | GB | ![]() |
||
| 12 | 567619-00 | 1 | SPINDLE | GB | ![]() |
||
| 13 | 567620-00 | 2 | RETAINER | GB | ![]() |
||
| 14 | 567621-00 | 2 | BOLT | GB | ![]() |
||
| 15 | 567622-00 | 1 | COVER REAR | GB | ![]() |
||
| 16 | 567623-00 | 20 | SCREW | GB | ![]() |
||
| 17 | 567624-00 | 1 | BEARING | GB | ![]() |
||
| 18 | 567625-00 | 1 | PLATE | GB | ![]() |
||
| 19 | 567626-00 | 2 | BOLT | GB | ![]() |
||
| 20 | 567627-00 | 1 | BAR | GB | ![]() |
||
| 21 | 567628-00 | 14 | SCREW | GB | ![]() |
||
| 22 | 567629-00 | 1 | DRIVE SHAFT | GB | ![]() |
||
| 23 | 567630-00 | 2 | WASHER | GB | ![]() |
||
| 24 | 559710-00 | 2 | CIRCLIP | GB | ![]() |
||
| 26 | 567631-00 | 1 | SHAFT | GB | ![]() |
||
| 27 | 567632-00 | 1 | COLLAR | GB | ![]() |
||
| 28 | 567633-00 | 4 | BOLT | GB | ![]() |
||
| 29 | 567634-00 | 1 | SPRING | GB | ![]() |
||
| 30 | 567635-00 | 1 | COVER | GB | ![]() |
||
| 31 | 567636-00 | 1 | BOLT | GB | ![]() |
||
| 32 | 567637-00 | 2 | BOLT | GB | ![]() |
||
| 33 | 279995-00 | 1 | OUTER FLANGE | GB | ![]() |
||
| 34 | 567638-00 | 1 | BLADE CLAMP | GB | ![]() |
||
| 40 | 567639-00 | 3 | STUD | GB | ![]() |
||
| 41 | 567640-00 | 1 | COVER | GB | ![]() |
||
| 42 | 567641-00 | 1 | COVER | GB | ![]() |
||
| 43 | 567642-00 | 6 | SCREW | GB | ![]() |
||
| 44 | 567643-00 | 1 | COVER | GB | ![]() |
||
| 45 | 567644-00 | 1 | COVER | GB | ![]() |
||
| 46 | 567645-00 | 1 | COVER LH | GB | ![]() |
||
| 47 | 567646-00 | 1 | COVER RH | GB | ![]() |
||
| 48 | 567647-00 | 1 | BRACKET | GB | ![]() |
||
| 49 | 559746-00 | 1 | RIVING KNIFE | GB | ![]() |
||
| 50 | 559745-00 | 1 | SPACER | GB | ![]() |
||
| 51 | 567648-00 | 2 | SCREW | GB | ![]() |
||
| 52 | 567649-00 | 1 | NUT | GB | ![]() |
||
| 53 | 567650-00 | 1 | WASHER | GB | ![]() |
||
| 54 | 567651-00 | 2 | BOLT | GB | ![]() |
||
| 55 | 567652-00 | 2 | WASHER | GB | ![]() |
||
| 56 | 567653-00 | 1 | BRACKET | GB | ![]() |
||
| 57 | 567654-00 | 1 | BRACKET | GB | ![]() |
||
| 58 | 567655-00 | 1 | SPRING | GB | ![]() |
||
| 59 | 567656-00 | 1 | STUD | GB | ![]() |
||
| 60 | 567657-00 | 7 | NUT | GB | ![]() |
||
| 61 | 567658-00 | 2 | SPINDLE SA | GB | ![]() |
||
| 62 | 567659-00 | 40 | WASHER | GB | ![]() |
||
| 63 | 567660-00 | 2 | NUT | GB | ![]() |
||
| 64 | 567661-00 | 4 | BOLT | GB | ![]() |
||
| 65 | 567662-00 | 2 | GUIDE ROD | GB | ![]() |
||
| 66 | 567663-00 | 2 | COVER | GB | ![]() |
||
| 67 | 567664-00 | 2 | SCREW | GB | ![]() |
||
| 68 | 567665-00 | 4 | PLATE | GB | ![]() |
||
| 69 | 567666-00 | 1 | SUPPORT | GB | ![]() |
||
| 70 | 567667-00 | 2 | GRUB SCREW | GB | ![]() |
||
| 72 | 567668-00 | 4 | NUT | GB | ![]() |
||
| 73 | 567669-00 | 2 | SPRING | GB | ![]() |
||
| 74 | 567670-00 | 2 | BARREL | GB | ![]() |
||
| 75 | 567671-00 | 1 | FRAME | GB | ![]() |
||
| 76 | 567672-00 | 6 | GRUB SCREW | GB | ![]() |
||
| 77 | 567673-00 | 2 | SHAFT | GB | ![]() |
||
| 78 | 567674-00 | 1 | COLLAR | GB | ![]() |
||
| 79 | 567675-00 | 3 | SCREW | GB | ![]() |
||
| 80 | 567676-00 | 1 | SHOCK ABSORBER | GB | ![]() |
||
| 81 | 567677-00 | 39 | WASHER | GB | ![]() |
||
| 82 | 559740-00 | 1 | GUARD SA | GB | ![]() |
||
| 83 | 567678-00 | 2 | CHUTE | GB | ![]() |
||
| 84 | 567679-00 | 2 | BOLT | GB | ![]() |
||
| 85 | 567680-00 | 1 | CONNECTOR | GB | ![]() |
||
| 86 | 567681-00 | 4 | SCREW | GB | ![]() |
||
| 87 | 567682-00 | 2 | WASHER | GB | ![]() |
||
| 88 | 567683-00 | 4 | WASHER | GB | ![]() |
||
| 89 | 567684-00 | 4 | NUT | GB | ![]() |
||
| 90 | 567685-00 | 1 | PUSHROD | GB | ![]() |
||
| 91 | 567686-00 | 1 | KEY | GB | ![]() |
||
| 92 | 567687-00 | 1 | SPANNER | GB | ![]() |
||
| 93 | 567688-00 | 1 | SPANNER | GB | ![]() |
||
| 94 | 567689-00 | 1 | SPANNER | GB | ![]() |
||
| 100 | 567690-00 | 1 | SUPPORT. FRONT | GB | ![]() |
||
| 101 | 567691-00 | 1 | FRAME | GB | ![]() |
||
| 102 | 567692-00 | 1 | BOLT | GB | ![]() |
||
| 103 | 279335-00 | 1 | BALLCATCH | GB | ![]() |
||
| 104 | 279334-00 | 1 | POST | GB | ![]() |
||
| 105 | 279332-00 | 2 | CATCHPLATE | GB | ![]() |
||
| 106 | 567693-00 | 1 | BUSH | GB | ![]() |
||
| 107 | 567694-00 | 1 | PINION | GB | ![]() |
||
| 108 | 567695-00 | 1 | CIRCLIP | GB | ![]() |
||
| 109 | 567696-00 | 1 | SPRING | GB | ![]() |
||
| 110 | 567697-00 | 1 | HANDLE | GB | ![]() |
||
| 111 | 567698-00 | 1 | GEAR | GB | ![]() |
||
| 112 | 567699-00 | 1 | HANDLE | GB | ![]() |
||
| 113 | 567700-00 | 1 | SCALE | GB | ![]() |
||
| 114 | 567701-00 | 1 | LABEL | GB | ![]() |
||
| 116 | 567702-00 | 15 | SCREW | GB | ![]() |
||
| 117 | 567703-00 | 1 | WASHER | GB | ![]() |
||
| 118 | 567704-00 | 1 | RING | GB | ![]() |
||
| 119 | 567705-00 | 1 | COLLAR | GB | ![]() |
||
| 120 | 567706-00 | 1 | LOCKING PIN | GB | ![]() |
||
| 121 | 567707-00 | 1 | SPRING | GB | ![]() |
||
| 122 | 559758-00 | 1 | LEVER | GB | ![]() |
||
| 123 | 567708-00 | 1 | NUT | GB | ![]() |
||
| 124 | 279341-00 | 1 | KNOB | GB | ![]() |
||
| 125 | 567709-00 | 1 | CAP | GB | ![]() |
||
| 126 | 860428-00 | 2 | SCREW | GB | ![]() |
||
| 127 | 279997-00 | 1 | STOP PLATE | GB | ![]() |
||
| 128 | 860084-05 | 2 | SCREW | GB | ![]() |
||
| 129 | 567710-00 | 1 | PLATE | GB | ![]() |
||
| 130 | 279978-00 | 2 | ECCENTRIC | GB | ![]() |
||
| 131 | 279979-00 | 2 | STOP | GB | ![]() |
||
| 132 | 567711-00 | 6 | WASHER | GB | ![]() |
||
| 133 | 567712-00 | 6 | SCREW | GB | ![]() |
||
| 134 | 567713-00 | 1 | PLATE | GB | ![]() |
||
| 137 | 559785-00 | 1 | CABLE & PLUG | GB | ![]() |
||
| 138 | 567714-00 | 1 | SPINDLE | GB | ![]() |
||
| 139 | 567715-00 | 1 | GEAR SA | GB | ![]() |
||
| 140 | 567716-00 | 1 | GEAR | GB | ![]() |
||
| 141 | 567717-00 | 1 | SPINDLE | GB | ![]() |
||
| 142 | 567718-00 | 1 | WASHER | GB | ![]() |
||
| 143 | 567719-00 | 1 | NUT | GB | ![]() |
||
| 144 | 567720-00 | 1 | PIN | GB | ![]() |
||
| 145 | 567721-00 | 1 | KEY | GB | ![]() |
||
| 146 | 567722-00 | 1 | POINTER | GB | ![]() |
||
| 147 | 567723-00 | 2 | BOLT | GB | ![]() |
||
| 148 | 567724-00 | 1 | COLLAR | GB | ![]() |
||
| 149 | 567725-00 | 9 | NUT | GB | ![]() |
||
| 150 | 567726-00 | 2 | SCREW | GB | ![]() |
||
| 151 | 567727-00 | 1 | SCREW | GB | ![]() |
||
| 152 | 567728-00 | 1 | GRUB SCREW | GB | ![]() |
||
| 153 | 567729-00 | 1 | NUT | GB | ![]() |
||
| 200 | 567730-00 | 1 | COVER | GB | ![]() |
||
| 201 | 567731-00 | 2 | COVER | GB | ![]() |
||
| 202 | 567732-00 | 1 | COVER REAR | GB | ![]() |
||
| 203 | 279321-00 | 2 | CLAMP | GB | ![]() |
||
| 204 | 567733-00 | 1 | HOSE | GB | ![]() |
||
| 205 | 567734-00 | 1 | PLATE | GB | ![]() |
||
| 206 | 567735-00 | 2 | FRAME | GB | ![]() |
||
| 207 | 279363-00 | 4 | FOOT | GB | ![]() |
||
| 208 | 567736-00 | 1 | SCALE | GB | ![]() |
||
| 209 | 567737-00 | 2 | SIDE EXTRUSION | GB | ![]() |
||
| 210 | 567738-00 | 2 | END EXTRUSION | GB | ![]() |
||
| 211 | 567739-00 | 4 | TABLE SECTION | GB | ![]() |
||
| 212 | 567740-00 | 1 | INSERT | GB | ![]() |
||
| 213 | 567741-00 | 2 | BRACKET RH | GB | ![]() |
||
| 214 | 567742-00 | 2 | BRACKET LH | GB | ![]() |
||
| 215 | 279992-00 | 1 | CORD PROTECTOR | GB | ![]() |
||
| 216 | 567743-00 | 1 | CORD CLAMP | GB | ![]() |
||
| 218 | 567745-00 | 27 | BOLT | GB | ![]() |
||
| 219 | 279366-00 | 39 | NUT | GB | ![]() |
||
| 220 | 567746-00 | 16 | BOLT | GB | ![]() |
||
| 221 | 567747-00 | 8 | NUT | GB | ![]() |
||
| 222 | 567748-00 | 8 | WASHER | GB | ![]() |
||
| 223 | 567749-00 | 8 | SCREW | GB | ![]() |
||
| 224 | 567750-00 | 1 | CABLE GUIDE | GB | ![]() |
||
| 225 | 567751-00 | 1 | SCREW | GB | ![]() |
||
| 226 | 567752-00 | 4 | BOLT | GB | ![]() |
||
| 227 | 567753-00 | 2 | FRAME | GB | ![]() |
||
| 228 | 567754-00 | 1 | SCREW | GB | ![]() |
||
| 229 | 567755-00 | 2 | O RING | GB | ![]() |
||
| 233 | 567756-00 | 1 | BRAND LABEL | ETS31 | GB | ![]() |
|
| 233 | 567757-00 | 1 | BRAND LABEL | ETS33 | GB | ![]() |
|
| 301 | 725502 | 32 | SCREW | GB | ![]() |
||
| 302 | 725125 | 32 | NUT | GB | |||
| 303 | 725120 | 64 | WASHER | GB | ![]() |
||
| 304 | 744734 | 4 | BRACKET | GB | ![]() |
||
| 305 | 744733 | 4 | BRACKET | GB | ![]() |
||
| 306 | 744732 | 4 | LEG | GB | ![]() |

