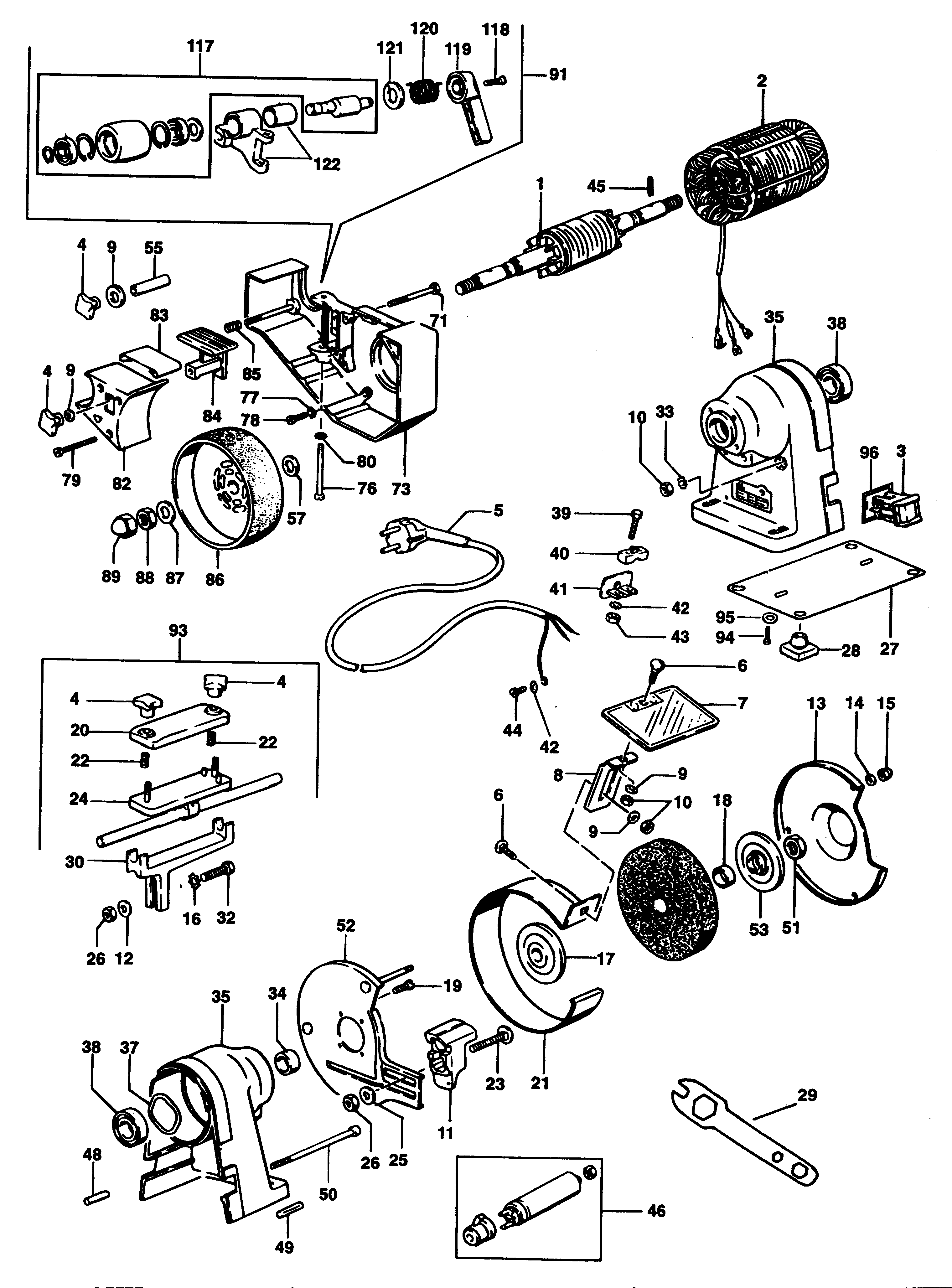
MWA149 BENCH GRINDER Type 2 | Drawings
Documents

Item No. | Product Number | Qty Per | Product Description | General Description | Other Info | Markets | Product Status |
---|---|---|---|---|---|---|---|
1 | 743412 | 1 | ROTOR | ZA | ![]() |
||
2 | 743413 | 1 | STATOR | ZA | ![]() |
||
3 | 743238 | 1 | SWITCH | ZA | ![]() |
||
4 | 744324 | 4 | KNOB SA | ZA | |||
5 | 000000-00 | 1 | NO LONGER AVAILABLE | ZA | |||
6 | 725184 | 2 | SCREW | ZA | ![]() |
||
7 | 742133 | 1 | VISOR | ZA | ![]() |
||
8 | 744188 | 1 | BRACKET | ZA | |||
9 | 880391 | 4 | WASHER | ZA | |||
10 | 725125 | 4 | NUT | ZA | |||
11 | 744183 | 1 | SUPPORT | ZA | ![]() |
||
12 | 742172 | 1 | WASHER | ZA | ![]() |
||
13 | 744190 | 1 | GUARD | ZA | ![]() |
||
14 | 725269 | 3 | WASHER | ZA | ![]() |
||
15 | 146823100 | 3 | LOCK-NUT | ZA | ![]() |
||
16 | 742046 | 1 | WASHER M8 | ZA | ![]() |
||
17 | 742298 | 1 | CLAMP | ZA | |||
18 | 742134 | 1 | BUSH | ZA | |||
19 | 725196 | 4 | SCREW | ZA | ![]() |
||
20 | 744271 | 1 | CLAMP | ZA | ![]() |
||
21 | 744227 | 1 | RING | ZA | ![]() |
||
22 | 742243 | 2 | SPRING | ZA | ![]() |
||
23 | 742042 | 1 | SCREW | ZA | ![]() |
||
24 | 744232 | 1 | SUPPORT | ZA | ![]() |
||
25 | 742172 | 1 | WASHER | ZA | ![]() |
||
26 | 725187 | 2 | NUT | M8 | ZA | ![]() |
|
27 | 742124-01 | 1 | PLATE | ZA | ![]() |
||
28 | 742126 | 4 | MOUNT | ZA | ![]() |
||
29 | 742511 | 1 | SPANNER | ZA | ![]() |
||
30 | 744230 | 1 | HOLDER | ZA | |||
32 | 860085-19 | 1 | SCREW | ZA | ![]() |
||
33 | 743415 | 2 | WASHER | 6mm | ZA | ||
34 | 742153 | 1 | BUSH | ZA | |||
35 | 744241-49 | 1 | HOUSING PAIR | ZA | ![]() |
||
37 | 113933000 | 1 | WASHER | ZA | ![]() |
||
38 | 861721-01 | 2 | BEARING | ZA | ![]() |
||
39 | 742041 | 2 | SCREW | ZA | ![]() |
||
40 | 742127 | 1 | CABLE CLAMP | ZA | ![]() |
||
41 | 742125 | 1 | CABLE CLAMP | ZA | |||
42 | 725163 | 3 | WASHER | ZA | ![]() |
||
43 | 725698 | 2 | NUT | ZA | ![]() |
||
44 | 725183 | 1 | SCREW | ZA | ![]() |
||
45 | 742053 | 1 | PIN | ZA | ![]() |
||
46 | 743309 | 1 | CAPACITOR | ZA | ![]() |
||
48 | 743311 | 2 | PIN | FROM SER No 14902694 | ZA | ![]() |
|
48 | 725885 | 1 | ROLLPIN | UPTO SER No 14902693 | ZA | ![]() |
|
49 | 742168 | 1 | PIN | ZA | ![]() |
||
50 | 742171 | 2 | SCREW | ZA | ![]() |
||
51 | 742887 | 1 | NUT | ZA | ![]() |
||
52 | 744228 | 1 | COVER RH | ZA | |||
53 | 742066 | 1 | CLAMP OUTER | ZA | |||
55 | 742228 | 1 | SPACER | ZA | ![]() |
||
57 | 743185 | 1 | WASHER | ZA | ![]() |
||
71 | 742055 | 1 | SCREW | ZA | ![]() |
||
73 | 744229 | 1 | HOUSING | ZA | ![]() |
||
76 | 742231 | 1 | SCREW | ZA | ![]() |
||
77 | 725159 | 4 | WASHER | ZA | ![]() |
||
78 | 726003 | 4 | SCREW | ZA | ![]() |
||
79 | 742511 | 3 | SPANNER | ZA | ![]() |
||
80 | 743415 | 1 | WASHER | 6mm | ZA | ||
82 | 744244 | 1 | COVER | ZA | ![]() |
||
83 | 742232 | 1 | SPRING | ZA | ![]() |
||
84 | 742227 | 1 | SUPPORT | ZA | ![]() |
||
85 | 760276-00 | 1 | SPRING | ZA | ![]() |
||
86 | 742199 | 1 | PULLEY | ZA | ![]() |
||
87 | 742054 | 1 | WASHER | ZA | ![]() |
||
88 | 742140 | 1 | NUT LH | ZA | ![]() |
||
89 | 744243 | 1 | CAP | ZA | ![]() |
||
91 | 744371 | 1 | LEVER SA | ZA | ![]() |
||
93 | 744253 | 1 | CLAMP KIT SA | ZA | |||
94 | 726430 | 2 | SCREW | ZA | ![]() |
||
95 | 725165 | 2 | WASHER | ZA | ![]() |
||
117 | 742212 | 1 | REPAIR KIT | ZA | ![]() |
||
118 | 744308 | 1 | SCREW | ZA | ![]() |
||
119 | 744245 | 1 | LEVER | ZA | ![]() |
||
120 | 742222 | 1 | SPRING | ZA | ![]() |
||
121 | 742218 | 1 | WASHER | ZA | ![]() |
||
122 | 743814 | 1 | BRACKET SA | ZA |