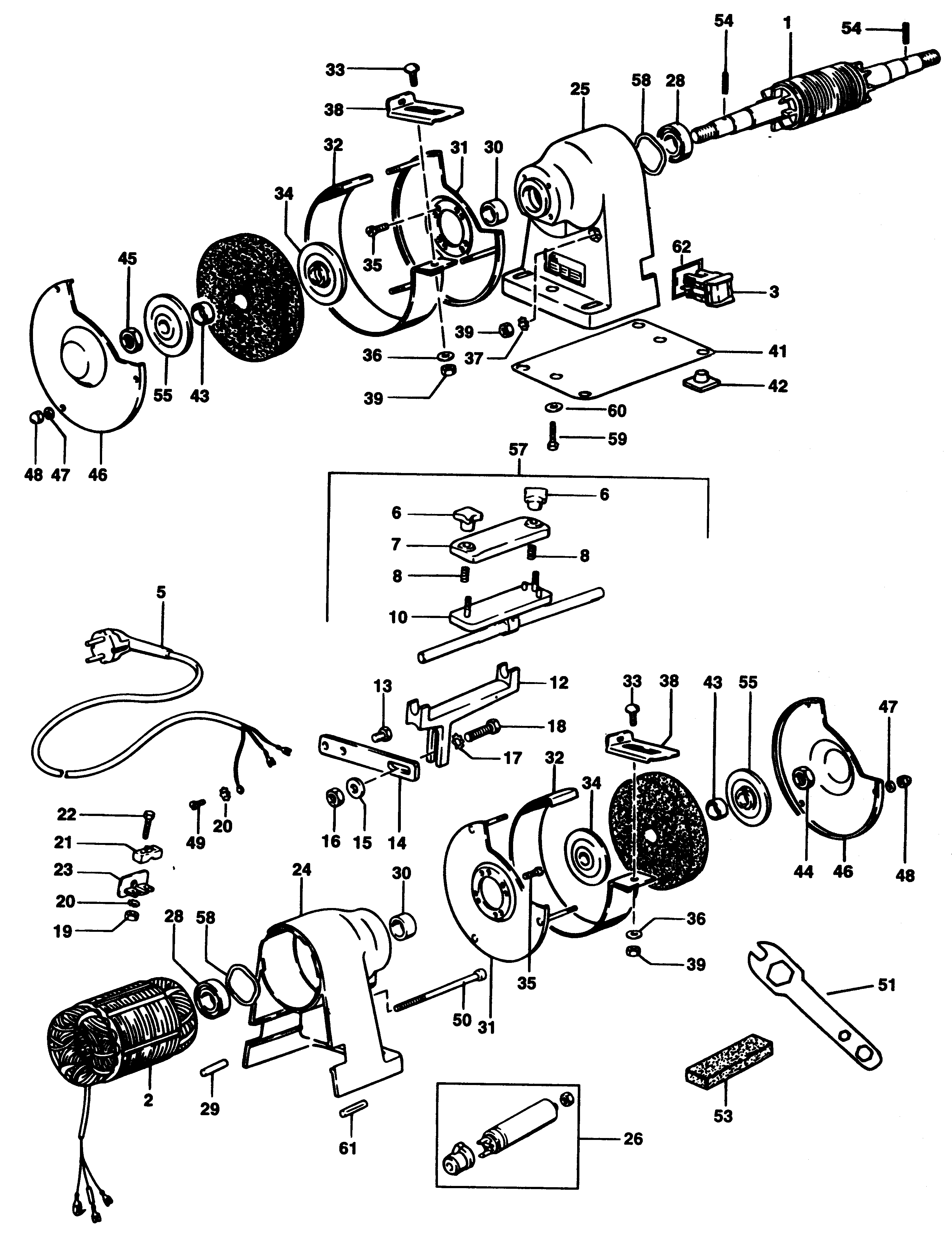
MWA57W BENCH GRINDER Type 1 | Drawings
Documents
| Item No. | Product Number | Qty Per | Product Description | General Description | Other Info | Markets | Product Status |
|---|---|---|---|---|---|---|---|
| 1 | 743412 | 1 | ROTOR | *TYPE 2 | ZA | ![]() |
|
| 1 | 162100200 | 1 | ROTOR | *TYPE 1 | ZA | ![]() |
|
| 2 | 148102102 | 1 | STATOR 220V | *TYPE 1 | ZA | ![]() |
|
| 2 | 743413 | 1 | STATOR | *TYPE 2 | ZA | ![]() |
|
| 3 | 743238 | 1 | SWITCH | ZA | ![]() |
||
| 5 | 000000-00 | 1 | NO LONGER AVAILABLE | ZA | |||
| 6 | 744324 | 2 | KNOB SA | ZA | |||
| 7 | 744271 | 1 | CLAMP | ZA | ![]() |
||
| 8 | 742243 | 2 | SPRING | ZA | ![]() |
||
| 10 | 744232 | 1 | SUPPORT | ZA | ![]() |
||
| 12 | 744230 | 1 | HOLDER | ZA | |||
| 13 | 742253 | 2 | SCREW | ZA | ![]() |
||
| 14 | 744234 | 1 | SUPPORT | ZA | ![]() |
||
| 15 | 742172 | 1 | WASHER | ZA | ![]() |
||
| 16 | 725187 | 1 | NUT | M8 | ZA | ![]() |
|
| 17 | 742046 | 1 | WASHER M8 | ZA | ![]() |
||
| 18 | 860085-19 | 1 | SCREW | ZA | ![]() |
||
| 19 | 725698 | 2 | NUT | ZA | ![]() |
||
| 20 | 725163 | 3 | WASHER | ZA | ![]() |
||
| 21 | 742127 | 1 | CABLE CLAMP | ZA | ![]() |
||
| 22 | 742041 | 2 | SCREW | ZA | ![]() |
||
| 23 | 742125 | 1 | CABLE CLAMP | ZA | |||
| 24 | 742268 | 1 | HOUSING RH | *TYPE 1 | ZA | ![]() |
|
| 24 | 744241-49 | 1 | HOUSING PAIR | *TYPE 2 | ZA | ![]() |
|
| 25 | 742151 | 1 | HOUSING LH | *TYPE 1 | ZA | ![]() |
|
| 25 | 744241-49 | 1 | HOUSING PAIR | *TYPE 2 | ZA | ![]() |
|
| 26 | 743309 | 1 | CAPACITOR | ZA | ![]() |
||
| 28 | 861721-01 | 2 | BEARING | ZA | ![]() |
||
| 29 | 743311 | 2 | PIN | FROM SER no 5702556 | ZA | ![]() |
|
| 29 | 725885 | 1 | ROLLPIN | *TYPE 1 | ZA | ![]() |
|
| 29 | 725885 | 1 | ROLLPIN | UPTO SER No 5702555 | ZA | ![]() |
|
| 30 | 742153 | 2 | BUSH | ZA | |||
| 31 | 057121302 | 2 | PLATE | *TYPE 1 | ZA | ![]() |
|
| 31 | 744236 | 2 | PLATE | *TYPE 2 | ZA | ![]() |
|
| 32 | 744238 | 2 | GUARD | *TYPE 2 | ZA | ||
| 32 | 411123700 | 2 | GUARD | *TYPE 1 | ZA | ![]() |
|
| 33 | 725184 | 2 | SCREW | ZA | ![]() |
||
| 34 | 742298 | 2 | CLAMP | ZA | |||
| 35 | 725196 | 8 | SCREW | ZA | ![]() |
||
| 36 | 880391 | 2 | WASHER | ZA | |||
| 37 | 743415 | 4 | WASHER | 6mm | ZA | ||
| 38 | 744188 | 2 | BRACKET | ZA | |||
| 39 | 725125 | 3 | NUT | ZA | |||
| 41 | 742124-01 | 1 | PLATE | ZA | ![]() |
||
| 42 | 742126 | 4 | MOUNT | ZA | ![]() |
||
| 43 | 742134 | 2 | BUSH | ZA | |||
| 44 | 742887 | 1 | NUT | ZA | ![]() |
||
| 45 | 742140 | 1 | NUT LH | ZA | ![]() |
||
| 46 | 411120200 | 2 | GUARD | *TYPE 1 | ZA | ![]() |
|
| 46 | 744237 | 2 | GUARD | *TYPE 2 | ZA | ||
| 47 | 725269 | 6 | WASHER | ZA | ![]() |
||
| 48 | 146823100 | 6 | LOCK-NUT | ZA | ![]() |
||
| 49 | 725183 | 1 | SCREW | ZA | ![]() |
||
| 50 | 742171 | 1 | SCREW | ZA | ![]() |
||
| 51 | 742511 | 1 | SPANNER | ZA | ![]() |
||
| 53 | 742240 | 1 | STONE | ZA | ![]() |
||
| 54 | 742053 | 2 | PIN | ZA | ![]() |
||
| 55 | 742066 | 2 | CLAMP OUTER | ZA | |||
| 57 | 744253 | 1 | CLAMP KIT SA | ZA | |||
| 58 | 113933000 | 2 | WASHER | ZA | ![]() |
||
| 59 | 726430 | 2 | SCREW | *TYPE 2 | ZA | ![]() |
|
| 60 | 725165 | 2 | WASHER | *TYPE 2 | ZA | ![]() |
|
| 61 | 742168 | 2 | PIN | ZA | ![]() |

