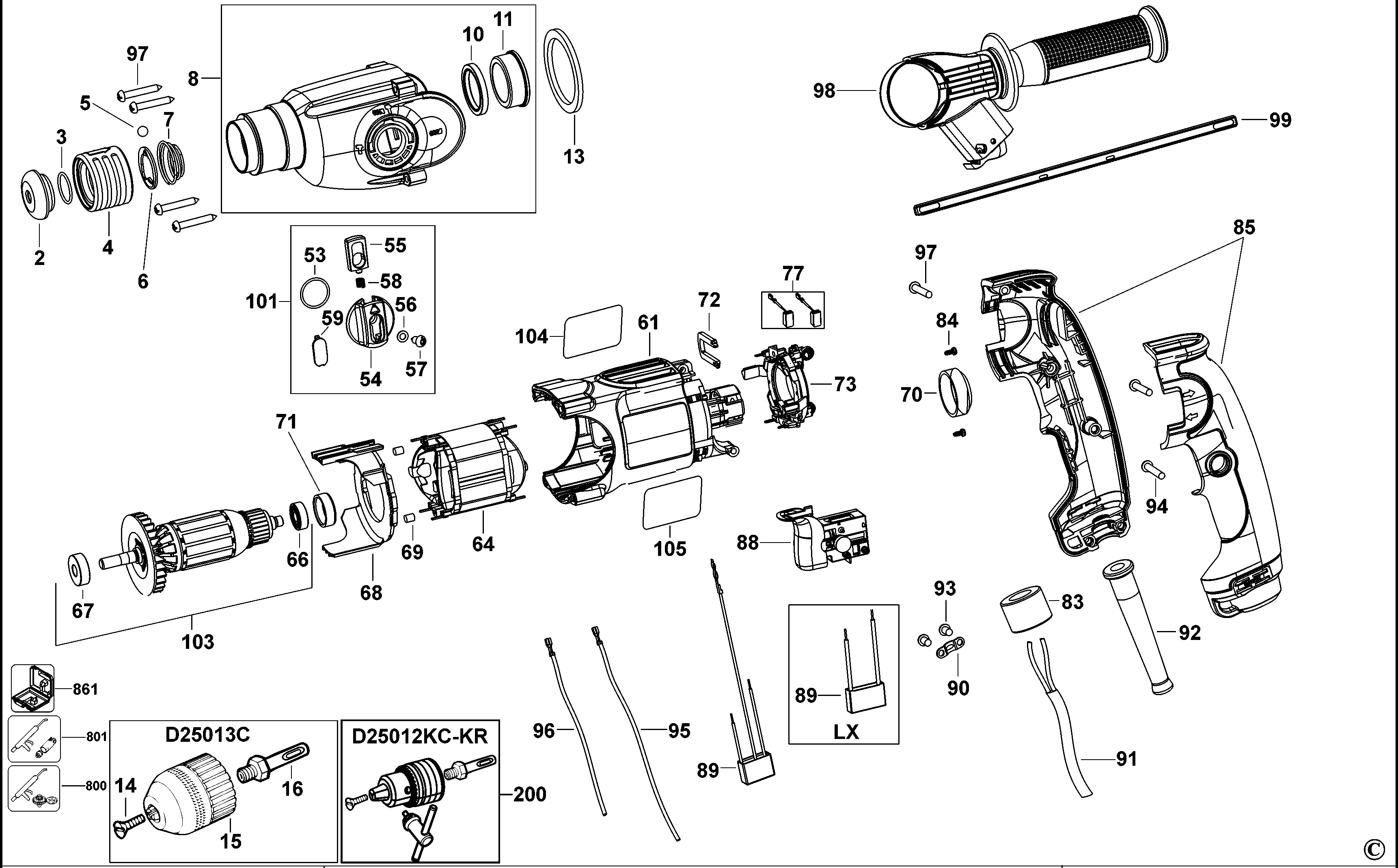
D25012K КОМБИНИРОВАННЫЙ ПЕРФОРАТОР Type 1 | Чертежи
Документы
Пожалуйста, просмотрите ниспадающее меню, так как для некоторых продуктов может быть приведено несколько рисунков
| Item No. | Product Number | Qty Per | Product Description | ДОП. ОПИСАНИЕ | Other Info | Markets | Product Status |
|---|---|---|---|---|---|---|---|
| 2 | 323489-00 | 1 | КОЛПАЧОК | KR | ![]() |
||
| 3 | 579212-00 | 1 | КОЛЬЦО | KR | ![]() |
||
| 4 | 1005813-00 | 1 | ФЛАНЕЦ | KR | ![]() |
||
| 5 | 583890-00 | 1 | ШАРИК | KR | ![]() |
||
| 6 | 578387-00 | 1 | ШАЙБА | KR | ![]() |
||
| 7 | 871690 | 1 | ПРУЖИНА | KR | ![]() |
||
| 8 | N034183 | 1 | КАРТЕР РЕДУКТОРА В СБОРЕ | KR | ![]() |
||
| 10 | N496180 | 1 | УПЛОТНЕНИЕ | KR | ![]() |
||
| 11 | N020023 | 1 | ПОДШИПНИК ШПИНДЕЛЯ | KR | ![]() |
||
| 13 | 589350-00 | 1 | ШАЙБА | KR | ![]() |
||
| 17 | 589350-00 | 1 | ШАЙБА | KR | ![]() |
||
| 18 | 589346-00 | 1 | ПРУЖИНА | KR | ![]() |
||
| 19 | N031765 | 1 | КОЛЬЦО | KR | ![]() |
||
| 20 | N031766 | 1 | ШЕСТЕРНЯ | KR | ![]() |
||
| 21 | 323762-02 | 1 | СТОПОРНОЕ КОЛЬЦО | KR | ![]() |
||
| 22 | 1005809-00 | 1 | УПЛОТНИТЕЛЬНОЕ КОЛЬЦО | KR | ![]() |
||
| 23 | 1005804-00 | 1 | НАПРАВЛЯЮЩАЯ ТРУБА | KR | ![]() |
||
| 24 | N031767 | 1 | БОЁК | KR | ![]() |
||
| 25 | 1005808-00 | 1 | КОЛЬЦО | KR | ![]() |
||
| 26 | 327087-00 | 1 | ШАЙБА | KR | ![]() |
||
| 27 | N294259 | 1 | КОЛЬЦО | >=2014 WK16 | KR | ![]() |
|
| 27 | 323762-07 | 1 | КОЛЬЦО | <2014 WK16 | KR | ![]() |
|
| 28 | 1005837-00 | 1 | КОЛЬЦО | KR | ![]() |
||
| 29 | N031768 | 1 | ПОДШИПНИК | KR | ![]() |
||
| 30 | N399611 | 1 | ВОЙЛОК | KR | ![]() |
||
| 32 | 577168-00 | 1 | УПЛОТНИТЕЛЬНОЕ КОЛЬЦО | KR | ![]() |
||
| 33 | N031769 | 1 | ПОРШЕНЬ | KR | ![]() |
||
| 34 | 1005842-00 | 1 | ШАЙБА | KR | ![]() |
||
| 35 | 1005843-00 | 1 | БОЛТ | KR | |||
| 36 | N407630 | 1 | КОРПУС ПОДШИПНИКА | KR | ![]() |
||
| 37 | 1005810-00 | 1 | УПЛОТНИТЕЛЬНОЕ КОЛЬЦО | KR | ![]() |
||
| 38 | N402884 | 1 | ВНУТРЕННИЙ ВАЛ В СБОРЕ | KR | |||
| 44 | 1005844-00 | 1 | ШАЙБА | KR | ![]() |
||
| 45 | 1005807-00 | 1 | УПЛОТНЕНИЕ | KR | ![]() |
||
| 46 | N031771 | 1 | ФЛАНЕЦ | KR | ![]() |
||
| 47 | N031772 | 1 | ШЕСТЕРНЯ | KR | ![]() |
||
| 48 | 1005812-00 | 1 | ВОЙЛОК | KR | ![]() |
||
| 49 | N445171 | 2 | ВИНТ | KR | ![]() |
||
| 50 | 324006-15 | 3 | ВИНТ | KR | ![]() |
||
| 51 | 1005796-00 | 1 | ВИЛКА ПЕРЕКЛЮЧАТЕЛЯ | KR | ![]() |
||
| 52 | 1005795-00 | 1 | ПРУЖИНА | KR | ![]() |
||
| 53 | 1005821-00 | 1 | УПЛОТНИТЕЛЬНОЕ КОЛЬЦО | KR | ![]() |
||
| 54 | 1005822-00 | 1 | ПЕРЕКЛЮЧАТЕЛЬ | KR | ![]() |
||
| 55 | 1005823-00 | 1 | КНОПКА | KR | ![]() |
||
| 56 | 1005811-00 | 1 | УПЛОТНЕНИЕ | KR | ![]() |
||
| 57 | 330065-05 | 1 | ВИНТ | KR | ![]() |
||
| 58 | 1005824-00 | 1 | ПРУЖИНА | KR | ![]() |
||
| 59 | 1005825-00 | 1 | КОЛПАЧОК | KR | ![]() |
||
| 61 | 1005866-00 | 1 | КОЖУХ ДВИГАТЕЛЯ | KR | ![]() |
||
| 64 | N032579 | 1 | СТАТОР В СБОРЕ 230В | KR | ![]() |
||
| 66 | 1005895-00 | 1 | ПОДШИПНИК | KR | ![]() |
||
| 67 | 330003-60 | 1 | ПОДШИПНИК | KR | ![]() |
||
| 68 | 1005869-00 | 1 | ДЕФЛЕКТОР ВЕНТИЛЯТОРА | KR | ![]() |
||
| 69 | N012971 | 2 | РЕЗИНОВАЯ ПОДУШКА | KR | ![]() |
||
| 70 | 1005856-00 | 1 | КОЛЬЦО | KR | ![]() |
||
| 71 | 1005865-00 | 1 | КРЫШКА ПОДШИПНИКА | KR | ![]() |
||
| 72 | 1005894-00 | 1 | ЗАЖИМ | KR | ![]() |
||
| 73 | N031773 | 1 | ЩЁТКОДЕРЖАТЕЛЬ В СБОРЕ | KR | ![]() |
||
| 77 | N032831 | 1 | ПАРА ЩЁТОК 230В | KR | ![]() |
||
| 83 | 388414-01 | 1 | ВТУЛКА | KR | ![]() |
||
| 84 | 330065-35 | 2 | ВИНТ | KR | ![]() |
||
| 85 | N031775 | 1 | КОРПУС В КОМПЛЕКТЕ | KR | ![]() |
||
| 88 | N031776 | 1 | ВЫКЛЮЧАТЕЛЬ С БЛОКИРОВКОЙ | KR | ![]() |
||
| 89 | 1005873-00 | 1 | CAPACITOR 220V | KR | ![]() |
||
| 90 | 821070 | 1 | ЗАЖИМ ШНУРА ПИТАНИЯ | KR | ![]() |
||
| 91 | N398160 | 1 | КОМПЛЕКТ ПРОВОДОВ | KR | |||
| 92 | 403395-00 | 1 | ЧЕХОЛ ШНУРА ПИТАНИЯ | KR | ![]() |
||
| 93 | 330065-06 | 4 | ВИНТ | KR | ![]() |
||
| 94 | 330065-09 | 2 | ВИНТ | KR | ![]() |
||
| 95 | 1005879-01 | 1 | ПРОВОД КРАСНЫЙ | KR | ![]() |
||
| 96 | 1005879-00 | 1 | ПРОВОД СИНИЙ | KR | ![]() |
||
| 97 | 330065-28 | 5 | ВИНТ | KR | ![]() |
||
| 98 | 1005896-00 | 1 | БОКОВАЯ РУЧКА | KR | ![]() |
||
| 99 | 798846-02 | 1 | ОГРАНИЧИТЕЛЬ ГЛУБИНЫ | KR | ![]() |
||
| 100 | N031512 | 1 | ШПИНДЕЛЬ В СБОРЕ | <2014 WK16 | KR | ||
| 100 | N385791 | 1 | ШПИНДЕЛЬ В СБОРЕ | >=2014 WK16 | KR | ![]() |
|
| 101 | N031515 | 1 | ПЕРЕКЛЮЧАТЕЛЬ В СБОРЕ | KR | ![]() |
||
| 102 | N031513 | 1 | ПЛУНЖЕР В СБОРЕ | KR | ![]() |
||
| 103 | N404429 | 1 | ЯКОРЬ В СБОРЕ | KR | ![]() |
||
| 104 | 1005786-00 | 1 | ТАБЛИЧКА С ТЕХНИЧЕСКИМИ ДАННЫМИ | KR | KR | ||
| 105 | 1005767-00 | 1 | ЯРЛЫК ПРОИЗВОДИТЕЛЯ | KR | ![]() |
||
| 200 | N072258 | 1 | ЗАЖИМНОЙ ПАТРОН И ШПИНДЕЛЬ В СБОРЕ | KR | |||
| 800 | 870889-02 | 1 | КОНСИСТЕНТНАЯ СМАЗКА | KR | ![]() |
||
| 801 | 487130-04 | 1 | КОНСИСТЕНТНАЯ СМАЗКА | GLK FLUID 249 NLGI 000 (10G SERVICE) | KR | ![]() |
|
| 836 | 596005-99 | 1 | СПЕЦИНСТРУМЕНТ CIRCLIP REMOVER | KR | ![]() |
||
| 836 | 596006-99 | 1 | СПЕЦИНСТРУМЕНТ CIRCLIP REMOVER | KR | ![]() |
||
| 836 | 596008-99 | 1 | СПЕЦИНСТРУМЕНТ CIRCLIP INSERTER | KR | |||
| 846 | N032833 | 1 | НАБОР ДЛЯ ТЕХНИЧЕСКОГО ОБСЛУЖИВАНИЯ 230В | KR | ![]() |
||
| 861 | 1005857-00 | 1 | ЯЩИК ДЛЯ ИНСТРУМЕНТА | KR |

