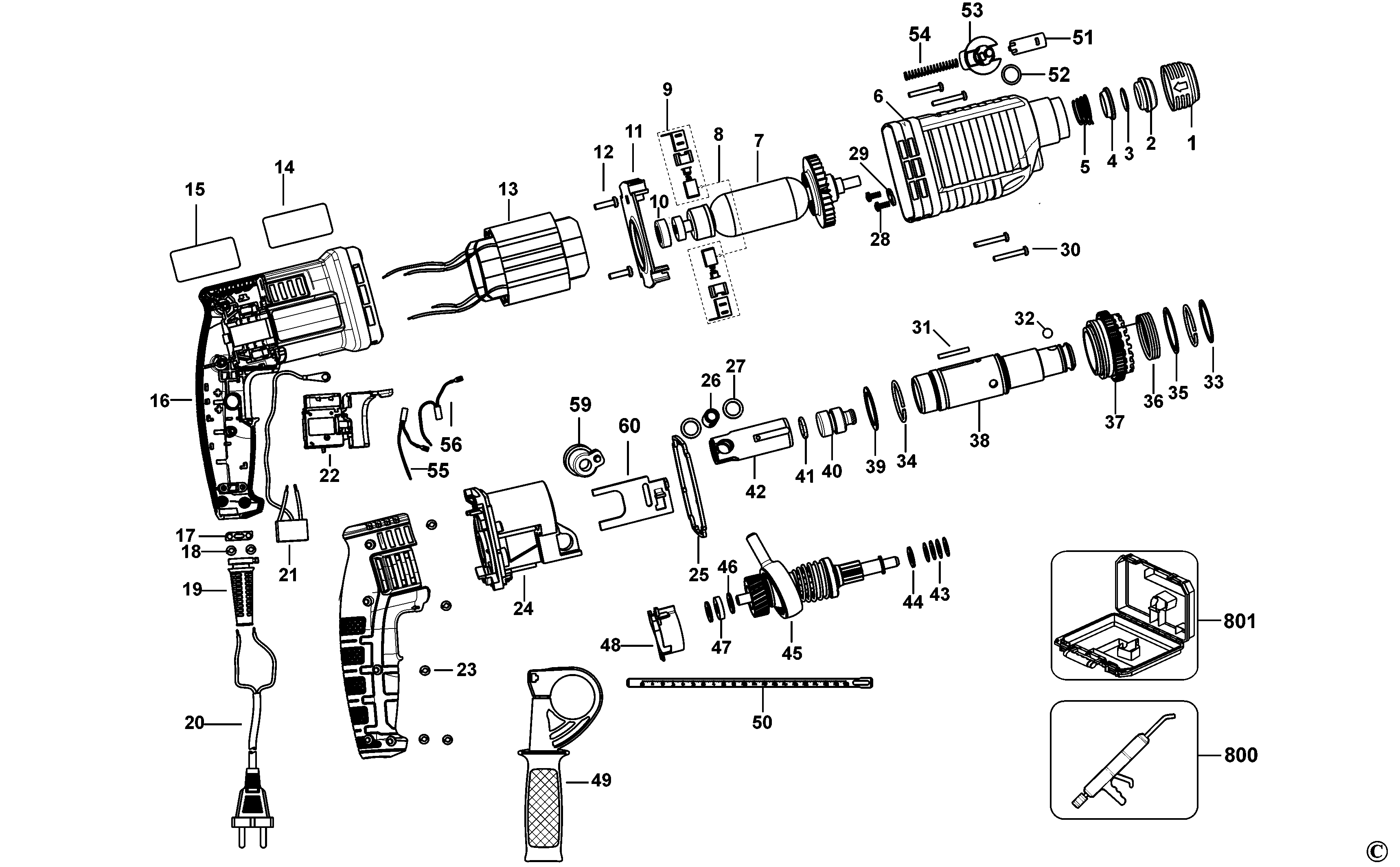
BDEL503 УДАРНАЯ ДРЕЛЬ Type 1 | Чертежи
Документы
Пожалуйста, просмотрите ниспадающее меню, так как для некоторых продуктов может быть приведено несколько рисунков
| Item No. | Product Number | Qty Per | Product Description | ДОП. ОПИСАНИЕ | Other Info | Markets | Product Status |
|---|---|---|---|---|---|---|---|
| 1 | 90524565 | 1 | ФЛАНЕЦ | KS | ![]() |
||
| 2 | 90524563 | 1 | НАКОНЕЧНИК | KS | ![]() |
||
| 3 | 90558298 | 1 | СТОПОРНОЕ КОЛЬЦО | KS | ![]() |
||
| 4 | 90594643 | 1 | ДЕРЖАТЕЛЬ | KS | ![]() |
||
| 5 | 90549908 | 1 | ПРУЖИНА | KS | ![]() |
||
| 6 | 90592418 | 1 | КОРПУС РЕДУКТОРА В СБОРЕ | KS | ![]() |
||
| 7 | 90592489 | 1 | ЯКОРЬ В СБОРЕ | KS | ![]() |
||
| 8 | 90592455 | 1 | ЩЁТКА В СБОРЕ | KS | ![]() |
||
| 9 | 90587066 | 2 | ЩЁТКОДЕРЖАТЕЛЬ В СБОРЕ | KS | ![]() |
||
| 10 | 90549817 | 1 | ВТУЛКА ПОДШИПНИКА | KS | ![]() |
||
| 11 | 90584579 | 1 | ЩИТОК | KS | ![]() |
||
| 12 | 330065-05 | 2 | ВИНТ | KS | ![]() |
||
| 13 | 90592490 | 1 | СТАТОР В СБОРЕ | KS | ![]() |
||
| 15 | 90590891 | 1 | ЯРЛЫК ПРОИЗВОДИТЕЛЯ | KS | ![]() |
||
| 16 | 90592861-01 | 1 | КОЖУХ В СБОРЕ | KS | |||
| 17 | 329301-00 | 1 | ЗАЖИМ ШНУРА ПИТАНИЯ | KS | ![]() |
||
| 18 | 330065-05 | 2 | ВИНТ | KS | ![]() |
||
| 19 | 629648-00 | 1 | ЧЕХОЛ ШНУРА ПИТАНИЯ | KS | ![]() |
||
| 20 | 90578995-40 | 1 | КОМПЛЕКТ ПРОВОДОВ | KS | ![]() |
||
| 21 | 90586987 | 1 | КОНДЕНСАТОР | KS | ![]() |
||
| 22 | 90590899 | 1 | ВЫКЛЮЧАТЕЛЬ | KS | ![]() |
||
| 23 | 330065-07 | 5 | ВИНТ | KS | ![]() |
||
| 24 | 90567050 | 1 | ОПОРНАЯ ПЛИТА | KS | ![]() |
||
| 25 | 90550379 | 1 | ПРОКЛАДКА | KS | ![]() |
||
| 26 | 90549488 | 1 | ШТИФТ | KS | ![]() |
||
| 27 | 90549884 | 2 | ШАЙБА | KS | ![]() |
||
| 28 | 90550523 | 2 | ВИНТ | KS | ![]() |
||
| 29 | 90549588 | 1 | ТОРМОЗ | KS | ![]() |
||
| 30 | 330065-14 | 4 | ВИНТ | M4X30 T20 | KS | ![]() |
|
| 31 | 90550377 | 1 | ШТИФТ | KS | ![]() |
||
| 32 | 90550363 | 1 | ШАРИК СТАЛЬНОЙ | KS | ![]() |
||
| 33 | 90558481 | 1 | ПРОКЛАДКА | KS | ![]() |
||
| 34 | 90558296 | 2 | СТОПОРНОЕ КОЛЬЦО | KS | ![]() |
||
| 35 | 90549885 | 1 | ШАЙБА | KS | ![]() |
||
| 36 | 90550375 | 1 | ПРУЖИНА | KS | ![]() |
||
| 37 | 90567045 | 1 | МУФТА В СБОРЕ | KS | ![]() |
||
| 38 | 90592404 | 1 | ВАЛ | KS | ![]() |
||
| 39 | 90549888 | 1 | ШАЙБА | KS | ![]() |
||
| 40 | 90549635 | 1 | ПЛУНЖЕР | KS | ![]() |
||
| 41 | 90558558 | 1 | УПЛОТНИТЕЛЬНОЕ КОЛЬЦО | KS | ![]() |
||
| 42 | 90549489 | 1 | ЦИЛИНДР | KS | ![]() |
||
| 43 | 90549946 | 4 | ПРУЖИННАЯ ШАЙБА | KS | ![]() |
||
| 44 | 90558300 | 1 | ПРОКЛАДКА | KS | ![]() |
||
| 45 | 90595118 | 1 | ВНУТРЕННИЙ ВАЛ В СБОРЕ | KS | ![]() |
||
| 46 | 90558664 | 2 | ПРОКЛАДКА | KS | ![]() |
||
| 47 | 90550384 | 1 | УПОРНЫЙ ПОДШИПНИК | KS | ![]() |
||
| 48 | 90585594 | 1 | ОТРАЖАТЕЛЬ | KS | ![]() |
||
| 49 | 376556-11 | 1 | РУЧКА В СБОРЕ | KS | ![]() |
||
| 50 | 372814-00 | 1 | ОГРАНИЧИТЕЛЬ ГЛУБИНЫ | KS | ![]() |
||
| 51 | 90584578-01 | 1 | КНОПКА | KS | |||
| 52 | 90558562 | 1 | РЕЗИНОВОЕ УПЛОТНЕНИЕ | KS | ![]() |
||
| 53 | 90584577 | 1 | РУЧКА | KS | ![]() |
||
| 54 | 90550392 | 1 | ПРУЖИНА | KS | ![]() |
||
| 55 | 90587067 | 1 | ВЫВОД ДРОССЕЛЯ В СБОРЕ | KS | ![]() |
||
| 56 | 90587068 | 1 | ВЫВОД ДРОССЕЛЯ В СБОРЕ | KS | ![]() |
||
| 59 | 90549812 | 1 | РУЧКА | KS | ![]() |
||
| 60 | 90549820 | 1 | ПЕРЕКЛЮЧАТЕЛЬ | KS | ![]() |
||
| 800 | 870889-02 | 1 | КОНСИСТЕНТНАЯ СМАЗКА | KS | ![]() |
||
| 801 | 90584590-01 | 1 | ЯЩИК ДЛЯ ИНСТРУМЕНТА | KS | ![]() |

