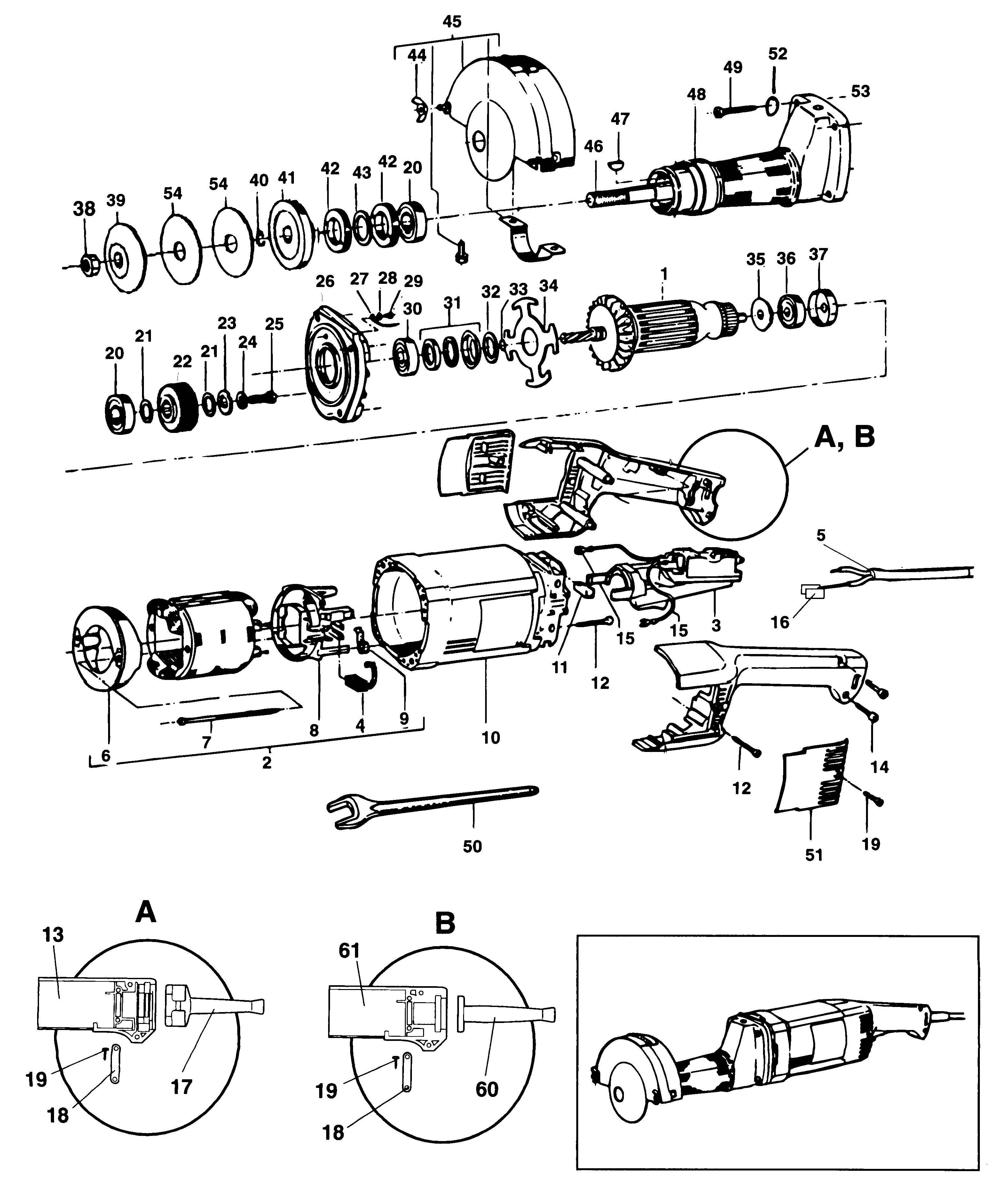
4279 ПЛОСКИЙ ШЛИФОВАЛЬНЫЙ СТАНОК Type 1 | Чертежи
Документы
Пожалуйста, просмотрите ниспадающее меню, так как для некоторых продуктов может быть приведено несколько рисунков
| Item No. | Product Number | Qty Per | Product Description | ДОП. ОПИСАНИЕ | Other Info | Markets | Product Status |
|---|---|---|---|---|---|---|---|
| 1 | 868430-02 | 1 | ЯКОРЬ 230В | KR | |||
| 1 | 868430-01 | 1 | ARMATURE 115V | CA-MX (4279 ONLY) | KR | ![]() |
|
| 1 | 868430-01 | 1 | ARMATURE 115V | MX-PA-VE-BR 115V | KR | ![]() |
|
| 1 | 868430-01 | 1 | ARMATURE 115V | GB 115V | KR | ![]() |
|
| 1 | 868430-01 | 1 | ARMATURE 115V | SG 115V | KR | ![]() |
|
| 2 | 940483-49 | 1 | СТАТОР 230В | KR | |||
| 2 | 868531-00 | 1 | FIELD 115V | CA-MX (4279 ONLY) | KR | ||
| 2 | 868531-00 | 1 | FIELD 115V | GB 115V | KR | ||
| 2 | 868531-00 | 1 | FIELD 115V | MX-PA-VE-BR 115V | KR | ||
| 2 | 868531-00 | 1 | FIELD 115V | SG 115V | KR | ||
| 2 | 868531-02 | 1 | СТАТОР 230В | AU-NZ (4279 ONLY) | KR | ||
| 2 | 868531-02 | 1 | СТАТОР 230В | GB 240V | KR | ||
| 3 | 949825-06 | 1 | ВЫКЛЮЧАТЕЛЬ | MX-PA-VE-BR 115V | KR | ||
| 3 | 949825-06 | 1 | ВЫКЛЮЧАТЕЛЬ | GB 115V | KR | ||
| 3 | 949825-06 | 1 | ВЫКЛЮЧАТЕЛЬ | SG 115V | KR | ||
| 3 | 949825-09 | 1 | ВЫКЛЮЧАТЕЛЬ | AU-NZ (4279 ONLY) | KR | ||
| 3 | 949825-07 | 1 | ВЫКЛЮЧАТЕЛЬ С БЛОКИРОВКОЙ | CA-MX (4279 ONLY) | KR | ![]() |
|
| 3 | 949825-04 | 1 | ВЫКЛЮЧАТЕЛЬ С БЛОКИРОВКОЙ | KR | ![]() |
||
| 3 | 949825-04 | 1 | ВЫКЛЮЧАТЕЛЬ С БЛОКИРОВКОЙ | GB 240V | KR | ![]() |
|
| 4 | 940160-00 | 2 | ЩЁТКА С ОТСТРЕЛОМ | CUT-OFF | CA-MX (4279 ONLY) | KR | ![]() |
| 4 | 940160-00 | 2 | ЩЁТКА С ОТСТРЕЛОМ | CUT-OFF | MX-PA-VE-BR 115V | KR | ![]() |
| 4 | 940160-00 | 2 | ЩЁТКА С ОТСТРЕЛОМ | CUT-OFF | GB 115V | KR | ![]() |
| 4 | 940160-00 | 2 | ЩЁТКА С ОТСТРЕЛОМ | CUT-OFF | SG 115V | KR | ![]() |
| 4 | 940160-01 | 2 | ЩЁТКА С ОТСТРЕЛОМ | 230V | KR | ![]() |
|
| 4 | 940160-01 | 2 | ЩЁТКА С ОТСТРЕЛОМ | 230V | AU-NZ (4279 ONLY) | KR | ![]() |
| 4 | 940160-01 | 2 | ЩЁТКА С ОТСТРЕЛОМ | 230V | GB 240V | KR | ![]() |
| 5 | 949770-14 | 1 | КАБЕЛЬ И ШТЕПСЕЛЬНАЯ ВИЛКА | GB 240V | KR | ||
| 5 | 949770-30 | 1 | КАБЕЛЬ И ШТЕПСЕЛЬНАЯ ВИЛКА | GB 115V | KR | ||
| 5 | 941279 | 1 | КАБЕЛЬ | MX-PA-VE-BR 115V | KR | ||
| 5 | 941279 | 1 | КАБЕЛЬ | KR | |||
| 5 | 941279 | 1 | КАБЕЛЬ | SG 115V | KR | ||
| 6 | 931073-00 | 1 | ОТРАЖАТЕЛЬ | KR | |||
| 7 | N412453 | 2 | ВИНТ | KR | ![]() |
||
| 8 | 935746 | 1 | КОЛЬЦЕВАЯ ЩЁТОЧНАЯ ТРАВЕРСА В СБОРЕ | CA-MX (4279 ONLY) | KR | ![]() |
|
| 8 | 935746 | 1 | КОЛЬЦЕВАЯ ЩЁТОЧНАЯ ТРАВЕРСА В СБОРЕ | MX-PA-VE-BR 115V | KR | ![]() |
|
| 8 | 935746 | 1 | КОЛЬЦЕВАЯ ЩЁТОЧНАЯ ТРАВЕРСА В СБОРЕ | GB 115V | KR | ![]() |
|
| 8 | 935746 | 1 | КОЛЬЦЕВАЯ ЩЁТОЧНАЯ ТРАВЕРСА В СБОРЕ | SG 115V | KR | ![]() |
|
| 8 | 935746 | 1 | КОЛЬЦЕВАЯ ЩЁТОЧНАЯ ТРАВЕРСА В СБОРЕ | CA-MX (4279 ONLY) | KR | ![]() |
|
| 8 | 935746 | 1 | КОЛЬЦЕВАЯ ЩЁТОЧНАЯ ТРАВЕРСА В СБОРЕ | MX-PA-VE-BR 115V | KR | ![]() |
|
| 8 | 935746 | 1 | КОЛЬЦЕВАЯ ЩЁТОЧНАЯ ТРАВЕРСА В СБОРЕ | GB 115V | KR | ![]() |
|
| 8 | 935746 | 1 | КОЛЬЦЕВАЯ ЩЁТОЧНАЯ ТРАВЕРСА В СБОРЕ | SG 115V | KR | ![]() |
|
| 8 | D935745 | 1 | КОЛЬЦЕВАЯ ЩЁТОЧНАЯ ТРАВЕРСА В СБОРЕ | KR | |||
| 8 | D935745 | 1 | КОЛЬЦЕВАЯ ЩЁТОЧНАЯ ТРАВЕРСА В СБОРЕ | AU-NZ (4279 ONLY) | KR | ||
| 8 | D935745 | 1 | КОЛЬЦЕВАЯ ЩЁТОЧНАЯ ТРАВЕРСА В СБОРЕ | GB 240V | KR | ||
| 9 | 931076-00 | 2 | ПРУЖИНА | KR | ![]() |
||
| 10 | 948134-09 | 1 | КОРПУС СТАТОРА В СБОРЕ | KR | |||
| 11 | 930934-00 | 4 | АМОРТИЗАТОР | KR | ![]() |
||
| 12 | 931297-00 | 4 | ВИНТ | KR | ![]() |
||
| 14 | 930284-01 | 2 | ВИНТ | KR | |||
| 15 | 949801-47 | 2 | ПРОВОД В СБОРЕ | SG 115V | KR | ||
| 15 | 949801-47 | 2 | ПРОВОД В СБОРЕ | KR | |||
| 15 | 949801-47 | 2 | ПРОВОД В СБОРЕ | AU-NZ (4279 ONLY) | KR | ||
| 15 | 949801-47 | 2 | ПРОВОД В СБОРЕ | GB 240V | KR | ||
| 15 | 949801-47 | 2 | ПРОВОД В СБОРЕ | MX-PA-VE-BR 115V | KR | ||
| 15 | 949801-47 | 2 | ПРОВОД В СБОРЕ | GB 115V | KR | ||
| 16 | 940153 | 1 | КЛЕММА | KR | |||
| 17 | 937325-00 | 1 | ЧЕХОЛ ШНУРА ПИТАНИЯ | AU-NZ (4279 ONLY) | KR | ![]() |
|
| 17 | 937325-00 | 1 | ЧЕХОЛ ШНУРА ПИТАНИЯ | GB 240V | KR | ![]() |
|
| 17 | 937325-00 | 1 | ЧЕХОЛ ШНУРА ПИТАНИЯ | MX-PA-VE-BR 115V | KR | ![]() |
|
| 17 | 937325-00 | 1 | ЧЕХОЛ ШНУРА ПИТАНИЯ | GB 115V | KR | ![]() |
|
| 17 | 937325-00 | 1 | ЧЕХОЛ ШНУРА ПИТАНИЯ | SG 115V | KR | ![]() |
|
| 17 | 937325-00 | 1 | ЧЕХОЛ ШНУРА ПИТАНИЯ | KR | ![]() |
||
| 17 | 930981-00 | 1 | ЧЕХОЛ ШНУРА ПИТАНИЯ | CA-MX (4279 ONLY) | KR | ![]() |
|
| 18 | 931477-00 | 1 | ЗАЖИМ ШНУРА ПИТАНИЯ | KR | ![]() |
||
| 19 | 931469-02 | 4 | ВИНТ | KR | |||
| 20 | 930566 | 2 | ПОДШИПНИК | KR | ![]() |
||
| 21 | 930594-00 | 2 | ШАЙБА | KR | ![]() |
||
| 22 | 937986-00 | 1 | ШЕСТЕРНЯ | KR | ![]() |
||
| 23 | 12952-00 | 1 | ШАЙБА | KR | |||
| 24 | 930834-00 | 1 | ШАЙБА | KR | ![]() |
||
| 25 | 860085-09 | 1 | ВИНТ, ВРЕМ. | KR | ![]() |
||
| 27 | 939484-00 | 1 | ПРОВОД | CA-MX (4279 ONLY) | KR | ![]() |
|
| 27 | 941292 | 1 | ПРОВОД | KR | |||
| 27 | 941292 | 1 | ПРОВОД | AU-NZ (4279 ONLY) | KR | ||
| 27 | 941292 | 1 | ПРОВОД | GB 240V | KR | ||
| 27 | 941292 | 1 | ПРОВОД | MX-PA-VE-BR 115V | KR | ||
| 27 | 941292 | 1 | ПРОВОД | GB 115V | KR | ||
| 27 | 941292 | 1 | ПРОВОД | SG 115V | KR | ||
| 28 | 931798-00 | 1 | ШАЙБА | KR | ![]() |
||
| 29 | 931797-00 | 1 | ВИНТ | KR | |||
| 30 | 330003-14 | 1 | ПОДШИПНИК | KR | ![]() |
||
| 31 | 931067-00 | 1 | УПЛОТНЕНИЕ В СБОРЕ | KR | ![]() |
||
| 32 | 931062 | 1 | ПРОСТАВКА | KR | |||
| 33 | 930028-00 | 1 | УПЛОТНИТЕЛЬНОЕ КОЛЬЦО | KR | |||
| 34 | 931066-00 | 1 | ФЛАНЕЦ | KR | |||
| 35 | N174055 | 1 | ПРОСТАВКА | KR | ![]() |
||
| 36 | 577745-00 | 1 | ПОДШИПНИК | KR | ![]() |
||
| 37 | 938332-00 | 1 | ВТУЛКА | KR | ![]() |
||
| 38 | 8535-01 | 1 | ГАЙКА | KR | |||
| 39 | 939547-00 | 1 | ФЛАНЕЦ | KR | |||
| 40 | 8899-00 | 1 | СТОПОРНОЕ КОЛЬЦО | KR | |||
| 41 | 939519-00 | 1 | ФЛАНЕЦ | KR | |||
| 42 | 14980-00 | 2 | СТОПОРНОЕ КОЛЬЦО | KR | |||
| 43 | 930614 | 1 | ПРОСТАВКА | KR | ![]() |
||
| 44 | 444299-00 | 2 | БАРАШКОВАЯ ГАЙКА | KR | |||
| 45 | 400731-01 | 1 | ЗАЩИТНЫЙ КОЖУХ В СБОРЕ | KR | |||
| 46 | 937982-01 | 1 | ШПИНДЕЛЬ | KR | ![]() |
||
| 47 | 940441-00 | 1 | КЛЮЧ | KR | ![]() |
||
| 48 | 948122-03 | 1 | ОТЛИВКА В СБОРЕ | KR | |||
| 49 | 940267-00 | 4 | ВИНТ | KR | |||
| 50 | 939948-00 | 1 | ГАЕЧНЫЙ КЛЮЧ | KR | |||
| 51 | 933364-02 | 2 | КРЫШКА | AU-NZ (4279 ONLY) | KR | ![]() |
|
| 51 | 933364-02 | 2 | КРЫШКА | GB 240V | KR | ![]() |
|
| 51 | 933364-02 | 2 | КРЫШКА | MX-PA-VE-BR 115V | KR | ![]() |
|
| 51 | 933364-02 | 2 | КРЫШКА | GB 115V | KR | ![]() |
|
| 51 | 933364-02 | 2 | КРЫШКА | SG 115V | KR | ![]() |
|
| 51 | 933364-02 | 2 | КРЫШКА | KR | ![]() |
||
| 51 | 933364-04 | 2 | КРЫШКА | CA-MX (4279 ONLY) | KR | ||
| 52 | 930248-00 | 4 | ШАЙБА | KR | ![]() |
||
| 53 | 940443-00 | 1 | ПРОКЛАДКА | KR | ![]() |
||
| 54 | 939488-00 | 2 | АМОРТИЗАТОР | KR | |||
| 60 | 947964-00 | 1 | ЧЕХОЛ ШНУРА ПИТАНИЯ | KR | |||
| 60 | 947964-00 | 1 | ЧЕХОЛ ШНУРА ПИТАНИЯ | AU-NZ (4279 ONLY) | KR | ||
| 60 | 947964-00 | 1 | ЧЕХОЛ ШНУРА ПИТАНИЯ | GB 240V | KR | ||
| 60 | 947964-00 | 1 | ЧЕХОЛ ШНУРА ПИТАНИЯ | MX-PA-VE-BR 115V | KR | ||
| 60 | 947964-00 | 1 | ЧЕХОЛ ШНУРА ПИТАНИЯ | GB 115V | KR | ||
| 60 | 947964-00 | 1 | ЧЕХОЛ ШНУРА ПИТАНИЯ | SG 115V | KR | ||
| 60 | 947964-01 | 1 | ЧЕХОЛ ШНУРА ПИТАНИЯ | CA-MX (4279 ONLY) | KR | ![]() |
|
| 61 | 401057-00 | 1 | РУЧКА В СБОРЕ | KR |

