DW159 MAG DRILL PRESS Type 1 | Drawings
Documents

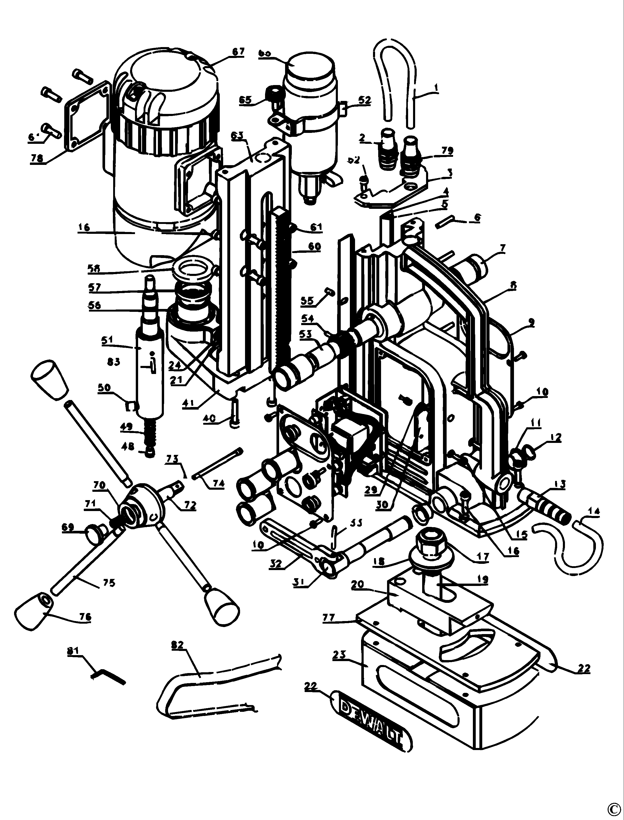
Item No. | Product Number | Qty Per | Product Description | General Description | Other Info | Markets | Product Status |
---|---|---|---|---|---|---|---|
1 | 5140001-36 | 1 | CABLE | B5 | ![]() |
||
2 | 5140000-40 | 2 | GUIDE | B5 | ![]() |
||
3 | 5140000-41 | 1 | PLATE | B5 | ![]() |
||
4 | 5140000-42 | 2 | STRIP | B5 | ![]() |
||
5 | 5140000-43 | 1 | GUIDE | B5 | ![]() |
||
6 | 5140000-44 | 2 | GRUB SCREW | B5 | ![]() |
||
7 | 5140000-45 | 2 | PINION | B5 | ![]() |
||
8 | 5140000-46 | 1 | BODY | B5 | ![]() |
||
9 | 5140000-47 | 1 | NAMEPLATE | B5 | ![]() |
||
10 | 5140001-50 | 8 | SCREW | B5 | ![]() |
||
11 | 5140000-48 | 2 | BUSHING | B5 | ![]() |
||
12 | 5140000-49 | 1 | CIRCLIP | B5 | ![]() |
||
13 | 5140001-18 | 1 | CORD PROTECTOR | B5 | ![]() |
||
14 | 5140000-50 | 1 | CABLE | B5 | |||
15 | 5140000-51 | 2 | SCREW | M4 X 16 | B5 | ![]() |
|
16 | 5140001-49 | 9 | SCREW | B5 | ![]() |
||
17 | 5140000-52 | 1 | LOCK NUT | B5 | ![]() |
||
18 | 5140000-53 | 1 | WASHER | B5 | ![]() |
||
19 | 5140000-54 | 1 | ROD | B5 | ![]() |
||
20 | 5140000-55 | 1 | PIVOT BLOCK | B5 | ![]() |
||
21 | 5140001-65 | 1 | TUBE | B5 | ![]() |
||
22 | 5140001-60 | 2 | LABEL | B5 | ![]() |
||
23 | 5140000-56 | 1 | MAGNET | B5 | ![]() |
||
24 | 5140001-20 | 1 | CONNECTOR | B5 | ![]() |
||
28 | 5140001-39 | 1 | PCB | B5 | ![]() |
||
29 | 5140000-57 | 1 | GROMMET | B5 | ![]() |
||
30 | 5140000-58 | 1 | PLATE | B5 | ![]() |
||
31 | 5140000-59 | 1 | PINION | B5 | ![]() |
||
32 | 5140000-60 | 1 | LEVER | LOCKING | B5 | ![]() |
|
33 | 5140000-61 | 1 | PIN | B5 | ![]() |
||
36 | 5140001-37 | 1 | SWITCH | B5 | ![]() |
||
37 | 5140000-62 | 1 | SWITCH | B5 | ![]() |
||
38 | 5140000-63 | 1 | SWITCH | B5 | ![]() |
||
40 | 5140000-64 | 2 | SCREW | B5 | ![]() |
||
41 | 5140000-65 | 1 | BUTTON | B5 | ![]() |
||
42 | 5140001-55 | 3 | NUT | B5 | ![]() |
||
43 | 5140001-56 | 3 | WASHER | B5 | ![]() |
||
47 | 5140001-54 | 2 | SCREW | B5 | ![]() |
||
48 | 5140000-66 | 1 | PLUG | B5 | ![]() |
||
49 | 5140000-67 | 1 | SPRING | B5 | ![]() |
||
50 | 5140000-68 | 2 | GRUB SCREW | B5 | ![]() |
||
51 | 5140000-69 | 1 | ARBOR | B5 | ![]() |
||
52 | 5140001-33 | 1 | RETAINER | B5 | ![]() |
||
53 | 5140000-70 | 1 | SHAFT | B5 | ![]() |
||
54 | 5140001-64 | 2 | PIN | B5 | ![]() |
||
55 | 5140001-53 | 2 | GRUB SCREW | B5 | ![]() |
||
56 | 5140000-71 | 1 | BUSH | B5 | ![]() |
||
57 | 5140000-72 | 1 | SEAL | B5 | ![]() |
||
58 | 5140000-73 | 1 | SEAL | B5 | ![]() |
||
60 | 5140000-74 | 1 | RACK | B5 | ![]() |
||
61 | 5140001-62 | 8 | SCREW | B5 | ![]() |
||
62 | 5140000-75 | 2 | SCREW | B5 | ![]() |
||
63 | 5140000-76 | 1 | SLIDE | B5 | ![]() |
||
65 | 5140001-06 | 1 | THUMBSCREW | B5 | ![]() |
||
66 | 5140001-31 | 1 | CUP | B5 | ![]() |
||
67 | 55195-37 | 1 | MOTOR SA | B5 | ![]() |
||
69 | 5140001-16 | 1 | BUTTON | B5 | ![]() |
||
70 | 5140001-63 | 1 | LABEL | B5 | ![]() |
||
71 | 5140001-17 | 1 | SPRING | B5 | ![]() |
||
72 | 5140001-13 | 1 | HOUSING | B5 | ![]() |
||
73 | 5140001-12 | 1 | BEARING | B5 | |||
74 | 5140001-15 | 1 | ROD | B5 | ![]() |
||
75 | 5140001-30 | 3 | HANDLE | B5 | |||
76 | 5140001-29 | 3 | KNOB | B5 | |||
77 | 5140000-78 | 1 | PLATE | B5 | ![]() |
||
78 | 5140000-79 | 1 | PLATE | B5 | ![]() |
||
79 | 5140001-35 | 1 | CABLE CLAMP | B5 | ![]() |
||
80 | 5140001-74 | 1 | PANEL | B5 | ![]() |
||
81 | 574541-00 | 1 | HEX KEY 2.5 MM | B5 | ![]() |
||
81 | 497570-02 | 1 | KEY | 4mm | B5 | ![]() |
|
81 | 429908-22 | 1 | WRENCH | B5 | ![]() |
||
81 | 604407-02 | 1 | WRENCH | B5 | ![]() |
||
82 | 5140001-58 | 1 | STRAP | B5 | ![]() |
||
83 | 5140006-27 | 1 | PINION | B5 | ![]() |