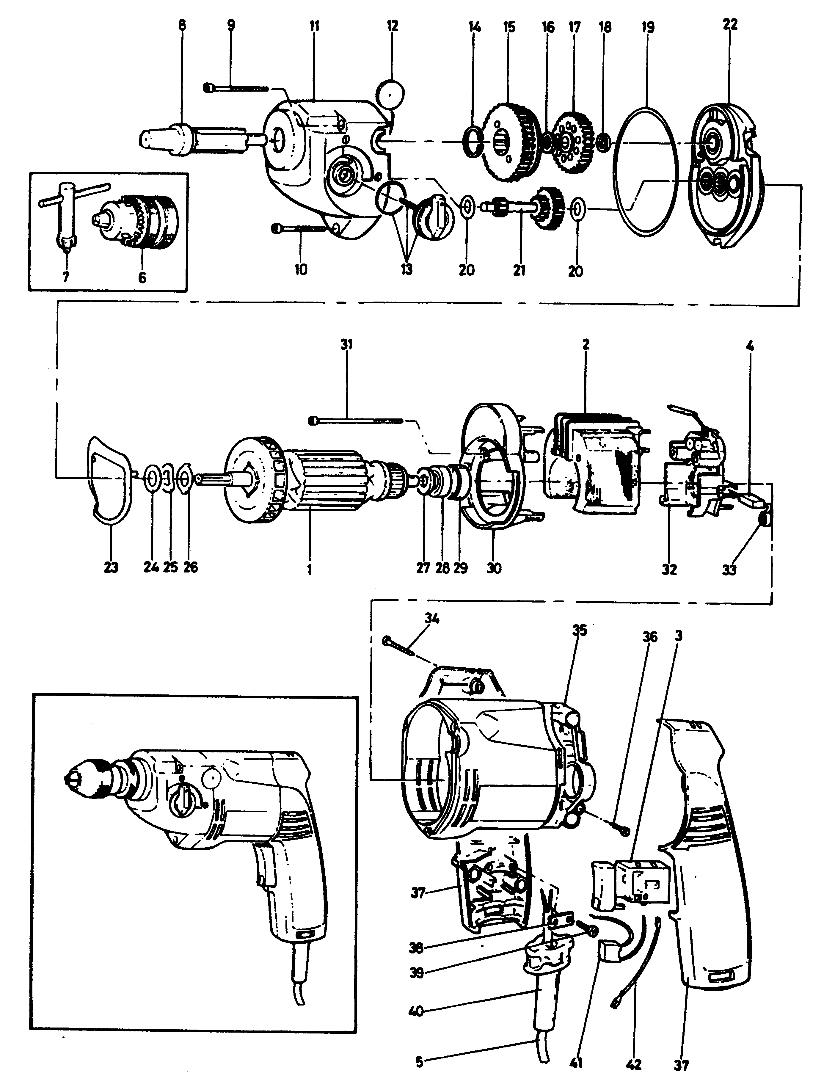
P1243 DRILL Type 1 | Drawings
Documents
| Item No. | Product Number | Qty Per | Product Description | General Description | Other Info | Markets | Product Status |
|---|---|---|---|---|---|---|---|
| 1 | 936395 | 1 | ARMATURE | GB 240V | IL | ![]() |
|
| 1 | 936395 | 1 | ARMATURE | IL | ![]() |
||
| 1 | 936825 | 1 | ARMATURE | CO-MX-PA-VE 115V | IL | ![]() |
|
| 1 | 936825 | 1 | ARMATURE | GB 115V | IL | ![]() |
|
| 2 | 932153 | 1 | FIELD | CO-MX-PA-VE 115V | IL | ![]() |
|
| 2 | 932153 | 1 | FIELD | GB 115V | IL | ![]() |
|
| 2 | 931389 | 1 | FIELD | GB 240V | IL | ![]() |
|
| 2 | 931388 | 1 | FIELD | IL | ![]() |
||
| 3 | 931257 | 1 | SWITCH | IL | ![]() |
||
| 4 | 932047 | 2 | BRUSH | CO-MX-PA-VE 115V | IL | ![]() |
|
| 4 | 932047 | 2 | BRUSH | GB 115V | IL | ![]() |
|
| 4 | 931235-00 | 2 | BRUSH 230V | GB 240V | IL | ![]() |
|
| 4 | 931235-00 | 2 | BRUSH 230V | IL | ![]() |
||
| 5 | 949843-02 | 1 | CABLE | IL | ![]() |
||
| 5 | 935146 | 1 | CABLE | GB 115V | IL | ||
| 6 | 930628 | 1 | CHUCK | IL | ![]() |
||
| 7 | 330034-07 | 1 | CHUCK KEY | IL | ![]() |
||
| 8 | 931400 | 1 | CHUCK & SPINDLE | IL | ![]() |
||
| 9 | 931298 | 2 | SCREW | IL | ![]() |
||
| 10 | 931297-00 | 1 | SCREW | IL | ![]() |
||
| 11 | 935691 | 1 | GEARCASE SA | IL | ![]() |
||
| 13 | 931807-00 | 1 | SELECTOR | IL | ![]() |
||
| 14 | 930098-00 | 1 | RETAINER | IL | ![]() |
||
| 15 | 931802 | 1 | GEAR | IL | ![]() |
||
| 16 | 931892-00 | 1 | WASHER | IL | ![]() |
||
| 17 | 931803 | 1 | GEAR SA | IL | ![]() |
||
| 18 | 931395 | 1 | SPACER | IL | ![]() |
||
| 19 | 931286 | 1 | SEAL | IL | ![]() |
||
| 20 | 930102-00 | 2 | WASHER | IL | ![]() |
||
| 21 | 936822 | 1 | GEAR & PINION | IL | ![]() |
||
| 22 | 935689 | 1 | GEARCASE COVER | IL | ![]() |
||
| 23 | 935678 | 1 | SPRING | IL | ![]() |
||
| 24 | 931250 | 1 | WASHER | IL | ![]() |
||
| 25 | 931249 | 1 | WASHER | IL | ![]() |
||
| 26 | 934951 | 1 | WASHER SPECIAL | IL | ![]() |
||
| 27 | 931245 | 1 | SPACER | IL | ![]() |
||
| 28 | 330003-02 | 1 | BEARING | IL | ![]() |
||
| 29 | 930275-00 | 1 | SLEEVE | IL | ![]() |
||
| 30 | 931202 | 1 | BAFFLE | IL | |||
| 31 | 933541 | 2 | SCREW | IL | ![]() |
||
| 32 | 931232-00 | 1 | PLATE | GB 240V | IL | ||
| 32 | 931232-00 | 1 | PLATE | IL | |||
| 32 | 931232-01 | 1 | PLATE | CO-MX-PA-VE 115V | IL | ||
| 32 | 931232-01 | 1 | PLATE | GB 115V | IL | ||
| 33 | 931221-00 | 2 | SPRING | IL | ![]() |
||
| 34 | 930079-01 | 4 | SCREW | IL | ![]() |
||
| 35 | 933945 | 1 | FIELDCASE | IL | ![]() |
||
| 36 | 931254-00 | 1 | SCREW | IL | ![]() |
||
| 37 | 933243 | 1 | HANDLE SA | IL | ![]() |
||
| 38 | 930103-00 | 1 | CORD CLAMP | IL | ![]() |
||
| 39 | 930276 | 2 | SCREW | IL | ![]() |
||
| 40 | 938498 | 1 | CORD PROTECTOR | CO-MX-PA-VE 115V | IL | ![]() |
|
| 40 | 732456 | 1 | CORD PROTECTOR | GB 240V | IL | ![]() |
|
| 40 | 732456 | 1 | CORD PROTECTOR | GB 115V | IL | ![]() |
|
| 40 | 732456 | 1 | CORD PROTECTOR | IL | ![]() |
||
| 41 | 932491 | 1 | CAPACITOR | IL | ![]() |
||
| 42 | 931302 | 2 | LEAD | IL | ![]() |

