DW203 DRILL Type 1 | Drawings
Documents
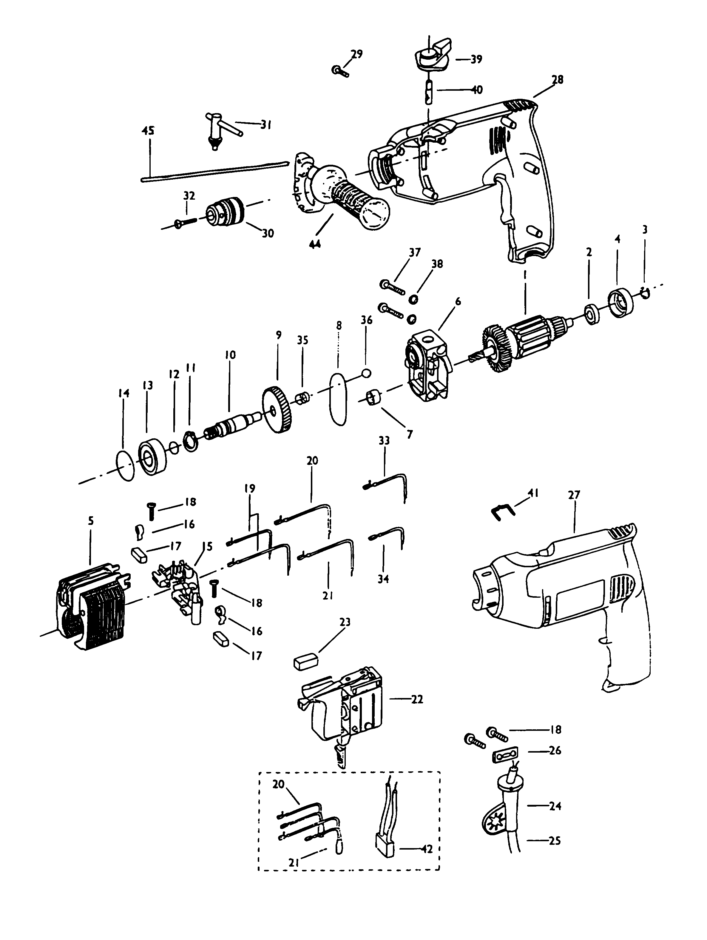
| Item No. | Product Number | Qty Per | Product Description | General Description | Other Info | Markets | Product Status |
|---|---|---|---|---|---|---|---|
| 1 | 561506-00 | 1 | ARMATURE | CH | |||
| 2 | 330003-02 | 1 | BEARING | CH | |||
| 3 | 939624-00 | 1 | RING | CH | |||
| 4 | 930029-00 | 1 | HOLDER BEARING | CH | |||
| 5 | 939818-00 | 1 | FIELD | CH | |||
| 6 | 946663-00 | 1 | BLOCK SA | CH | |||
| 7 | 330004-18 | 1 | BEARING | CH | |||
| 8 | 932426-00 | 1 | O RING | CH | |||
| 9 | 946559-00 | 1 | GEAR | CH | |||
| 10 | 946656-01 | 1 | SHAFT SA | CH | |||
| 11 | 930098-00 | 1 | RETAINER | CH | |||
| 12 | 930028-00 | 1 | O RING | CH | |||
| 13 | 605040-25 | 1 | BEARING,BALL | CH | |||
| 14 | 938133-00 | 1 | O RING | CH | |||
| 15 | 562162-00 | 1 | BRUSH HOLDER | CH | |||
| 16 | 931221-00 | 2 | SPRING | CH | |||
| 17 | 931235-00 | 2 | BRUSH 230V | BK04 | CH | ||
| 18 | 562097-05 | 4 | SCREW | CH | |||
| 19 | 949801-64 | 2 | LEAD SA | CH | |||
| 20 | 949801-61 | 1 | LEAD SA | CH | |||
| 21 | 949801-65 | 1 | LEAD SA | CH | |||
| 22 | 176830-25 | 1 | SWITCH | CH | |||
| 23 | 562213-00 | 1 | BUMPER | CH | |||
| 24 | 934961-01 | 1 | CORD PROTECTOR | CH | |||
| 25 | 330080-40 | 1 | CORDSET | CH | |||
| 26 | 930103-00 | 1 | CORD CLAMP | CH | |||
| 27 | 561591-00 | 1 | CLAMSHELL LH | CH | |||
| 28 | 561592-00 | 1 | CLAMSHELL RH | CH | |||
| 29 | 562097-03 | 7 | SCREW | CH | |||
| 30 | 5140071-68 | 1 | CHUCK 13MM | CH | |||
| 31 | 330034-07 | 1 | CHUCK KEY | ROHM CHUCK | CH | ||
| 31 | 330034-07 | 1 | CHUCK KEY | YUKIWA CHUCK | CH | ||
| 32 | 562173-00 | 1 | SCREW | CH | |||
| 33 | 945402-12 | 1 | CHOKE SA | CH | |||
| 34 | 945402-13 | 1 | CHOKE SA | CH | |||
| 35 | 934962 | 1 | SPRING | CH | |||
| 36 | 930012 | 1 | BALL | CH | |||
| 37 | 562144-00 | 2 | SCREW | CH | |||
| 38 | 932839-00 | 2 | WASHER | CH | |||
| 39 | 151254-00 | 1 | KNOB | CH | |||
| 40 | 561602-00 | 1 | PIN | CH | |||
| 41 | 151256 | 1 | SPRING | CH | |||
| 42 | 930030-01 | 1 | CAPACITOR | CH | |||
| 44 | 939794-02 | 1 | HANDLE SIDE SA | CH | |||
| 45 | 940357-00 | 1 | DEPTH STOP | CH |