BD85 BELT SANDER Type 1 | Drawings
Documents
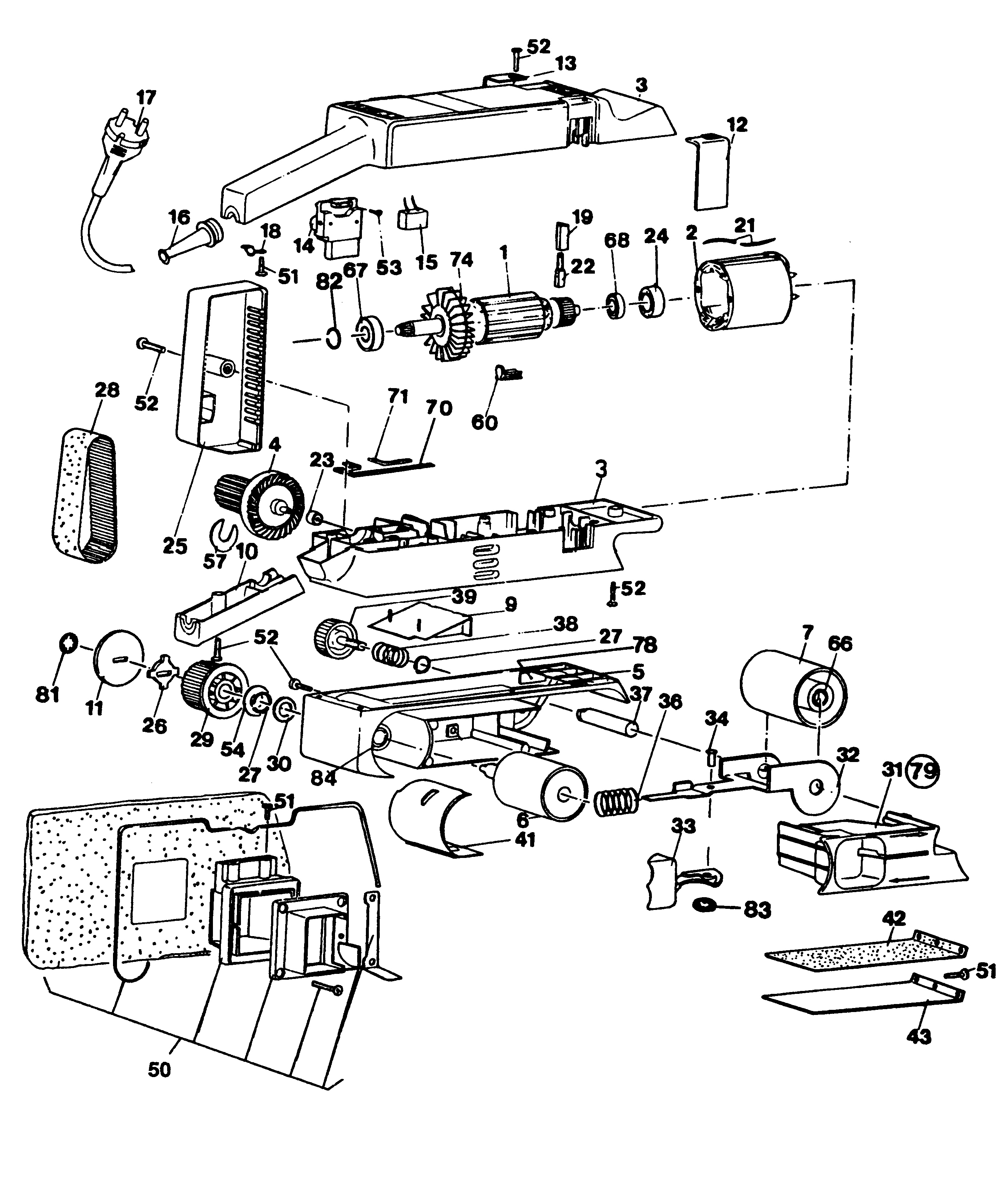
| Item No. | Product Number | Qty Per | Product Description | General Description | Other Info | Markets | Product Status |
|---|---|---|---|---|---|---|---|
| 1 | 874816 | 1 | ARMATURE | CH | |||
| 2 | 373007-13 | 1 | FIELD 230V | CH | |||
| 3 | 320973 | 1 | HOUSING | CH | |||
| 6 | 879385 | 1 | ROLLER | CH | |||
| 7 | 873100 | 1 | ROLLER | CH | |||
| 9 | 917016 | 1 | PLATE | CH | |||
| 10 | 320915 | 1 | COVER | CH | |||
| 11 | 917159 | 1 | SPACER | CH | |||
| 12 | 320917 | 1 | COVER | CH | |||
| 14 | 321997 | 1 | SWITCH | CH | |||
| 15 | 879402 | 1 | CAPACITOR | CH | |||
| 16 | 770235 | 1 | PROTECTOR | CH | |||
| 17 | 324438-57 | 1 | CORDSET | CH | |||
| 18 | 821070 | 1 | CORD CLAMP | CH | |||
| 19 | 321337 | 2 | BRUSH HOLDER | CH | |||
| 21 | 878259 | 2 | LEAD | CH | |||
| 22 | 917287 | 2 | BRUSH | CH | |||
| 23 | 910560 | 1 | BEARING | CH | |||
| 24 | 911897 | 1 | HOLDER | CH | |||
| 25 | 918082 | 1 | COVER | CH | |||
| 26 | 917220 | 1 | CAM | CH | |||
| 27 | 916930 | 2 | RING | CH | |||
| 28 | 917570 | 1 | BELT | X40500-XJ | CH | ||
| 29 | 916940 | 1 | PULLEY | CH | |||
| 30 | 910623 | 1 | WASHER | CH | |||
| 31 | 321433 | 1 | HOUSING | CH | |||
| 32 | 916919 | 1 | HOLDER | CH | |||
| 33 | 325118-00 | 1 | LEVER | CH | |||
| 34 | 916929 | 1 | RIVET | CH | |||
| 36 | 916926 | 1 | SPRING | CH | |||
| 37 | 878138 | 1 | AXLE | CH | |||
| 38 | 916925 | 1 | SPRING | CH | |||
| 39 | 322095 | 1 | ADJUSTER | CH | |||
| 42 | 918236 | 1 | PLATE | CH | |||
| 43 | 916923 | 1 | PLATE | CH | |||
| 50 | 878818 | 1 | BAG SA | CH | |||
| 51 | 911059 | 7 | SCREW | CH | |||
| 52 | 911325 | 21 | SCREW | CH | |||
| 53 | 911026 | 4 | SCREW | CH | |||
| 54 | 917576 | 1 | WASHER | CH | |||
| 57 | 917218 | 1 | WASHER | CH | |||
| 60 | 916193-01 | 2 | SLEEVE | CH | |||
| 62 | A5160 | 1 | FENCE | PARTS NOT DRAWN | CH | ||
| 66 | 917682 | 2 | BEARING | CH | |||
| 68 | 330003-19 | 1 | BEARING | CH | |||
| 70 | 917137 | 1 | SEAL | CH | |||
| 71 | 917281 | 1 | SEAL | CH | |||
| 74 | 918207 | 1 | FAN | CH | |||
| 78 | 916927 | 2 | PAD | CH | |||
| 79 | 873496 | 1 | ROLLER SET | SERVICE REPAIR KITS | CH | ||
| 81 | 911788 | 1 | CLIP | CH | |||
| 83 | 916105 | 1 | RING | CH | |||
| 84 | 875950 | 2 | BEARING | CH | |||
| 87 | A5163 | 1 | ADAPTOR | PARTS NOT DRAWN | CH | ||
| 88 | 323159-49 | 1 | PULLEY REPAIR KIT | SERVICE REPAIR KITS | CH |