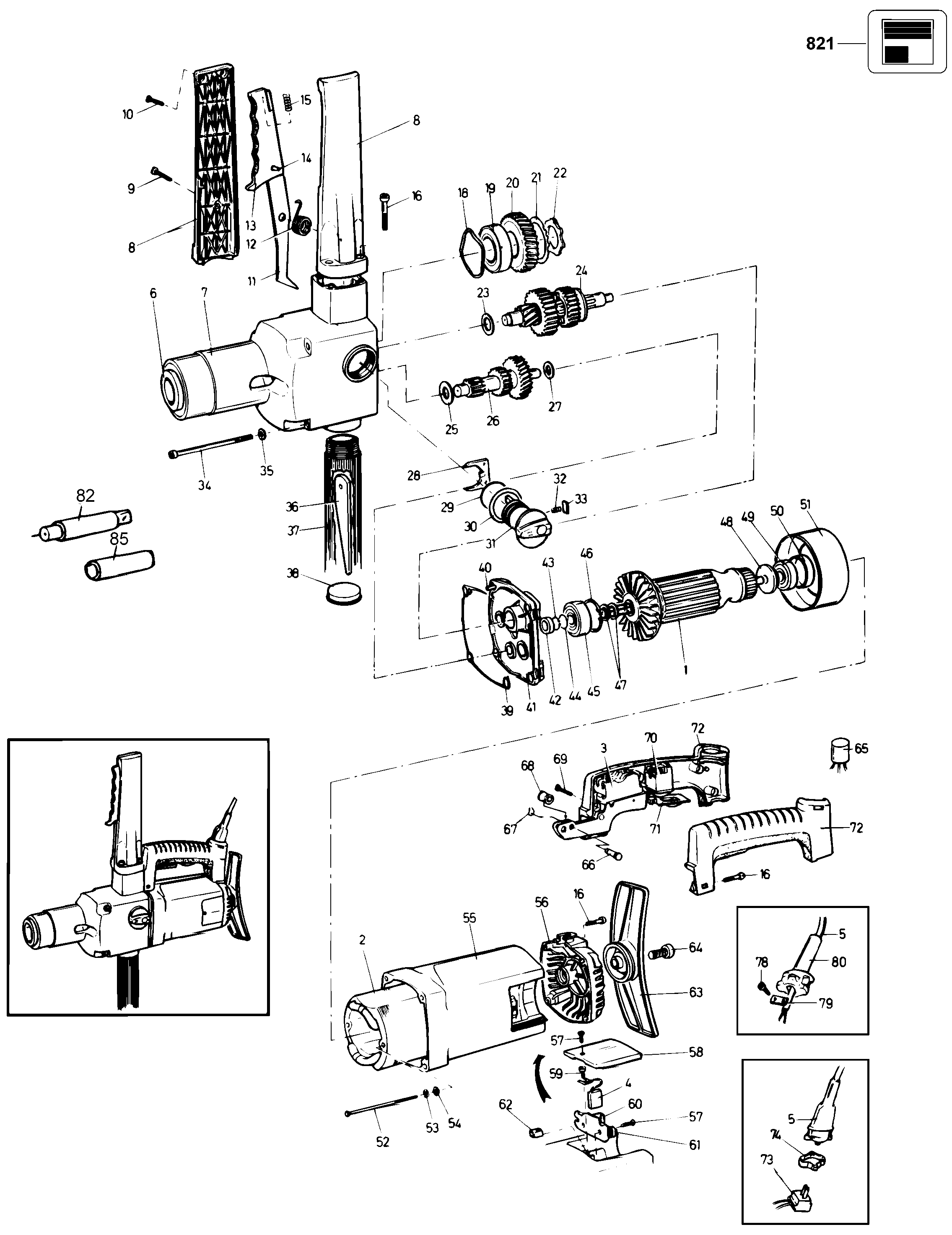
DW152 DRILL Type 1 | Drawings
Documents
| Item No. | Product Number | Qty Per | Product Description | General Description | Other Info | Markets | Product Status |
|---|---|---|---|---|---|---|---|
| 1 | 868404-00 | 1 | ARMATURE | AR | |||
| 2 | 868503-03 | 1 | FIELD 230V | AR | |||
| 3 | 932401-00 | 1 | SWITCH | AR | |||
| 4 | 932497-00 | 2 | BRUSH | AR | |||
| 5 | 868716-04 | 1 | CORDSET | AR | |||
| 6 | 932300-00 | 1 | HOLDER | AR | |||
| 7 | 932418-00 | 1 | GEARCASE SA | AR | |||
| 8 | 935833-01 | 1 | HANDLE SA | AR | |||
| 9 | 949896-14 | 1 | SCREW | AR | |||
| 10 | 949896-13 | 2 | SCREW | AR | |||
| 11 | 932315 | 1 | LEVER | AR | |||
| 12 | 932313-00 | 1 | SPRING | AR | |||
| 13 | 932317-00 | 1 | COVER | AR | |||
| 14 | 932314-00 | 1 | PIN | AR | |||
| 15 | 000000-00 | 1 | NO LONGER AVAILABLE | AR | |||
| 16 | 860093-11 | 6 | SCREW | AR | |||
| 18 | 930614 | 1 | SPACER | AR | |||
| 19 | 930025-00 | 1 | BEARING | AR | |||
| 20 | 932428-00 | 1 | GEAR | AR | |||
| 21 | 932297-00 | 1 | WASHER | AR | |||
| 22 | 932299-00 | 1 | RING | AR | |||
| 23 | 932287-00 | 1 | WASHER | AR | |||
| 24 | 869219-00 | 1 | SPINDLE & GEAR SA | AR | |||
| 25 | 932286-00 | 1 | WASHER | AR | |||
| 26 | 869219-02 | 1 | SPINDLE & GEAR SA | AR | |||
| 27 | 932285-00 | 2 | WASHER | AR | |||
| 28 | 932288-00 | 1 | PLATE | AR | |||
| 29 | 930039 | 1 | SEAL | AR | |||
| 30 | 932289-00 | 1 | WASHER | AR | |||
| 31 | 932265-00 | 1 | LEVER SA | AR | |||
| 32 | 932290-00 | 1 | SPRING | AR | |||
| 33 | 932291-00 | 1 | SPRING | AR | |||
| 34 | 932408-00 | 4 | SCREW | AR | |||
| 35 | 000000-00 | 1 | NO LONGER AVAILABLE | AR | |||
| 36 | 932304-00 | 1 | EJECTOR | AR | |||
| 37 | 948539-01 | 1 | HANDLE SIDE SA | AR | |||
| 38 | 932308-01 | 1 | CAP | AR | |||
| 39 | 932312-00 | 2 | GASKET | AR | |||
| 40 | 932301-00 | 2 | PIN | AR | |||
| 41 | 943963-00 | 1 | GEARCASE COVER SA | AR | |||
| 42 | 932311-00 | 1 | SEAL | AR | |||
| 43 | 931052-00 | 1 | RING | AR | |||
| 44 | 930940-00 | 1 | RING | AR | |||
| 45 | 868768-05 | 1 | BEARING | AR | |||
| 46 | 949729-02 | 1 | CIRCLIP | AR | |||
| 47 | 932309-00 | 2 | WASHER | AR | |||
| 48 | 930073-00 | 1 | SPACER | AR | |||
| 49 | 868768-00 | 1 | BEARING | AR | |||
| 50 | 934409-00 | 1 | SLEEVE | AR | |||
| 51 | 930072-00 | 1 | BAFFLE | AR | |||
| 52 | 930246-00 | 2 | SCREW | AR | |||
| 53 | 761035-00 | 2 | WASHER | AR | |||
| 54 | 949876-08 | 2 | WASHER | AR | |||
| 55 | 932261-00 | 1 | FIELDCASE | AR | |||
| 56 | 932272-02 | 1 | END CAP SA | AR | |||
| 57 | 930251-01 | 6 | SCREW.TEMP | AR | |||
| 58 | 932306-02 | 2 | COVER BRUSH | AR | |||
| 59 | 000000-00 | 1 | NO LONGER AVAILABLE | AR | |||
| 60 | 930269-00 | 2 | BASEPLATE SA | AR | |||
| 61 | 930099-00 | 2 | SPRING | AR | |||
| 62 | 932307-00 | 2 | BLOCK | AR | |||
| 63 | 932320-00 | 1 | PLATE | AR | |||
| 64 | 932319-00 | 6 | SCREW | AR | |||
| 65 | 932476-00 | 1 | CAPACITOR | AR | |||
| 66 | 932406-00 | 1 | PIN | AR | |||
| 67 | 932268-00 | 2 | RING | AR | |||
| 68 | 932405-00 | 1 | ROLLER | AR | |||
| 69 | 930079-01 | 1 | SCREW | AR | |||
| 70 | 932403-00 | 1 | SWITCH REVERSE | AR | |||
| 71 | 932402-00 | 1 | SLIDER | AR | |||
| 72 | 935896-02 | 1 | HANDLE SA | AR | |||
| 73 | 869293-00 | 1 | CABLE KIT 220V | AR | |||
| 74 | 000000-00 | 1 | NO LONGER AVAILABLE | AR | |||
| 82 | 932573-01 | 1 | SPINDLE | AR | |||
| 85 | 861907-00 | 1 | ADAPTOR | AR | |||
| 821 | 861884-06 | 1 | RATING PLATE | AR |