DW888 DIE GRINDER Type 3 | Drawings
Documents
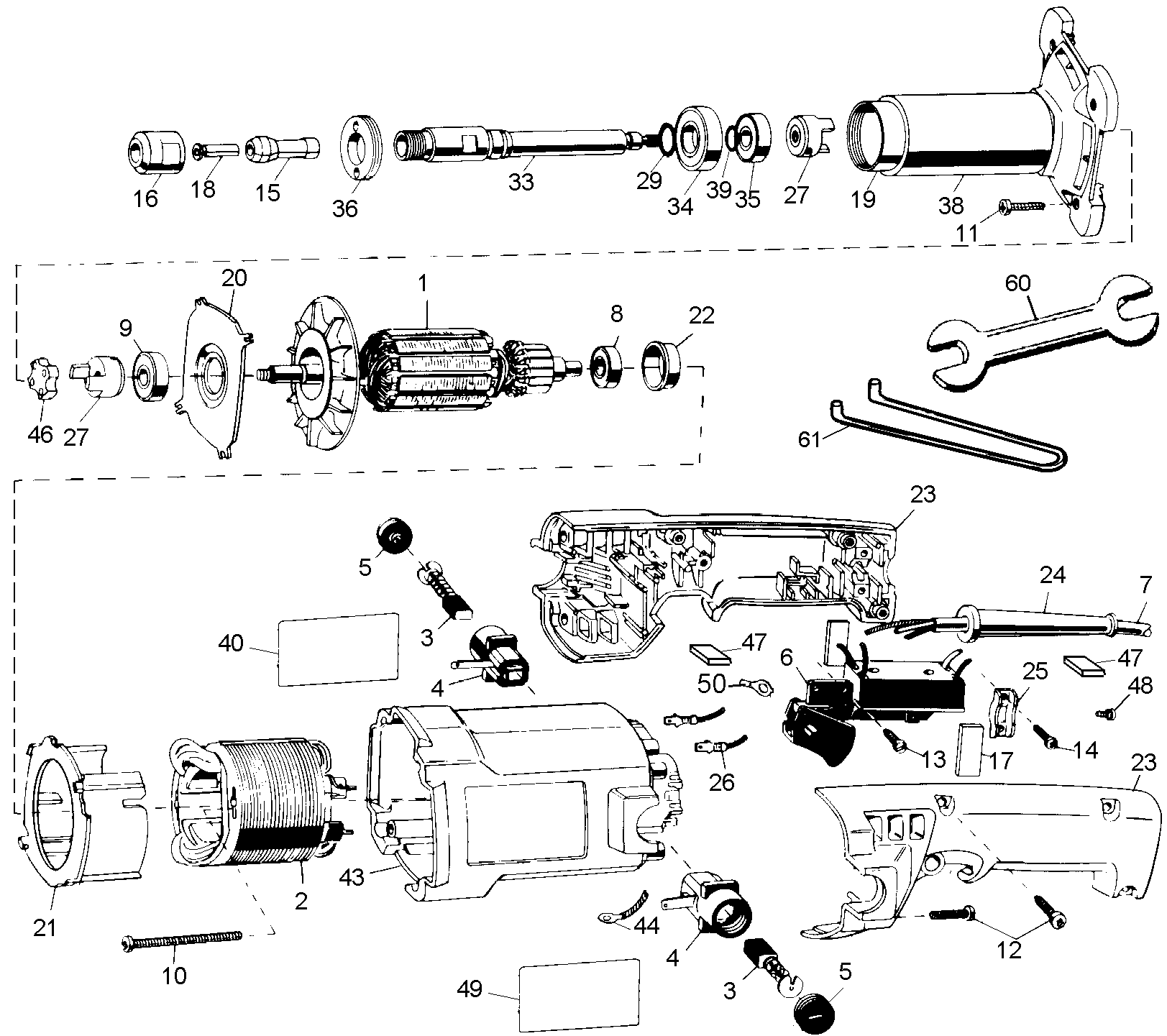
| Item No. | Product Number | Qty Per | Product Description | General Description | Other Info | Markets | Product Status |
|---|---|---|---|---|---|---|---|
| 1 | 450964-01SV | 1 | ARMATURE & BRGS | B2 | |||
| 2 | 450832-72SV | 1 | FIELD | B2 | |||
| 3 | 450374-12 | 2 | BRUSH & SPRING | B2 | |||
| 4 | 448083-01 | 2 | BRUSHBOX SA | B2 | |||
| 5 | 448084-01 | 2 | BRUSH CAP | B2 | |||
| 6 | 395373-01 | 1 | SWITCH | B2 | |||
| 7 | 330122-09 | 1 | CORD & PLUG | LEADS WILL NEED SHORTENED | B2 | ||
| 8 | 330003-04 | 1 | BEARING | B2 | |||
| 9 | 605040-20 | 1 | BEARING | 12 x 28 x 8mm | B2 | ||
| 10 | 330044-23 | 2 | SCREW | B2 | |||
| 11 | 330019-15 | 4 | SCREW | B2 | |||
| 12 | 330019-13 | 7 | SCREW | M4X19 T20 | B2 | ||
| 13 | 330019-01 | 1 | SCREW | B2 | |||
| 14 | 330019-03 | 2 | SCREW | B2 | |||
| 15 | N084757 | 1 | COLLET | B2 | |||
| 15 | 158442-00 | 1 | COLLET 1/4" | 1/4" | B2 | ||
| 16 | 146569-01 | 1 | NUT | B2 | |||
| 17 | 150844-01 | 2 | PAD | B2 | |||
| 18 | 021955-00 | 1 | SLEEVE | B2 | |||
| 19 | 450828-00 | 1 | HOUSING | B2 | |||
| 20 | 448079-00 | 1 | PLATE | B2 | |||
| 21 | 447786-00 | 1 | BAFFLE FAN | B2 | |||
| 22 | 445217-02 | 1 | SLEEVE | B2 | |||
| 23 | 448170-11 | 1 | HANDLE & COVER | B2 | |||
| 24 | 330005-01 | 1 | CORD PROTECTOR | B2 | |||
| 25 | 450877-00 | 1 | CORD CLAMP | B2 | |||
| 26 | 448172-00 | 1 | TERMINAL | B2 | |||
| 27 | 5140246-36 | 1 | COUPLING | INCL. SPIDER | B2 | ||
| 27 | 5140246-36 | 1 | COUPLING | INCL. SPIDER | B2 | ||
| 29 | 99180-24 | 1 | SEAL | B2 | |||
| 33 | 450823-00 | 1 | SHAFT | 5/8-24 THREAD | B2 | ||
| 34 | 144482-00 | 1 | BEARING | B2 | |||
| 35 | 605040-20 | 1 | BEARING | 12 x 28 x 8mm | B2 | ||
| 36 | 450825-00 | 1 | RETAINER | B2 | |||
| 38 | 146637-00 | 1 | SLEEVE | B2 | |||
| 39 | 144803-00 | 1 | CIRCLIP | B2 | |||
| 40 | 651176-00 | 1 | NAMEPLATE | B2 | |||
| 43 | 447799-08 | 1 | FIELDCASE | B2 | |||
| 44 | 053650-00 | 3 | TERMINAL | B2 | |||
| 46 | 5140246-36 | 1 | COUPLING | INCL. SPIDER | B2 | ||
| 46 | 5140246-36 | 1 | COUPLING | INCL. SPIDER | B2 | ||
| 47 | 150844-03 | 4 | PAD | B2 | |||
| 48 | 384127-01 | 4 | SCREW | B2 | |||
| 49 | 627212-00 | 1 | BRAND LABEL | DEWALT | B2 | ||
| 50 | 395716-00 | 2 | TERMINAL | B2 | |||
| 60 | 020285-00 | 2 | WRENCH | B2 | |||
| 61 | 703131-00 | 1 | WRENCH | NOT INCLUDED | B2 |