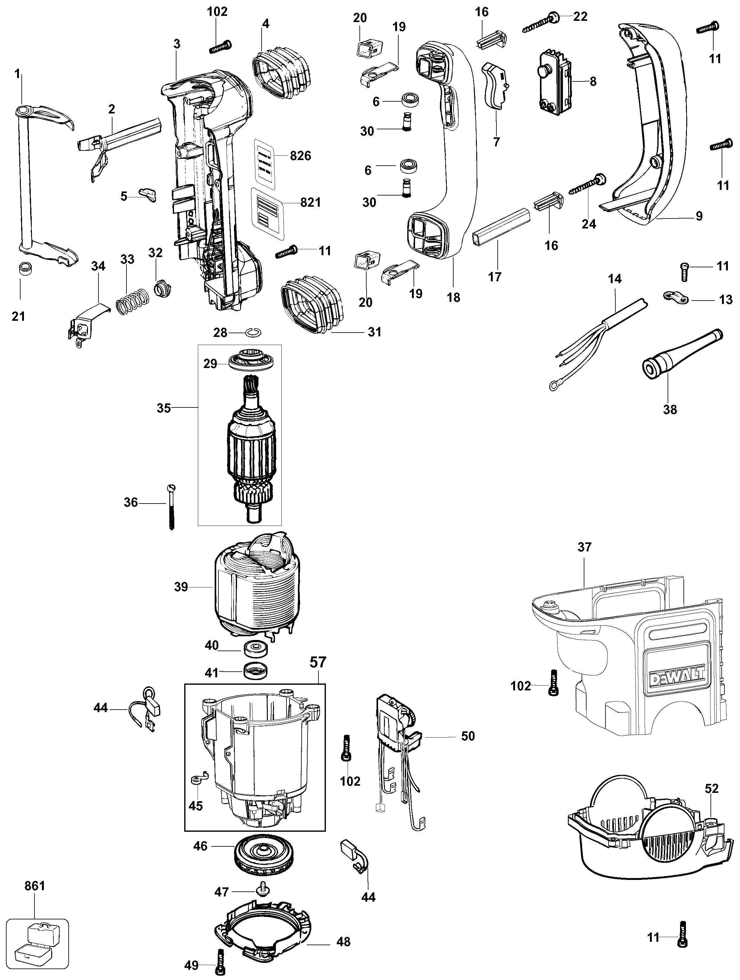
D25840K CHIPPING HAMMER Type 1 | Drawings
Documents
| Item No. | Product Number | Qty Per | Product Description | General Description | Other Info | Markets | Product Status |
|---|---|---|---|---|---|---|---|
| 1 | N019871 | 1 | REPAIR KIT | AR | |||
| 2 | 586415-00 | 1 | GUIDE SA | AR | |||
| 3 | 585171-00 | 1 | HANDLE COVER | AR | |||
| 4 | 588639-00 | 1 | BELLOWS | AR | |||
| 5 | 586045-00 | 1 | LENS | AR | |||
| 6 | 586411-00 | 1 | ROLLER | AR | |||
| 7 | 488065-01 | 1 | TRIGGER | AR | |||
| 8 | 581070-01 | 1 | SWITCH | AR | |||
| 9 | 587090-00 | 1 | HANDLE COVER | AR | |||
| 11 | 330065-08 | 18 | SCREW | M4x18 T20 | AR | ||
| 13 | 821070 | 1 | CORD CLAMP | AR | |||
| 14 | 573379-16 | 1 | CORDSET | AR | |||
| 16 | 494477-00 | 2 | STOP | AR | |||
| 17 | 586414-00 | 1 | GUIDE ROD | AR | |||
| 18 | 587085-02 | 1 | Handle | AR | |||
| 19 | 586413-00 | 2 | DRIVER | AR | |||
| 20 | 1005496-00 | 2 | BUSHING | AR | |||
| 21 | N019871 | 1 | REPAIR KIT | AR | |||
| 22 | 949886-33 | 1 | SCREW | AR | |||
| 24 | 330019-33 | 1 | SCREW | AR | |||
| 28 | 577746-00 | 1 | RING | AR | |||
| 29 | 586597-00 | 1 | GUARD SA | AR | |||
| 30 | 586412-00 | 2 | AXLE | AR | |||
| 31 | 588640-00 | 1 | BELLOWS | AR | |||
| 32 | 586423-00 | 1 | CARRIER | AR | |||
| 33 | 586421-00 | 1 | SPRING COMPRESSION | AR | |||
| 34 | 586422-00 | 1 | RETAINER | AR | |||
| 35 | 489251-00 | 1 | ARMATURE 230V | AR | |||
| 36 | 330019-30 | 2 | SCREW | AR | |||
| 37 | 585169-01 | 1 | MOTOR COVER | AR | |||
| 38 | 403395-00 | 1 | CORD PROTECTOR | AR | |||
| 39 | 489254-00 | 1 | FIELD 230V | AR | |||
| 40 | 577745-00 | 1 | BEARING | AR | |||
| 41 | 590191-00 | 1 | SLEEVE INSULATING | AR | |||
| 44 | 489256-00 | 1 | BRUSH PAIR 230V | AR | |||
| 45 | 487377-00 | 2 | BRUSH SPRING | AR | |||
| 46 | 586611-00 | 1 | FAN SA | AR | |||
| 47 | 324119-02 | 1 | SCREW | AR | |||
| 48 | 586614-00 | 1 | BAFFLE | AR | |||
| 49 | 330019-30 | 2 | SCREW | AR | |||
| 50 | 662695-06 | 1 | ELECTRONIC 230V | AR | |||
| 52 | 585170-00 | 1 | END CAP | AR | |||
| 57 | 586609-05 | 1 | MOTOR HOUSING SA | AR | |||
| 99 | 326467-00 | 1 | DETENT | AR | |||
| 100 | 323711-49 | 1 | O RING | AR | |||
| 102 | 324007-11 | 22 | SCREW | M5 X 18 | AR | ||
| 103 | 488067-00 | 1 | FILTER | AR | |||
| 104 | 586031-00 | 1 | COVER | AR | |||
| 105 | 323711-56 | 2 | O RING | AR | |||
| 106 | 323711-48 | 1 | O RING | AR | |||
| 107 | 586032-00 | 1 | ECCENTRIC | AR | |||
| 108 | 586033-00 | 1 | SPRING | AR | |||
| 109 | 586036-00 | 1 | SLIDER | AR | |||
| 110 | 586038-00 | 1 | SELECTOR | AR | |||
| 111 | 585168-01 | 1 | COVER-TOP | AR | |||
| 112 | 488689-00 | 1 | PISTON KIT | AR | |||
| 114 | 581656-00 | 2 | PIN | AR | |||
| 117 | 584703-00 | 1 | O RING | AR | |||
| 118 | 488687-00 | 1 | CRANKSHAFT | AR | |||
| 119 | 323711-26 | 1 | O RING | AR | |||
| 120 | 490610-00 | 1 | HOUSING | AR | |||
| 121 | 489244-00 | 1 | BUSH | AR | |||
| 130 | 577744-07 | 1 | O RING | AR | |||
| 131 | 586034-00 | 1 | SLIDER | AR | |||
| 132 | N146117 | 1 | CYLINDER KIT | AR | |||
| 135 | 584715-00 | 1 | BUSH | AR | |||
| 136 | 584706-00 | 1 | O RING | AR | |||
| 137 | 489180-00 | 1 | RAM | AR | |||
| 139 | 478650-00 | 1 | BUSH | AR | |||
| 140 | 584726-00 | 1 | SPRING | AR | |||
| 150 | 489181-01 | 1 | SLEEVE | AR | |||
| 152 | 479974-00 | 1 | SPACER | AR | |||
| 154 | 577745-02 | 1 | BEARING,BALL | AR | |||
| 155 | 489245-00 | 1 | BEARING NEEDLE | AR | |||
| 157 | 586022-00 | 1 | SEAL | AR | |||
| 158 | 330003-39 | 1 | BEARING | AR | |||
| 159 | 327141-08 | 1 | SEAL | AR | |||
| 160 | 490606-00 | 1 | HOUSING GEAR | AR | |||
| 200 | 487238-01 | 1 | SEAL | AR | |||
| 201 | 487205-00 | 1 | RING | AR | |||
| 202 | 487241-00 | 1 | WASHER | AR | |||
| 203 | 487244-00 | 1 | RUBBER | AR | |||
| 204 | 487236-00 | 1 | SLEEVE | AR | |||
| 205 | 579784-00 | 1 | LOCKING RING | AR | |||
| 206 | 487218-00 | 1 | SPRING | AR | |||
| 207 | 489672-00 | 2 | KEY | AR | |||
| 208 | 487249-00 | 1 | BUSH | AR | |||
| 209 | 590377-00 | 1 | GUIDE BUSH | AR | |||
| 210 | 487216-00 | 1 | SPRING | AR | |||
| 220 | 584696-00 | 1 | GUIDE | AR | |||
| 221 | 585167-01 | 1 | COVER | AR | |||
| 223 | 949886-32 | 4 | SCREW | AR | |||
| 224 | 327141-07 | 1 | LIP SEAL | AR | |||
| 225 | 488679-00 | 1 | BEARING SET | AR | |||
| 226 | 488787-00 | 1 | RING | AR | |||
| 227 | 488678-00 | 1 | HOUSING FRONT | AR | |||
| 228 | 589096-00 | 1 | BUSH | AR | |||
| 229 | 589223-00 | 1 | DAMPER | AR | |||
| 230 | 584727-00 | 1 | BUSH | AR | |||
| 240 | 488546-00 | 1 | O RING | AR | |||
| 250 | 488676-00 | 1 | SPINDLE SA | AR | |||
| 251 | N014007 | 1 | SEAL | AR | |||
| 252 | 1005597-00 | 1 | O RING | AR | |||
| 253 | 488685-00 | 1 | BEARING | AR | |||
| 254 | 488681-00 | 1 | BEAT PIECE | AR | |||
| 255 | 488680-00 | 1 | WASHER | AR | |||
| 256 | 577744-06 | 1 | O RING | AR | |||
| 257 | 488686-00 | 1 | BUSH | AR | |||
| 260 | 479321-00 | 1 | HANDLE SIDE SA | AR | |||
| 261 | 479320-00 | 2 | WASHER CLAMP | AR | |||
| 262 | 479317-00 | 2 | WASHER LOCK | AR | |||
| 263 | 487277-00 | 1 | Handle | AR | |||
| 264 | 487343-00 | 1 | BOLT | AR | |||
| 265 | 479319-00 | 2 | CLAMPING INSERT | AR | |||
| 266 | 479318-00 | 1 | CLAMP | AR | |||
| 267 | 487291-00 | 1 | KNOB SA | AR | |||
| 800 | 578970-04 | 1 | GREASE | 80g | AR | ||
| 801 | 328771-07 | 1 | GREASE | 50G, BIT GREASE | AR | ||
| 821 | N019517 | 1 | NAMEPLATE | D25840K-AR TY1 | AR | ||
| 826 | 487395-01 | 1 | LABEL | AR | |||
| 836 | 559659-99 | 1 | S.T.SEAL FITTING TOOL | AR | |||
| 836 | 559652-99 | 1 | S.T.CIRCLIP REMOVER | AR | |||
| 840 | 559620-99 | 1 | S.T.SEAL FITTING TOOL | Spindle seal tool | AR | ||
| 847 | 491210-00 | 1 | SERVICE KIT 230V | AR | |||
| 861 | 381297-94 | 1 | KITBOX | AR |