P5416 SANDER/GRINDER Type 1 | Drawings
Documents
| Item No. | Product Number | Qty Per | Product Description | General Description | Other Info | Markets | Product Status |
|---|---|---|---|---|---|---|---|
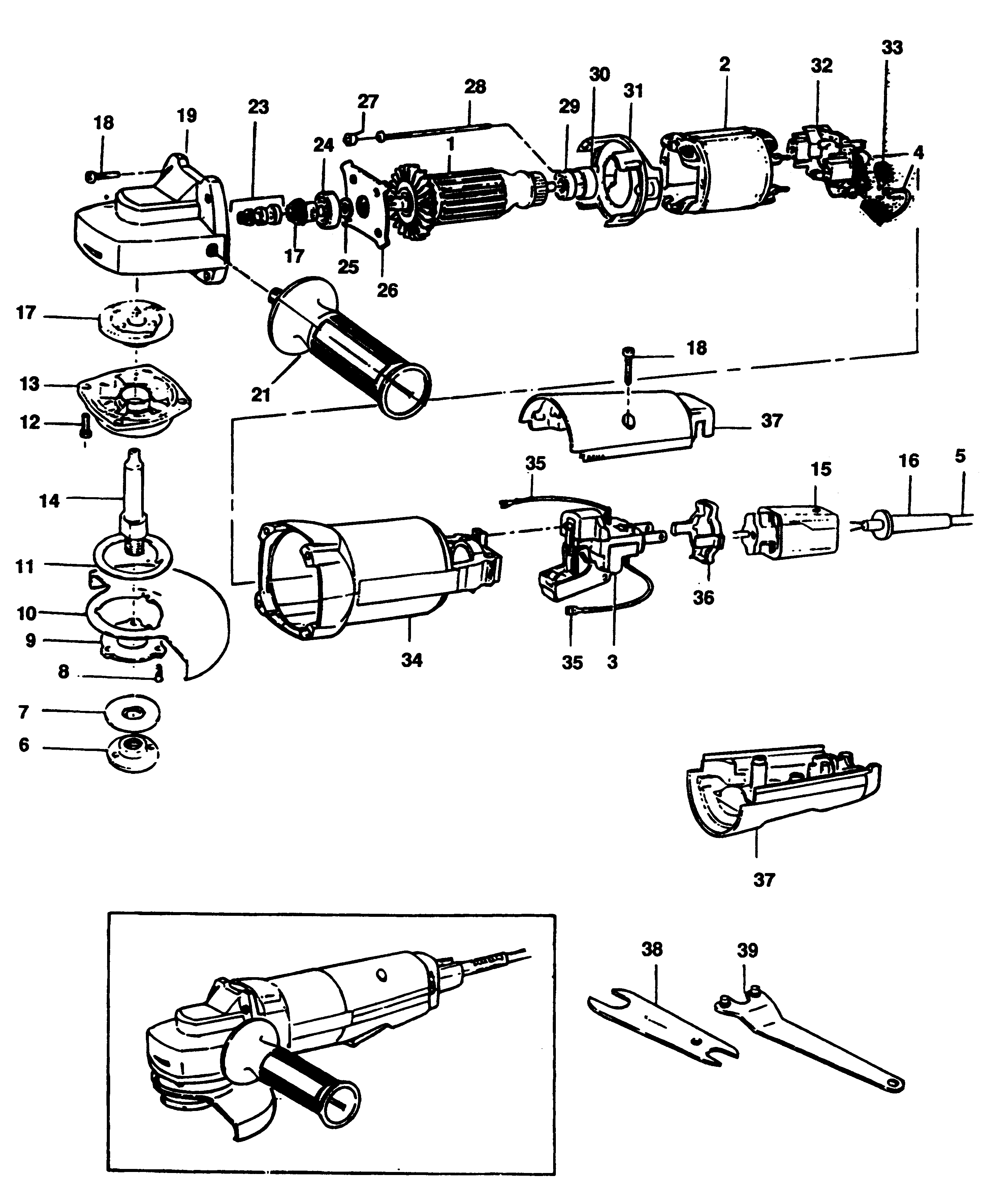
| 1 | 931169 | 1 | ARMATURE | CH | |||
| 1 | 931169 | 1 | ARMATURE | GB 115V | CH | ||
| 1 | 931169 | 1 | ARMATURE | MX-PA 115V | CH | ||
| 1 | 931167 | 1 | ARMATURE | CH | |||
| 1 | 931167 | 1 | ARMATURE | CH | |||
| 2 | 949855-05 | 1 | FIELD 120V | CH | |||
| 2 | 949855-05 | 1 | FIELD 120V | GB 115V | CH | ||
| 2 | 949855-05 | 1 | FIELD 120V | MX-PA 115V | CH | ||
| 2 | 930730 | 1 | FIELD | CH | |||
| 3 | 949822-03 | 1 | SWITCH | CH | |||
| 3 | 949822-03 | 1 | SWITCH | GB 240V | CH | ||
| 4 | 930760-00 | 2 | BRUSH 230V | CH | |||
| 4 | 930760-00 | 2 | BRUSH 230V | CH | |||
| 4 | 930802-00 | 2 | BRUSH | CH | |||
| 4 | 930802-00 | 2 | BRUSH | GB 115V | CH | ||
| 4 | 930802-00 | 2 | BRUSH | MX-PA 115V | CH | ||
| 5 | 330061-14 | 1 | CORDSET | CH | |||
| 5 | 949770-06 | 1 | CABLE & PLUG | CH | |||
| 5 | 330080-29 | 1 | CABLE SA | CH | CH | ||
| 5 | 330120-86 | 1 | CORDSET | CH | |||
| 5 | 330120-86 | 1 | CORDSET | MX-PA 115V | CH | ||
| 5 | 330120-86 | 1 | CORDSET | AE-VE 115V | CH | ||
| 5 | 330120-86 | 1 | CORDSET | MX-PA 115V | CH | ||
| 6 | 403430-00 | 1 | OUTER FLANGE | CH | |||
| 7 | 930771-00 | 1 | INNER FLANGE | CH | |||
| 8 | 930251-00 | 3 | SCREW | CH | |||
| 10 | 937411-00 | 1 | GUARD | CH | |||
| 11 | 938272 | 1 | RING | CH | |||
| 12 | 930770-00 | 4 | SCREW | CH | |||
| 13 | 944055 | 1 | GEARCASE COVER SA | CH | |||
| 14 | 930739 | 1 | SPINDLE | CH | |||
| 15 | 945899-01 | 1 | PLUG | CH | |||
| 15 | 945899-01 | 1 | PLUG | CH | |||
| 15 | 945899-00 | 1 | PLUG | CH | |||
| 15 | 945899-00 | 1 | PLUG | GB 115V | CH | ||
| 15 | 945899-00 | 1 | PLUG | MX-PA 115V | CH | ||
| 16 | N542553 | 1 | CORD PROTECTOR | CH | |||
| 16 | N542553 | 1 | CORD PROTECTOR | MX-PA 115V | CH | ||
| 16 | N542553 | 1 | CORD PROTECTOR | GB 115V | CH | ||
| 16 | N542553 | 1 | CORD PROTECTOR | AE-VE 115V | CH | ||
| 16 | N542553 | 1 | CORD PROTECTOR | GB 240V | CH | ||
| 16 | N542553 | 1 | CORD PROTECTOR | GB 240V | CH | ||
| 16 | N542553 | 1 | CORD PROTECTOR | AE-VE 115V | CH | ||
| 16 | N542553 | 1 | CORD PROTECTOR | GB 115V | CH | ||
| 16 | N542553 | 1 | CORD PROTECTOR | MX-PA 115V | CH | ||
| 16 | N542553 | 1 | CORD PROTECTOR | CH | |||
| 17 | 932592 | 1 | GEAR & PINION | CH | |||
| 18 | 930079-01 | 6 | SCREW | CH | |||
| 19 | 946570-00 | 1 | GEARBOX SA | CH | |||
| 23 | 937668 | 1 | CIRCLIP SA | CH | |||
| 24 | 577745-00 | 1 | BEARING | CH | |||
| 25 | 930753-00 | 1 | WASHER | CH | |||
| 27 | 933657-00 | 2 | CAP | CH | |||
| 28 | 930752-00 | 2 | SCREW | CH | |||
| 29 | 330003-34 | 1 | BEARING | CH | |||
| 30 | 930029-00 | 1 | HOLDER BEARING | CH | |||
| 31 | 930751 | 1 | BAFFLE | CH | |||
| 32 | 930746-00 | 1 | BRUSH HOLDER SA | CH | |||
| 32 | 930746-00 | 1 | BRUSH HOLDER SA | CH | |||
| 32 | 930749-00 | 1 | BRUSH HOLDER PLATE | CH | |||
| 32 | 930749-00 | 1 | BRUSH HOLDER PLATE | GB 115V | CH | ||
| 32 | 930749-00 | 1 | BRUSH HOLDER PLATE | MX-PA 115V | CH | ||
| 33 | 930090-00 | 2 | BRUSH SPRING | CH | |||
| 34 | 930719-03 | 1 | FIELDCASE GREY | CH | |||
| 35 | 930728-00 | 2 | LEAD | CH | |||
| 36 | 930761 | 1 | RING | CH | |||
| 38 | 931637 | 1 | SPANNER | CH | |||
| 39 | 947830-04 | 1 | WRENCH SPECIAL | CH | |||
| 39 | 947830-06 | 1 | WRENCH SPECIAL | CH |