OF97L ROUTER Type 1 | Drawings
Documents
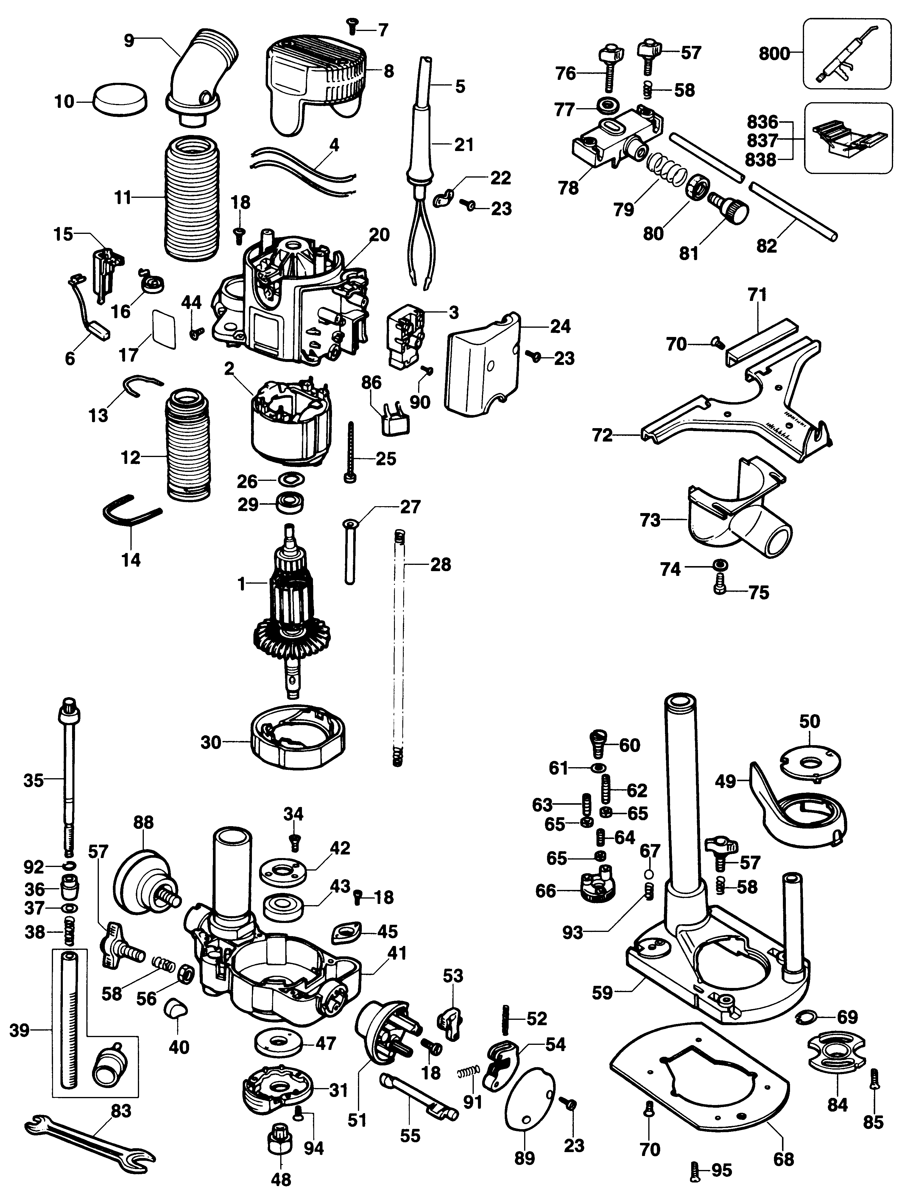
| Item No. | Product Number | Qty Per | Product Description | General Description | Other Info | Markets | Product Status |
|---|---|---|---|---|---|---|---|
| 1 | 328256-00 | 1 | ARMATURE 115V | 115VGB | CH | ||
| 1 | 328255-00 | 1 | ARMATURE 230V | CH | |||
| 1 | 328255-00 | 1 | ARMATURE 230V | 240VGB | CH | ||
| 2 | 327429-11 | 1 | FIELD 120V | 115VGB | CH | ||
| 2 | 327429-09 | 1 | FIELD 230V | 240VGB | CH | ||
| 2 | 327429-09 | 1 | FIELD 230V | CH | |||
| 3 | 323132-00 | 1 | SWITCH | CH | |||
| 4 | 323635-03 | 2 | LEAD 180MM | CH | |||
| 5 | 330080-31 | 1 | CORDSET | CH | CH | ||
| 5 | 330060-44 | 1 | CORDSET (M/PLUG) | 240VGB | CH | ||
| 5 | 330061-04 | 1 | CORDSET (M/PLUG) | 115VGB | CH | ||
| 6 | 580017-00 | 2 | BRUSH 230V | 240VGB | CH | ||
| 6 | 580017-00 | 2 | BRUSH 230V | CH | |||
| 6 | 580017-01 | 2 | BRUSH 115V | 115VGB | CH | ||
| 7 | 330065-09 | 2 | SCREW | CH | |||
| 8 | 326603-01 | 1 | END CAP | CH | |||
| 9 | N434647 | 1 | VACUUM ADAPTOR | CH | |||
| 10 | 326287-00 | 1 | CAP | CH | |||
| 11 | 326268-00 | 1 | BELLOWS | CH | |||
| 12 | 326283-00 | 1 | SPRING SA | CH | |||
| 13 | 326279-00 | 1 | CLIP | CH | |||
| 14 | 326607-00 | 1 | CLIP | CH | |||
| 15 | 326933-01 | 2 | HOLDER | CH | |||
| 16 | 326667-00 | 2 | BRUSH SPRING | CH | |||
| 17 | 249273-04 | 1 | BRAND LABEL | CH | |||
| 18 | 324006-00 | 9 | SCREW | CH | |||
| 20 | 328252-01 | 1 | HOUSING MOTOR | CH | |||
| 21 | 320785 | 1 | CORD PROTECTOR | CH | |||
| 22 | 821070 | 1 | CORD CLAMP | CH | |||
| 23 | 330065-06 | 6 | SCREW | CH | |||
| 24 | 326258-00 | 1 | SWITCH COVER | Grey | CH | ||
| 25 | 330065-10 | 2 | SCREW | CH | |||
| 26 | 326845-00 | 1 | WASHER SPRING | CH | |||
| 27 | 329016-00 | 1 | GUIDE | CH | |||
| 28 | 323395-13 | 1 | SPRING | CH | |||
| 29 | 605040-63 | 1 | BEARING | CH | |||
| 30 | 496154-00 | 1 | BAFFLE FAN | CH | |||
| 31 | 326616-04 | 1 | SPINDLE LOCK | CH | |||
| 34 | 945121-00 | 3 | SCREW.TEMP | CH | |||
| 35 | 326600-00 | 1 | ADJUSTER | CH | |||
| 36 | 326265-00 | 1 | SCALE | CH | |||
| 37 | 321118 | 1 | WASHER | CH | |||
| 38 | 323395-14 | 1 | SPRING | CH | |||
| 39 | 329023-49 | 1 | ADJUSTER HEIGHT | CH | |||
| 40 | 326602-00 | 1 | INSERT | CH | |||
| 41 | 328254-00 | 1 | HOUSING LOWER | CH | |||
| 42 | 326285-00 | 1 | CLAMP | CH | |||
| 43 | 570936-00 | 1 | BEARING | CH | |||
| 44 | 330065-04 | 2 | SCREW | CH | |||
| 45 | 326606-00 | 1 | GUIDE | CH | |||
| 47 | 326673-00 | 1 | LOCKING RING | CH | |||
| 48 | 326286-00 | 1 | COLLET & NUT SA | 8mm | CH | ||
| 48 | 326286-02 | 1 | COLLET & NUT SA | CH | |||
| 48 | 326286-01 | 1 | COLLET & NUT SA | 6.35mm 1/4 inch | 115VGB | CH | |
| 48 | 326286-01 | 1 | COLLET & NUT SA | 6.35mm 1/4 inch | 240VGB | CH | |
| 49 | 326273-00 | 1 | DUST GUARD | CH | |||
| 50 | 326599-00 | 1 | CAP 21 MM | CH | |||
| 51 | 326598-01 | 1 | HANDLE RH | CH | |||
| 52 | 328202-01 | 1 | SWITCH SA | Inc. 54 + 53 + 52 | CH | ||
| 53 | 326601-00 | 1 | LOCKING KNOB | CH | |||
| 54 | 328202-01 | 1 | SWITCH SA | Inc. 54 + 53 + 52 | CH | ||
| 55 | 326256-00 | 1 | LEVER | CH | |||
| 56 | 949726-05 | 1 | NUT | CH | |||
| 57 | 326573-01 | 6 | SCREW WING | CH | |||
| 58 | 868082-00 | 6 | SPRING | CH | |||
| 59 | 328253-00 | 1 | BASEPLATE SA | CH | |||
| 60 | 326610-00 | 1 | SCREW | CH | |||
| 61 | 327012-00 | 1 | WASHER SPRING | CH | |||
| 62 | 868109-00 | 1 | SCREW | CH | |||
| 63 | 942931-01 | 1 | SCREW | CH | |||
| 64 | 942931-02 | 1 | SCREW.TEMP | CH | |||
| 65 | 860083-02 | 3 | NUT | CH | |||
| 66 | N547463 | 1 | TURRET | CH | |||
| 67 | 720664-00 | 1 | BALL | CH | |||
| 68 | 326270-00 | 1 | BASEPLATE | CH | |||
| 69 | 324821-00 | 1 | CIRCLIP | CH | |||
| 70 | 945121-00 | 8 | SCREW.TEMP | CH | |||
| 71 | 249090-00 | 2 | GUIDE | CH | |||
| 72 | 326238-00 | 1 | FENCE | CH | |||
| 73 | 326274-00 | 1 | EXHAUST | CH | |||
| 74 | 937883 | 2 | WASHER | CH | |||
| 75 | 949886-30 | 2 | SCREW | CH | |||
| 76 | 326573-02 | 1 | SCREW | CH | |||
| 77 | 330016-02 | 1 | WASHER | CH | |||
| 78 | 326237-00 | 1 | BRACKET | CH | |||
| 79 | 323395-21 | 1 | SPRING | CH | |||
| 80 | 942918-00 | 1 | INDEX | CH | |||
| 81 | 326239-00 | 1 | ADJUSTER | CH | |||
| 82 | 868080-00 | 2 | ROD | CH | |||
| 83 | 31351301 | 1 | SPANNER | CH | |||
| 84 | 326276-03 | 1 | GUIDE BUSH | CH | |||
| 85 | 911141 | 2 | SCREW | CH | |||
| 86 | 949877-01 | 1 | CAPACITOR | CH | |||
| 88 | 326300-00 | 1 | KNOB SA | CH | |||
| 89 | 326313-01 | 1 | COVER | CH | |||
| 90 | 911026 | 4 | SCREW | CH | |||
| 91 | 323395-22 | 1 | SPRING | CH | |||
| 92 | 323711-26 | 1 | O RING | CH | |||
| 93 | 868082-00 | 1 | SPRING | CH | |||
| 94 | 945121-00 | 3 | SCREW.TEMP | CH | |||
| 95 | 911058 | 2 | SCREW | CH | |||
| 800 | 870889-02 | 1 | GREASE | CH | |||
| 836 | 559582-99 | 1 | S.T.WRENCH | CH | |||
| 837 | 559585-98 | 1 | S.T.ASSEMBLY JIG | CH | |||
| 838 | 559585-99 | 1 | PIN | CH |