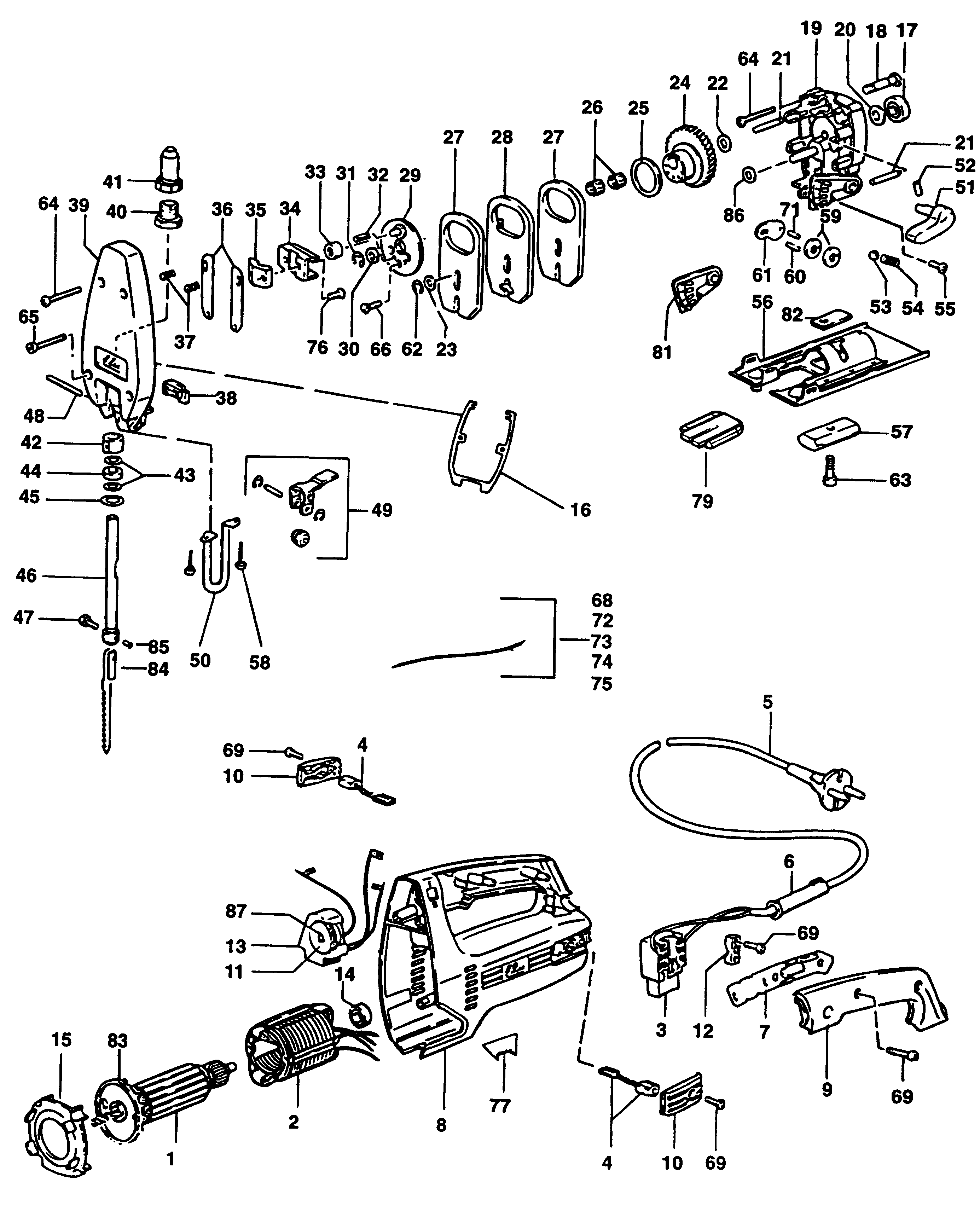
ST152E JIGSAW Type 1 | Drawings
Documents
| Item No. | Product Number | Qty Per | Product Description | General Description | Other Info | Markets | Product Status |
|---|---|---|---|---|---|---|---|
| 1 | 152100202 | 1 | ARMATURE | 115V TYPE 1 | CH | ||
| 1 | 152100200 | 1 | ARMATURE | 220/240V TYPE 1 | CH | ||
| 1 | 943537-00 | 1 | ARMATURE 115V | 115V TYPE 2 | CH | ||
| 1 | 943537-01 | 1 | FSO ARMATURE 220V | 240V TYPE 2 | CH | ||
| 1 | 943537-01 | 1 | FSO ARMATURE 220V | 220V TYPE 2 | CH | ||
| 2 | 152102103 | 1 | FIELD 220V | 220/240V TYPE 1 | CH | ||
| 2 | 943536-00 | 1 | FIELD | 115V TYPE 2 | CH | ||
| 2 | 943536-01 | 1 | FIELD | 220V TYPE 2 | CH | ||
| 2 | 152102105 | 1 | FIELD 115V | 115V TYPE 1 | CH | ||
| 2 | 943536-02 | 1 | FIELD | 240V TYPE 2 | CH | ||
| 3 | 249031-00 | 1 | SWITCH | CH | |||
| 4 | 140105702 | 2 | BRUSH HOLDER 230V | 220/240V TYPE 1 | CH | ||
| 4 | 140105703 | 2 | BRUSH & HOLDER 115V | 115V TYPE 1 | CH | ||
| 4 | 140105703 | 2 | BRUSH & HOLDER 115V | 115V TYPE 2 | CH | ||
| 5 | 378990 | 1 | CORDSET | GB 115V | CH | ||
| 5 | 325612-04 | 1 | CORDSET (M/PLUG) | GB 240V | CH | ||
| 6 | 868520-00 | 1 | CORD PROTECTOR | CH | |||
| 7 | 152121904 | 1 | CONDENSOR | CH | |||
| 8 | 941076-05 | 1 | FIELDCASE | TYPE 2 | CH | ||
| 9 | 249023-00 | 1 | COVER | CH | |||
| 10 | 249024-00 | 2 | COVER BRUSH | CH | |||
| 11 | 249071-00 | 1 | KNOB | CH | |||
| 12 | 379684 | 1 | CABLE CLAMP | GB 115V | CH | ||
| 12 | 379684 | 1 | CABLE CLAMP | GB 240V | CH | ||
| 12 | 379684 | 1 | CABLE CLAMP | GB 115V | CH | ||
| 12 | 379684 | 1 | CABLE CLAMP | GB 240V | CH | ||
| 12 | 379684 | 1 | CABLE CLAMP | CH | |||
| 13 | 152167500 | 1 | ELECTRONIC 220V | 220/240V TYPE 1 | CH | ||
| 13 | 152167500 | 1 | ELECTRONIC 220V | 240V TYPE 2 | CH | ||
| 13 | 152167500 | 1 | ELECTRONIC 220V | 220V TYPE 2 | CH | ||
| 13 | 152167501 | 1 | ELECTRONIC 115V | 115V TYPE 1 | CH | ||
| 13 | 152167501 | 1 | ELECTRONIC 115V | 115V TYPE 2 | CH | ||
| 14 | 141830000 | 1 | BEARING | CH | |||
| 15 | 941062-00 | 1 | BAFFLE FAN | TYPE 2 | CH | ||
| 16 | 941058-00 | 1 | JOINT | TYPE 2 | CH | ||
| 17 | 142830000 | 1 | BEARING | CH | |||
| 18 | 142152401 | 1 | BOLT | CH | |||
| 19 | 247945-05 | 1 | FSO GEAR CASE SA | TYPE 2 | CH | ||
| 20 | 142970604 | 1 | WASHER NYLON | CH | |||
| 21 | 072810100 | 2 | PIN | CH | |||
| 22 | 142930193 | 1 | WASHER | CH | |||
| 23 | 142930194 | 1 | WASHER | CH | |||
| 24 | 940942-00 | 1 | FSO GEAR ECC. | TYPE 2 | CH | ||
| 25 | 142930196 | 1 | WASHER | CH | |||
| 26 | 142980032 | 2 | RING | CH | |||
| 27 | 940943-00 | 2 | COUNTERWEIGHT | CH | |||
| 28 | 940944-00 | 1 | COUNTERWEIGHT | CH | |||
| 29 | 142153301 | 1 | ECCENTRIC | CH | |||
| 30 | 247651-00 | 1 | WASHER | CH | |||
| 31 | 120820700 | 1 | CIRCLIP | CH | |||
| 32 | 142810200 | 2 | ROLLPIN | CH | |||
| 33 | 142980033 | 1 | FSO BEARING,NEEDLE | CH | |||
| 34 | 142151400 | 1 | YOKE | CH | |||
| 35 | 142154400 | 1 | CLAMP | CH | |||
| 36 | 142154200 | 2 | GUIDE | CH | |||
| 37 | 152934042 | 4 | SPRING | CH | |||
| 38 | 142153600 | 1 | PLATE | CH | |||
| 39 | 247944-00 | 1 | FSO COVER SA | TYPE 2 | CH | ||
| 40 | 152151400 | 1 | BEARING BRASS BUSH | CH | |||
| 41 | 940956-00 | 1 | NUT | TYPE 2 | CH | ||
| 41 | 152921020 | 1 | NUT | TYPE 1 | CH | ||
| 42 | 142152300 | 1 | BUSH | CH | |||
| 43 | 142930191 | 2 | WASHER SMALL | CH | |||
| 44 | 142152801 | 1 | WASHER FELT | CH | |||
| 45 | 142930192 | 1 | WASHER LARGE | CH | |||
| 47 | 142910706 | 1 | SCREW | CH | |||
| 48 | 018810000 | 1 | PIN | CH | |||
| 49 | 247439-50 | 1 | FSO GUIDE SA | CH | |||
| 50 | 940961-00 | 1 | PROTECTOR | TYPE 2 | CH | ||
| 51 | 152157400 | 1 | LEVER | TYPE 1 | CH | ||
| 51 | 940955-05 | 1 | LEVER | TYPE 2 | CH | ||
| 52 | 142810400 | 1 | SPIROL PIN | CH | |||
| 53 | 013831000 | 1 | BALL 6MM | CH | |||
| 54 | 142934024 | 1 | SPRING | CH | |||
| 55 | 034810700 | 1 | SCREW | CH | |||
| 56 | 941053-00 | 1 | FSO SHOE | CH | |||
| 57 | 142116300 | 1 | PLATE | CH | |||
| 58 | 247129-05 | 2 | SCREW | TYPE 2 | CH | ||
| 59 | 142153302 | 2 | WASHER | CH | |||
| 60 | 142810104 | 1 | PIN | CH | |||
| 61 | 142153800 | 1 | LEVER | CH | |||
| 62 | 860322-00 | 1 | CIRCLIP | CH | |||
| 63 | 249408-11 | 1 | SCREW | CH | |||
| 64 | 949896-12 | 4 | SCREW | CH | |||
| 65 | 249424-08 | 2 | SCREW | CH | |||
| 66 | 720685-00 | 3 | SCREW.TEMP | CH | |||
| 69 | 249416-06 | 6 | SCREW | CH | |||
| 71 | 048810106 | 1 | DOWEL | CH | |||
| 72 | 152164514 | 1 | LEAD 130MM BLUE | CH | |||
| 73 | 152164515 | 1 | LEAD 125MM YELLOW | CH | |||
| 75 | 152164512 | 1 | LEAD 120MM GREEN | CH | |||
| 76 | 860205-04 | 3 | SCREW | CH | |||
| 77 | 249282-00 | 1 | SCALE | CH | |||
| 79 | 249070-00 | 1 | INSERT PVC | CH | |||
| 81 | 152124500 | 1 | SEGMENT | TYPE 1 | CH | ||
| 83 | 140130501 | 1 | FAN | TYPE 1 | CH | ||
| 84 | 142151401 | 1 | GUIDE | CH | |||
| 85 | 142815100 | 1 | RIVET | CH | |||
| 86 | 247650-00 | 1 | WASHER | CH | |||
| 87 | 248936-00 | 1 | RIVET | CH |