GT243 HEDGECLIPPER Type 1 | Drawings
Documents
| Item No. | Product Number | Qty Per | Product Description | General Description | Other Info | Markets | Product Status |
|---|---|---|---|---|---|---|---|
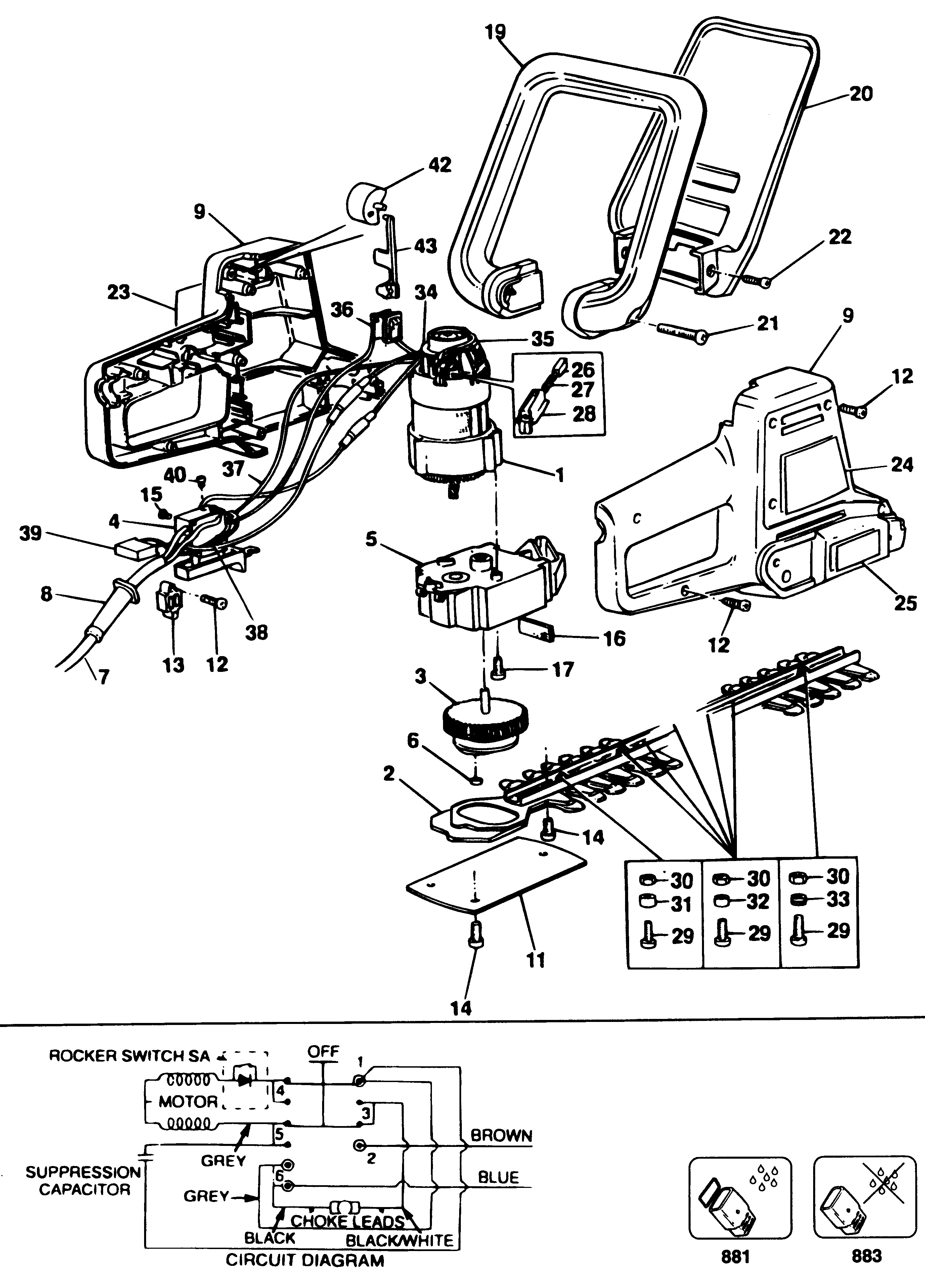
| 1 | 376926-09 | 1 | MOTOR SA | CH | |||
| 2 | 795995-49 | 1 | BLADE & GEAR SA | BLADE H1E-G PRE 1996 | CH | ||
| 4 | 797249-02 | 1 | SWITCH | CH | |||
| 5 | 371794-49 | 1 | REPAIR KIT | CH | |||
| 6 | 832472 | 1 | ROLLER | BLADE H1-D | CH | ||
| 7 | 749616 | 1 | CORDSET | CH | |||
| 8 | 770235 | 1 | PROTECTOR | CH | |||
| 9 | 839732 | 1 | CLAMSHELL | CH | |||
| 11 | 370099 | 1 | COVER | BUILT FROM 1996 | CH | ||
| 11 | 371794-49 | 1 | REPAIR KIT | BLADE H1E-G PRE 1996 | CH | ||
| 12 | 849256 | 9 | SCREW | CH | |||
| 13 | 994808 | 1 | CABLE CLAMP | CH | |||
| 14 | 747507 | 5 | SCREW | BUILT BEFORE 1996 | CH | ||
| 14 | 809015 | 5 | SCREW | BUILT FROM 1996 | CH | ||
| 15 | 854611 | 2 | SCREW | CH | |||
| 16 | 849718 | 1 | PAD | CH | |||
| 17 | 849256 | 3 | SCREW | CH | |||
| 19 | 829591 | 1 | Handle | CH | |||
| 20 | 829718 | 1 | GUARD | CH | |||
| 21 | 745217 | 2 | SCREW | CH | |||
| 22 | 828849 | 2 | SCREW | CH | |||
| 23 | 746191 | 1 | BRAND LABEL | CH | |||
| 24 | 746316 | 1 | WARNING LABEL | CH | |||
| 26 | 376143 | 2 | BRUSH | CH | |||
| 27 | 847709 | 2 | SPRING | CH | |||
| 28 | 812738 | 2 | BRUSH HOLDER | CH | |||
| 29 | 829808 | 7 | SCREW | CH | |||
| 30 | 892153 | 7 | NUT | CH | |||
| 31 | 829074 | 1 | SPACER | CH | |||
| 32 | 829075 | 5 | SPACER | CH | |||
| 33 | 829809 | 1 | SPACER | CH | |||
| 34 | 833421 | 1 | COVER | CH | |||
| 35 | 833494 | 1 | LEAD GREY | CH | |||
| 36 | 747318 | 1 | SWITCH & DIODE | CH | |||
| 37 | 833498 | 1 | LEAD GREY | CH | |||
| 38 | 833500 | 1 | LINK | CH | |||
| 39 | 845467 | 1 | CAPACITOR | CH | |||
| 40 | 854053 | 2 | SCREW | CH | |||
| 42 | 747639 | 1 | KNOB | CH | |||
| 43 | 829852 | 1 | SLIDER | CH |