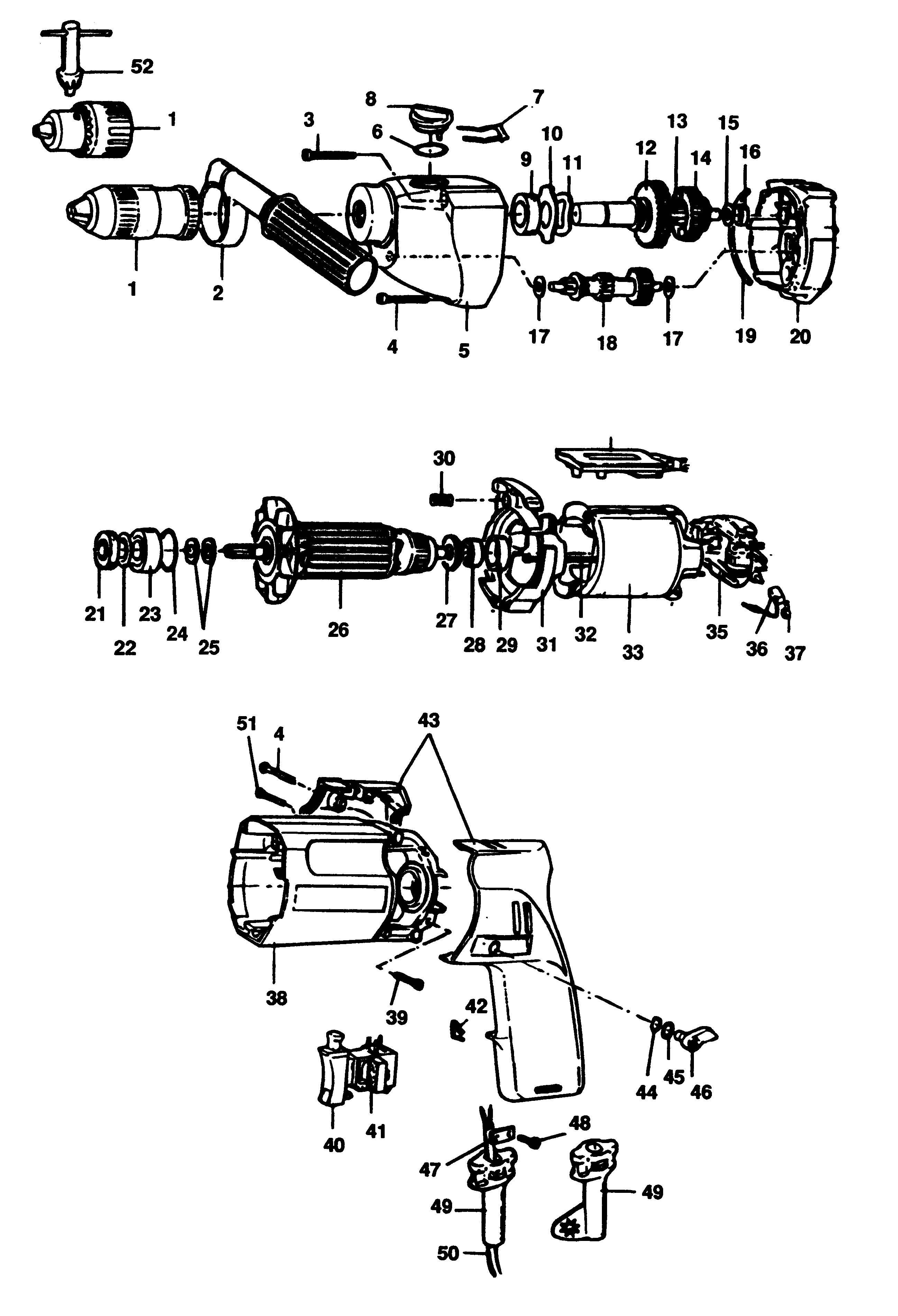
P1229 TRAPANO Type 1 | Disegni
Documenti
Si prega di visualizzare il menu a tendina dal momento che alcuni prodotti potrebbero avere più disegni

Item No. | Product Number | Qty Per | Product Description | INFORMAZIONI | Altre informazioni | Markets | Product Status | Guida ai prezzi |
---|---|---|---|---|---|---|---|---|
1 | 930019 | 1 | MANDRINO | P1229 | XJ | ![]() |
101.57 EUR | |
2 | 930281 | 1 | ASS. IMPUGNATURA | XJ | ![]() |
11.39 EUR | ||
3 | 930082-01 | 2 | VITE | XJ | ![]() |
1.00 EUR | ||
4 | 931297-00 | 2 | VITE | XJ | ![]() |
1.54 EUR | ||
5 | 932783 | 1 | SCATOLA INGRANAGGI | XJ | ||||
6 | 932517 | 1 | GUARNIZIONE | XJ | ![]() |
1.00 EUR | ||
7 | 932513 | 1 | MOLLA | XJ | ![]() |
1.20 EUR | ||
9 | 930041 | 1 | CUSCINETTO | XJ | ![]() |
1.20 EUR | ||
10 | 930113 | 1 | PIASTRA DI TENUTA | XJ | ![]() |
1.00 EUR | ||
11 | 930114 | 1 | RONDELLA ELASTICA | XJ | ![]() |
1.20 EUR | ||
13 | 930194 | 1 | ALBERO | XJ | ![]() |
50.38 EUR | ||
14 | 932585 | 1 | ASS.MANDR.E ALBERINO | XJ | ![]() |
14.00 EUR | ||
15 | 930115 | 1 | RONDELLA | XJ | ![]() |
2.36 EUR | ||
16 | 930017-00 | 1 | RONDELLA | XJ | ![]() |
11.39 EUR | ||
17 | 930102-00 | 2 | RONDELLA | XJ | ![]() |
5.54 EUR | ||
18 | 931778 | 1 | ASS. INGR.E PIGNONE | XJ | ![]() |
32.42 EUR | ||
19 | 930032 | 1 | GUARNIZIONE | XJ | ||||
20 | 932891 | 1 | ASS.COP.SCAT.INGR. | XJ | ![]() |
16.88 EUR | ||
21 | 930033 | 1 | RONDELLA | XJ | ![]() |
1.10 EUR | ||
22 | 930104 | 1 | RONDELLA | XJ | ![]() |
1.00 EUR | ||
23 | 330003-06 | 1 | CUSCINETTO | FR 1229 ONLY | XJ | ![]() |
6.05 EUR | |
23 | 330003-07 | 1 | CUSCINETTO | ALL MKTS EXCEPT FR | XJ | ![]() |
5.54 EUR | |
24 | 930039 | 1 | GUARNIZIONE | XJ | ![]() |
1.33 EUR | ||
25 | 930106 | 2 | RONDELLA | XJ | ![]() |
1.00 EUR | ||
26 | 930154 | 1 | INDOTTO | XJ | ![]() |
61.56 EUR | ||
27 | 930051 | 1 | DISTANZIALE | P1229 | XJ | ![]() |
1.00 EUR | |
28 | 330003-02 | 1 | CUSCINETTO | XJ | ![]() |
4.21 EUR | ||
29 | 930275-00 | 1 | MANICOTTO | P1224 | XJ | ![]() |
2.67 EUR | |
29 | 930029-00 | 1 | HOLDER BEARING | FR 1229 ONLY | XJ | ![]() |
1.00 EUR | |
30 | 932757 | 1 | MOLLA | XJ | ![]() |
1.10 EUR | ||
31 | 930806 | 1 | LINGUETTA DI GUIDA | XJ | ![]() |
1.54 EUR | ||
32 | 930077-00 | 2 | VITE | XJ | ![]() |
1.00 EUR | ||
33 | 868629-02 | 1 | STATORE | P1229 | XJ | ![]() |
32.42 EUR | |
33 | 930155 | 1 | STATORE | P1224 | XJ | ![]() |
15.54 EUR | |
34 | 930552 | 1 | ELECTRONIC 220V | P1224 | XJ | ![]() |
20.52 EUR | |
34 | 930183 | 1 | ELECTRONIC 240V | P1229 | XJ | ![]() |
32.42 EUR | |
35 | 930167-00 | 1 | ASS.PORTASPAZZOLE | XJ | ![]() |
22.98 EUR | ||
36 | 930151-00 | 2 | BRUSH 220V | FR 1229 ONLY | XJ | ![]() |
2.36 EUR | |
36 | 939539-01 | 2 | SPAZZOLA AUTOESPELL. | ALL MKTS EXCEPT FR | XJ | ![]() |
4.21 EUR | |
37 | 930090-00 | 2 | MOLLA SPAZZOLE | XJ | ![]() |
1.10 EUR | ||
39 | 930284-01 | 1 | VITE | XJ | ![]() |
1.00 EUR | ||
40 | 934161 | 1 | INTERRUTTORE | P1224 | XJ | ![]() |
18.73 EUR | |
40 | 934161 | 1 | INTERRUTTORE | P1229 | XJ | ![]() |
18.73 EUR | |
41 | 930026 | 1 | SPUGNA | XJ | ![]() |
1.10 EUR | ||
42 | 930187 | 1 | CONNETTORE | XJ | ![]() |
1.20 EUR | ||
43 | 930209 | 1 | ASS. IMPUGNATURA | P1224 | XJ | ![]() |
4.87 EUR | |
43 | 930209 | 1 | ASS. IMPUGNATURA | P1229 | XJ | ![]() |
4.87 EUR | |
43 | 930210 | 1 | ASS. IMPUGNATURA | FR 1229 ONLY | XJ | ![]() |
7.18 EUR | |
44 | 930095 | 1 | GRAFFA | P1224 | XJ | ![]() |
1.00 EUR | |
45 | 930110 | 1 | RONDELLA | P1224 | XJ | ![]() |
1.00 EUR | |
46 | 932785 | 1 | LEVA | P1224 | XJ | ![]() |
1.33 EUR | |
47 | 930103-00 | 1 | SERRAFILO | XJ | ![]() |
1.00 EUR | ||
48 | 930276 | 2 | VITE | XJ | ![]() |
1.00 EUR | ||
49 | 732456 | 1 | CORD PROTECTOR | P1224 | XJ | ![]() |
1.54 EUR | |
49 | 930040 | 1 | CORD PROTECTOR | P1229 | XJ | ![]() |
1.54 EUR | |
49 | 930040 | 1 | CORD PROTECTOR | FR 1229 ONLY | XJ | ![]() |
1.54 EUR | |
50 | 930216 | 1 | CAVO | ALL MKTS EXCEPT FR | XJ | |||
50 | 938109 | 1 | CAVO | FR 1229 ONLY | XJ | ![]() |
5.54 EUR | |
51 | 930079-01 | 3 | VITE | XJ | ![]() |
1.00 EUR | ||
52 | 930016 | 1 | CHIAVE MANDRINO | P1224 | XJ | ![]() |
4.21 EUR |
* I prezzi indicati possono subire variazioni e non sono inclusivi di IVA ed eventuali spese di trasporto. Ci riserviamo la possibilità di variare i prezzi e le condizioni senza preavviso.