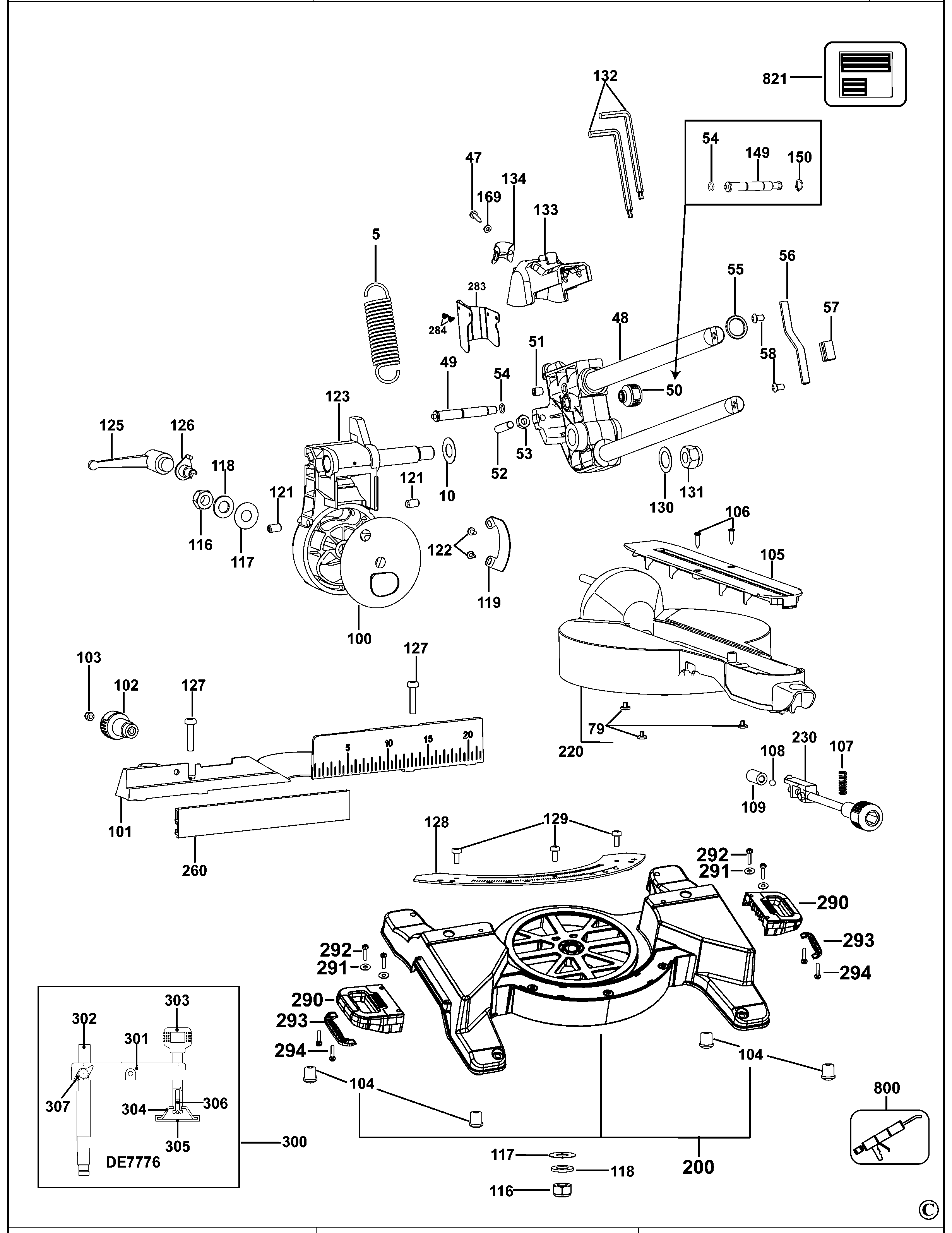
DWS777 SEGA MITRE Type 2 | Disegni
Documenti
Si prega di visualizzare il menu a tendina dal momento che alcuni prodotti potrebbero avere più disegni
| Item No. | Product Number | Qty Per | Product Description | INFORMAZIONI | Altre informazioni | Markets | Product Status | Guida ai prezzi |
|---|---|---|---|---|---|---|---|---|
| 1 | 330065-06 | 1 | VITE | QS | ![]() |
1.00 EUR | ||
| 2 | 947018-00 | 1 | INSERTO | QS | ![]() |
1.74 EUR | ||
| 3 | 947638-00 | 1 | GUARNIZIONE | QS | ![]() |
1.33 EUR | ||
| 4 | 946874-00 | 1 | REGOLATORE | QS | ![]() |
1.20 EUR | ||
| 5 | 869142-00 | 1 | MOLLA | QS | ![]() |
2.67 EUR | ||
| 6 | 940441-00 | 1 | CHIAVE | QS | ![]() |
1.33 EUR | ||
| 7 | 949886-26 | 1 | VITE | QS | ![]() |
1.10 EUR | ||
| 8 | 869275-01 | 1 | ARRESTO DI GOMMA | >402008 | QS | ![]() |
1.00 EUR | |
| 9 | 947067-00 | 1 | SPINA | QS | ![]() |
1.33 EUR | ||
| 10 | 869163-01 | 1 | RONDELLA | QS | ![]() |
1.10 EUR | ||
| 11 | N448900 | 1 | CORPO MOTORE | QS | ![]() |
22.98 EUR | ||
| 12 | 145312-00 | 1 | SPINA | QS | ![]() |
1.10 EUR | ||
| 13 | 330019-19 | 2 | VITE | QS | ![]() |
1.33 EUR | ||
| 20 | 659512-00 | 1 | SPAZZOLE ( X 2 ) | QS | ![]() |
8.52 EUR | ||
| 22 | N460310 | 1 | BRUSHBOX | QS | ![]() |
22.98 EUR | ||
| 24 | 330019-13 | 4 | VITE | M4X19 T20 | QS | ![]() |
1.00 EUR | |
| 25 | 391933-00 | 1 | COPERTURA TERMINALE | QS | ![]() |
2.36 EUR | ||
| 26 | N625165 | 1 | ETICHETTA MARCHIO | QS | ![]() |
1.33 EUR | ||
| 27 | 869138-01 | 1 | BAFFLE FAN | QS | ![]() |
2.67 EUR | ||
| 28 | 869246-00 | 1 | MOLLA | QS | ![]() |
1.20 EUR | ||
| 29 | 949729-02 | 1 | ANELLO D'ARRESTO | QS | ![]() |
1.10 EUR | ||
| 30 | 949729-03 | 1 | ANELLO D'ARRESTO | QS | ![]() |
1.10 EUR | ||
| 31 | 869312-02 | 1 | ASS. STAFFA | >402008 | QS | ![]() |
48.22 EUR | |
| 32 | 869302-00 | 1 | ARMATURE 230V | QS | ![]() |
59.00 EUR | ||
| 33 | N110359 | 1 | CUSCINETTO | QS | ![]() |
2.00 EUR | ||
| 34 | 861721-13 | 1 | CUSCINETTO | QS | ![]() |
4.21 EUR | ||
| 35 | 869139-00 | 1 | VENTOLA | QS | ![]() |
1.44 EUR | ||
| 36 | 860094-02 | 2 | VITE | QS | ![]() |
1.00 EUR | ||
| 37 | 605040-59 | 1 | CUSCINETTO | QS | ![]() |
2.87 EUR | ||
| 38 | 861721-10 | 1 | CUSCINETTO | 6003 2RS | QS | ![]() |
2.87 EUR | |
| 39 | 869316-00 | 1 | ALBERINO | QS | ![]() |
11.39 EUR | ||
| 40 | N314939 | 1 | CAVO CON SPINA | QS | 11.39 EUR | |||
| 41 | 860468-00 | 1 | CONNETTORE | QS | ![]() |
1.54 EUR | ||
| 42 | 394375-02P | 1 | INTERRUTTORE | QS | ![]() |
11.39 EUR | ||
| 43 | 384127-01 | 2 | VITE | QS | ![]() |
1.00 EUR | ||
| 44 | N460311 | 1 | ASS. CONDENSATRORE | 230V | QS | ![]() |
12.67 EUR | |
| 46 | 330045-10 | 4 | VITE | PH/TT M4X35 | QS | ![]() |
1.10 EUR | |
| 47 | 949896-12 | 4 | VITE | QS | ![]() |
1.00 EUR | ||
| 48 | 869318-00 | 1 | ASS. ASTA | QS | ![]() |
66.18 EUR | ||
| 49 | 869144-00 | 1 | PERNO | <092014 | QS | ![]() |
2.87 EUR | |
| 50 | 869203-00 | 1 | MANOPOLA | <092014 | QS | ![]() |
1.74 EUR | |
| 51 | 330022-17 | 1 | VITE SENZA TESTA | QS | ![]() |
1.00 EUR | ||
| 52 | 760242-00 | 1 | VITE | QS | ![]() |
1.10 EUR | ||
| 53 | 860083-14 | 1 | DADO | QS | ![]() |
1.00 EUR | ||
| 54 | 943030-00 | 1 | ANELLO TOROIDALE | QS | ![]() |
1.00 EUR | ||
| 55 | 869141-00 | 1 | ANELLO TOROIDALE | 18.6 X 3.5 | QS | ![]() |
1.00 EUR | |
| 56 | 947613-00 | 1 | STAFFA | QS | ![]() |
3.80 EUR | ||
| 57 | 869275-00 | 1 | PARACOLPI | <402008 | QS | ![]() |
1.00 EUR | |
| 58 | 949609-03 | 2 | VITE | QS | ![]() |
1.00 EUR | ||
| 59 | 869147-00 | 1 | PULEGGIA DI COMANDO | QS | ![]() |
3.08 EUR | ||
| 60 | 869150-00 | 1 | CINGHIA RIGATA | QS | ![]() |
10.05 EUR | ||
| 61 | 869149-00 | 1 | PULEGGIA | QS | ![]() |
6.05 EUR | ||
| 62 | 869140-00 | 1 | GRILLETTO | QS | ![]() |
1.74 EUR | ||
| 63 | 860083-12 | 1 | NUT M6 | QS | ![]() |
1.00 EUR | ||
| 64 | 868082-00 | 1 | MOLLA | QS | ![]() |
1.00 EUR | ||
| 65 | 761306-00 | 1 | PARACOLPI | QS | ![]() |
1.33 EUR | ||
| 66 | 949896-13 | 1 | VITE | QS | ![]() |
1.00 EUR | ||
| 67 | 760296-01 | 1 | PERNO | QS | ![]() |
1.20 EUR | ||
| 68 | 869161-00 | 1 | MOLLA DI TORSIONE | QS | ![]() |
1.20 EUR | ||
| 69 | 869192-00 | 1 | GUAINA ISOLANTE | QS | ![]() |
1.10 EUR | ||
| 70 | 760270-01 | 1 | RONDELLA | QS | ![]() |
1.20 EUR | ||
| 71 | 949727-04 | 1 | ANELLO D'ARRESTO | QS | ![]() |
1.20 EUR | ||
| 72 | 869166-00 | 1 | DISP. DI BLOCCAGGIO | QS | ![]() |
1.33 EUR | ||
| 73 | N448902 | 1 | COPERTURA MANICO | QS | ![]() |
20.52 EUR | ||
| 75 | 869154-00 | 1 | GUARDIA INFERIORE | QS | ![]() |
14.00 EUR | ||
| 76 | 861367-02 | 1 | RULLO | QS | ![]() |
1.00 EUR | ||
| 77 | 760295-01 | 1 | MOLLA | QS | ![]() |
1.74 EUR | ||
| 78 | 860077-01 | 2 | RONDELLA | QS | ![]() |
1.00 EUR | ||
| 79 | 760298-01 | 3 | INSERTO | QS | ![]() |
1.00 EUR | ||
| 80 | 860074-01 | 1 | RONDELLA | QS | ![]() |
1.00 EUR | ||
| 81 | 943022-01 | 1 | VITE | QS | ![]() |
1.00 EUR | ||
| 82 | N445206 | 1 | LEVA | QS | ![]() |
5.54 EUR | ||
| 83 | 869156-00 | 1 | PERNO | QS | ![]() |
1.33 EUR | ||
| 84 | 869295-00 | 1 | GUAINA ISOLANTE | QS | ![]() |
1.20 EUR | ||
| 87 | 939625-00 | 1 | RONDELLA | QS | ![]() |
1.00 EUR | ||
| 88 | 930076-01 | 1 | VITE | QS | ![]() |
1.00 EUR | ||
| 89 | 860073-00 | 1 | RONDELLA | QS | ![]() |
1.00 EUR | ||
| 90 | 860084-20 | 2 | VITE | QS | ![]() |
1.00 EUR | ||
| 91 | 949896-10 | 5 | VITE | QS | ![]() |
1.00 EUR | ||
| 92 | 949894-04 | 1 | VITE | QS | ![]() |
1.00 EUR | ||
| 93 | 330045-05 | 2 | VITE | QS | ![]() |
1.00 EUR | ||
| 94 | N292720 | 1 | FLANGIA INTERNA | QS | ![]() |
3.80 EUR | ||
| 96 | 869292-00 | 1 | FLANGIA ESTERNA | QS | ![]() |
6.05 EUR | ||
| 97 | 869245-00 | 1 | VITE | QS | ![]() |
1.33 EUR | ||
| 98 | N460315 | 1 | GUARDIA SUPERIORE | QS | ![]() |
15.54 EUR | ||
| 99 | N456928 | 1 | VITE | 3.9 X 22 T | QS | ![]() |
2.26 EUR | |
| 100 | 947614-00 | 1 | PIASTRA | QS | ![]() |
2.00 EUR | ||
| 101 | N783370 | 1 | GUIDA | QS | ![]() |
34.06 EUR | ||
| 102 | 869195-00 | 1 | MANOPOLA | QS | ![]() |
2.26 EUR | ||
| 103 | 860092-03 | 1 | NUT M5 | QS | ![]() |
1.00 EUR | ||
| 104 | 868777-00 | 4 | PIEDE | QS | ![]() |
1.10 EUR | ||
| 105 | N448898 | 1 | INSERTO | QS | ![]() |
3.80 EUR | ||
| 106 | 860205-08 | 2 | VITE | QS | ![]() |
1.00 EUR | ||
| 107 | 868778-00 | 1 | MOLLA | QS | ![]() |
1.10 EUR | ||
| 108 | 868708-00 | 1 | SFERA | QS | ![]() |
1.00 EUR | ||
| 109 | 868707-01 | 1 | GUAINA ISOLANTE | QS | ![]() |
1.00 EUR | ||
| 116 | 860092-07 | 1 | DADO | QS | ![]() |
1.10 EUR | ||
| 117 | 949705-01 | 2 | RONDELLA | QS | ![]() |
1.10 EUR | ||
| 118 | 860073-05 | 2 | RONDELLA | QS | ![]() |
1.00 EUR | ||
| 119 | 869091-00 | 1 | SCALA | QS | ![]() |
2.36 EUR | ||
| 121 | 949743-02 | 2 | VITE | M8 x 14mm | QS | ![]() |
1.20 EUR | |
| 122 | 949894-12 | 2 | VITE | QS | ![]() |
1.00 EUR | ||
| 123 | 869319-00 | 1 | ASS. SEGMENTO | QS | ![]() |
36.12 EUR | ||
| 125 | 861840-03 | 1 | LEVA | QS | ![]() |
3.80 EUR | ||
| 126 | 868680-00 | 1 | INSERTO | QS | ![]() |
2.36 EUR | ||
| 127 | 330045-26 | 2 | VITE | QS | ![]() |
1.44 EUR | ||
| 128 | N720979 | 1 | SCALA | QS | ![]() |
6.05 EUR | ||
| 129 | 330045-49 | 4 | VITE | QS | ![]() |
1.00 EUR | ||
| 130 | 869163-00 | 1 | RONDELLA | QS | ![]() |
1.10 EUR | ||
| 131 | 860092-09 | 1 | DADO | QS | ![]() |
1.20 EUR | ||
| 132 | 868682-00 | 2 | CHIAVE ESAGONALE | 4/6mm | QS | ![]() |
1.54 EUR | |
| 133 | N295979 | 1 | GUARDIA INFERIORE | QS | ![]() |
2.36 EUR | ||
| 134 | 869310-00 | 1 | ENTRATA | QS | ![]() |
1.33 EUR | ||
| 149 | N325259 | 1 | PERNO | >092014 | QS | ![]() |
7.18 EUR | |
| 150 | 860079-02 | 1 | ANELLO D'ARRESTO | >092014 | QS | ![]() |
1.00 EUR | |
| 169 | 249233-00 | 1 | RONDELLA | QS | ![]() |
1.00 EUR | ||
| 200 | N717629 | 1 | ASS. TAVOLO | QS | ![]() |
112.65 EUR | ||
| 220 | N717627 | 1 | TAVOLA ROTANTE | QS | ![]() |
96.24 EUR | ||
| 230 | 868943-02 | 1 | DISP. DI BLOCCAGGIO | QS | ![]() |
5.54 EUR | ||
| 250 | N467382 | 1 | ASS. LEVA | QS | ![]() |
6.05 EUR | ||
| 260 | 868743-02 | 1 | GUIDA | QS | ![]() |
8.52 EUR | ||
| 270 | N460319 | 1 | FIELD SA 230V | QS | ![]() |
50.38 EUR | ||
| 280 | N459407 | 1 | ETICHETTA | QS | ![]() |
1.74 EUR | ||
| 281 | N098063 | 1 | LENTE | XPS | QS | ![]() |
1.33 EUR | |
| 282 | N467015 | 1 | LED & POWER SUPPLY KIT | XPS | QS | ![]() |
41.96 EUR | |
| 283 | N446603 | 1 | DEFLETTORE POLVERE | QS | ![]() |
2.87 EUR | ||
| 284 | 607491-00 | 4 | RIBATTINO | QS | ![]() |
1.00 EUR | ||
| 290 | N703083 | 1 | EXTENSION | QS | ![]() |
6.05 EUR | ||
| 291 | 860083-02 | 4 | DADO | QS | ![]() |
1.00 EUR | ||
| 292 | 860093-08 | 4 | VITE | QS | ![]() |
1.00 EUR | ||
| 293 | N725895 | 2 | COPERTURA | QS | ![]() |
2.00 EUR | ||
| 294 | 949896-12 | 4 | VITE | QS | ![]() |
1.00 EUR | ||
| 300 | 869311-00 | 1 | ASS. MORSETTO | QS | ![]() |
12.67 EUR | ||
| 301 | 869306-00 | 1 | BRACCIO | QS | ![]() |
4.21 EUR | ||
| 302 | 869307-00 | 1 | ALBERO | QS | ![]() |
4.87 EUR | ||
| 303 | 869308-00 | 1 | MANOPOLA | QS | ![]() |
2.36 EUR | ||
| 304 | 630068-00 | 1 | SUPPORTO | QS | ![]() |
1.33 EUR | ||
| 305 | 630085-00 | 1 | GANASCIA | QS | ![]() |
1.33 EUR | ||
| 306 | 330045-55 | 1 | VITE | QS | ![]() |
1.10 EUR | ||
| 307 | 326573-01 | 1 | SCREW WING | QS | ![]() |
2.36 EUR | ||
| 800 | 93488-00 | 1 | GRASSO | Transmission | QS | ![]() |
8.52 EUR | |
| 821 | N680073 | 1 | SCHEDA | QS | QS | ![]() |
1.33 EUR |
* I prezzi indicati possono subire variazioni e non sono inclusivi di IVA ed eventuali spese di trasporto. Ci riserviamo la possibilità di variare i prezzi e le condizioni senza preavviso.

