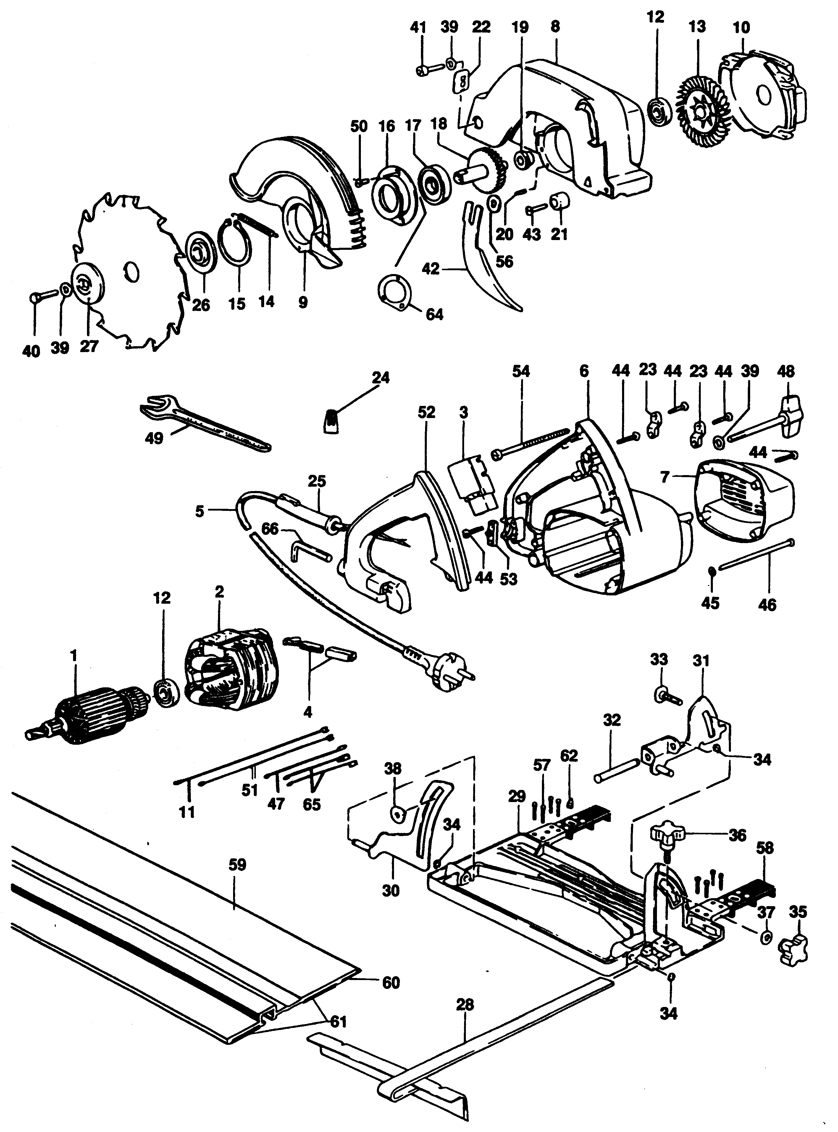
P8809 SEGA CIRCOLARE Type 1 | Disegni
Documenti
Si prega di visualizzare il menu a tendina dal momento che alcuni prodotti potrebbero avere più disegni
 
        
                                        | Item No. | Product Number | Qty Per | Product Description | INFORMAZIONI | Altre informazioni | Markets | Product Status | Guida ai prezzi | 
|---|---|---|---|---|---|---|---|---|
| 1 | 940979-00 | 1 | INDOTTO | XJ |  | 83.62 EUR | ||
| 2 | 941057-00 | 1 | STATORE | XJ |  | 48.22 EUR | ||
| 4 | 940978-00 | 2 | PORTASPAZZOLE | XJ |  | 18.73 EUR | ||
| 6 | 941078-00 | 1 | CORPO MOTORE | XJ |  | 25.24 EUR | ||
| 7 | 941074-00 | 1 | COPERTURA SPAZZOLE | XJ |  | 3.80 EUR | ||
| 8 | 941052-00 | 1 | SCATOLA INGRANAGGI | XJ |  | 52.94 EUR | ||
| 9 | 940970-01 | 1 | PROTEZIONE | XJ |  | 32.42 EUR | ||
| 10 | 151123701 | 1 | COPERTURA | XJ |  | 2.36 EUR | ||
| 11 | 940966-01 | 2 | LEAD 340MM RED | XJ | ||||
| 12 | 143830000 | 2 | CUSCINETTO | XJ |  | 4.87 EUR | ||
| 13 | 151130500 | 1 | VENTOLA | XJ |  | 2.26 EUR | ||
| 14 | 941055-00 | 1 | MOLLA | XJ |  | 2.36 EUR | ||
| 15 | 860079-05 | 1 | ANELLO D'ARRESTO | XJ |  | 1.20 EUR | ||
| 16 | 151150300 | 1 | CUSCINETTO | XJ |  | 22.98 EUR | ||
| 17 | 247571-00 | 1 | CUSCINETTO | XJ |  | 10.05 EUR | ||
| 18 | 329563-00 | 1 | ASS. INGRANAGGI | XJ |  | 25.24 EUR | ||
| 19 | 151980150 | 1 | BRONZINA | XJ |  | 2.87 EUR | ||
| 20 | 151123500 | 1 | MOLLA | XJ |  | 1.10 EUR | ||
| 21 | 761306-00 | 1 | PARACOLPI | XJ |  | 1.33 EUR | ||
| 22 | 940969-51 | 1 | PIASTRA | XJ |  | 1.44 EUR | ||
| 23 | 868069-00 | 2 | MORSETTO | XJ |  | 1.10 EUR | ||
| 24 | 941083-00 | 1 | CONNETTORE | XJ | ||||
| 25 | 940967-00 | 1 | CORD PROTECTOR | XJ |  | 1.00 EUR | ||
| 26 | 151155400 | 1 | MORSETTO | XJ |  | 8.52 EUR | ||
| 27 | 379342 | 1 | RONDEL. FISSAG. EST. | XJ |  | 6.05 EUR | ||
| 28 | 249226-00 | 1 | GUIDA | XJ |  | 5.54 EUR | ||
| 29 | 151115101 | 1 | BASE | XJ |  | 36.12 EUR | ||
| 30 | 248864-00 | 1 | SUPPORTO SNODATO | XJ |  | 5.54 EUR | ||
| 31 | 378929-00 | 1 | ASS. STAFFA | XJ |  | 8.52 EUR | ||
| 32 | 249107-00 | 1 | ALBERINO | XJ |  | 1.74 EUR | ||
| 33 | 249406-00 | 1 | VITE | XJ |  | 1.00 EUR | ||
| 34 | 860322-03 | 3 | ANELLO D'ARRESTO | XJ |  | 1.00 EUR | ||
| 35 | 941536-01 | 1 | MANOPOLA | XJ |  | 2.26 EUR | ||
| 36 | 025922908 | 1 | MANOPOLA | XJ |  | 1.74 EUR | ||
| 37 | 249092-20 | 1 | RONDELLA | XJ |  | 1.00 EUR | ||
| 38 | 151112400 | 1 | DADO | XJ |  | 2.00 EUR | ||
| 39 | 249221-00 | 3 | RONDELLA | XJ |  | 1.00 EUR | ||
| 40 | 249409-00 | 1 | VITE | XJ |  | 1.10 EUR | ||
| 41 | 249408-10 | 1 | VITE | XJ |  | 1.00 EUR | ||
| 42 | 248863-00 | 1 | LAMA CON MAN. A SQU. | XJ |  | 4.21 EUR | ||
| 43 | 151812100 | 1 | VITE | XJ |  | 1.10 EUR | ||
| 44 | 949896-12 | 12 | VITE | XJ |  | 1.00 EUR | ||
| 45 | 093820600 | 4 | RONDELLA DENTATA | XJ |  | 1.00 EUR | ||
| 46 | 101811100 | 4 | VITE | XJ |  | 1.33 EUR | ||
| 47 | 940966-03 | 1 | LEAD 145MM BLUE | XJ | ||||
| 48 | 248866-00 | 1 | SCREW WING | XJ |  | 4.21 EUR | ||
| 49 | 080351300 | 1 | SPANNER 10MM | XJ |  | 3.08 EUR | ||
| 50 | 720685-00 | 3 | SCREW.TEMP | XJ |  | 1.00 EUR | ||
| 51 | 940966-00 | 1 | LEAD 300MM BLACK | XJ |  | 1.00 EUR | ||
| 53 | 379684 | 1 | SERRAFILO PER CAVO | XJ |  | 1.00 EUR | ||
| 54 | 868528-00 | 2 | VITE | XJ |  | 1.10 EUR | ||
| 56 | 142930194 | 1 | RONDELLA | XJ |  | 1.00 EUR | ||
| 57 | 249416-06 | 8 | VITE | XJ |  | 1.10 EUR | ||
| 58 | 249116-00 | 2 | CAPOCORDA | XJ |  | 3.08 EUR | ||
| 59 | 151237700 | 1 | GUIDA | XJ |  | 72.33 EUR | ||
| 60 | 088207057 | 1 | RUBBER STRIP 20X1500 | XJ |  | 6.05 EUR | ||
| 61 | 088207058 | 2 | RUBBER STRIP 30X1500 | XJ |  | 8.52 EUR | ||
| 62 | 249119-00 | 1 | ECCENTRICO | XJ |  | 1.33 EUR | ||
| 64 | 247525-00 | 1 | GUARNIZIONE | XJ |  | 1.10 EUR | ||
| 65 | 940966-02 | 2 | LEAD 70MM YELLOW | XJ | ||||
| 66 | 930574-00 | 1 | HEX KEY 5 MM | XJ |  | 1.20 EUR | 
* I prezzi indicati possono subire variazioni e non sono inclusivi di IVA ed eventuali spese di trasporto. Ci riserviamo la possibilità di variare i prezzi e le condizioni senza preavviso.
 
             
                 Elenco Ricambi
Elenco Ricambi
                         Stampabile
Stampabile
                         Visualizza Pagina intera
Visualizza Pagina intera
                         
     
    