BD10 LEVIGATRICE / SMERIGLIATRICE Type 1 | Disegni
Documenti
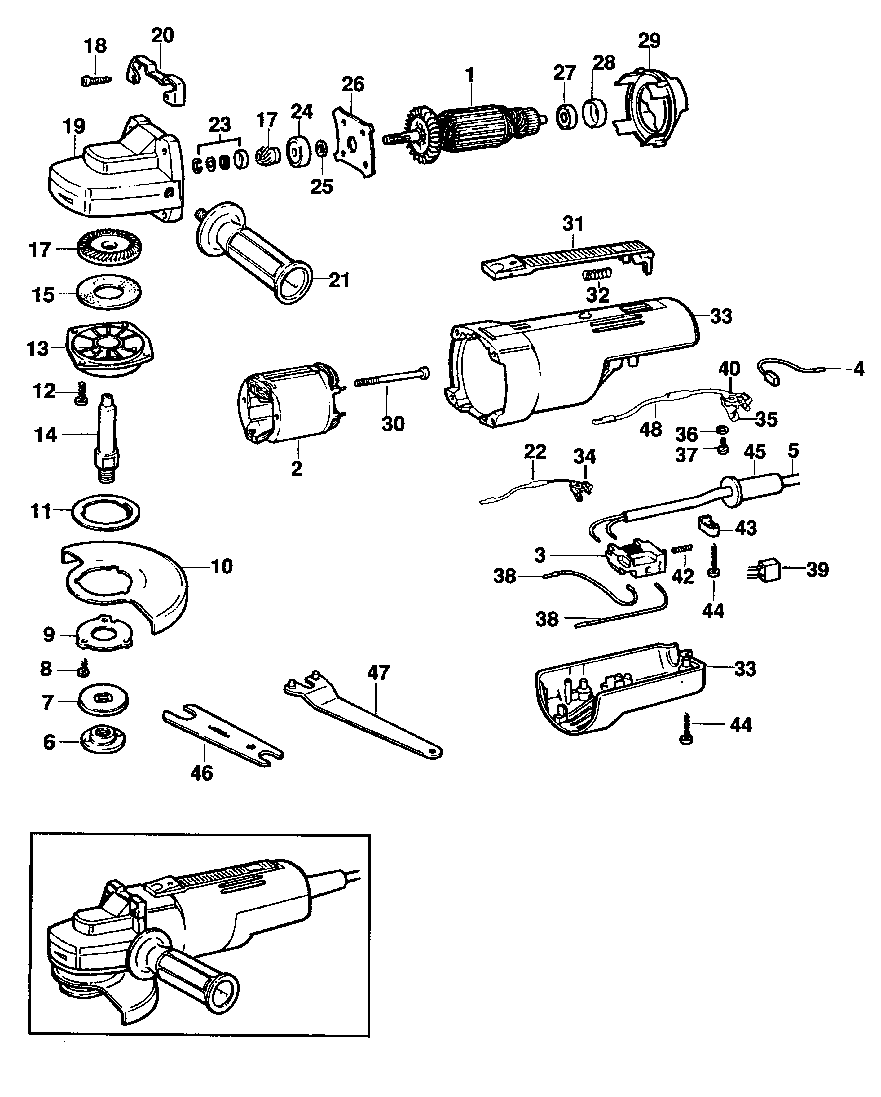
Si prega di visualizzare il menu a tendina dal momento che alcuni prodotti potrebbero avere più disegni
| Item No. | Product Number | Qty Per | Product Description | INFORMAZIONI | Altre informazioni | Markets | Product Status | Guida ai prezzi |
|---|---|---|---|---|---|---|---|---|
| 1 | 931167 | 1 | INDOTTO | IT | ![]() |
27.91 EUR | ||
| 2 | 949855-06 | 1 | ASS. STATORE | IT | ![]() |
16.88 EUR | ||
| 3 | 933523 | 1 | INTERRUTTORE | IT | ![]() |
5.54 EUR | ||
| 4 | 933552 | 2 | SPAZZOLE | IT | ![]() |
1.20 EUR | ||
| 5 | 940867 | 1 | CAVO | IT | ||||
| 6 | 947213-00 | 1 | FLANGIA | IT | ![]() |
2.67 EUR | ||
| 7 | 933661 | 1 | FLANGIA | IT | ![]() |
1.74 EUR | ||
| 8 | 930251-00 | 3 | VITE | IT | ![]() |
1.00 EUR | ||
| 10 | 937411-00 | 1 | PROTEZIONE | IT | ![]() |
4.21 EUR | ||
| 11 | 938272 | 1 | ANELLO | IT | ![]() |
1.33 EUR | ||
| 12 | 930770-00 | 4 | VITE | IT | ![]() |
1.00 EUR | ||
| 13 | 944055 | 1 | ASS.COP.SCAT.INGR. | IT | ![]() |
11.39 EUR | ||
| 14 | 946412-00 | 1 | ALBERINO | TYPE A2 | IT | ![]() |
7.18 EUR | |
| 14 | 932165 | 1 | ALBERINO | TYPE A1 | IT | ![]() |
8.52 EUR | |
| 15 | 946418-00 | 1 | FELTRO | IT | ![]() |
1.20 EUR | ||
| 17 | 932592 | 1 | INGRANAG. & PIGNONE | IT | ![]() |
20.52 EUR | ||
| 18 | 930079-01 | 4 | VITE | IT | ![]() |
1.00 EUR | ||
| 19 | 946571-00 | 1 | SCATOLA INGRANAGGI | TYPE A1 | IT | ![]() |
14.00 EUR | |
| 19 | 946571-00 | 1 | SCATOLA INGRANAGGI | TYPE A2 | IT | ![]() |
14.00 EUR | |
| 19 | 946571-00 | 1 | SCATOLA INGRANAGGI | TYPE A1 | IT | ![]() |
14.00 EUR | |
| 19 | 946571-00 | 1 | SCATOLA INGRANAGGI | TYPE A2 | IT | ![]() |
14.00 EUR | |
| 20 | 940066 | 1 | BRACCIO DI SOSTEGNO | IT | ![]() |
1.44 EUR | ||
| 22 | 937019 | 1 | CAVETTO | IT | ![]() |
4.21 EUR | ||
| 23 | 937668 | 1 | ASS. ANELLO ELASTICO | IT | ![]() |
2.36 EUR | ||
| 24 | 577745-00 | 1 | CUSCINETTO | IT | ![]() |
5.54 EUR | ||
| 25 | 930753-00 | 1 | RONDELLA | IT | ![]() |
1.00 EUR | ||
| 27 | 330003-34 | 1 | CUSCINETTO | IT | ![]() |
4.21 EUR | ||
| 28 | 930275-00 | 1 | MANICOTTO | IT | ![]() |
2.67 EUR | ||
| 29 | 936816 | 1 | LINGUETTA DI GUIDA | IT | ![]() |
1.33 EUR | ||
| 30 | 933541 | 2 | VITE | IT | ![]() |
1.10 EUR | ||
| 31 | 932902 | 1 | ASS. LEVA | IT | ![]() |
3.80 EUR | ||
| 32 | 932841 | 1 | MOLLA | IT | ![]() |
1.00 EUR | ||
| 33 | 937080-01 | 1 | CORPO MOTORE | IT | ![]() |
10.05 EUR | ||
| 34 | 933533 | 1 | ASS.PORTASPAZZOLE | IT | ![]() |
2.36 EUR | ||
| 35 | 933545 | 2 | MOLLA | IT | ![]() |
1.00 EUR | ||
| 36 | 933546 | 2 | RONDELLA | IT | ![]() |
1.00 EUR | ||
| 37 | 930076-00 | 2 | VITE | IT | ![]() |
1.00 EUR | ||
| 38 | 933554 | 2 | CAVETTO | IT | ![]() |
1.54 EUR | ||
| 39 | 930030 | 1 | CONDENSATORE | IT | ![]() |
1.54 EUR | ||
| 40 | 933542 | 1 | ASS.PORTASPAZZOLE | IT | ![]() |
2.36 EUR | ||
| 41 | 933520 | 1 | AMMORTIZATORE | IT | ![]() |
1.00 EUR | ||
| 42 | 933524-00 | 1 | MOLLA | IT | ![]() |
1.10 EUR | ||
| 43 | 933547 | 1 | SERRAFILO | IT | ![]() |
1.00 EUR | ||
| 44 | 932409 | 4 | VITE | IT | ![]() |
1.00 EUR | ||
| 45 | 949835-01 | 1 | MANICOTTO | IT | ![]() |
1.74 EUR | ||
| 46 | 931637 | 1 | CHIAVE | IT | ![]() |
3.08 EUR | ||
| 47 | 947830-02 | 1 | CHIAVE SPECIALE | IT | ![]() |
5.54 EUR | ||
| 48 | 937319 | 1 | CAVETTO | IT | ![]() |
3.08 EUR |
* I prezzi indicati possono subire variazioni e non sono inclusivi di IVA ed eventuali spese di trasporto. Ci riserviamo la possibilità di variare i prezzi e le condizioni senza preavviso.

