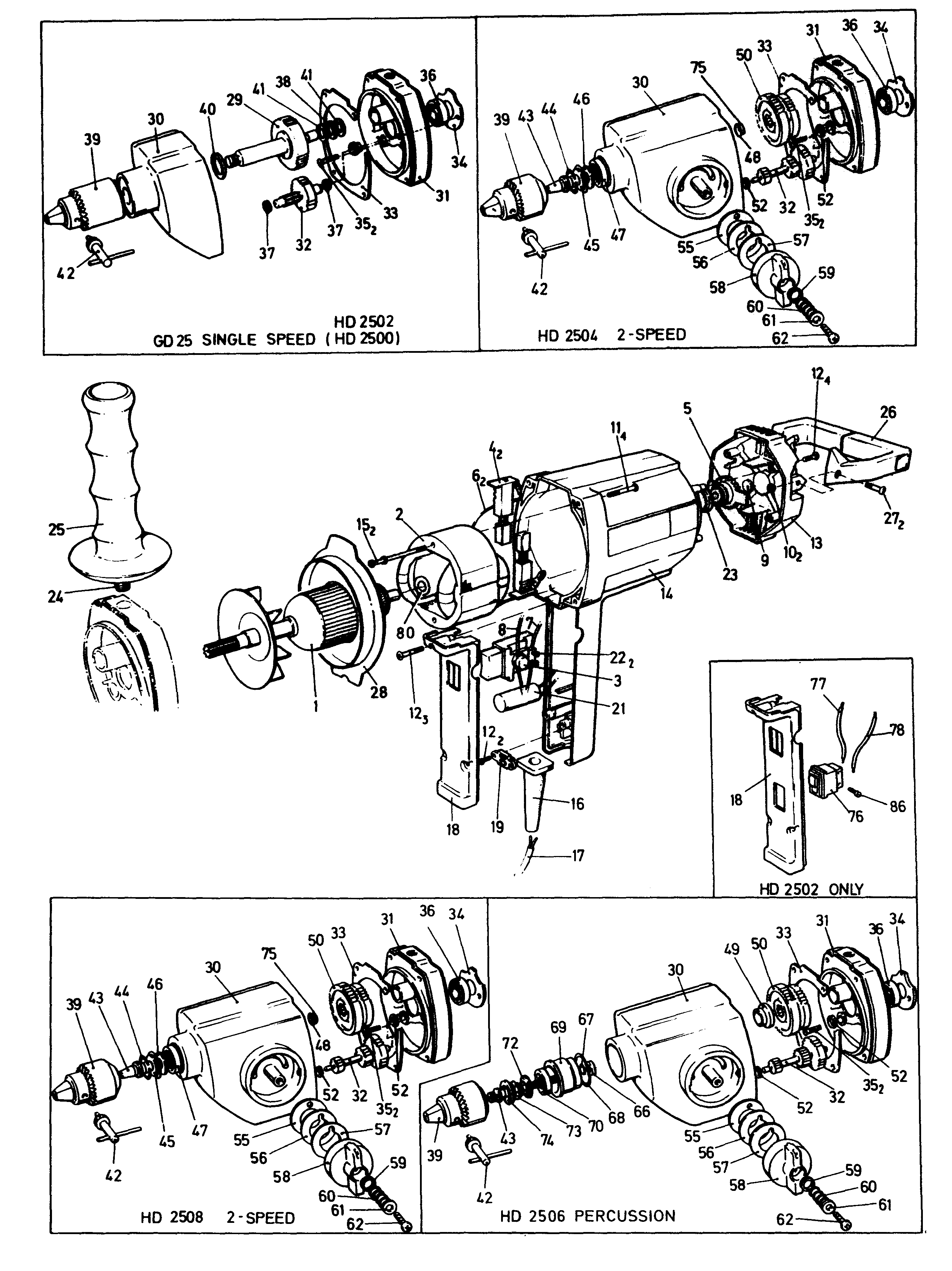
DRILLS----B TRAPANO Type 1 | Disegni
Documenti
Si prega di visualizzare il menu a tendina dal momento che alcuni prodotti potrebbero avere più disegni
| Item No. | Product Number | Qty Per | Product Description | INFORMAZIONI | Altre informazioni | Markets | Product Status | Guida ai prezzi |
|---|---|---|---|---|---|---|---|---|
| 1 | 850782-49 | 1 | ARMATURE 115V | 115 VOLTS | XJ | |||
| 2 | 851229-01 | 1 | FIELD 220V | HD2052 220 VOLTS | XJ | |||
| 2 | 851229-02 | 1 | FIELD 240V | HD2502 240 VOLTS | XJ | |||
| 2 | 851013-00 | 1 | FIELD 240V | 240 VOLTS | XJ | |||
| 2 | 851013-03 | 1 | FIELD 115V | 115 VOLTS | XJ | |||
| 2 | 851229-03 | 1 | FIELD 115V | HD2052 115 VOLTS | XJ | |||
| 3 | 851014 | 1 | INTERRUTTORE | XJ | ![]() |
2.87 EUR | ||
| 4 | 885403 | 2 | ASS.SPAZ.E PORTASP. | XJ | ![]() |
8.52 EUR | ||
| 7 | 885669 | 1 | ASS. CAVETTO | XJ | ![]() |
1.10 EUR | ||
| 9 | 890550 | 1 | OLIATORE | XJ | ![]() |
1.00 EUR | ||
| 10 | 893261 | 2 | NUT M6 | XJ | ![]() |
1.00 EUR | ||
| 13 | 853356 | 1 | COPERTURA TERMINALE | XJ | ![]() |
2.67 EUR | ||
| 17 | 4688529 | 1 | CAVO AL METRO | XJ | ![]() |
2.26 EUR | ||
| 18 | 853358 | 1 | COPERTURA | XJ | ![]() |
2.26 EUR | ||
| 21 | 807285-08 | 1 | CONDENSATORE | XJ | ![]() |
1.54 EUR | ||
| 21 | 853965 | 1 | CONDENSATORE | HD2052 | XJ | |||
| 22 | 990735 | 2 | VITE | XJ | ![]() |
1.00 EUR | ||
| 25 | 852256 | 1 | HANDLE | XJ | ||||
| 28 | 850798 | 1 | BAFFLE FAN | XJ | ||||
| 29 | 850775 | 1 | ALBERINO & INGRANAG. | GD25 HD2500 | XJ | ![]() |
22.98 EUR | |
| 30 | 850928 | 1 | SCATOLA INGRANAGGI | HD2504 13MM | XJ | |||
| 30 | 851403 | 1 | SCATOLA INGRANAGGI | HD2508 16MM | XJ | ![]() |
29.65 EUR | |
| 31 | 851404 | 1 | COPERTURA | HD2508 16MM | XJ | ![]() |
20.52 EUR | |
| 32 | 850926 | 1 | ASS. INGRAN.RINVIO | HD2504 13MM | XJ | |||
| 32 | 851225 | 1 | ASS. INGRANAGGI | HD2502 | XJ | |||
| 32 | 850772 | 1 | ASS. INGR. DI RINVIO | GD25 HD2500 | XJ | ![]() |
20.52 EUR | |
| 36 | 330003-36 | 1 | CUSCINETTO | XJ | ![]() |
6.05 EUR | ||
| 37 | 851275 | 1 | RONDELLA | GD25 HD2500 | XJ | |||
| 37 | 851275 | 1 | RONDELLA | HD2502 | XJ | |||
| 39 | 881415 | 1 | CHUCK 13MM | HD2504 13MM | XJ | ![]() |
1.00 EUR | |
| 39 | 999986 | 1 | MANDRINO | HD2502 | XJ | ![]() |
27.91 EUR | |
| 39 | 330033-24 | 1 | CHUCK 13MM | GD25 HD2500 | XJ | ![]() |
22.98 EUR | |
| 39 | 330033-24 | 1 | CHUCK 13MM | HD2506 H10-H10A | XJ | ![]() |
22.98 EUR | |
| 41 | 850779 | 2 | RONDELLA | GD25 HD2500 | XJ | ![]() |
1.33 EUR | |
| 41 | 850779 | 2 | RONDELLA | HD2502 | XJ | ![]() |
1.33 EUR | |
| 42 | 852699 | 1 | CHIAVE MANDRINO | HD2504 13MM | XJ | |||
| 42 | 852699 | 1 | CHIAVE MANDRINO | HD2508 16MM | XJ | |||
| 42 | 852699 | 1 | CHIAVE MANDRINO | HD2506 H10-H10A | XJ | |||
| 42 | 894688 | 1 | CHUCK KEY 13MM | GD25 HD2500 | XJ | ![]() |
1.74 EUR | |
| 42 | 894688 | 1 | CHUCK KEY 13MM | HD2502 | XJ | ![]() |
1.74 EUR | |
| 44 | 898274 | 1 | ANELLO D'ARRESTO | HD2504 13MM | XJ | ![]() |
1.20 EUR | |
| 44 | 898274 | 1 | ANELLO D'ARRESTO | HD2508 16MM | XJ | ![]() |
1.20 EUR | |
| 45 | 898386 | 1 | ANELLO DI TENUTA | HD2504 13MM | XJ | ![]() |
1.00 EUR | |
| 45 | 898386 | 1 | ANELLO DI TENUTA | HD2508 16MM | XJ | ![]() |
1.00 EUR | |
| 46 | 898244 | 1 | FELTRO | HD2504 13MM | XJ | ![]() |
1.00 EUR | |
| 46 | 898244 | 1 | FELTRO | HD2508 16MM | XJ | ![]() |
1.00 EUR | |
| 48 | 930028-00 | 1 | ANELLO TOROIDALE | HD2504 13MM | XJ | ![]() |
1.00 EUR | |
| 48 | 930028-00 | 1 | ANELLO TOROIDALE | HD2508 16MM | XJ | ![]() |
1.00 EUR | |
| 48 | 930028-00 | 1 | ANELLO TOROIDALE | HD2506 H10-H10A | XJ | ![]() |
1.00 EUR | |
| 49 | 851642 | 1 | ANELLO DI TENUTA | HD2506 H10-H10A | XJ | |||
| 50 | 851606 | 1 | INGRANAGGI | HD2508 16MM | XJ | ![]() |
25.24 EUR | |
| 52 | 851275 | 2 | RONDELLA | GD25 HD2500 | XJ | |||
| 52 | 851275 | 2 | RONDELLA | HD2504 13MM | XJ | |||
| 52 | 851275 | 2 | RONDELLA | HD2508 16MM | XJ | |||
| 52 | 851275 | 2 | RONDELLA | HD2506 H10-H10A | XJ | |||
| 56 | 851234 | 1 | RONDELLA | HD2504 13MM | XJ | ![]() |
1.00 EUR | |
| 56 | 851234 | 1 | RONDELLA | HD2508 16MM | XJ | ![]() |
1.00 EUR | |
| 56 | 851234 | 1 | RONDELLA | HD2506 H10-H10A | XJ | ![]() |
1.00 EUR | |
| 60 | 851478 | 1 | MOLLA | HD2504 13MM | XJ | ![]() |
1.00 EUR | |
| 60 | 851478 | 1 | MOLLA | HD2508 16MM | XJ | ![]() |
1.00 EUR | |
| 60 | 851478 | 1 | MOLLA | HD2506 H10-H10A | XJ | ![]() |
1.00 EUR | |
| 62 | 892156 | 1 | VITE | HD2504 13MM | XJ | ![]() |
1.00 EUR | |
| 62 | 892156 | 1 | VITE | HD2506 H10-H10A | XJ | ![]() |
1.00 EUR | |
| 66 | 852461 | 1 | FERMO | HD2506 H10-H10A | XJ | |||
| 67 | 930028-00 | 1 | ANELLO TOROIDALE | HD2506 H10-H10A | XJ | ![]() |
1.00 EUR | |
| 72 | 2702590 | 1 | FLANGIA | HD2506 H10-H10A | XJ | |||
| 73 | 2502582 | 1 | MOLLA | HD2506 H10-H10A | XJ | |||
| 75 | 885210 | 1 | ANELLO D'ARRESTO | HD2504 13MM | XJ | ![]() |
1.00 EUR | |
| 75 | 885210 | 1 | ANELLO D'ARRESTO | HD2508 16MM | XJ | ![]() |
1.00 EUR | |
| 86 | 854546 | 3 | VITE | HD2052 | XJ |
* I prezzi indicati possono subire variazioni e non sono inclusivi di IVA ed eventuali spese di trasporto. Ci riserviamo la possibilità di variare i prezzi e le condizioni senza preavviso.

