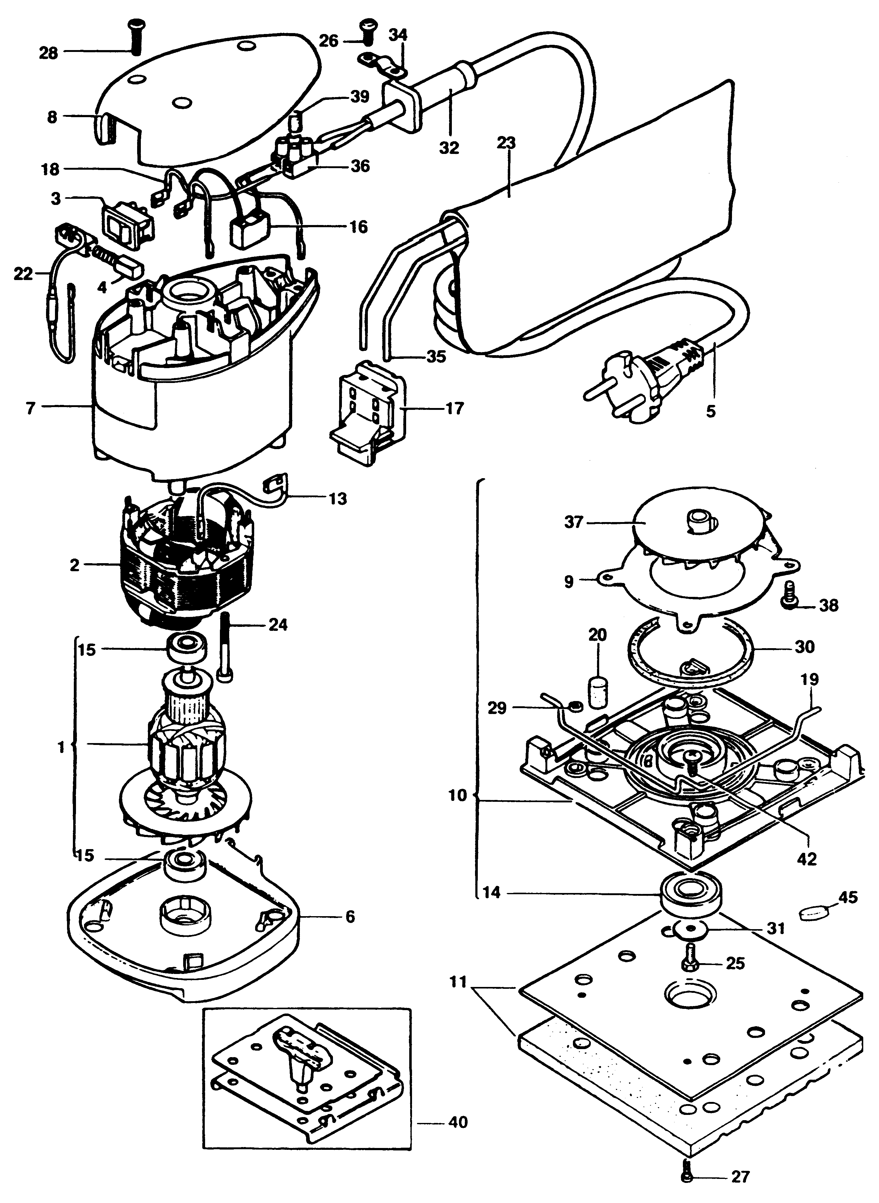
P6302 SANDER Type 1 | Drawings
Documents
| Item No. | Product Number | Qty Per | Product Description | General Description | Other Info | Markets | Product Status |
|---|---|---|---|---|---|---|---|
| 1 | 735491 | 1 | ARMATURE | 115 VOLT | AE | ![]() |
|
| 1 | 736397 | 1 | ARMATURE | 240 VOLT | AE | ![]() |
|
| 2 | 733083 | 1 | FIELD | AE | ![]() |
||
| 2 | 4101509 | 1 | CABLE | GB 115V | AE | ![]() |
|
| 3 | 735319 | 1 | SWITCH | AE | ![]() |
||
| 4 | 959775 | 2 | FSO BRUSH | AE | ![]() |
||
| 5 | 949770-03 | 1 | CABLE & PLUG | GB 240V | AE | ![]() |
|
| 5 | N571221 | 1 | CORDSET (EURO) | AE | |||
| 6 | 738975 | 1 | GEARCASE | AE | ![]() |
||
| 7 | 735652-04 | 1 | FIELDCASE | AE | ![]() |
||
| 8 | 736617-03 | 1 | COVER | AE | ![]() |
||
| 9 | 733309 | 1 | DEFLECTOR | AE | ![]() |
||
| 10 | 959776 | 1 | BASE | AE | ![]() |
||
| 11 | 733313 | 1 | PLATE SA | AE | ![]() |
||
| 13 | 733858 | 1 | LEAD SA | AE | ![]() |
||
| 14 | 915541 | 1 | BEARING | AE | ![]() |
||
| 15 | 330003-19 | 2 | BEARING | AE | ![]() |
||
| 16 | 322938 | 1 | CAPACITOR | AE | ![]() |
||
| 17 | 736614 | 1 | SUPPORT BRACKET | AE | ![]() |
||
| 18 | 323635-13 | 1 | LEAD 100MM | AE | ![]() |
||
| 19 | 733312 | 2 | GRIP | AE | ![]() |
||
| 20 | 735725 | 4 | STUD | AE | ![]() |
||
| 22 | 733854 | 2 | LEAD SA | AE | ![]() |
||
| 23 | 733174 | 1 | BAG | AE | ![]() |
||
| 24 | 736417 | 2 | SCREW | AE | ![]() |
||
| 25 | 872449 | 1 | SCREW | AE | ![]() |
||
| 26 | 911059 | 2 | SCREW | AE | ![]() |
||
| 28 | 911060 | 3 | SCREW | AE | ![]() |
||
| 29 | 875258 | 4 | NUT | AE | ![]() |
||
| 30 | 733093 | 1 | WASHER FELT | AE | ![]() |
||
| 31 | 735313 | 1 | WASHER | AE | ![]() |
||
| 32 | 916968 | 1 | CORD PROTECTOR | AE | ![]() |
||
| 34 | 910556 | 1 | CABLE CLAMP | AE | ![]() |
||
| 35 | 733173 | 1 | CLIP | AE | ![]() |
||
| 36 | 323534-00 | 1 | CONNECTOR | AE | |||
| 38 | D911324 | 4 | SCREW | AE | ![]() |
||
| 42 | 911276 | 2 | SCREW | AE | ![]() |
||
| 45 | 323857-01 | 2 | PLATE | AE | ![]() |

