D25601K ROTARY HAMMER Type 2 | Drawings
Documents
| Item No. | Product Number | Qty Per | Product Description | General Description | Other Info | Markets | Product Status |
|---|---|---|---|---|---|---|---|
| 1 | N046419 | 1 | ARMATURE 120V | LX | ![]() |
||
| 2 | N046422 | 1 | FIELD 120V | LX | ![]() |
||
| 3 | N047284 | 1 | HOUSING SA | LX | ![]() |
||
| 4 | 330003-39 | 1 | BEARING | LX | ![]() |
||
| 5 | 327141-03 | 1 | SEAL | LX | ![]() |
||
| 6 | 577746-00 | 1 | RING | LX | ![]() |
||
| 9 | 330065-21 | 2 | SCREW | LX | ![]() |
||
| 11 | 1007970-00 | 2 | CONNECTOR | LX | ![]() |
||
| 20 | 330003-60 | 1 | BEARING | LX | ![]() |
||
| 21 | 1007732-00 | 1 | SLEEVE | LX | ![]() |
||
| 22 | 1007798-00 | 1 | BRIDGE | LX | ![]() |
||
| 23 | N047304 | 1 | BRUSH & HOLDER 115V | LX | ![]() |
||
| 24 | N047286 | 1 | BRUSH PAIR 120V | LX | ![]() |
||
| 26 | N016920 | 1 | BAFFLE FAN | LX | ![]() |
||
| 27 | 330065-08 | 25 | SCREW | M4x18 T20 | LX | ![]() |
|
| 28 | 1006592-01 | 1 | FAN SA | LX | ![]() |
||
| 29 | 324119-02 | 1 | SCREW | LX | ![]() |
||
| 40 | 1008683-00 | 1 | END CAP | LX | ![]() |
||
| 41 | 1006576-02 | 1 | MOTOR COVER | LX | ![]() |
||
| 42 | N041754 | 1 | GACC MODULE 115V | LX | ![]() |
||
| 49 | 1005672-00 | 1 | SCREW | LX | ![]() |
||
| 50 | 1007939-00 | 1 | COVERPLATE | LX | ![]() |
||
| 60 | 1007569-00 | 1 | SPRING | LX | ![]() |
||
| 61 | 1007567-00 | 1 | BUSH | LX | ![]() |
||
| 62 | 1007566-00 | 1 | STOP | LX | ![]() |
||
| 63 | 1007565-00 | 1 | BELLOWS | LX | ![]() |
||
| 64 | 1008681-00 | 1 | HOUSING HANDLE | LX | ![]() |
||
| 65 | 587114-01 | 1 | TRIGGER | LX | ![]() |
||
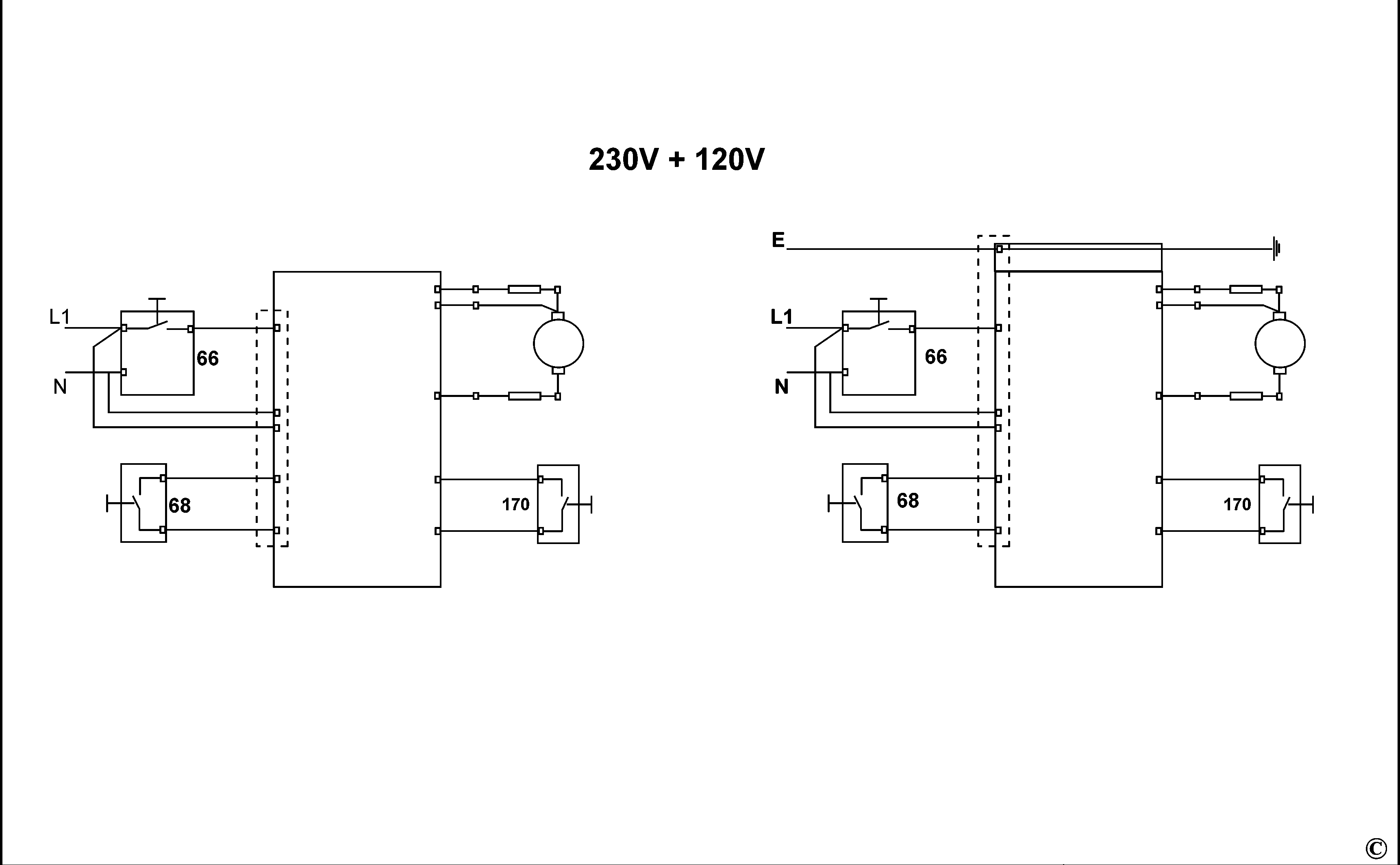
| 66 | 587274-00 | 1 | SWITCH | LX | ![]() |
||
| 67 | 1008682-00 | 1 | HANDLE COVER | LX | ![]() |
||
| 68 | N019514 | 1 | TRIGGER LOCK-ON | LX | |||
| 69 | N046423 | 1 | SET OF LEAD WIRES | LX | ![]() |
||
| 72 | 324438-90 | 1 | CORDSET | LX | LX | ![]() |
|
| 80 | 1008678-00 | 1 | BELLOWS | LX | ![]() |
||
| 81 | N038214 | 2 | BUSH | LX | ![]() |
||
| 82 | N062047 | 1 | PIN | LX | ![]() |
||
| 83 | 324007-11 | 19 | SCREW | M5 X 18 | LX | ![]() |
|
| 85 | 821070 | 1 | CORD CLAMP | LX | ![]() |
||
| 86 | 323091-01 | 1 | CORD PROTECTOR | LX | ![]() |
||
| 88 | 1008391-00 | 1 | COVER | LX | ![]() |
||
| 90 | 1007896-00 | 1 | GUIDE | LX | ![]() |
||
| 100 | 329816-00 | 1 | LIP SEAL | LX | ![]() |
||
| 101 | 326575-01 | 1 | COLLAR | LX | ![]() |
||
| 102 | 479247-00 | 1 | SLEEVE SA | LX | ![]() |
||
| 103 | 918825-02 | 4 | SCREW | LX | ![]() |
||
| 104 | 1006572-00 | 1 | COVER | LX | ![]() |
||
| 105 | 325878-00 | 2 | ROLLER | LX | ![]() |
||
| 106 | 325929-00 | 2 | HALF WASHER | LX | ![]() |
||
| 107 | 327208-00 | 1 | GUIDE | LX | ![]() |
||
| 108 | 323395-06 | 1 | SPRING | LX | ![]() |
||
| 109 | 487118-00 | 1 | SPRING | LX | ![]() |
||
| 110 | N313860 | 1 | GUIDE | LX | ![]() |
||
| 115 | N501145 | 1 | SIDE HANDLE | inc 112 | LX | ![]() |
|
| 116 | N040996 | 1 | DEPTH ROD | LX | ![]() |
||
| 119 | N038151 | 1 | FELT | LX | ![]() |
||
| 120 | N045793 | 1 | BUSH | LX | ![]() |
||
| 122 | 1007828-00 | 1 | SEAL | LX | ![]() |
||
| 123 | N041835 | 1 | HOUSING | Inc 120, 122 | LX | ![]() |
|
| 126 | 1005982-00 | 2 | WASHER | LX | ![]() |
||
| 127 | 496191-00 | 1 | DAMPER | LX | ![]() |
||
| 128 | N041834 | 1 | SPINDLE | LX | ![]() |
||
| 129 | N455684 | 1 | BEAT PIECE | LX | ![]() |
||
| 130 | 577484-00 | 1 | SEAL | LX | ![]() |
||
| 131 | 323711-10 | 1 | O RING | LX | ![]() |
||
| 135 | N064329 | 2 | WASHER | LX | ![]() |
||
| 140 | 494857-00 | 1 | BUSH | LX | ![]() |
||
| 141 | 1006283-00 | 1 | GASKET | LX | ![]() |
||
| 142 | 1005748-00 | 1 | SPRING | 2X40.2 | LX | ![]() |
|
| 143 | N210233 | 2 | O RING | LX | ![]() |
||
| 144 | 1006778-00 | 1 | BUSH | LX | ![]() |
||
| 145 | N041846 | 1 | CYLINDER | LX | ![]() |
||
| 146 | 577744-00 | 2 | O RING | LX | ![]() |
||
| 147 | N041845 | 1 | RAM | 5KG | LX | ![]() |
|
| 148 | 576232-01 | 2 | O RING | 23 X 4 | LX | ![]() |
|
| 149 | N041844 | 1 | SLEEVE | LX | ![]() |
||
| 150 | 1005749-00 | 1 | SELECTOR FORK | LX | ![]() |
||
| 160 | N551764 | 1 | BEVEL GEAR | | LX |
![]() | ||
| 161 | 325905-00 | 1 | RETAINER | LX | ![]() |
||
| 162 | 330041-22 | 1 | PIN | LX | ![]() |
||
| 163 | N041843 | 1 | PISTON | LX | ![]() |
||
| 164 | 494724-00 | 1 | CON ROD | LX | ![]() |
||
| 165 | N482797 | 1 | COVER RH | Silver | LX | ![]() |
|
| 166 | 1006786-00 | 1 | SELECTOR | LX | ![]() |
||
| 167 | 326467-00 | 1 | DETENT | LX | ![]() |
||
| 168 | 1006575-00 | 1 | COVER-TOP | LX | ![]() |
||
| 169 | 323711-57 | 1 | O RING | 8 X 2.2 | LX | ![]() |
|
| 170 | N019533 | 1 | MICRO SWITCH | LX | |||
| 172 | 496856-00 | 1 | ECCENTRIC | LX | ![]() |
||
| 180 | 1006784-00 | 1 | SLIDER | 5 KG | LX | ![]() |
|
| 181 | 323395-32 | 2 | SPRING | LX | ![]() |
||
| 182 | 1006783-00 | 1 | CONNECTOR | 5 KG | LX | ![]() |
|
| 183 | 496857-00 | 1 | COVER | LX | ![]() |
||
| 184 | 323711-59 | 1 | O RING | 65 X 4 | LX | ![]() |
|
| 185 | 1006785-00 | 1 | PLATE | LX | ![]() |
||
| 186 | N041841 | 1 | CRANKSHAFT | 5 KG | LX | ![]() |
|
| 187 | 323711-26 | 1 | O RING | LX | ![]() |
||
| 188 | N527066 | 1 | HOUSING SA | inc 190 + 191 | LX | ![]() |
|
| 190 | 577745-01 | 1 | BEARING,BALL | LX | ![]() |
||
| 191 | 586301-00 | 1 | BEARING,NEEDLE | LX | ![]() |
||
| 192 | 323711-57 | 1 | O RING | 8 X 2.2 | LX | ![]() |
|
| 193 | 1008427-00 | 1 | SCREW.SPECIAL | LX | ![]() |
||
| 201 | N482796 | 1 | COVER LH | SILVER | LX | ![]() |
|
| 202 | N041839 | 1 | CHAIN | P8 X 40 | LX | ![]() |
|
| 203 | N041837 | 1 | GEAR | LX | ![]() |
||
| 204 | 1006280-00 | 1 | GUIDE | LX | ![]() |
||
| 205 | N551770 | 1 | CLUTCH SA | 1 STEP | > wk12 2018 | LX | ![]() |
| 205 | N551770 | 1 | CLUTCH SA | 1 STEP | < wk12 2018 | LX | ![]() |
| 206 | 1006282-00 | 1 | GASKET | LX | ![]() |
||
| 800 | 870889-03 | 1 | GREASE | RENOLIT PARAGON EP ½ - 20 GRAMS | LX | ![]() |
|
| 810 | N040237 | 1 | TUBE OIL | LX | ![]() |
||
| 816 | N064908 | 1 | BRAND LABEL | LX | |||
| 817 | 487395-01 | 1 | LABEL | LX | ![]() |
||
| 821 | N486444 | 1 | RATING LABEL | LX | ![]() |
||
| 836 | 1003938-99 | 1 | SERVICE TOOL | LX | ![]() |
||
| 837 | 559645-99 | 1 | S.T.SEAL FITTING TOOL | LX | ![]() |
||
| 847 | N095947 | 1 | SERVICE KIT 120V | LX | ![]() |
||
| 861 | 574931-22 | 1 | KITBOX | LX | ![]() |

