DW849 POLISHER Type 2 | Drawings
Documents
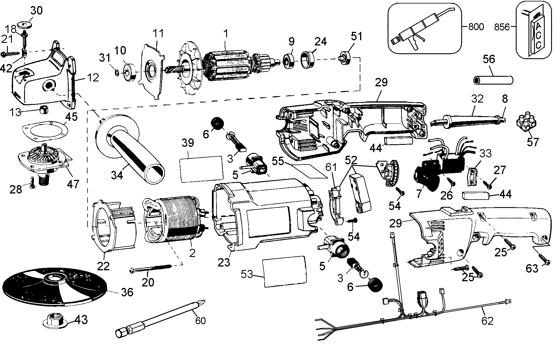
| Item No. | Product Number | Qty Per | Product Description | General Description | Other Info | Markets | Product Status |
|---|---|---|---|---|---|---|---|
| 1 | 448519-08SV | 1 | ARMATURE & FAN | XE | |||
| 2 | 448171-75SV | 1 | FIELD | XE | |||
| 3 | 450374-12 | 2 | BRUSH & SPRING | XE | |||
| 5 | 448083-01 | 2 | BRUSHBOX SA | XE | |||
| 6 | 448084-01 | 2 | BRUSH CAP | XE | |||
| 7 | 5140076-49 | 1 | SWITCH KIT | 115/230V SUPPRESSED | XE | ||
| 8 | 625948-01 | 1 | CORDSET | XE | |||
| 9 | 330003-04 | 1 | BEARING | XE | |||
| 10 | 605040-20 | 1 | BEARING | 12 x 28 x 8mm | XE | ||
| 11 | 448079-00 | 1 | PLATE | XE | |||
| 12 | 448506-08 | 1 | GEARCASE | XE | |||
| 13 | 449852-00 | 1 | SLEEVE BEARING | XE | |||
| 18 | 447827-00 | 1 | PIN | XE | |||
| 20 | 330044-23 | 2 | SCREW | XE | |||
| 21 | 330019-15 | 4 | SCREW | XE | |||
| 22 | 447786-00 | 1 | BAFFLE FAN | XE | |||
| 23 | 447799-08 | 1 | FIELDCASE | XE | |||
| 24 | 445217-02 | 1 | SLEEVE | XE | |||
| 25 | 330019-13 | 7 | SCREW | M4X19 T20 | XE | ||
| 26 | 330019-01 | 1 | SCREW | XE | |||
| 27 | 330019-03 | 2 | SCREW | XE | |||
| 28 | 158472-00 | 4 | SCREW | XE | |||
| 29 | 151122-14 | 1 | HANDLE & COVER | XE | |||
| 30 | 448127-01 | 1 | WASHER | XE | |||
| 31 | 696060-00 | 1 | RETAINER | XE | |||
| 32 | 330005-01 | 1 | CORD PROTECTOR | XE | |||
| 33 | 450877-00 | 1 | CORD CLAMP | XE | |||
| 34 | 086319-19 | 1 | SIDE HANDLE | XE | |||
| 36 | 146546-01 | 1 | PAD | 6.5 INCH, RUBBER | XE | ||
| 39 | 629870-00 | 1 | NAME PLATE | DW849-XE TY.2 | XE | ||
| 42 | 448136-00 | 1 | SPRING | XE | |||
| 43 | 636574-00 | 1 | WASHER CLAMP | XE | |||
| 44 | 150844-00 | 2 | PAD | XE | |||
| 45 | 5140120-49 | 1 | GASKET | PCKG'D 143106-00 | XE | ||
| 47 | 449706-09SV | 1 | SPINDLE & GEAR | M14x2 | XE | ||
| 51 | 148210-01 | 1 | MAGNET | XE | |||
| 52 | N034008 | 1 | CONTROL MODULE SA | DW849 230V | Incl. 61 | XE | |
| 53 | 627212-00 | 1 | BRAND LABEL | DEWALT | XE | ||
| 54 | 330019-02 | 3 | SCREW | XE | |||
| 55 | 652412-00 | 1 | WARNING LABEL | XE | |||
| 56 | 150855-00 | 1 | TUBE | XE | |||
| 57 | 320078-00 | 1 | TERMINAL BLOCK | XE | |||
| 60 | 233720-02 | 1 | BIT SCREWDRIVER | XE | |||
| 61 | 626227-00 | 1 | TACHOMETER | XE | |||
| 62 | 626711-01 | 1 | SET OF LEAD WIRES | XE | |||
| 63 | 146679-00 | 1 | SCREW | XE | |||
| 800 | 429698-00 | 1 | GREASE | BD-L 2 | XE | ||
| 856 | 384480-00 | 1 | BONNET POLISHING | XE |