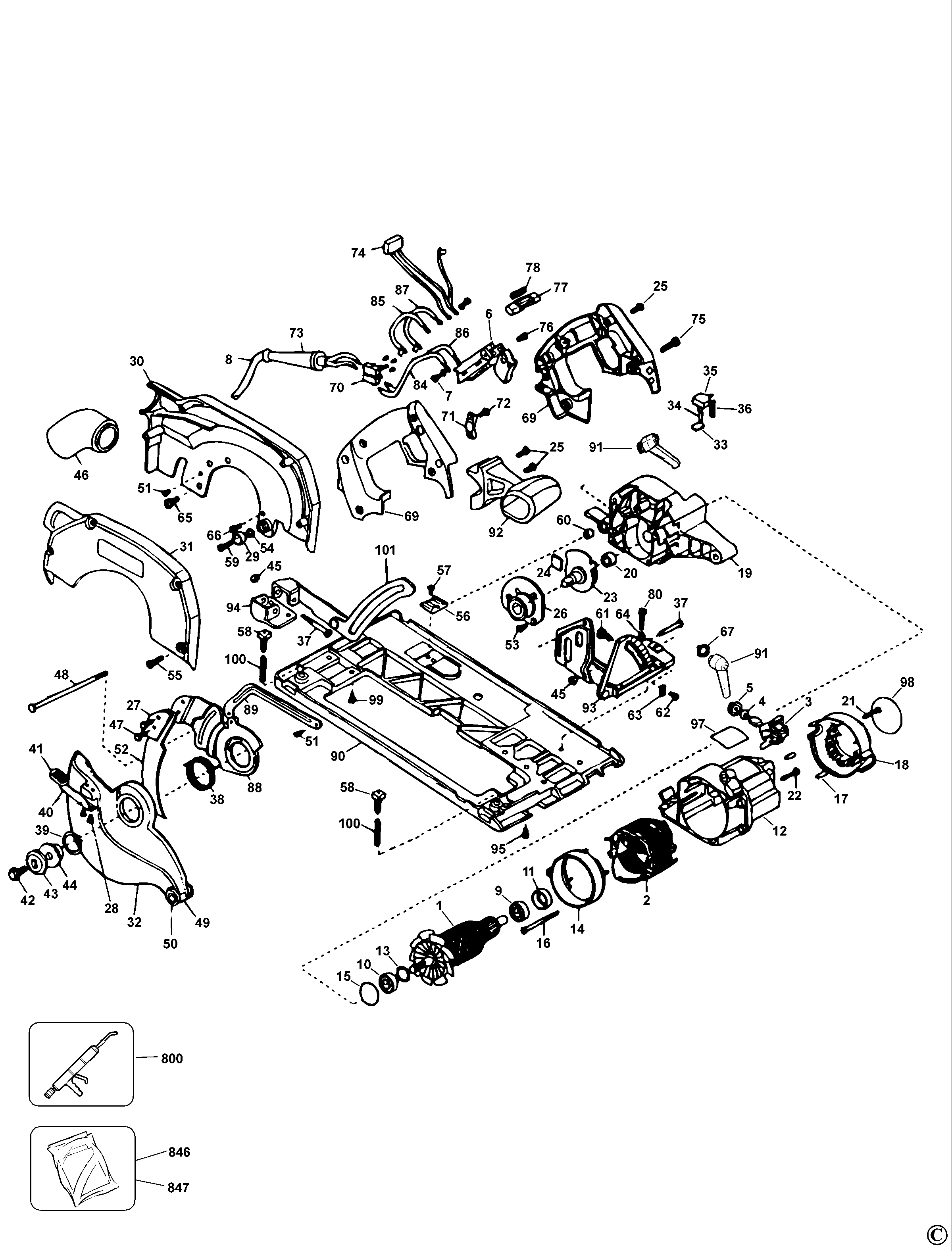
DW86 SEGA Type 1 | Disegni
Documenti
Si prega di visualizzare il menu a tendina dal momento che alcuni prodotti potrebbero avere più disegni
| Item No. | Product Number | Qty Per | Product Description | INFORMAZIONI | Altre informazioni | Markets | Product Status |
|---|---|---|---|---|---|---|---|
| 1 | 144785-10SV | 1 | INDOTTO CON VENTOLA | CH | |||
| 1 | 144785-10SV | 1 | INDOTTO CON VENTOLA | CH | |||
| 2 | N078042SV | 1 | ASS. STATORE | 230V | CH | ||
| 3 | 151148-01 | 2 | PORTASPAZZOLE | CH | |||
| 4 | 145323-01 | 2 | BRUSH SA 230V | CH | |||
| 5 | 448084-01 | 2 | SPAZZOLA CALOTTA | CH | |||
| 6 | 450777-03 | 1 | INTERRUTTORE | CH | |||
| 7 | 384127-01 | 4 | VITE | CH | |||
| 8 | 330080-31 | 1 | CAVO CON SPINA | CH | CH | ||
| 9 | 605040-20 | 1 | CUSCINETTO | 12 x 28 x 8mm | CH | ||
| 10 | 868768-07 | 1 | CUSCINETTO | CH | |||
| 11 | 137382-00 | 1 | MANICOTTO | CH | |||
| 12 | 144945-05 | 1 | CORPO MOTORE | CH | |||
| 13 | 930098-00 | 1 | ANELLO DI TENUTA | CH | |||
| 14 | 145301-00 | 1 | BAFFLE FAN | CH | |||
| 15 | 701297-00 | 1 | GUARNIZIONE | CH | |||
| 16 | 330019-19 | 2 | VITE | CH | |||
| 17 | 87205-00 | 2 | SPINA | CH | |||
| 18 | 382251-00 | 1 | ASS. COPERCHIO | CH | |||
| 19 | 145357-01 | 1 | SCATOLA INGRANAGGI | CH | |||
| 20 | 330004-06 | 1 | BOCCOLA AD AGHI | CH | |||
| 21 | 330019-20 | 2 | VITE | CH | |||
| 22 | 330045-19 | 4 | VITE | CH | |||
| 23 | 145353-09 | 1 | ALBERINO & INGRANAG. | CH | |||
| 24 | 147194-00 | 1 | GUARNIZIONE | CH | |||
| 25 | 330019-14 | 6 | VITE | CH | |||
| 26 | 145393-00 | 1 | COPERCHIO SCAT.INGR. | CH | |||
| 27 | 148241-01 | 1 | PIASTRA | CH | |||
| 28 | 949894-06 | 2 | VITE | CH | |||
| 29 | 868331-00 | 1 | PARACOLPI | CH | |||
| 30 | 152640-05 | 1 | GUARDIA SUPERIORE | CH | |||
| 31 | 861955-00 | 1 | COPERTURA GUARDIA | CH | |||
| 32 | 869044-00 | 1 | SC PROTEZIONE INF. | CH | |||
| 33 | 145351-00 | 1 | ECCENTRICO | CH | |||
| 34 | 145448-00 | 1 | LEVA | CH | |||
| 35 | 145350-00 | 1 | PULSANTE | CH | |||
| 36 | 150466-00 | 1 | MOLLA | CH | |||
| 37 | 396631-00 | 2 | VITE | CH | |||
| 38 | N388721 | 1 | MOLLA | CH | |||
| 39 | 388496-00 | 1 | ANELLO DI TENUTA | CH | |||
| 40 | 147055-00 | 1 | LEVA | CH | |||
| 41 | 148240-00 | 1 | CALOTTA | CH | |||
| 42 | 145344-00 | 1 | VITE | CH | |||
| 43 | 145446-00 | 1 | RONDEL. FISSAG. EST. | CH | |||
| 44 | 145442-03 | 1 | RONDEL. FISSAG. INT. | CH | |||
| 45 | 860092-03 | 2 | NUT M5 | CH | |||
| 46 | 148242-00 | 1 | UGELLO | CH | |||
| 47 | 861092-01 | 2 | VITE | CH | |||
| 48 | 868330-00 | 1 | BULL. A TESTA TONDA | CH | |||
| 49 | 868448-00 | 2 | RULLO | CH | |||
| 50 | 148460-00 | 2 | DADO | CH | |||
| 51 | 148757-00 | 2 | SCREW.SPECIAL | CH | |||
| 52 | 147077-01 | 1 | LAMA CON MAN. A SQU. | CH | |||
| 53 | 860205-05 | 1 | VITE | CH | |||
| 54 | 150246-00 | 1 | DISTANZIALE | CH | |||
| 55 | 330045-06 | 4 | VITE | CH | |||
| 56 | 147190-00 | 1 | GRAFFA | CH | |||
| 57 | 945121-00 | 2 | SCREW.TEMP | CH | |||
| 58 | 326573-01 | 2 | SCREW WING | CH | |||
| 59 | 98096-19 | 1 | SCREW.TEMP | CH | |||
| 60 | 148455-00 | 1 | DISTANZIALE | CH | |||
| 61 | N022876 | 1 | BULL. A TESTA TONDA | M6x1.0x25 NYLOCK | CH | ||
| 62 | 949894-06 | 1 | VITE | CH | |||
| 63 | 145341-00 | 1 | INDICE | CH | |||
| 64 | 860083-02 | 1 | DADO | CH | |||
| 65 | 860094-12 | 2 | VITE | CH | |||
| 66 | 860094-13 | 1 | VITE | CH | |||
| 67 | 868329-00 | 2 | RONDELLA | CH | |||
| 69 | 380331-00 | 1 | ASS. IMPUGNATURA | CH | |||
| 70 | 320078-00 | 1 | MORSETTIERA | CH | |||
| 71 | 003618-00 | 1 | SERRAFILO | CH | |||
| 72 | 148461-00 | 2 | SCREW.TEMP | CH | |||
| 73 | 947964-01 | 1 | CORD PROTECTOR | CH | |||
| 74 | 148679-02 | 1 | CONDENSATORE | CH | |||
| 75 | 330019-21 | 3 | SCREW.TEMP | CH | |||
| 76 | 860084-23 | 1 | VITE | CH | |||
| 77 | 145401-00 | 1 | ARRESTO PULSANTE | CH | |||
| 78 | 21286-00 | 1 | MOLLA | CH | |||
| 80 | 869076-00 | 1 | VITE | CH | |||
| 85 | 145370-00 | 1 | ASS. CAVETTO | CH | |||
| 86 | 149005-00 | 1 | ASS. CAVETTO | CH | |||
| 87 | 145374-00 | 1 | ASS. CAVETTO | CH | |||
| 88 | 150463-01 | 1 | BRIDA | CH | |||
| 89 | 147081-00 | 1 | COLLEGAMENTO | CH | |||
| 90 | 145430-00 | 1 | SCARPA | CH | |||
| 91 | 861840-01 | 2 | ASS. LEVA | CH | |||
| 92 | 144942-02 | 1 | HANDLE | CH | |||
| 93 | 151309-00 | 1 | ASS.QUADRANTE | CH | |||
| 94 | 148188-00 | 1 | STAFFA | CH | |||
| 95 | 860091-04 | 4 | VITE | CH | |||
| 98 | 149521-01 | 1 | TARGHETTA | CH | |||
| 99 | 860091-04 | 2 | VITE | CH | |||
| 100 | 448136-00 | 2 | MOLLA | CH | |||
| 101 | 868190-00 | 1 | STAFFA | CH | |||
| 800 | 870889-02 | 1 | GRASSO | CH | |||
| 846 | 145378-01 | 1 | CHIAVE INGLESE | CH | |||
| 847 | 147071-04 | 1 | GUIDA | CH |