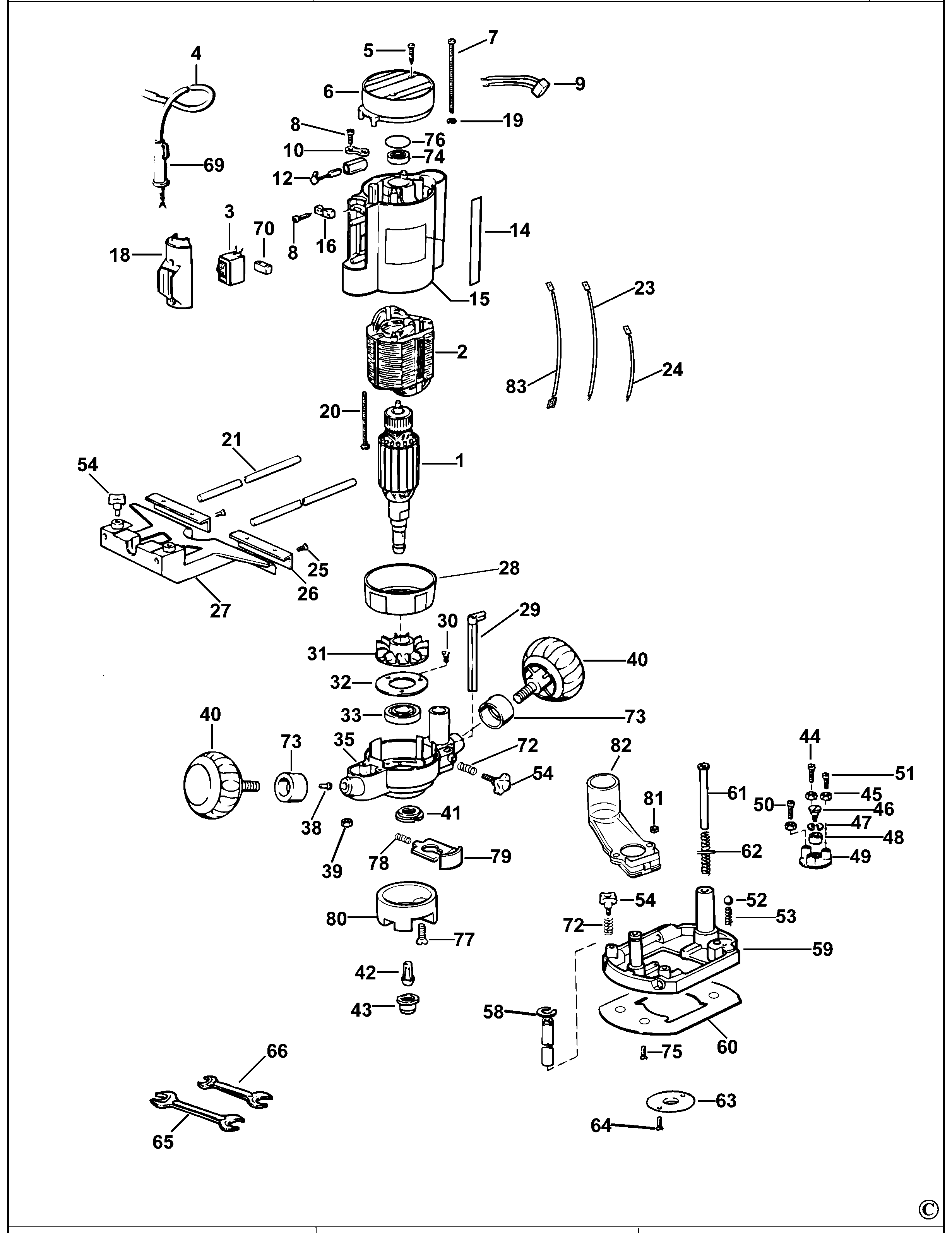
DW613-----C PLUNGE ROUTER Type 1 | Disegni
Documenti
Si prega di visualizzare il menu a tendina dal momento che alcuni prodotti potrebbero avere più disegni
| Item No. | Product Number | Qty Per | Product Description | INFORMAZIONI | Altre informazioni | Markets | Product Status |
|---|---|---|---|---|---|---|---|
| 1 | 249717-00 | 1 | INDOTTO | 115V | CH | ||
| 1 | 868389-00 | 1 | ARMATURE 230V | 230V | CH | ||
| 2 | 868628-01 | 1 | STATORE | 230V | CH | ||
| 2 | 868628-03 | 1 | STATORE | 115V | CH | ||
| 3 | N566709 | 1 | INTERRUTTORE | CH | |||
| 4 | 249322-02 | 1 | CAVO CON SPINA | US-CA | CH | ||
| 4 | 140101906 | 1 | ASS. CAVO | CH | |||
| 5 | 248850-00 | 4 | VITE | CH | |||
| 6 | 179120201 | 1 | COPERTURA | CH | |||
| 7 | 179910344 | 4 | VITE | CH | |||
| 9 | 320842-03 | 1 | CONDENSATORE | NOT "US" | CH | ||
| 10 | 868069-00 | 2 | MORSETTO | CH | |||
| 12 | 247533-11 | 2 | BRUSH & HOLDER 230V | 230V | CH | ||
| 12 | 248447-11 | 2 | ASS.SPAZ.E PORTASP. | 115V | CH | ||
| 14 | 249240-01 | 1 | SCALA | CH | |||
| 15 | 248966-03 | 1 | CORPO | CH | |||
| 16 | 576118-00 | 1 | SERRAFILO | CH | |||
| 18 | 248532-01 | 1 | COPERTURA | Yellow | CH | ||
| 19 | 093820600 | 6 | RONDELLA DENTATA | CH | |||
| 20 | 868528-00 | 2 | VITE | CH | |||
| 22 | 868080-00 | 2 | ASTA | CH | |||
| 23 | 248849-00 | 1 | LEAD RED | 115V | CH | ||
| 23 | 868530-07 | 1 | LEAD BLUE | 230V | CH | ||
| 24 | 179164503 | 1 | LEAD 160MM BLUE | 230V | CH | ||
| 24 | 248848-00 | 1 | LEAD 90MM | 115V | CH | ||
| 25 | 860205-04 | 1 | VITE | CH | |||
| 26 | 249090-00 | 1 | GUIDA | CH | |||
| 27 | 948651-00 | 1 | ASS. GUIDA | CH | |||
| 28 | 179120600 | 1 | BAFFLE FAN | CH | |||
| 29 | 868523-01 | 1 | ARRESTO PROFONDITA' | CH | |||
| 30 | 249417-00 | 3 | VITE | CH | |||
| 31 | 943054-00 | 1 | VENTOLA | CH | |||
| 32 | 868047-00 | 1 | PIASTRA | CH | |||
| 33 | 868768-16 | 1 | CUSCINETTO | CH | |||
| 35 | 248967-01 | 1 | SCATOLA INGRANAGGI | CH | |||
| 38 | 179123500 | 1 | PERNO DI BLOCCO | CH | |||
| 39 | 249232-00 | 4 | NUT M4 | CH | |||
| 40 | 869284-05 | 2 | ASS. IMPUGNATURA | CH | |||
| 41 | 868052-00 | 1 | DADO | CH | |||
| 43 | 326286-01 | 1 | SG COLLETTO E DADO | 6.35mm 1/4 inch | CH | ||
| 43 | 326286-00 | 1 | SG COLLETTO E DADO | 8mm | CH | ||
| 44 | 942931-01 | 1 | VITE | CH | |||
| 45 | 860083-02 | 3 | DADO | CH | |||
| 46 | 249432-00 | 1 | VITE | CH | |||
| 47 | 860658-01 | 1 | RONDELLA | CH | |||
| 48 | 868092-00 | 1 | RONDELLA | CH | |||
| 49 | 720674-01 | 1 | TORRETTA | CH | |||
| 50 | 868109-00 | 1 | VITE | CH | |||
| 51 | 942931-02 | 1 | SCREW.TEMP | CH | |||
| 52 | 720664-00 | 1 | SFERA | CH | |||
| 53 | 868082-00 | 1 | MOLLA | CH | |||
| 54 | 025922908 | 5 | MANOPOLA | CH | |||
| 58 | 943032-00 | 1 | ANELLO D'ARRESTO | CH | |||
| 59 | 868613-00 | 1 | ASS. PIASTRA BASE | CH | |||
| 60 | 943042-00 | 1 | BASE | CH | |||
| 61 | 868566-00 | 1 | ASTA | CH | |||
| 62 | 248953-00 | 1 | MOLLA | CH | |||
| 63 | 249014-01 | 1 | GUAINA ISOLANTE | CH | |||
| 64 | 249412-20 | 2 | VITE | CH | |||
| 65 | 941580-00 | 1 | SPANNER 13-17MM | CH | |||
| 66 | 868078-00 | 1 | CHIAVE | CH | |||
| 66 | 868078-00 | 1 | CHIAVE | CH | |||
| 69 | 868520-00 | 1 | CORD PROTECTOR | CH | |||
| 70 | 248851-00 | 2 | SPUGNA | CH | |||
| 72 | 868082-00 | 3 | MOLLA | CH | |||
| 73 | 249108-00 | 2 | GUAINA ISOLANTE | CH | |||
| 74 | N110358 | 1 | CUSCINETTO | CH | |||
| 75 | 248084-10 | 4 | VITE | CH | |||
| 76 | 030971003 | 1 | GUARNIZIONE | CH | |||
| 77 | 249444-02 | 4 | VITE | CH | |||
| 78 | N406641 | 1 | MOLLA DI COMPRESSIONE | CH | |||
| 79 | 943114-00 | 1 | ARRESTO PULSANTE | CH | |||
| 80 | 943057-00 | 1 | COPERTURA | CH | |||
| 81 | 249232-10 | 2 | NUT M5 | NOT "US" | CH | ||
| 83 | 096164515 | 2 | LEAD 75MM YELLOW | 120V US-CA | CH | ||
| 83 | 157164507 | 1 | LEAD 65MM YELLOW | 115V | CH | ||
| 83 | 179164502 | 1 | LEAD 60MM YELLOW | 230V | CH | ||
| 84 | 945304-01 | 1 | ESTRATTORE POLVERE | NOT "US" | CH |