DW882 SMERIGLIATRICE DIRITTA Type 1 | Disegni
Documenti
Si prega di visualizzare il menu a tendina dal momento che alcuni prodotti potrebbero avere più disegni
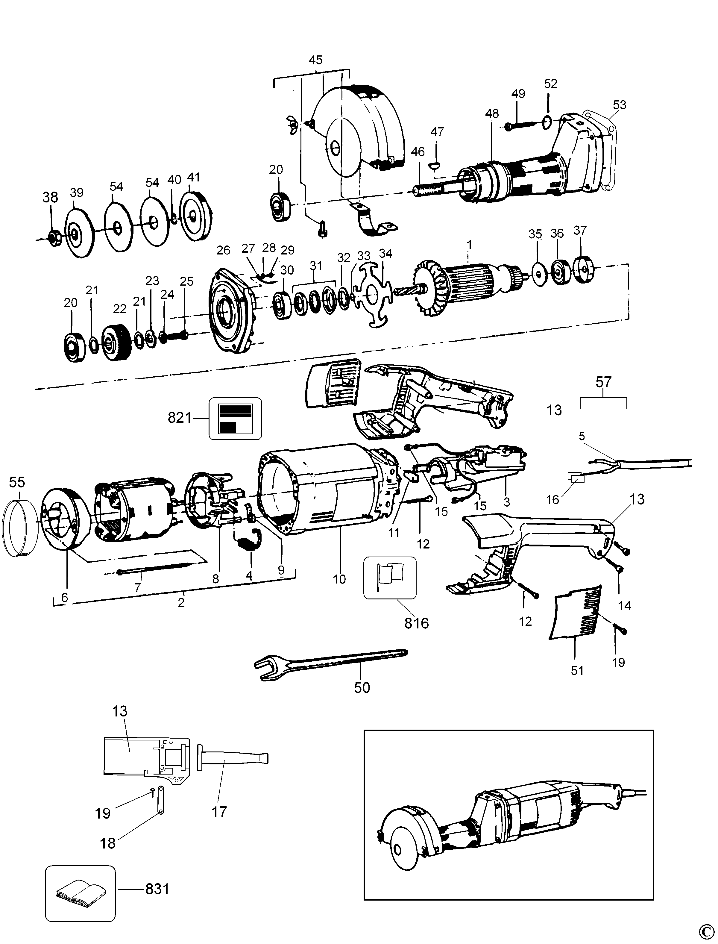
| Item No. | Product Number | Qty Per | Product Description | INFORMAZIONI | Altre informazioni | Markets | Product Status |
|---|---|---|---|---|---|---|---|
| 3 | 949825-07 | 1 | INTERRUTT. BLOCCO | CH | |||
| 4 | 940160-00 | 2 | SPAZZOLA AUTOESPELL. | CUT-OFF | CH | ||
| 5 | 330085-06 | 1 | CAVO CON SPINA | CH | |||
| 6 | 931073-00 | 1 | LINGUETTA DI GUIDA | CH | |||
| 7 | N412453 | 2 | VITE | CH | |||
| 8 | 935746 | 1 | ASS.PORTASPAZZOLE | CH | |||
| 8 | 935746 | 1 | ASS.PORTASPAZZOLE | CH | |||
| 9 | 931076-00 | 2 | MOLLA | CH | |||
| 10 | N105937 | 1 | CORPO MOTORE | CH | |||
| 11 | 930934-00 | 4 | AMMORTIZATORE | CH | |||
| 12 | 931297-00 | 4 | VITE | CH | |||
| 13 | N097875 | 1 | ASS. IMPUGNATURA | CH | |||
| 14 | 930284-01 | 2 | VITE | CH | |||
| 15 | 940988-60 | 2 | ASS. CAVETTO | CH | |||
| 18 | 931477-00 | 1 | SERRAFILO | CH | |||
| 19 | 931469-02 | 4 | VITE | CH | |||
| 20 | 861721-12 | 2 | CUSCINETTO | CH | |||
| 21 | 930594-00 | 2 | RONDELLA | CH | |||
| 22 | 937986-00 | 1 | INGRANAGGI | CH | |||
| 23 | 12952-00 | 1 | RONDELLA | CH | |||
| 24 | 930834-00 | 1 | RONDELLA | CH | |||
| 25 | 860085-09 | 1 | SCREW.TEMP | CH | |||
| 26 | 937984-01 | 1 | COPERCHIO SCAT.INGR. | CH | |||
| 27 | 939484-00 | 1 | CAVETTO | CH | |||
| 28 | 931798-00 | 1 | RONDELLA | CH | |||
| 29 | 931797-00 | 1 | VITE | CH | |||
| 30 | 330003-14 | 1 | CUSCINETTO | CH | |||
| 31 | 931067-00 | 1 | ASS. GIARNIZIONE | CH | |||
| 32 | 931062 | 1 | DISTANZIALE | CH | |||
| 33 | 930028-00 | 1 | ANELLO TOROIDALE | CH | |||
| 34 | 931066-00 | 1 | FLANGIA | CH | |||
| 35 | N174055 | 1 | DISTANZIALE | CH | |||
| 36 | 577745-00 | 1 | CUSCINETTO | CH | |||
| 37 | 938332-00 | 1 | MANICOTTO | CH | |||
| 38 | 8535-01 | 1 | DADO | CH | |||
| 39 | 939547-00 | 1 | FLANGIA | CH | |||
| 40 | 8899-00 | 1 | ANELLO D'ARRESTO | CH | |||
| 41 | 939519-00 | 1 | FLANGIA | CH | |||
| 44 | 444299-00 | 1 | NUT WING | CH | |||
| 45 | 400731-01 | 1 | ASS. PROTEZIONE | CH | |||
| 46 | 937982-01 | 1 | ALBERINO | CH | |||
| 47 | 940441-00 | 1 | CHIAVE | CH | |||
| 48 | 948122-03 | 1 | ASS. PEZZO FUSO | CH | |||
| 49 | 940267-00 | 4 | VITE | CH | |||
| 50 | 939948-00 | 1 | CHIAVE | CH | |||
| 51 | 933364-02 | 2 | COPERTURA | CH | |||
| 52 | 930248-00 | 4 | RONDELLA | CH | |||
| 53 | 940443-00 | 1 | GUARNIZIONE | CH | |||
| 54 | 939488-00 | 1 | AMMORTIZATORE | CH | |||
| 55 | 939955-00 | 1 | DISTANZIALE | CH |