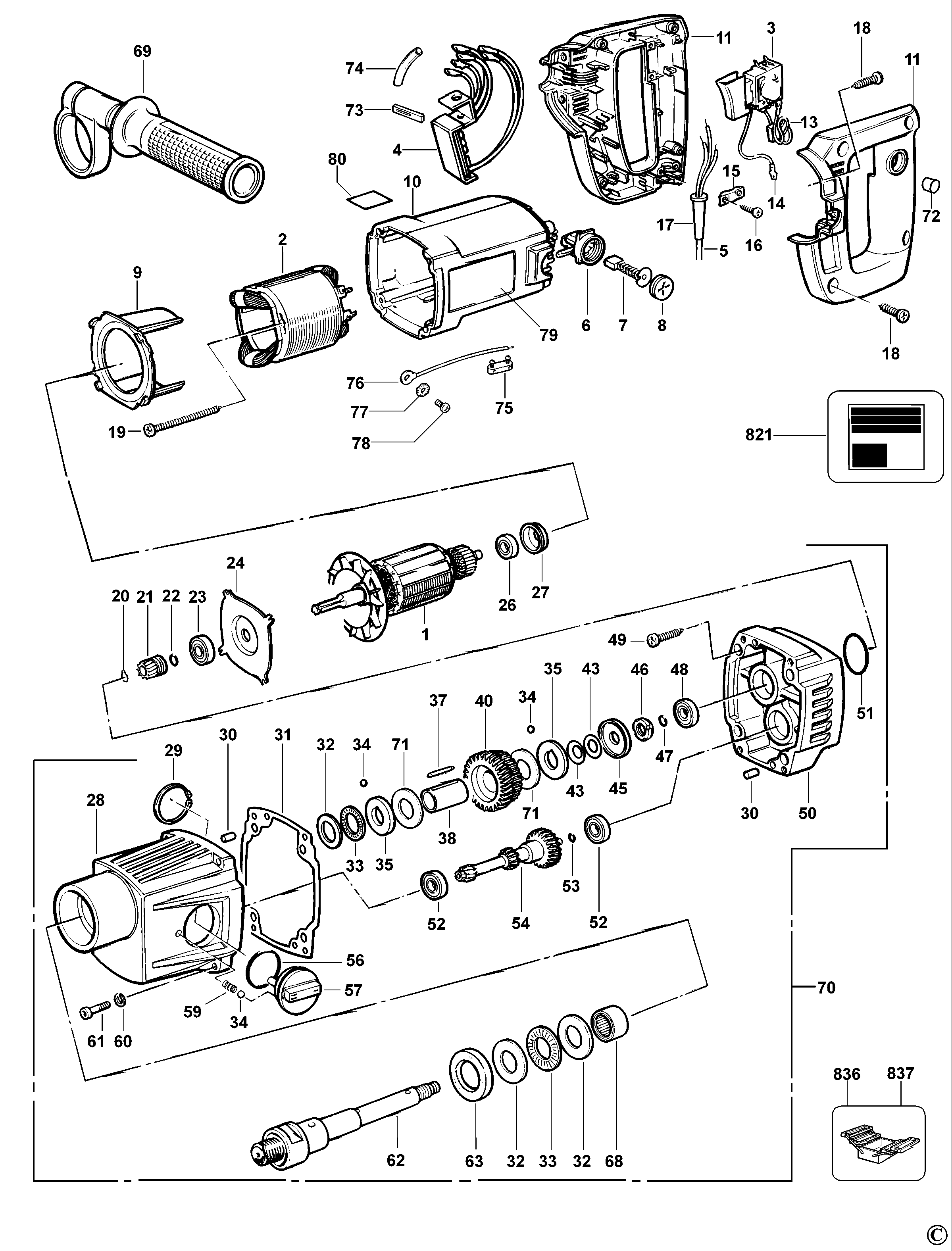
DW580EK TRAPANO DIAMANTE Type 1 | Disegni
Documenti
Si prega di visualizzare il menu a tendina dal momento che alcuni prodotti potrebbero avere più disegni
| Item No. | Product Number | Qty Per | Product Description | INFORMAZIONI | Altre informazioni | Markets | Product Status |
|---|---|---|---|---|---|---|---|
| 1 | 248158-00 | 1 | INDOTTO | 230 VOLT | QS | ||
| 1 | 248158-01 | 1 | ARMATURE 115V | 115 VOLT | QS | ||
| 2 | 587020-01 | 1 | FIELD 115V | 115 VOLT | QS | ||
| 2 | 587020-00 | 1 | STATORE | 230 VOLT | QS | ||
| 3 | 249579-00 | 1 | KIT INTERRUTTORE | QS | |||
| 4 | 328372-03 | 1 | SERVICE KIT 115V | DW Yellow | 115 VOLT | QS | |
| 4 | 328372-01 | 1 | SERVICE KIT 230V | DW Yellow | 230 VOLT | QS | |
| 5 | 324438-69 | 1 | CAVO | QS | |||
| 6 | 448083-01 | 2 | BRUSHBOX | QS | |||
| 7 | 248155-00 | 2 | SPAZZOLE | QS | |||
| 8 | 448084-01 | 2 | SPAZZOLA CALOTTA | QS | |||
| 9 | 447786-00 | 1 | BAFFLE FAN | QS | |||
| 10 | 447799-19 | 1 | CORPO MOTORE | QS | |||
| 11 | 572000-01 | 1 | ASS. IMPUGNATURA | Yellow | QS | ||
| 13 | 320842-03 | 1 | CONDENSATORE | QS | |||
| 15 | 910556 | 1 | SERRAFILO PER CAVO | QS | |||
| 16 | 949896-12 | 2 | VITE | QS | |||
| 17 | 401088-00 | 1 | MANICOTTO | QS | |||
| 18 | 330065-07 | 8 | VITE | QS | |||
| 19 | 844217-03 | 2 | VITE | QS | |||
| 20 | 248311-00 | 1 | ANELLO D'ARRESTO | QS | |||
| 21 | 248035-00 | 1 | PIGNONE | QS | |||
| 22 | 248036-00 | 1 | ANELLO TOROIDALE | QS | |||
| 23 | 330003-64 | 1 | CUSCINETTO | QS | |||
| 24 | 448079-00 | 1 | PIASTRA | QS | |||
| 26 | 605040-06 | 1 | BEARING,BALL | QS | |||
| 27 | 445217-02 | 1 | MANICOTTO | QS | |||
| 28 | 248075-00 | 1 | SCATOLA INGRANAGGI | QS | |||
| 29 | 278814-00 | 1 | ANELLO D'ARRESTO | QS | |||
| 30 | 832327 | 2 | PERNO | QS | |||
| 31 | 248049-00 | 1 | GUARNIZIONE | QS | |||
| 32 | 278811-00 | 3 | ANELLO | QS | |||
| 33 | 278810-00 | 2 | CUSCINETTO | QS | |||
| 34 | 832343 | 3 | SFERA | QS | |||
| 35 | 279196-00 | 1 | KIT FRIZIONE | QS | |||
| 37 | 278821-00 | 1 | PERNO | QS | |||
| 38 | 279196-00 | 1 | KIT FRIZIONE | QS | |||
| 40 | 248057-00 | 1 | ASS. INGRANAGGI | QS | |||
| 43 | 248058-00 | 4 | RONDELLA | QS | |||
| 45 | 248060-00 | 1 | SCODELLINO | QS | |||
| 46 | 248061-00 | 1 | DADO | QS | |||
| 47 | 278699-00 | 1 | GUARNIZIONE | QS | |||
| 48 | 050830000 | 1 | BEARING 6001 RSZ | QS | |||
| 49 | 330019-42 | 4 | VITE | QS | |||
| 50 | 248065-04 | 1 | SCATOLA INGRANAGGI | QS | |||
| 51 | 832348 | 1 | ANELLO | QS | |||
| 52 | 832337 | 2 | CUSCINETTO | QS | |||
| 53 | 278778-00 | 1 | GUARNIZIONE | QS | |||
| 54 | 248069-00 | 1 | INGRANAGG. DI RINVIO | QS | |||
| 56 | 832348 | 1 | ANELLO | QS | |||
| 57 | 248071-00 | 1 | MANOPOLA | QS | |||
| 59 | 832344 | 1 | MOLLA | QS | |||
| 60 | 832364 | 4 | RONDELLA | QS | |||
| 61 | 248063-00 | 4 | SCREW.TEMP | QS | |||
| 62 | 248074-02 | 1 | ALBERINO | 5/8"-16 UNF | QS | ||
| 63 | 278812-00 | 1 | GUARNIZIONE | QS | |||
| 68 | 278809-00 | 1 | CUSCINETTO | QS | |||
| 69 | 248190-00 | 1 | ASS. IMPUGN. LATERAL | QS | |||
| 70 | 248019-06 | 1 | SCATOLA INGRANAGGI | QS | |||
| 71 | 279196-00 | 1 | KIT FRIZIONE | QS | |||
| 72 | 917650-01 | 1 | GREGGIO | QS | |||
| 73 | 248037-00 | 1 | MANICOTTO | UP TO DATE CODE 9852 | QS | ||
| 74 | 249666-00 | 1 | GUAINA DI PROTEZIONE | QS | |||
| 79 | 578777-00 | 1 | ETICHETTA MARCHIO | QS | |||
| 80 | 328310-00 | 1 | ETICHETTA | QS | |||
| 821 | 569037-00 | 1 | SCHEDA | QS | |||
| 836 | 559505-99 | 1 | PRESA | QS | |||
| 837 | 559569-99 | 1 | PRESA | QS |