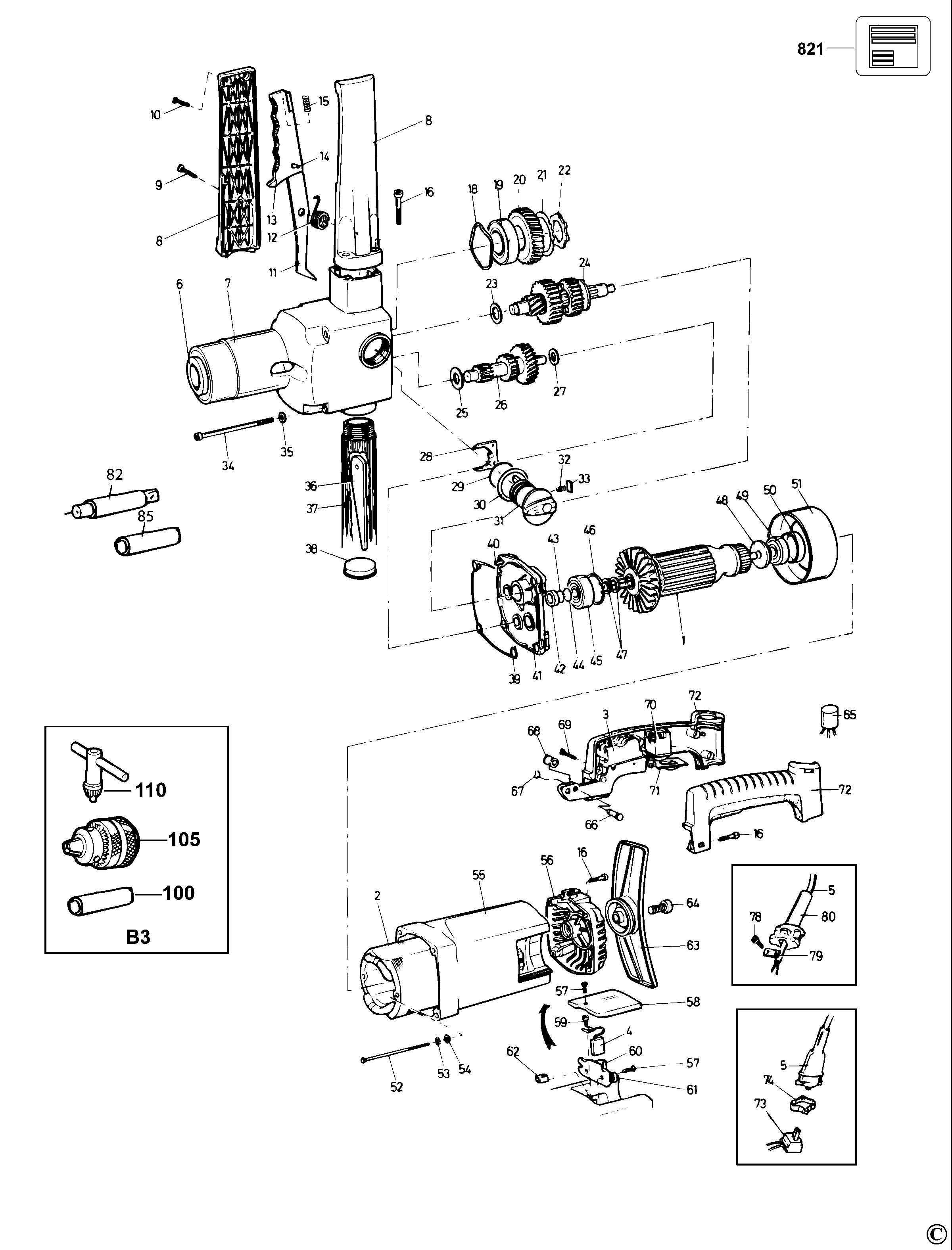
DW152 TRAPANO Type 1 | Disegni
Documenti
Si prega di visualizzare il menu a tendina dal momento che alcuni prodotti potrebbero avere più disegni

Item No. | Product Number | Qty Per | Product Description | INFORMAZIONI | Altre informazioni | Markets | Product Status |
---|---|---|---|---|---|---|---|
1 | 868404-00 | 1 | INDOTTO | QS | |||
2 | 868503-03 | 1 | FIELD 230V | QS | |||
3 | 932401-00 | 1 | INTERRUTTORE | QS | |||
4 | 932497-00 | 2 | SPAZZOLE | QS | |||
5 | 945892-05 | 1 | ASS. CAVO | QS | |||
6 | 932300-00 | 1 | PORTAUTENSILE | QS | |||
7 | 932418-00 | 1 | SCATOLA INGRANAGGI | QS | |||
8 | 935833-02 | 1 | ASS. IMPUGNATURA | QS | |||
9 | 949896-14 | 1 | VITE | QS | |||
10 | 949896-13 | 2 | VITE | QS | |||
11 | 932315-00 | 1 | LEVA | QS | |||
12 | 932313-00 | 1 | MOLLA | QS | |||
13 | 932317-00 | 1 | COPERTURA | QS | |||
14 | 932314-00 | 1 | PERNO | QS | |||
15 | 931013-00 | 1 | MOLLA | QS | |||
16 | 860093-11 | 6 | VITE | QS | |||
18 | 930614 | 1 | DISTANZIALE | QS | |||
19 | 930025-00 | 1 | CUSCINETTO | QS | |||
20 | 932428-00 | 1 | INGRANAGGI | QS | |||
21 | 932297-00 | 1 | RONDELLA | QS | |||
22 | 932299-00 | 1 | ANELLO | QS | |||
23 | 932287-00 | 1 | RONDELLA | QS | |||
24 | 869219-00 | 1 | ASS.ALBERO C/INGR. | QS | |||
25 | 932286-00 | 1 | RONDELLA | QS | |||
26 | 869219-02 | 1 | ASS.ALBERO C/INGR. | QS | |||
27 | 932285-00 | 2 | RONDELLA | QS | |||
28 | 932288-00 | 1 | PIASTRA | QS | |||
29 | 930039 | 1 | GUARNIZIONE | QS | |||
30 | 932289-00 | 1 | RONDELLA | QS | |||
31 | 932265-00 | 1 | ASS. LEVA | QS | |||
32 | 932290-00 | 1 | MOLLA | QS | |||
33 | 932291-00 | 1 | MOLLA | QS | |||
34 | 932408-00 | 4 | VITE | QS | |||
35 | 931429-00 | 4 | RONDELLA | QS | |||
36 | 932304-00 | 1 | EIETTORE | QS | |||
37 | 948539-01 | 1 | ASS. IMPUGN. LATERAL | QS | |||
38 | 932308-01 | 1 | CALOTTA | QS | |||
39 | 932312-00 | 2 | GUARNIZIONE | QS | |||
40 | 932301-00 | 2 | PERNO | QS | |||
41 | 943963-00 | 1 | ASS.COP.SCAT.INGR. | QS | |||
42 | 932311-00 | 1 | GUARNIZIONE | QS | |||
43 | 931052-00 | 1 | ANELLO | QS | |||
44 | 930940-00 | 1 | ANELLO | QS | |||
45 | 868768-05 | 1 | CUSCINETTO | QS | |||
46 | 949729-02 | 1 | ANELLO D'ARRESTO | QS | |||
47 | 932309-00 | 2 | RONDELLA | QS | |||
48 | 930073-00 | 1 | DISTANZIALE | QS | |||
49 | 868768-00 | 1 | CUSCINETTO | QS | |||
50 | 934409-00 | 1 | MANICOTTO | QS | |||
51 | 930072-00 | 1 | LINGUETTA DI GUIDA | QS | |||
52 | 930246-00 | 2 | VITE | QS | |||
53 | 761035-00 | 2 | RONDELLA | QS | |||
54 | 949876-08 | 2 | RONDELLA | QS | |||
55 | 932261-01 | 1 | CORPO MOTORE | QS | |||
56 | 932272-02 | 1 | ASS. COPERCHIO | QS | |||
57 | 930251-01 | 6 | SCREW.TEMP | QS | |||
58 | 932306-02 | 2 | COPERTURA SPAZZOLE | QS | |||
59 | 930242-00 | 1 | VITE | QS | |||
60 | 930269-00 | 2 | ASS. PIASTRA BASE | QS | |||
61 | 930099-00 | 2 | MOLLA | QS | |||
62 | 932307-00 | 2 | BLOCCO | QS | |||
63 | 932320-00 | 1 | PIASTRA | QS | |||
64 | 932319-00 | 6 | VITE | QS | |||
65 | 932476-00 | 1 | CONDENSATORE | QS | |||
66 | 932406-00 | 1 | PERNO | QS | |||
67 | 932268-00 | 2 | ANELLO | QS | |||
68 | 932405-00 | 1 | RULLO | QS | |||
69 | 930079-01 | 1 | VITE | QS | |||
70 | 932403-00 | 1 | INTERRUTTORE | QS | |||
71 | 932402-00 | 1 | CURSORE | QS | |||
72 | 935896-02 | 1 | ASS. IMPUGNATURA | QS | |||
72 | 869395-00 | 1 | ASS. IMPUGNATURA | QS | |||
73 | 869293-00 | 1 | CABLE KIT 220V | QS | |||
74 | 930331-00 | 1 | ANELLO | QS | |||
82 | 932573-01 | 1 | ALBERINO | QS | |||
85 | 861907-00 | 1 | ADATTATORE | QS | |||
821 | N045399 | 1 | SCHEDA | QS |